Ciao A tutti!
devo realizzare una tabella con due numeri da 7 segmenti pilotati da arduino (i segmenti sono composti da 14 led da 5mm classici, 2V 15mA totali 210mA ) il tutto alimentato da una lipo 3.7v.
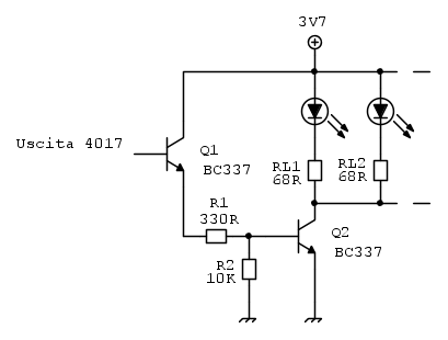
ora, ho utilizzato un ic 4029 per codificare gli impulsi di arduino nell'accensione dei vari segmenti, e visto che volevo risparmiare corrente mi era venuta in mente l'idea di utilizzare anche un 4017 per far accendere un segmento alla volta sequenzialmente. la mia idea è stata quella di collegare alle uscite del 4029 dei bc337 (collettore al positivo della batteria), l'emettitore poi finisce sul collettore di un secondo bc337 pilotato dal 4017, e in fine l'emettitore di quest'ultimo va sul segmento formato dai led.
non so se ho reso l'idea..
i miei problemi sono 2, uno è che con i bc337 che fanno da interruttori alla fine ai led arriva pochissima corrente... e in piu' anche se le basi dei bc337 non sono alimentate passa ugualmente una piccolissima corrente che fa accendere leggermente i led...
appena ho due secondi posto il circuito.
Qualcuno puo' aiutarmi? il pensiero di base deve rimanere questo, ma vorrei essere in grado di fornire ai led tutti i 210mA... e sopratutto spegnerli completamente se il segmento non è attivo...
circuito con tanti led e arduino - AIUTO Per pilotere i led!
14 messaggi
• Pagina 1 di 2 • 1, 2
0
voti
Premesso che non sono in grado di dire se sia il modo piu sensato per fare cio che desideri e che come hai gia intuito credo proprio servirà uno scema:
Se vuoi usare correttamente un BJT come switch il carico (leds) va collegato tra il positivo di alimentazione e il collettore dell' NPN di modo che lb (corrente di base) non scorra nel carico.
Inoltre devi dimensionare il tutto di modo che in base possa entrare corrente sufficente per saturare il transistor.
Snake165 ha scritto:.... e in fine l'emettitore di quest'ultimo va sul segmento formato dai led.
....con i bc337 che fanno da interruttori alla fine ai led arriva pochissima corrente...
.....vorrei essere in grado di fornire ai led tutti i 210mA...
Se vuoi usare correttamente un BJT come switch il carico (leds) va collegato tra il positivo di alimentazione e il collettore dell' NPN di modo che lb (corrente di base) non scorra nel carico.
Inoltre devi dimensionare il tutto di modo che in base possa entrare corrente sufficente per saturare il transistor.
0
voti
ciao
AjeieBrazov
Intanto, dallo schema che hai postato il carico lo hai messo sul collettore del 2° BJT e non sull' emettitore, e va bene così, non puoi mettere i led fra l' emettitore e massa con quello che hai in mano
E' tutto alimentato con la lipo ? Anche il anche il CD4017 ?
Se la lipo è carica, con il circuito che hai fatto e i valori indicati, in teoria i led si dovrebbero accendere abbastanza bene
Facendo due conti della massaia e ipotizzando un hfe del BC337 pari anche a 150 nella sua base scorre abbastanza corrente per saturare Q2 se il suo carico sono circa 210 mA,
Però intanto devi tener conto che la lipo, nel suo funzionamento andrà dai 4,2 V a piena carica a irca 2,9 V
e potrà aver problemi il 4017 a funzionare
Ma il tester ce l' hai ?
Se ce l' hai controlla la tensione ai capi di R1 così si vede se sono sufficienti a mandare almeno una decina di mA alla base di Q2 ( di mA alla base ne bastano anche meno, probabilmente, ma così siamo sicuri della saturazione ).
Se la tensione ai capi di R1 è troppo bassa,( ci devono essere minimo 1,5 V ) controlla la tensione sull' uscita del 4017 ciò l' uscita dove hai collegato la base di Q1, così ti rendi conto quanto è minore rispetto a Vcc, poi devi sapere che altri 0,7 V cadono sulla giunzione base emettitore di Q1 e altri 0,7 sulla giunzione base emettitore di Q2 , sicché , può darsi, che ai capi di R1, la tensione sia troppo bassa
Poi controllala tensione sulle resistenze da 68 R e la tensione sui led, almeno si capisce qual èla vera tensione per poter avere i 15 m A
Per quanto riguarda il fatto che i led restano leggermente accesi anche quando non devono, sempre con l' aiuto del tester devi misurare la tensione fra base e emettitore di Q1( quando i led devono stare spenti )
Se ci rimangono anche solo 0,5 V, manda in leggera conduzione Q1 che a sua volta pilota Q2
Le uscite del 4017, in pratica, probabilmente a livello basso, non raggiungono totalmente massa, ma rimangono ad una tensione superiore, è può bastare per mandare in leggera conduzione Q1
In questo caso dovresti togliere la resistenza R2 da 10 K.
Ma potrebbe non essere sufficiente. Magari senza saperlo,con i due BJT hai fatto una configurazione darlington
Insomma, fai delle misure, così si capisce dov'è il problema
Intanto, dallo schema che hai postato il carico lo hai messo sul collettore del 2° BJT e non sull' emettitore, e va bene così, non puoi mettere i led fra l' emettitore e massa con quello che hai in mano
E' tutto alimentato con la lipo ? Anche il anche il CD4017 ?
Se la lipo è carica, con il circuito che hai fatto e i valori indicati, in teoria i led si dovrebbero accendere abbastanza bene
Facendo due conti della massaia e ipotizzando un hfe del BC337 pari anche a 150 nella sua base scorre abbastanza corrente per saturare Q2 se il suo carico sono circa 210 mA,
Però intanto devi tener conto che la lipo, nel suo funzionamento andrà dai 4,2 V a piena carica a irca 2,9 V
e potrà aver problemi il 4017 a funzionare
Ma il tester ce l' hai ?
Se ce l' hai controlla la tensione ai capi di R1 così si vede se sono sufficienti a mandare almeno una decina di mA alla base di Q2 ( di mA alla base ne bastano anche meno, probabilmente, ma così siamo sicuri della saturazione ).
Se la tensione ai capi di R1 è troppo bassa,( ci devono essere minimo 1,5 V ) controlla la tensione sull' uscita del 4017 ciò l' uscita dove hai collegato la base di Q1, così ti rendi conto quanto è minore rispetto a Vcc, poi devi sapere che altri 0,7 V cadono sulla giunzione base emettitore di Q1 e altri 0,7 sulla giunzione base emettitore di Q2 , sicché , può darsi, che ai capi di R1, la tensione sia troppo bassa
Poi controllala tensione sulle resistenze da 68 R e la tensione sui led, almeno si capisce qual èla vera tensione per poter avere i 15 m A
Snake165 ha scritto:. e in piu' anche se le basi dei bc337 non sono alimentate passa ugualmente una piccolissima corrente che fa accendere leggermente i led...
.
Per quanto riguarda il fatto che i led restano leggermente accesi anche quando non devono, sempre con l' aiuto del tester devi misurare la tensione fra base e emettitore di Q1( quando i led devono stare spenti )
Se ci rimangono anche solo 0,5 V, manda in leggera conduzione Q1 che a sua volta pilota Q2
Le uscite del 4017, in pratica, probabilmente a livello basso, non raggiungono totalmente massa, ma rimangono ad una tensione superiore, è può bastare per mandare in leggera conduzione Q1
In questo caso dovresti togliere la resistenza R2 da 10 K.
Ma potrebbe non essere sufficiente. Magari senza saperlo,con i due BJT hai fatto una configurazione darlington
Insomma, fai delle misure, così si capisce dov'è il problema
0
voti
L'OP non ha specificato la tensione di alimentazione del 4017.
Personalmente non avrei usato quell'integrato ma, potendo fornire una corrente di uscita minima un inseguitore di emettitore è necessario.
Questo circuito dovrebbe funzionare anche considerando un Hfe in saturazione pari a 50 o poco più (150 in saturazione è troppo ottimistico).
Aspettiamo ulteriori info dall'OP
P.S: io avrei usato un solo mosfet N logic level. Nessun problema di corrente di uscita del comando, RDSON bassa e vivrei felice.
Personalmente non avrei usato quell'integrato ma, potendo fornire una corrente di uscita minima un inseguitore di emettitore è necessario.
Questo circuito dovrebbe funzionare anche considerando un Hfe in saturazione pari a 50 o poco più (150 in saturazione è troppo ottimistico).
Aspettiamo ulteriori info dall'OP
P.S: io avrei usato un solo mosfet N logic level. Nessun problema di corrente di uscita del comando, RDSON bassa e vivrei felice.
-

AjeieBrazov
1.460 4 10 - ---
- Messaggi: 586
- Iscritto il: 23 mag 2017, 21:53
0
voti
ops !
Ho toppato !
i miei consigli erano rivolti a
Snake165 ovviamente e invece ho scritto il tuo nick
AjeieBrazov
Scusami
Ho toppato !
i miei consigli erano rivolti a
Scusami
0
voti
La domanda di base è un'altra: a che pro un 4029 quando si ha un microcontroller a disposizione.
Poi i LED si possono pilotare molto comodamente con un I/O-expander ad uscita open-drain:
http://ww1.microchip.com/downloads/en/D ... 22103a.pdf
Boiler
Poi i LED si possono pilotare molto comodamente con un I/O-expander ad uscita open-drain:
http://ww1.microchip.com/downloads/en/D ... 22103a.pdf
Boiler
0
voti
Intanto mi scuso nuovamente con
AjeieBrazov, perché solo stamattina ho realizzato che il circuito postato era il suo e non quello di
Snake165 che non funzionava.
Infatti , come avevo scritto,
Perciò tutti i consigli riguardavano il controllo e perciò non hanno più senso
La frase che più mi ha confuso, la prima volta che ho letto è stata questa
e da lì leggendo con poca attenzione è nato tutto il malinteso
Comunque la colpa è mia che la sera, leggo un po' il forum, ma nello stesso tempo guardo un film e perciò succedono queste cose
Infatti , come avevo scritto,
Pixy ha scritto:
Se la lipo è carica, con il circuito che hai fatto e i valori indicati, in teoria i led si dovrebbero accendere abbastanza bene
Perciò tutti i consigli riguardavano il controllo e perciò non hanno più senso
La frase che più mi ha confuso, la prima volta che ho letto è stata questa
Snake165 ha scritto:appena ho due secondi posto il circuito.
e da lì leggendo con poca attenzione è nato tutto il malinteso
Comunque la colpa è mia che la sera, leggo un po' il forum, ma nello stesso tempo guardo un film e perciò succedono queste cose
0
voti
spero di avere inteso quanto ti serva....
io ho usato più volte il sistema multiplexing, sia con microcontrollore (che è più semplice) che con la vecchia elettronica cablata, ed il risultato è buono, sia con display che con singoli led.
in definitiva definisci un canale per ogni display, (abilitando il comune), quindi colleghi assieme tutti i segmenti di tutti i display, e li mandi al micro, il software farà il resto, abilitando un display per volta e controllando i segmenti.
con 7+4=11 fili controlli 4 display.
saluti.
io ho usato più volte il sistema multiplexing, sia con microcontrollore (che è più semplice) che con la vecchia elettronica cablata, ed il risultato è buono, sia con display che con singoli led.
in definitiva definisci un canale per ogni display, (abilitando il comune), quindi colleghi assieme tutti i segmenti di tutti i display, e li mandi al micro, il software farà il resto, abilitando un display per volta e controllando i segmenti.
con 7+4=11 fili controlli 4 display.
saluti.
-

lelerelele
4.899 3 7 9 - Master

- Messaggi: 5505
- Iscritto il: 8 giu 2011, 8:57
- Località: Reggio Emilia
0
voti
Caspita, non pensavo di introdurre tutti questi malintesi!
Comunque il mio errore lo avevo scoperto subito dopo, ed è come già scritto... ho sbagliato di posizionare il carico nello sviluppo della basetta!! spostandolo tra il positivo della batteria e il collettore tutto ha iniziato a funzionare con i valori corretti!
Scusate! ho smosso mari e monti per nulla!!

Comunque il mio errore lo avevo scoperto subito dopo, ed è come già scritto... ho sbagliato di posizionare il carico nello sviluppo della basetta!! spostandolo tra il positivo della batteria e il collettore tutto ha iniziato a funzionare con i valori corretti!
Scusate! ho smosso mari e monti per nulla!!
14 messaggi
• Pagina 1 di 2 • 1, 2
Chi c’è in linea
Visitano il forum: Nessuno e 12 ospiti

Elettrotecnica e non solo (admin)
Un gatto tra gli elettroni (IsidoroKZ)
Esperienza e simulazioni (g.schgor)
Moleskine di un idraulico (RenzoDF)
Il Blog di ElectroYou (webmaster)
Idee microcontrollate (TardoFreak)
PICcoli grandi PICMicro (Paolino)
Il blog elettrico di carloc (carloc)
DirtEYblooog (dirtydeeds)
Di tutto... un po' (jordan20)
AK47 (lillo)
Esperienze elettroniche (marco438)
Telecomunicazioni musicali (clavicordo)
Automazione ed Elettronica (gustavo)
Direttive per la sicurezza (ErnestoCappelletti)
EYnfo dall'Alaska (mir)
Apriamo il quadro! (attilio)
H7-25 (asdf)
Passione Elettrica (massimob)
Elettroni a spasso (guidob)
Bloguerra (guerra)







