Lavoro per una multinazionale con 2000 dipendenti.
Al di là del kaizen o del non kaizen, nell'ultimo messaggio hai cambiato alcune cose che è necessario far notare: in [28] affermi che QM ha diritto di richiedere la progettazione e la costruzione di una macchina di test per provare dei singoli componenti. A questa affermazione io rispondo che a me non sembra che QM abbia alcun diritto di richiedere una cosa del genere. Poi in [30] modifichi dicendo che QM richiede un prototipo e una serie di cinque pezzi. Per questa nuova affermazione non vale di certo la risposta precedente.
Io vengo da un mondo diverso ed è forse per questo motivo che mi sembra ci sia un po' di approssimazione nell'affrontare l'intero problema. Il mio approccio alla progettazione è molto più pragmatico di quanto appare da tuo messaggio in [30]. Non è che facendo una macchina di test e provando una manciata di componenti tu sia in grado di assicurare la qualità. La qualità è il risultato di una progettazione, la progettazione della qualità appunto, che non prevede percorsi così tortuosi e poco strutturabili come quelli che descrivi.
Non è il trito luogo comune che costa meno provare prima che correggere poi, la questione è che la buona progettazione è fatta prima su carta e poi in laboratorio e a me sembra proprio che nel tuo caso questo punto sia un po' fumoso.
E non è che uno o più errori in un datasheet possano giustificare il non fare i calcoli o il non tenerne conto perché potrebbero per questo essere viziati. Il progettista deve essere in grado di valutare anche queste eventualità, saperle individuare, e porvi rimedio. E' ovvio che in un datasheet di migliaia di pagine come lo sono quelli di certi microprocessori è impossibile non si annidino dei refusi (gli errata corrige ci sono per questo motivo), ma la documentazione del costruttore è comunque inderogabile, in ognuno dei suoi punti che non siano stati riconosciuti errati.
Nel tuo caso specifico, appare evidente come quel componente lavori fuori specifiche e non c'è test di sorta che possa giustificare il suo utilizzo in quelle condizioni. Questo punto può essere contestato quanto vuoi, ma in definitiva le cose stanno così, indipendentemente dalle dimensioni aziendali o dal Lean o meno Lean Thinking che si voglia applicare. E non credo che Toyota la pensi in modo differente.
Poi potremmo discutere del circuito di quella macchina di test, ma qui comincio a camminare su un terreno che non è più il mio. Comunque a me appare anche che quella macchina non riproduca le condizioni operative, almeno per un paio di motivi. Primo perché un interruttore meccanico produce rimbalzi che provocano variazioni di/dt completamente differenti da quelle che ottieni con il mosfet. Poi perché quando scarichi quei condensatori hai certamente interazione tra i vari stadi con la corrente che circola anche in senso opposto a quella prevista.
Io non posso permettermi di giudicare la serietà dell'azienda per la quale lavori, sei tu che tocchi il punto. Posso solo dirti che se un evento del genere fosse portato alla mia attenzione, io probabilmente metterei in essere un'azione di richiamo.
Accendere un transistor, VELOCEMENTE!
Moderatori:
carloc,
g.schgor,
BrunoValente,
IsidoroKZ
46 messaggi
• Pagina 4 di 5 • 1, 2, 3, 4, 5
0
voti
Ok potevo stare zitto...pubblico lo stesso...il concetto è quello di venexian ma io ho il braccino corto sulle parole....
Boiler scusami per l'intrusione. Sono un progettista minuscolo e seguo con interesse la discussione.
Interessante sapere come la grande azienda gestisce "la rogna"
Volevo seguire in silenzio ma mi devi permettere alcune considerazioni:
secondo me ha ragione chi ti dice di non fare i test. Il test non è significativo, sai meglio di me che le condizioni operative non le puoi simulare tutte. Temperature, disturbi indotti, lunghezza cavi e non ultimo tolleranze dei componenti tanto per citarne alcune. Il test può dare delle conferme ma per me fa testo solo la carta giusta o sbagliata che sia.
Pur capendo le esigenze comemrciali e di immagine non condivido nemmeno la scelta di "accontentare" il cliente che utilizza la scheda fuori specifica. Con la percentuale di guasto che hai indicato la bontà del progetto per me non è in discussione, io cercherei cosa non funziona nell'impianto del cliente (cosa già fatta suppongo). Ci sono tante e tali porcherie in giro e non puoi farti carico di tutto. Se per risparmiare il tuo cliente ha preso un alimentatore cinese che costa un quarto di quello di marca il problema non dovrebbe essere tuo.
Boiler scusami per l'intrusione. Sono un progettista minuscolo e seguo con interesse la discussione.
Interessante sapere come la grande azienda gestisce "la rogna"
Volevo seguire in silenzio ma mi devi permettere alcune considerazioni:
secondo me ha ragione chi ti dice di non fare i test. Il test non è significativo, sai meglio di me che le condizioni operative non le puoi simulare tutte. Temperature, disturbi indotti, lunghezza cavi e non ultimo tolleranze dei componenti tanto per citarne alcune. Il test può dare delle conferme ma per me fa testo solo la carta giusta o sbagliata che sia.
Pur capendo le esigenze comemrciali e di immagine non condivido nemmeno la scelta di "accontentare" il cliente che utilizza la scheda fuori specifica. Con la percentuale di guasto che hai indicato la bontà del progetto per me non è in discussione, io cercherei cosa non funziona nell'impianto del cliente (cosa già fatta suppongo). Ci sono tante e tali porcherie in giro e non puoi farti carico di tutto. Se per risparmiare il tuo cliente ha preso un alimentatore cinese che costa un quarto di quello di marca il problema non dovrebbe essere tuo.
-

luxinterior
4.311 3 4 9 - Master EY

- Messaggi: 2690
- Iscritto il: 6 gen 2016, 17:48
5
voti
luxinterior ha scritto:Ok potevo stare zitto
Anch'io... questo thread sta degenerado in una partita di calcio dove tutti si sentono CT.
Per farla breve:
- La ditta per cui lavoro ha deciso di adottare una strategia amichevole nei confronti del cliente. Non mi disturba e, comunque, non sta a me cambiarla.
- La ditta per cui lavoro richiede che vengano fatti dei test prima di certi cambiamenti. Non mi disturba (anzi) e, comunque, non sta a voi cambiare questa prassi.
- La ditta per cui lavoro ogni fine mese mi fa trovare la paga sul conto. Lo fa perché io faccio quello che viene richiesto. Tra le altre cose questo tipo di test. Se non lo ritenete necessario, non cambia nulla. As easy as that.
E sulla non significanza dei test, non ci metterei la mano sul fuoco. Se davvero fosse così, non esisterebbe un mercato per le Evaluation Boards. Si potrebbe fare tutto a tavolino e andare direttamente in produzione senza prototipi e senza serie pilota.
Chiudo qui.
Boiler
0
voti
Non capisco l'intervento.
Voglio solo precisare che negare la naecessita dei test per questo caso e per questo specifico problema non significa negare l'utilità dei test e degli strumenti di sviluppo in generale.
Poi siamo qui per discuterne uno fa quello che vuole e a mio modo di vedere non dovrebbe prenderesla se qualcuno la pensa diversamente
Voglio solo precisare che negare la naecessita dei test per questo caso e per questo specifico problema non significa negare l'utilità dei test e degli strumenti di sviluppo in generale.
Poi siamo qui per discuterne uno fa quello che vuole e a mio modo di vedere non dovrebbe prenderesla se qualcuno la pensa diversamente
-

luxinterior
4.311 3 4 9 - Master EY

- Messaggi: 2690
- Iscritto il: 6 gen 2016, 17:48
2
voti
boiler, non riesco a capire perché tu te la sia presa così tanto: da professionista hai chiesto un consiglio tecnico, specificando nei dettagli un problema. Altri professionisti ti hanno risposto, senza giudicare il tuo lavoro, ma consigliandoti su come loro avrebbero affrontato lo stesso problema. Tu, invece di considerare quei consigli come spunti per eventualmente migliorare ciò che stai facendo, li hai presi come attacchi personali, cosa che non sono mai stati.
A me hai anche chiesto la dimensione aziendale nella quale lavoro, come se nel caso fosse stata una piccola azienda artigiana, questo avrebbe in qualche modo potuto sminuire il livello degli interventi. Devo dirti che non è stato piacevole. Altrettanto posso assicurarti non c'era e non c'è alcun intento denigratorio nei tuoi confronti se tecnicamente io, o qualcun altro la pensano in modo difforme da te.
Nessuno ti costringe a seguire ciò che ti viene consigliato, ma non ha neppure senso prendersela se i consigli vanno in direzione diversa da quanto ti saresti aspettato. Ad ogni buon modo, nessun rancore e a riprova ti mostro che ho dedicato un po' di tempo al tuo problema e, una volta stabilito che vuoi seguire la strada della costruzione della macchina di test per la prova ad impulso delle resistenze, ti mostro come farei io.
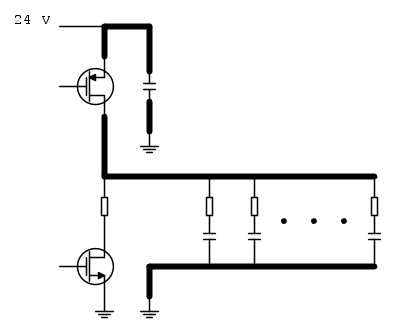
Per prima cosa non metterei due mosfet per ogni gruppo RC, ma piloterei tutti i gruppi in parallelo con una sola coppia P-N. Una cosa tipo questa.
Il mosfet P sarebbe un 'high side driver' come il BPS555 che ha già il driver integrato e può dare impulsi di centinaia di ampere. Il mosfet N sarebbe qualsiasi cosa, dato che deve portare una corrente quasi irrisoria.
Il funzionamento sarebbe più o meno questo: tenendo N aperto, viene acceso P che fornisce tutta la corrente necessaria alla carica dei condensatori. P è talmente potente che al nodo comune delle resistenze sotto test, la tensione è comunque costante. Una volta terminata la carica, P viene spento e viene acceso N che scarica i condensatori tramite le resistenze sotto test e la resistenza comune di scarica.
Il punto focale è la resistenza di scarica che se di valore sufficientemente elevato, limita la corrente di picco a un valore tale per cui la dissipazione nelle resistenze sotto test risulta irrisoria. Ad esempio, un decimo della corrente porterebbe un centesimo della dissipazione, praticamente nulla.
La parte più importante è comunque la realizzazione meccanica della macchina perché le correnti con 36 rami, sfiorano i 100 A. Nello schema, con tratto più grosso ci sono i rami che devono avere bassa impedenza. Ti allego uno schizzo di come farei gli stampati con la disposizione dei componenti.
Da un lato ci sono le coppie RC, dall'altro i due mosfet, la resistenza di scarica, suddivisa per simmetria e gli importantissimi condensatori di bypass. Non ho inserito la parte di controllo che può essere direttamente il segnale in uscita da un qualsiasi micro.
Spero davvero tu non prenda questi consigli come una 'sparata da CT' come hai definito i miei precedenti. Per me è stato un piacere pensare ad una soluzione, spero lo sia anche per te. Se non ti piace, o non condividi le scelte, basta ignorarle o eventualmente discuterne pacificamente.
A me hai anche chiesto la dimensione aziendale nella quale lavoro, come se nel caso fosse stata una piccola azienda artigiana, questo avrebbe in qualche modo potuto sminuire il livello degli interventi. Devo dirti che non è stato piacevole. Altrettanto posso assicurarti non c'era e non c'è alcun intento denigratorio nei tuoi confronti se tecnicamente io, o qualcun altro la pensano in modo difforme da te.
Nessuno ti costringe a seguire ciò che ti viene consigliato, ma non ha neppure senso prendersela se i consigli vanno in direzione diversa da quanto ti saresti aspettato. Ad ogni buon modo, nessun rancore e a riprova ti mostro che ho dedicato un po' di tempo al tuo problema e, una volta stabilito che vuoi seguire la strada della costruzione della macchina di test per la prova ad impulso delle resistenze, ti mostro come farei io.
Per prima cosa non metterei due mosfet per ogni gruppo RC, ma piloterei tutti i gruppi in parallelo con una sola coppia P-N. Una cosa tipo questa.
Il mosfet P sarebbe un 'high side driver' come il BPS555 che ha già il driver integrato e può dare impulsi di centinaia di ampere. Il mosfet N sarebbe qualsiasi cosa, dato che deve portare una corrente quasi irrisoria.
Il funzionamento sarebbe più o meno questo: tenendo N aperto, viene acceso P che fornisce tutta la corrente necessaria alla carica dei condensatori. P è talmente potente che al nodo comune delle resistenze sotto test, la tensione è comunque costante. Una volta terminata la carica, P viene spento e viene acceso N che scarica i condensatori tramite le resistenze sotto test e la resistenza comune di scarica.
Il punto focale è la resistenza di scarica che se di valore sufficientemente elevato, limita la corrente di picco a un valore tale per cui la dissipazione nelle resistenze sotto test risulta irrisoria. Ad esempio, un decimo della corrente porterebbe un centesimo della dissipazione, praticamente nulla.
La parte più importante è comunque la realizzazione meccanica della macchina perché le correnti con 36 rami, sfiorano i 100 A. Nello schema, con tratto più grosso ci sono i rami che devono avere bassa impedenza. Ti allego uno schizzo di come farei gli stampati con la disposizione dei componenti.
Da un lato ci sono le coppie RC, dall'altro i due mosfet, la resistenza di scarica, suddivisa per simmetria e gli importantissimi condensatori di bypass. Non ho inserito la parte di controllo che può essere direttamente il segnale in uscita da un qualsiasi micro.
Spero davvero tu non prenda questi consigli come una 'sparata da CT' come hai definito i miei precedenti. Per me è stato un piacere pensare ad una soluzione, spero lo sia anche per te. Se non ti piace, o non condividi le scelte, basta ignorarle o eventualmente discuterne pacificamente.
1
voti
Bellissimo
venexian ma sbagliato
Mettere tutti i rami sotto test in parallelo provocherebbe il passaggio di una gran parte (se non quasi tutta) della corrente sul singolo ramo ad impedenza minore di tutti, considera tolleranze, ESR, stato dei condensatori ...
Inoltre, se anche un ramo esibisse il difetto variando il valore di R verso l'alto ... bene (cioè male) - quel ramo -all'impulso successivo non vedrebbe più la corrente dell'impulso precedente "autoproteggendosi".
Metti un link al DS, non lo trovo con quella sigla ?
Mettere tutti i rami sotto test in parallelo provocherebbe il passaggio di una gran parte (se non quasi tutta) della corrente sul singolo ramo ad impedenza minore di tutti, considera tolleranze, ESR, stato dei condensatori ...
Inoltre, se anche un ramo esibisse il difetto variando il valore di R verso l'alto ... bene (cioè male) - quel ramo -all'impulso successivo non vedrebbe più la corrente dell'impulso precedente "autoproteggendosi".
Il mosfet P sarebbe un 'high side driver' come il BPS555
Metti un link al DS, non lo trovo con quella sigla ?
Da soli conosciamo alcune cose.
In molti ne conosceremo molte di più.
In molti ne conosceremo molte di più.
0
voti
gammaci ha scritto:passaggio di una gran parte (se non quasi tutta) della corrente sul singolo ramo ad impedenza minore
Che è la definizione di carichi in parallelo con generatore di tensione costante. Come ho fatto a non pensarci.
Meglio che torni a occuparmi di ingranaggi.
0
voti
Ah ah
No ... resta pure, sei il benvenuto ...
Basta che una sola resistenza dia un fail una sola volta per invalidare il componente e risolvere il problema ...
non serve fare una cosa in grande stile. Il guasto sembra deterministico (almeno in campo ..) quindi non credo che un plotone di resistenze possa evidenziare il problema con maggior sicurezza o maggiore confidenza.
Anche gli ingranaggi ... è un bel casino
si.
No ... resta pure, sei il benvenuto ...
Basta che una sola resistenza dia un fail una sola volta per invalidare il componente e risolvere il problema ...
non serve fare una cosa in grande stile. Il guasto sembra deterministico (almeno in campo ..) quindi non credo che un plotone di resistenze possa evidenziare il problema con maggior sicurezza o maggiore confidenza.
Anche gli ingranaggi ... è un bel casino
Da soli conosciamo alcune cose.
In molti ne conosceremo molte di più.
In molti ne conosceremo molte di più.
0
voti
gammaci ha scritto:Ah ah![]()
No ... resta pure, sei il benvenuto ...
Beh, dai forse sì. Anche perché qui si imparano ogni giorno cose nuove. Ad esempio la rivisitazione della LKV è stata per me una vera sorpresa.
0
voti
Ad esempio la rivisitazione della LKV è stata per me una vera sorpresa.
E beh si, ti doveva balzare all'occhio ah aha ... e ben due punti ti hanno dato ... pure
Poi si sa, le cose che pur si son ben comprese durante il periodo degli studi si dimenticano se non le usi nella vita di tutti i giorni.
Da soli conosciamo alcune cose.
In molti ne conosceremo molte di più.
In molti ne conosceremo molte di più.
46 messaggi
• Pagina 4 di 5 • 1, 2, 3, 4, 5
Chi c’è in linea
Visitano il forum: Nessuno e 93 ospiti

Elettrotecnica e non solo (admin)
Un gatto tra gli elettroni (IsidoroKZ)
Esperienza e simulazioni (g.schgor)
Moleskine di un idraulico (RenzoDF)
Il Blog di ElectroYou (webmaster)
Idee microcontrollate (TardoFreak)
PICcoli grandi PICMicro (Paolino)
Il blog elettrico di carloc (carloc)
DirtEYblooog (dirtydeeds)
Di tutto... un po' (jordan20)
AK47 (lillo)
Esperienze elettroniche (marco438)
Telecomunicazioni musicali (clavicordo)
Automazione ed Elettronica (gustavo)
Direttive per la sicurezza (ErnestoCappelletti)
EYnfo dall'Alaska (mir)
Apriamo il quadro! (attilio)
H7-25 (asdf)
Passione Elettrica (massimob)
Elettroni a spasso (guidob)
Bloguerra (guerra)




