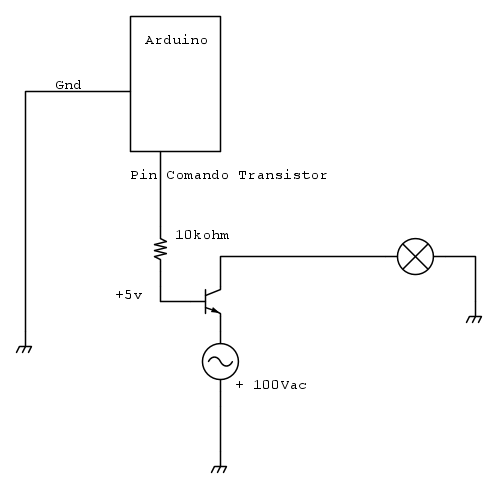
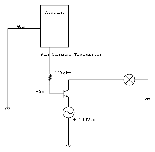
La prima idea girovagando tra web e amici più esperti è ricaduta su un fotoaccoppiatore a transistor ad alto tensione. Il problema è che non ne trovo che reggano una tensione di 500vac tra Collettore e Emettitore... massimo 300vac.(Magari anche perché non conosco i modelli per bene)
Non li trovi perché non serve costruirne con BVceo così alte.
E' sempre possibile aggiungere un transistor esterno in configurazione Darlington che regga la Vce/Ic necessarie come sottolineava
Anche un SSR va bene come evidenziato da
Però preferisco stare mooolto largo.
Non bisogna stare larghi, bisogna stare giusti per quello che si deve fare.

Elettrotecnica e non solo (admin)
Un gatto tra gli elettroni (IsidoroKZ)
Esperienza e simulazioni (g.schgor)
Moleskine di un idraulico (RenzoDF)
Il Blog di ElectroYou (webmaster)
Idee microcontrollate (TardoFreak)
PICcoli grandi PICMicro (Paolino)
Il blog elettrico di carloc (carloc)
DirtEYblooog (dirtydeeds)
Di tutto... un po' (jordan20)
AK47 (lillo)
Esperienze elettroniche (marco438)
Telecomunicazioni musicali (clavicordo)
Automazione ed Elettronica (gustavo)
Direttive per la sicurezza (ErnestoCappelletti)
EYnfo dall'Alaska (mir)
Apriamo il quadro! (attilio)
H7-25 (asdf)
Passione Elettrica (massimob)
Elettroni a spasso (guidob)
Bloguerra (guerra)








