Salve a tutti!
Dato questo circuito, quanto valgono le correnti e le tensioni nel caso in cui si applichino questi due differenti casi?
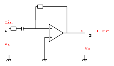
1) [Iu =0] corrente di uscita nulla, quindi terminale Vu staccato
2) [Iin=0] corrente d'ingresso nulla
EDIT: inserite correnti e tensioni nello schema.
Non ho informazioni sull'operazionale.
Esercizio su parametri
Moderatori:
carloc,
g.schgor,
BrunoValente,
IsidoroKZ
12 messaggi
• Pagina 1 di 2 • 1, 2
0
voti
MarcoD ha scritto:L'operazionale è ideale ?
Dovrei ricavare lo schema per un amplificatore transresistivo equivalente, quindi sto cercando di ricavare i parametri delle rispettive equazioni:


Ipotizzando, alternativamente, la corrente di ingresso e la corrente di uscita nulle, posso ricavarli facilmente.
Ma ho dei dubbi su come ricavare le correnti e le tensioni nell'operazionale [li sto studiando ma non li ho capiti granché, credo].
Come cambiano questi questi parametri nel caso di operazionale ideale e non ideale?
Per un OpAmp ideale è plausibile che i parametri di output e di reverse siano pari 0 ?
0
voti
Il tuo è un approccio teorico che, probabilmente, di solito non viene usato nel progetto/dimensionamento di uno stadio amplificatore.
Un amplificatore operazionale ideale ha:
-guadagno infinito
-resistenza di uscita nulla
-impedenza differenziale di ingresso infinita.
Nel tuo caso devi definire le resistenze R1 e R2: individuale (nominale) sullo schema.
e anche il condensatore C1 ?
Nel tuo sistema di equazioni direi che Rr e Ro sono zero: avendo ipotizzato impedenza di uscita nulla, la corrente di uscita non influisce sul funzionzamento.

Un amplificatore operazionale ideale ha:
-guadagno infinito
-resistenza di uscita nulla
-impedenza differenziale di ingresso infinita.
Nel tuo caso devi definire le resistenze R1 e R2: individuale (nominale) sullo schema.
e anche il condensatore C1 ?
Nel tuo sistema di equazioni direi che Rr e Ro sono zero: avendo ipotizzato impedenza di uscita nulla, la corrente di uscita non influisce sul funzionzamento.

0
voti
MarcoD ha scritto:Il tuo è un approccio teorico che, probabilmente, di solito non viene usato nel progetto/dimensionamento di uno stadio amplificatore.
Non ne ho dubbi!
Si tratta di esercizi molto semplificativi rispetto alla complessità reale, giusto per prenderci la mano :)
MarcoD ha scritto:Nel tuo caso devi definire le resistenze R1 e R2: individuale (nominale) sullo schema.
e anche il condensatore C1 ?
Ecco il nuovo schema:
Io ho calcolato l'impedenza serie tra r1 e C1 e utilizzato quella come R1 dell'OpAmp.
Ovviamente non ho idea se sia lecito o meno
MarcoD ha scritto:
Nel tuo sistema di equazioni direi che Rr e Ro sono zero: avendo ipotizzato impedenza di uscita nulla, la corrente di uscita non influisce sul funzionzamento.
Vale anche nel caso di amplificatore operazionale reale?
Grazie! :)
0
voti
Se l'impedenza di ingresso è infinita:
le correnti sono uguali IR1 = IR2
Se il guadano è infinito
IR1= Ving/R1
IR2 = -Vu /R2
quindi Vu = -Ving*(R2/R1)
Per rimanere vicino a un operazionale ideale, occorre che:
Rcarico >> Ruscita operazionale
R2 >> Ruscita dell'operazionale
R1 << Ringresso operazionale
Guadagno R2/R1 << guadagno dell'operazionale
Ti ho scritto a memoria , ma quanto ho scritto dovrebbe essere presente in qualunque libro di elettronica. Non l'hai letto o non hai libri ?

le correnti sono uguali IR1 = IR2
Se il guadano è infinito
IR1= Ving/R1
IR2 = -Vu /R2
quindi Vu = -Ving*(R2/R1)
Per rimanere vicino a un operazionale ideale, occorre che:
Rcarico >> Ruscita operazionale
R2 >> Ruscita dell'operazionale
R1 << Ringresso operazionale
Guadagno R2/R1 << guadagno dell'operazionale
Ti ho scritto a memoria , ma quanto ho scritto dovrebbe essere presente in qualunque libro di elettronica. Non l'hai letto o non hai libri ?

0
voti
Buona memoria! È tutto perfetto, e fin qui ci siamo :)
Quello che dovrei fare è ricavare il circuito equivalente in basso a destra:
descritto dalle equazioni
Quindi ho bisogno di ricavarmi i parametri R (ovvero di un amplificatore transresistivo) di input, output, forward e reverse.
Ponendo Iu =0 riesco a ricavare i parametri R forward e R input in maniera semplice, perché in tale condizione risulta:

Quindi mi basta ricavare dal circuito con l'OpAmp la Vu e la Iin per una situazione analoga (quindi suppongo i morsetti della Vu non collegati a nulla. La corrente non scorre e il circuito è aperto).
Se l'amplificatore è ideale, ho che la tensione ai suoi ingressi per il principio del Corto Circuito Virtuale è zero, essendo, il morsetto non invertente direttamente collegato a massa. Questo mi permette di calcolare la caduta di tensione sull'impedenza Z1 e avere quindi la tensione a cui è effettivamente soggetto il morsetto invertente.
Con queste configurazioni, ritrovo:
Z1 = è semplicemente l'impedenza della serie tra R1 e C1

Poi impongo Iin=0 e con lo stesso ragionamento ritrovo gli altri due paramentri, di output e di reverse, nulli in quanto senza corrente in ingresso, ho una tensione in ingresso nulla e ho una tensione in uscita altrettanto nulla.
DOMANDONE:
È lecito questo modo di ragionare o sto facendo una roba che non ha né capo, né coda?!
Inoltre, è giusto considerare la C1 a quella maniera nei calcoli e quindi il suo effetto direttamente sulla tensione in uscita?
Cosa cambierebbe nel caso in cui l'OpAmp fosse reale?
Grazie per la pazienza!
Quello che dovrei fare è ricavare il circuito equivalente in basso a destra:
descritto dalle equazioni
Maker ha scritto:
Quindi ho bisogno di ricavarmi i parametri R (ovvero di un amplificatore transresistivo) di input, output, forward e reverse.
Ponendo Iu =0 riesco a ricavare i parametri R forward e R input in maniera semplice, perché in tale condizione risulta:

Quindi mi basta ricavare dal circuito con l'OpAmp la Vu e la Iin per una situazione analoga (quindi suppongo i morsetti della Vu non collegati a nulla. La corrente non scorre e il circuito è aperto).
Se l'amplificatore è ideale, ho che la tensione ai suoi ingressi per il principio del Corto Circuito Virtuale è zero, essendo, il morsetto non invertente direttamente collegato a massa. Questo mi permette di calcolare la caduta di tensione sull'impedenza Z1 e avere quindi la tensione a cui è effettivamente soggetto il morsetto invertente.
Con queste configurazioni, ritrovo:
Z1 = è semplicemente l'impedenza della serie tra R1 e C1

Poi impongo Iin=0 e con lo stesso ragionamento ritrovo gli altri due paramentri, di output e di reverse, nulli in quanto senza corrente in ingresso, ho una tensione in ingresso nulla e ho una tensione in uscita altrettanto nulla.
DOMANDONE:
È lecito questo modo di ragionare o sto facendo una roba che non ha né capo, né coda?!
Inoltre, è giusto considerare la C1 a quella maniera nei calcoli e quindi il suo effetto direttamente sulla tensione in uscita?
Cosa cambierebbe nel caso in cui l'OpAmp fosse reale?
Grazie per la pazienza!
2
voti
Con queste configurazioni, ritrovo:
r_{f}= Z1
Z1 = è semplicemente l'impedenza della serie tra R1 e C1
r_{i}= R2
No, sono scambiate
Se prendo come riferimento le:
Maker ha scritto:
Vu = r_{f}Iin + r_{o}Iu
Vin = r_{i}Iin + r_{r}Iu
dovrebbe essere:
r_i = Z1 = zc + R1 ; Zc = 1/(w*c)
r_f= -R2 nota il segno - perché l'OPA è invertente, ma dipende dalle convenzioni delle correnti
Nel caso di amplificatore reale, resistenza di uscita e di ingresso influenzano poco.
L'influenza maggiore è il guadagno finito dell'amplificatore.
Poi è da analizzare l'influenza della banda passante dell'operazionale sulla stabilità.

0
voti
MarcoD ha scritto:Con queste configurazioni, ritrovo:
No, sono scambiate
Hai ragione! Ho sbagliato a riportare.
Quindi va bene questo come procedimento, anche qualora fosse reale?
Ma stavo pensando.. per Ro e Rr, forse è inf il risultato corretto, essendo Iu=0?
Comunque grazie mille!

1
voti
NOMa stavo pensando.. per Ro e Rr, forse è inf il risultato corretto, essendo Iu=0?
Iu può assumere un qualunque valore, ma la sua influenza è nulla, quindi R0 e Rr sono zero

12 messaggi
• Pagina 1 di 2 • 1, 2
Chi c’è in linea
Visitano il forum: Nessuno e 195 ospiti

Elettrotecnica e non solo (admin)
Un gatto tra gli elettroni (IsidoroKZ)
Esperienza e simulazioni (g.schgor)
Moleskine di un idraulico (RenzoDF)
Il Blog di ElectroYou (webmaster)
Idee microcontrollate (TardoFreak)
PICcoli grandi PICMicro (Paolino)
Il blog elettrico di carloc (carloc)
DirtEYblooog (dirtydeeds)
Di tutto... un po' (jordan20)
AK47 (lillo)
Esperienze elettroniche (marco438)
Telecomunicazioni musicali (clavicordo)
Automazione ed Elettronica (gustavo)
Direttive per la sicurezza (ErnestoCappelletti)
EYnfo dall'Alaska (mir)
Apriamo il quadro! (attilio)
H7-25 (asdf)
Passione Elettrica (massimob)
Elettroni a spasso (guidob)
Bloguerra (guerra)




