Fotoaccoppiatore Transistor HVoltage
Moderatori:
carloc,
g.schgor,
BrunoValente,
IsidoroKZ
42 messaggi
• Pagina 3 di 5 • 1, 2, 3, 4, 5
0
voti
Direi che un SSR è la soluzione ottimale per questo tipo di applicazione, non ti serve fare esperimenti lo monti e sei già operativo e puoi dedicarti al SW.
Da soli conosciamo alcune cose.
In molti ne conosceremo molte di più.
In molti ne conosceremo molte di più.
0
voti
Capito, e se andassi su un Triac o OptoTriac? In teoria funzionano come transistor ma per correnti alternate. Il circuito di montaggio sarebbe lo stesso che per il transistor? 
0
voti
Soluzione ancora migliore dell SSR, ne esistono con zero crossing, in ogni caso devi aggiungere un triac esterno per aumentare la corrente massima. Sharp mi pare ne commercializza di integrati in un unico case.
Non posso mettere il circuito con Fidocad per mancanza del compo in libreria ma ti linko uno schema trovato in rete con un optotriac di facile reperibilità

Non posso mettere il circuito con Fidocad per mancanza del compo in libreria ma ti linko uno schema trovato in rete con un optotriac di facile reperibilità

Da soli conosciamo alcune cose.
In molti ne conosceremo molte di più.
In molti ne conosceremo molte di più.
0
voti
Ottimo, per "zero-crossing" cosa intendi?
Dovrei montare il circuito che hai linkato, o dal circuito che hai linkato, prendere i componenti? (Come l'optotriac e il triac messo tipo Darligton dopo...)
Dovrei montare il circuito che hai linkato, o dal circuito che hai linkato, prendere i componenti? (Come l'optotriac e il triac messo tipo Darligton dopo...)
0
voti
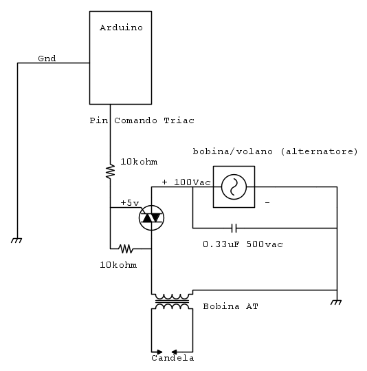
Senza triac fotoaccoppiatore sono giunto a una conclusione del genere: (utilizzando un triac abbastanza "grosso")
0
voti
Ora che ci penso, non so se ho disegnato il circuito sopra postato in modo corretto.
Per intenderci:
Sistema accensione a puntine con scariche induttive. (io alla fine della fiera devo sostituire le puntine con un interruttore comandato elettricamente da arduino)
si potrebbe schematizzare come un alternatore, la sua induttanza dispersa (sempre abbastanza elevata) e poi puntine e trasformatore in salita (bobina AT), quando le puntine sono chiuse
la corrente alternata Ip inizia a "salire". Qui si deve notare che sia la fase -e quindi numero dei magneti permanenti e loro posizione sul volano- di Vp che il valore iniziale (forse 0A) giocano un ruolo fondamentale nel corretto svolgersi del processo.
all'apertura delle puntine la corrente primaria si "sposterebbe" dal corto delle puntine al primario della bobina AT generando "opportuna extratensione" e quindi scintilla alla candela.
In altre parole l'energia magnetica immagazzinata in Ld si scarica nel gap della candela.
Per intenderci:
Sistema accensione a puntine con scariche induttive. (io alla fine della fiera devo sostituire le puntine con un interruttore comandato elettricamente da arduino)
si potrebbe schematizzare come un alternatore, la sua induttanza dispersa (sempre abbastanza elevata) e poi puntine e trasformatore in salita (bobina AT), quando le puntine sono chiuse
la corrente alternata Ip inizia a "salire". Qui si deve notare che sia la fase -e quindi numero dei magneti permanenti e loro posizione sul volano- di Vp che il valore iniziale (forse 0A) giocano un ruolo fondamentale nel corretto svolgersi del processo.
all'apertura delle puntine la corrente primaria si "sposterebbe" dal corto delle puntine al primario della bobina AT generando "opportuna extratensione" e quindi scintilla alla candela.
In altre parole l'energia magnetica immagazzinata in Ld si scarica nel gap della candela.
0
voti
Con riferimento allo schema in [25] :
Non va bene, così accendi il triac solo per un semiperiodo. La tensione sul gate deve seguire il quadrante in cui si trovano A-K, in altre parole deve essere alternata.
Non va bene, così accendi il triac solo per un semiperiodo. La tensione sul gate deve seguire il quadrante in cui si trovano A-K, in altre parole deve essere alternata.
Da soli conosciamo alcune cose.
In molti ne conosceremo molte di più.
In molti ne conosceremo molte di più.
0
voti
Vediamo se ora ci siamo:
0
voti
Ok, ci siamo, con riferimento all'immagine sottostante sei nei quadranti I / IV

Il fatto è che il triac una volta acceso si spegne solo quando la tensione fra A1 A2 vale zero, in questo caso molto particolare (si sfrutta l'extratensione di apertura delle puntine per alimentare il primario della bobina candela) temo che non arriveresti a nulla. Non puoi decidere lo stato OFF del triac in un momento arbitrario, visto che ora le cose sono meglio delineate serve fare un passo indietro e tornare al transistor o MOS + ponte Graetz.
Temo non vada bene nemmeno l'SSR

Inoltre, e questo è il vero problema, le masse sarebbero poi in conflitto, la bobina che si affaccia al magnete ha un capo a massa (e anche necessariamente le puntine) quindi un transistor + Graetz o MOS + Graetz dovrebbero essere pilotati necessariamente da una fotoaccoppiatore (o fotopila) per poter essere connessi ad micro.

Il fatto è che il triac una volta acceso si spegne solo quando la tensione fra A1 A2 vale zero, in questo caso molto particolare (si sfrutta l'extratensione di apertura delle puntine per alimentare il primario della bobina candela) temo che non arriveresti a nulla. Non puoi decidere lo stato OFF del triac in un momento arbitrario, visto che ora le cose sono meglio delineate serve fare un passo indietro e tornare al transistor o MOS + ponte Graetz.
Temo non vada bene nemmeno l'SSR

Da soli conosciamo alcune cose.
In molti ne conosceremo molte di più.
In molti ne conosceremo molte di più.
0
voti
Quindi se ho capito, il problema rimangono le masse che sono in comune, e per non creare danni ad arduino, conviene mettere un fotoaccoppiatore come inizialmente pensavo, e fin qua ci siamo. 
Ora però mi confondi, mi dici che per funzionare è necessario tornare al transistor, e che un SSR addirittura non va bene, non capisco il motivo. Deve fare solo da interruttore alla fine.
perché poi raddrizzare la corrente?
Appena mi sembrava di essere giunto alla soluzione vengo troncato, meno male che mi aiuti, chissà dov'ero a quest'ora o quanti acquisti errati avrei fatto...


Ora però mi confondi, mi dici che per funzionare è necessario tornare al transistor, e che un SSR addirittura non va bene, non capisco il motivo. Deve fare solo da interruttore alla fine.

perché poi raddrizzare la corrente?
Appena mi sembrava di essere giunto alla soluzione vengo troncato, meno male che mi aiuti, chissà dov'ero a quest'ora o quanti acquisti errati avrei fatto...

42 messaggi
• Pagina 3 di 5 • 1, 2, 3, 4, 5
Chi c’è in linea
Visitano il forum: Nessuno e 90 ospiti

Elettrotecnica e non solo (admin)
Un gatto tra gli elettroni (IsidoroKZ)
Esperienza e simulazioni (g.schgor)
Moleskine di un idraulico (RenzoDF)
Il Blog di ElectroYou (webmaster)
Idee microcontrollate (TardoFreak)
PICcoli grandi PICMicro (Paolino)
Il blog elettrico di carloc (carloc)
DirtEYblooog (dirtydeeds)
Di tutto... un po' (jordan20)
AK47 (lillo)
Esperienze elettroniche (marco438)
Telecomunicazioni musicali (clavicordo)
Automazione ed Elettronica (gustavo)
Direttive per la sicurezza (ErnestoCappelletti)
EYnfo dall'Alaska (mir)
Apriamo il quadro! (attilio)
H7-25 (asdf)
Passione Elettrica (massimob)
Elettroni a spasso (guidob)
Bloguerra (guerra)







