Cos'è ElectroYou | Login Iscriviti

ElectroYou - la comunità dei professionisti del mondo elettrico

Progetto macchina rc elettrica + pannelli solari + arduino

Progetti, interfacciamento, discussioni varie su questa piattaforma.

Moderatori: Foto UtenteWALTERmwp, Foto Utentexyz

0
voti

[41] Re: Progetto macchina rc elettrica + pannelli solari + ardui

Messaggioda Foto UtenteWALTERmwp » 13 giu 2017, 17:39

qual è il problema @Charlie0 ?
Quello "schema" in [30] proprio non si può vedere.
Allora, se hai difficoltà con FidoCadJ leggi subito qui !
Ma subitosubito, capito ?

Saluti
W - U.H.F.
Avatar utente
Foto UtenteWALTERmwp
30,2k 4 8 13
G.Master EY
G.Master EY
 
Messaggi: 8986
Iscritto il: 17 lug 2010, 18:42
Località: le 4 del mattino

0
voti

[42] Re: Progetto macchina rc elettrica + pannelli solari + ardui

Messaggioda Foto Utentecharlie0 » 18 giu 2017, 15:46

Ecco, so da me che questo schema non va bene, quindi se me lo correggete ve ne sarei molto grato :D .
gli ultrasuoni vanno bene così?
il led ed il buzzer sono collegati bene?
i due motori dovrebbero essere uno il motore brushless con l'esc (che andrebbe collegato ad un'altra batteria ) e l'altro invece il servo.
Ho davvero tanti dubbi visto che è la prima volta che faccio una cosa del genere, quindi mi scuso in anticipo per gli errori banali che avrò fatto :oops: :oops: .


Poi avrei bisogno di una mano anche per fare funzionare lo sketch.
Ne ho fatti due separati:
1)uno per i sensori,led,buzzer.
2)l'altro per il servo ed il motore (controllati tramite il controller della ps3)
se li unisco si interferiscono e non funziona niente.
questo è il primo codice:
Codice: Seleziona tutto
#define echoPin_Front 10 // ECHO PIN
#define trigPin_Front 11 // TRIGGER PIN
#define echoPin_Back 9 // ECHO PIN
#define trigPin_Back 8 // TRIGGER PIN
#define buzzer 12 // BUZZER PIN
#define led 13 // LED PIN

int maximumRange = 20; // Maximum range needed
int minimumRange = 0; // Minimum range needed
long durationF, distanceF; // Duration used to calculate distance
long durationB, distanceB;

void setup()
{
  Serial.begin (9600);
  pinMode(trigPin_Front, OUTPUT);
  pinMode(echoPin_Front, INPUT);
  pinMode(trigPin_Back, OUTPUT);
  pinMode(echoPin_Back, INPUT);
  pinMode(led, OUTPUT);
  pinMode(buzzer, OUTPUT);
}

void loop()
{
  SensorFront();
  SensorBack();
}
void SensorFront()
{
  digitalWrite(trigPin_Front, LOW);
  delayMicroseconds(2);
 
  digitalWrite(trigPin_Front, HIGH);
  delayMicroseconds(10);
 
  digitalWrite(trigPin_Front, LOW);
  durationF = pulseIn(echoPin_Front, HIGH);
 
  distanceF = durationF/58.2;
 
  if (distanceF >= maximumRange || distanceF <= minimumRange)
  {
     Serial.println("Nessun ostacolo davanti");
     digitalWrite(led, LOW);
     noTone(buzzer);
  }
  else
  {
    Serial.println(distanceF);
    digitalWrite(led, HIGH);
    tone(buzzer, 3000);
  }
}
void SensorBack()
{
  digitalWrite(trigPin_Back, LOW);
  delayMicroseconds(2);
 
  digitalWrite(trigPin_Back, HIGH);
  delayMicroseconds(10);
 
  digitalWrite(trigPin_Back, LOW);
  durationB = pulseIn(echoPin_Back, HIGH);
 
  distanceB = durationB/58.2;
 
  if (distanceB >= maximumRange || distanceB <= minimumRange)
  {

     Serial.println("Nessun ostacolo,dietro");
     digitalWrite(led, LOW);
     noTone(buzzer);
  }
  else
  {
   // Send the distance to the computer using Serial protocol, and
   // turn LED OFF to indicate successful reading.
    Serial.println(distanceB);
    digitalWrite(led, HIGH);
    tone(buzzer, 3000);
  }
}

mentre questo è il secondo:
Codice: Seleziona tutto
#include <PS3USB.h>
#include <Servo.h>
#include <SPI.h>

USB USB;
PS3USB PS3(&USB,0x00,0x15,0x83,0x3D,0x0A,0x57); // This will also store the bluetooth address - this can be obtained from the dongle when running the sketch
Servo servo;
Servo ESC;

int offset = 0;
int steer = 90;
int Velocity = 80;
uint8_t state = 0;

void setup() {
  Serial.begin(9600);
  if (USB.Init() == -1) {
    Serial.print(F("\r\nOSC did not start"));
    while (1); //halt
  }
  Serial.print(F("\r\nPS3 USB Library Started"));
   servo.attach(7);
   ESC.attach(6);
   pinMode(7, OUTPUT);
   pinMode(6, OUTPUT);
}
void loop() {
  USB.Task();
  if (PS3.PS3Connected || PS3.PS3NavigationConnected)
  {
   steer = PS3.getAnalogHat(RightHatX);
   Velocity = PS3.getAnalogHat(LeftHatX);
    if (PS3.getAnalogHat(LeftHatX) > 0 || PS3.getAnalogHat(LeftHatX) < 255 || PS3.getAnalogHat(LeftHatY) > 0 || PS3.getAnalogHat(LeftHatY) < 80 || PS3.getAnalogHat(RightHatX) > 0 || PS3.getAnalogHat(RightHatX) < 255 || PS3.getAnalogHat(RightHatY) > 127 || PS3.getAnalogHat(RightHatY) < 127) {
      Serial.print(F("\r\nLeftHatX: "));
      Serial.print(PS3.getAnalogHat(LeftHatX));
      Serial.print(F("\tLeftHatY: "));
      Serial.print(PS3.getAnalogHat(LeftHatY));
      if (PS3.PS3Connected) { // The Navigation controller only have one joystick
        Serial.print(F("\tRightHatX: "));
        Serial.print(PS3.getAnalogHat(RightHatX));
        Serial.print(F("\tRightHatY: "));
        Serial.print(PS3.getAnalogHat(RightHatY));
  }


if(steer > 255) steer = 255; // enforce upper limit
if(steer < 0) steer = 0; // enforce lower limit

if(Velocity > 255) Velocity = 255; // enforce upper limit
if(Velocity < 0) Velocity = 0; // enforce lower limit   
    servo.write(map(steer, 0, 255, 120, 40)); // write steer command
    ESC.write(map(Velocity, 0, 255, 120, 40));
  }
  else
   {
    servo.write(30);
    ESC.write(30);
   }
}
}


penso che sia per colpa del delay, ed in teoria usando millis dovrebbe risolversi tutto,ci ho provato ma non ha funzionato, forse avrò sbagliato il codice, non so.
Per il momento so solo che sembra impossibile farli interagire insieme #-o #-o .
Avatar utente
Foto Utentecharlie0
5 2
 
Messaggi: 22
Iscritto il: 14 apr 2017, 9:28

1
voti

[43] Re: Progetto macchina rc elettrica + pannelli solari + ardui

Messaggioda Foto Utentexyz » 18 giu 2017, 16:28

Si capisce ben poco, i sensori a ultrasuoni non hanno descrizione sui pin quindi non si capisce quali tipi di sensori sono usati e come si pilotano. Spero che non hai collegato i due sensori in parallelo tra loro, se ho capito quali sensori usi, il pin di ritorno deve essere separato altrimenti si interferiscono tra loro.

I motori elettrici in CC non hanno la seconda connessione e un collegamento diretto tra i pin del micro controllore e un motore elettrico non deve essere mai fatto, pena il danneggiamento del microcontrollore. Se si usano gli ESC vanno disegnati assegnando un nome ad ogni pin.

Il LED ha l'anodo collegato a massa, non potrà mai accendersi.

E' molto difficile esaminare il groviglio di cavi disegnati senza l'uso della convezione del punto tra i cavi connessi


Incrocio di 2 cavi non connessi


2 cavi connessi (da notare il punto sulla connessione dei cavi).
Avatar utente
Foto Utentexyz
6.864 2 4 6
G.Master EY
G.Master EY
 
Messaggi: 1778
Iscritto il: 5 dic 2009, 18:37
Località: Italy Turin

1
voti

[44] Re: Progetto macchina rc elettrica + pannelli solari + ardui

Messaggioda Foto UtenteMarcoD » 18 giu 2017, 20:46

cercare nel web o in electroyou : " sindrome di Gundam " :-)
Avatar utente
Foto UtenteMarcoD
12,2k 5 9 13
Master EY
Master EY
 
Messaggi: 6696
Iscritto il: 9 lug 2015, 16:58
Località: Torino

0
voti

[45] Re: Progetto macchina rc elettrica + pannelli solari + ardui

Messaggioda Foto Utentecharlie0 » 19 giu 2017, 12:47

MarcoD ha scritto:cercare nel web o in electroyou : " sindrome di Gundam " :-)

in effetti hai ragione, e avevo già ridimensioanto il progetto, ma il problema non è tanto (almeno nel mio caso) il progetto in se, il problema per me sono stati:
-il disegnare il circuito correttamente, che dopo tutto non ci sono andato molto lontano, infatti quello che mi ha dato più problemi era il fatto che non sapevo come disegnare certi componenti.
-Un'altro dubbio all'inizio era stato quello di capire esattamente il funzionamento di arduino e tutti i componenti di cui avrei avuto bisogno.

Poi mi sembra che per lo sketch ho chiesto aiuto appena adesso, non vi ho mai chiesto che scketch bisogna usare per fare questo o quello.
Ho chiesto aiuto per unire due sketch, vi ho detto persino quale è il probabile problema....

E nonostante tutto non ho ancora ricevuto un aiuto significativo.

da un sito che ho trovato :
"Difatti la Sindrome di Gundam è la convinzione che uno ha di essere capace di poter realizzare con le proprie mani qualcosa di funzionante avendo scarsa, se non nessuna, competenza specifica ma soprattutto facendo affidamento solo sull’aiuto che gli altri utenti del forum possono/devono dargli. "

Al contrario di come dice questa definizione io non sono cecamente convinto delle mie capacità, so esattamente dove arrivano, solo che a differenza di molta altra gente sono ambizioso, considera che quando ho iniziato questo post non sapevo praticamente niente di queste cose, mentre adesso mi sento capace di poter eseguire parecchi progetti.

Facendo affidamento solo sull'aiuto.... dimmi se non sbaglio, ma vi ho sempre messo in condizioni di correggermi e non di dovermi fare tutto il lavoro.

Per finire e non vorrei sembrare cortese, vi ringrazio davvero molto per l'aiuto teorico che mi avete dato per poter comprendere arduino, le differenze con raspberry e altre cose, ma considerando che un forum dovrebbe essere un luogo in cui la gente si riunisce non solo per parlare ma anche per discutere di progetti ed aiutare gli altri, almeno per la mia esperienza mi tocca affermare che sotto questo aspetto il forum ElectroYou è praticamente INUTILE poiché criticano tutti ma nessuno aiuta...
Adesso bisogna solo capire se siete semplicemente gelosi della vostra conoscenza o peggio ancora ne sapete ancor meno di me....

Dopo questo vi ringrazio ancora per l'aiuto teorico che mi avete dato,
vi auguro il meglio e arrivederci O_/
Avatar utente
Foto Utentecharlie0
5 2
 
Messaggi: 22
Iscritto il: 14 apr 2017, 9:28

0
voti

[46] Re: Progetto macchina rc elettrica + pannelli solari + ardui

Messaggioda Foto UtenteMarcoD » 19 giu 2017, 15:39

Dear charlie0,
Quando ho visto i due sketch nelle finestre a scorrimento, mi sono sentito male :( :
sono piccole, per capirle dovrei prima estrarle , forse stamparle, i commenti non sono esaustivi.
Sono poco capace, mi sono detto che avrei dovuto spendere almeno un'ora per comprenderli.
Non ne ho l'interesse, è faticoso, assomiglia a un lavoro, e ho desistito... :oops:

Non ho capito se hai provato i due sketch isolatamente ? oltra che girare, funzionano?

O_/
Avatar utente
Foto UtenteMarcoD
12,2k 5 9 13
Master EY
Master EY
 
Messaggi: 6696
Iscritto il: 9 lug 2015, 16:58
Località: Torino

3
voti

[47] Re: Progetto macchina rc elettrica + pannelli solari + ardui

Messaggioda Foto UtenteWALTERmwp » 19 giu 2017, 22:24

@charlie0, credo tu abbia abbondantemente equivocato.
Forse sei anche un pochino permaloso o semplicemente non hai colto l'aspetto scherzoso, che non significa deridere gli altri ma, appunto, scherzare con gli altri.
Comunque, proviamo ad andare oltre.

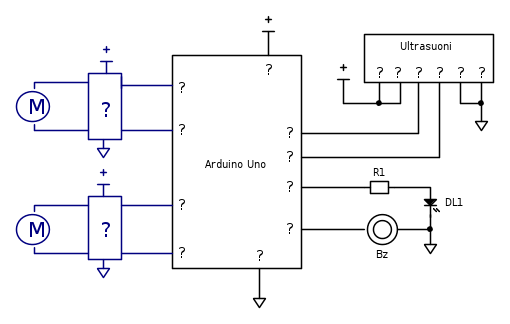
Non ho dato un'occhiata al codice, per il momento però ti ho preparato uno schema, semplice semplice, che andrebbe completato.
Magari non è il massimo ma qualcosa in più forse si comprende.
La parte a destra di arduino riporta sensore a ultrasuoni, il led e il buzzer.
Questi sono gli input/output che dovresti provare a gestire prima di utilizzare anche i motori.

I motori sono rappresentati a sinistra, in modo generico e, come è già stato scritto, interfacciati ad Arduino tramite un altro componente (da definire in funzione del tipo di motore); ma è una cosa della quale ti potrai occupare in seguito.
Prima conviene concentrarsi sulla "parte" di destra.

Puoi completare il disegno riportando i riferimenti delle schede interessate là dove ho messo i punti di domanda:

Saluti
W - U.H.F.
Avatar utente
Foto UtenteWALTERmwp
30,2k 4 8 13
G.Master EY
G.Master EY
 
Messaggi: 8986
Iscritto il: 17 lug 2010, 18:42
Località: le 4 del mattino

1
voti

[48] Re: Progetto macchina rc elettrica + pannelli solari + ardui

Messaggioda Foto UtenteWALTERmwp » 20 giu 2017, 15:16

Ho dato uno sguardo ai due programmi: non ci sono attinenze.
Dovresti poi precisare, come ti è stato chiesto, se i due programmi provati in modo indipendente l'uno dall'altro funzionano.
Quando si scrive "funzionano" significa, quanto meno, trovare corrispondenza tra quanto ci si aspetta che il programma faccia e quanto in pratica accade: cos'hai riscontrato ?
Se poi hai preso e messo insieme i due programmi, cosa significa, che codice hai realizzato ?
Non meno importante, come informazione, sono i riferimenti della componentistica, bisogna specificare cosa si va ad utilizzare, da la possibilità agli altri di verificare, eventualmente, i datasheet del caso.



Comunque ho riletto quel che è stato scritto, anche da te, in particolare quanto segue:
charlie0 ha scritto:(...) considerando che un forum dovrebbe essere un luogo in cui la gente si riunisce non solo per parlare ma anche per discutere di progetti ed aiutare gli altri, almeno per la mia esperienza mi tocca affermare che sotto questo aspetto il forum ElectroYou è praticamente INUTILE poiché criticano tutti ma nessuno aiuta... Adesso bisogna solo capire se siete semplicemente gelosi della vostra conoscenza o peggio ancora ne sapete ancor meno di me....

Quindi, a beneficio tuo e di altri utenti, che certamente passano e leggono questo thread, mi permetto di farti osservare che se vuoi essere aiutato devi mettere innanzi tutto gli altri nelle condizioni per farlo.

Considera che se non sei in grado di dare le informazioni richieste, probabilmente, non sei in grado, al momento, di confrontarti con un progettino come quello con il quale hai esordito in questo thread: niente di male, si "aggiusta il tiro".

Se poi vengono mosse delle osservazioni, non è per alimentare una critica fine a sè stessa, ma perché, se non si adotta un minimo di metodo, seguire una discussione come questa diventa davvero dispersivo.

Purtroppo mi pare d'aver compreso che tra le tante cose tu abbia privilegiato quella che ti ha fatto più comodo per rinunciare al confronto ma certamente, e te lo auguro, sulla base della tua significativa esperienza, saprai trovare altrove chiarimenti ai tuoi dubbi: di siti e forum che girano intorno ad Arduino ve ne sono tanti.

Se invece tornerai "qui", nessuno ti negherà una mano, come d'altra parte avviene nei confronti di ogni utente, ma auspicherei meno protervia, per quanto solo accennata, e un po' più di disponibilità alla discussione.

Saluti
W - U.H.F.
Avatar utente
Foto UtenteWALTERmwp
30,2k 4 8 13
G.Master EY
G.Master EY
 
Messaggi: 8986
Iscritto il: 17 lug 2010, 18:42
Località: le 4 del mattino

Precedente

Torna a Arduino

Chi c’è in linea

Visitano il forum: Nessuno e 3 ospiti