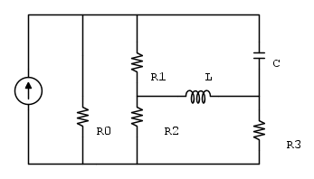
Ciao a tutti, ho questo circuito che non sono riuscito a risolvere.
Ho provato con l'analisi nodale, ma mi tocca risolvere un sistema di 3 equazioni e mi sembra abbastanza lungo come metodo, o magari non ho considerato qualche metodo per risolverlo in modo più efficiente.
Ho provato a sostituire il generatore di corrente in parallelo con uno di tensione in serie, ma non mi pare cambi qualcosa.
Ho provato anche con il Teorema di Thévenin ma non sono riuscito.
Non vedo resistenze in serie, visto che non vi sono nodi in esclusiva.
Come posso procedere?
Circuito in regime sinusoidale
Moderatori:
g.schgor,
IsidoroKZ
4 messaggi
• Pagina 1 di 1
2
voti
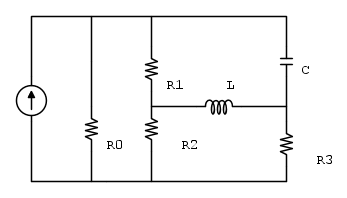
1. Trasforma il triangolo Ro R1 R2 in una stella
2. spezza in due il generatore di corrente I e fallo diventare due generatori di corrente, sempre pari a I:
3. Trasforma i generatori di corrente in generatori di tensione e applica Millman (ho ridisegnato il circuito girandolo di 90°)
2. spezza in due il generatore di corrente I e fallo diventare due generatori di corrente, sempre pari a I:
3. Trasforma i generatori di corrente in generatori di tensione e applica Millman (ho ridisegnato il circuito girandolo di 90°)
-

PietroBaima
90,7k 7 12 13 - G.Master EY

- Messaggi: 12206
- Iscritto il: 12 ago 2012, 1:20
- Località: Londra
0
voti
Grazie per la risposta..
quindi un generatore di corrente, può anche essere visto come somma di 2 generatori giusto? cioè è sempre cosi o ci sono casi particolari da valutare?
Non sapevo di questa cosa
quindi un generatore di corrente, può anche essere visto come somma di 2 generatori giusto? cioè è sempre cosi o ci sono casi particolari da valutare?
Non sapevo di questa cosa
1
voti
Dunque, si tratta di una applicazione del principio di sostituzione.
Supponi di avere un generatore di corrente I fra il nodo A e il nodo B, con detto generatore che spinge corrente verso B.
Tu puoi prendere un qualunque altro nodo della rete, a caso (che chiamiamo C) e fare la cosa seguente:
poiché il generatore di corrente aspira la corrente I dal nodo A, non cambia niente per il nodo A se questo generatore viene collegato fra A e C invece che fra A e B. Per il nodo A ci sarà sempre un generatore che aspira la corrente I. Il nodo A non sa se questa corrente viene pompata in B o in C.
In entrambi i casi vede un generatore di corrente che gli aspira corrente I, quindi per lui non cambia nulla.
Vediamo B. B vede un generatore di corrente che inietta la corrente I nel suo nodo. Se invece di aspirarla da A metto un nuovo generatore che la aspira da C per lui non cambia nulla.
Quindi avrò un generatore che aspira corrente da A e invece di iniettarla in B la inietta in C. Per A non cambia niente.
Avrò un secondo generatore che inietta corrente in B, ma invece di aspirarla da A la aspira da C. Per B non cambia niente.
E per C? C vede due generatori di corrente, uno che gli inietta la corrente I e uno che gli aspira la corrente I, quindi anche per lui non cambia niente.
Ecco perché il trucco funziona.
Supponi di avere un generatore di corrente I fra il nodo A e il nodo B, con detto generatore che spinge corrente verso B.
Tu puoi prendere un qualunque altro nodo della rete, a caso (che chiamiamo C) e fare la cosa seguente:
poiché il generatore di corrente aspira la corrente I dal nodo A, non cambia niente per il nodo A se questo generatore viene collegato fra A e C invece che fra A e B. Per il nodo A ci sarà sempre un generatore che aspira la corrente I. Il nodo A non sa se questa corrente viene pompata in B o in C.
In entrambi i casi vede un generatore di corrente che gli aspira corrente I, quindi per lui non cambia nulla.
Vediamo B. B vede un generatore di corrente che inietta la corrente I nel suo nodo. Se invece di aspirarla da A metto un nuovo generatore che la aspira da C per lui non cambia nulla.
Quindi avrò un generatore che aspira corrente da A e invece di iniettarla in B la inietta in C. Per A non cambia niente.
Avrò un secondo generatore che inietta corrente in B, ma invece di aspirarla da A la aspira da C. Per B non cambia niente.
E per C? C vede due generatori di corrente, uno che gli inietta la corrente I e uno che gli aspira la corrente I, quindi anche per lui non cambia niente.
Ecco perché il trucco funziona.
-

PietroBaima
90,7k 7 12 13 - G.Master EY

- Messaggi: 12206
- Iscritto il: 12 ago 2012, 1:20
- Località: Londra
4 messaggi
• Pagina 1 di 1
Torna a Elettrotecnica generale
Chi c’è in linea
Visitano il forum: Nessuno e 31 ospiti

Elettrotecnica e non solo (admin)
Un gatto tra gli elettroni (IsidoroKZ)
Esperienza e simulazioni (g.schgor)
Moleskine di un idraulico (RenzoDF)
Il Blog di ElectroYou (webmaster)
Idee microcontrollate (TardoFreak)
PICcoli grandi PICMicro (Paolino)
Il blog elettrico di carloc (carloc)
DirtEYblooog (dirtydeeds)
Di tutto... un po' (jordan20)
AK47 (lillo)
Esperienze elettroniche (marco438)
Telecomunicazioni musicali (clavicordo)
Automazione ed Elettronica (gustavo)
Direttive per la sicurezza (ErnestoCappelletti)
EYnfo dall'Alaska (mir)
Apriamo il quadro! (attilio)
H7-25 (asdf)
Passione Elettrica (massimob)
Elettroni a spasso (guidob)
Bloguerra (guerra)





pigreco]=π