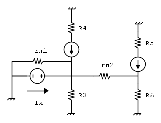
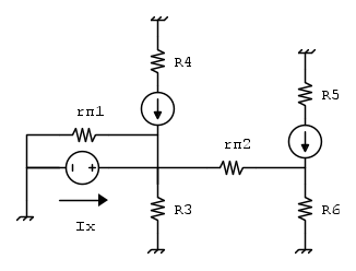
Ho provato a farlo senza applicare miller ed ho ottenuto che:




e ottengo circa 9MHz come frequenza di taglio, mentre nella soluzione ottiene circa 26MHz, mi chiedevo se fosse solo dovuto all'applicare miller oppure se sbaglio qualcosa nel calcolo delle costanti tempo (ho trascurato le r0)
Dal procedimento che ho seguito mi viene da dire che il polo dominante è quello di

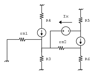
Vi allego la soluzione cosi che possiate vedere il procedimento che segue:

Elettrotecnica e non solo (admin)
Un gatto tra gli elettroni (IsidoroKZ)
Esperienza e simulazioni (g.schgor)
Moleskine di un idraulico (RenzoDF)
Il Blog di ElectroYou (webmaster)
Idee microcontrollate (TardoFreak)
PICcoli grandi PICMicro (Paolino)
Il blog elettrico di carloc (carloc)
DirtEYblooog (dirtydeeds)
Di tutto... un po' (jordan20)
AK47 (lillo)
Esperienze elettroniche (marco438)
Telecomunicazioni musicali (clavicordo)
Automazione ed Elettronica (gustavo)
Direttive per la sicurezza (ErnestoCappelletti)
EYnfo dall'Alaska (mir)
Apriamo il quadro! (attilio)
H7-25 (asdf)
Passione Elettrica (massimob)
Elettroni a spasso (guidob)
Bloguerra (guerra)



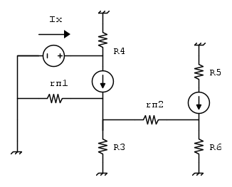
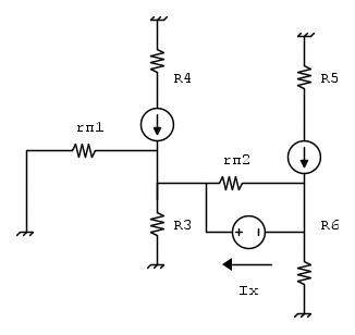
![R_{eq}=\frac{r_{\pi1}}{(1+\beta)} // R_3 // [r_{\pi2}+(1+\beta)R_6] R_{eq}=\frac{r_{\pi1}}{(1+\beta)} // R_3 // [r_{\pi2}+(1+\beta)R_6]](/forum/latexrender/pictures/7838beb229a968be1358f847e0288c9f.png)


nel parallelo tra R3 e la serie di rpi2 e
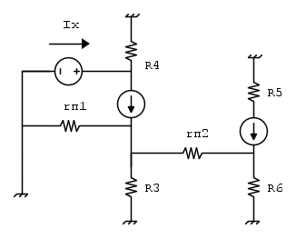
, ma visto che la differenza tra i due punti è zero si ha che ib è zero... è sbagliato? 
![v_{b2}=I_x \frac{r_{\pi1}}{(1+\beta)} // R_3 // [r_{\pi2}+(1+\beta)R_6] v_{b2}=I_x \frac{r_{\pi1}}{(1+\beta)} // R_3 // [r_{\pi2}+(1+\beta)R_6]](/forum/latexrender/pictures/fc9f296ffa7e95854996864582e767e7.png)

![v_{c2}= -V_x+I_x \frac{r_{\pi1}}{(1+\beta)} // R_3 // [r_{\pi2}+(1+\beta)R_6] v_{c2}= -V_x+I_x \frac{r_{\pi1}}{(1+\beta)} // R_3 // [r_{\pi2}+(1+\beta)R_6]](/forum/latexrender/pictures/cf2610b46e9aced32abb74dddf0498f1.png)

![R_{eq}=(R_5+\beta \frac{\frac{r_{\pi1}}{(1+\beta)} // R_3 // [r_{\pi2}+(1+\beta)R_6]}{r_{\pi2}+(1+\beta)R_6}R_5+ \frac{r_{\pi1}}{(1+\beta)} // R_3 // [r_{\pi2}+(1+\beta)R_6]) R_{eq}=(R_5+\beta \frac{\frac{r_{\pi1}}{(1+\beta)} // R_3 // [r_{\pi2}+(1+\beta)R_6]}{r_{\pi2}+(1+\beta)R_6}R_5+ \frac{r_{\pi1}}{(1+\beta)} // R_3 // [r_{\pi2}+(1+\beta)R_6])](/forum/latexrender/pictures/40c6801e32c945ef54d0a0dd3fb4a54c.png)


è:



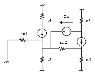
sia corretta; io avrei usato un GIC unitario, chiamata
la resistenza vista dall'emettitore di Q1,![R_0=R_3 // [r_{\pi_1}/(1+\beta)] R_0=R_3 // [r_{\pi_1}/(1+\beta)]](/forum/latexrender/pictures/cb246c534a7976912d2518f898918943.png)

![V_A=1\times [(\beta+1)R_6+r_{\pi 2}] // R_0 V_A=1\times [(\beta+1)R_6+r_{\pi 2}] // R_0](/forum/latexrender/pictures/676923bc7719066e6c26720c84ca4c32.png)
![V_B=-R_5[(1+\beta \frac{1\times R_0}{R_0+r_{\pi2}+R_6(1+\beta)}] V_B=-R_5[(1+\beta \frac{1\times R_0}{R_0+r_{\pi2}+R_6(1+\beta)}]](/forum/latexrender/pictures/7b632ce70ef940c9cc653343763d6d31.png)


, ti torna?