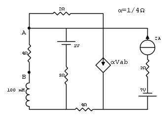
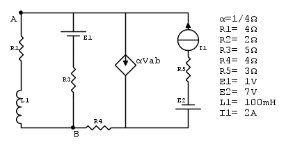
Ciao a tutti, l'esercizio mi chiede di calcolare l'energia immagazzinata dall'induttore [Ris.:WL=0.76 mJ] e la potenza generata dal generatore di corrente [Ris.:P(I)=-27.17 W], è da stamattina che provo più strade ma neanche una mi ha portato al risultato. Grazie a tutti in anticipo per chi avrà la pazienza di rispondermi e chiarirmi le idee. Un saluto!
Esercizio CC con Generatore controllato
Moderatori:
g.schgor,
IsidoroKZ
9 messaggi
• Pagina 1 di 1
0
voti
0
voti
R2 è corto circuitata:
1
voti
Fosv ha scritto:R2 è corto circuitata:
E allora sposta il puntino da in serie all'induttore, che non serve a nulla, al capo della resistenza che non lo ha.
Se non disegni schemi elettrici precisi non si arriva al risultato in tempi ragionevoli.
-

PietroBaima
90,7k 7 12 13 - G.Master EY

- Messaggi: 12206
- Iscritto il: 12 ago 2012, 1:20
- Località: Londra
0
voti
Io ho semplificato così:
0
voti
Se ho postato qui vuol dire che ho già seguito tutte le strade che conosco senza giungere ad un risultato, vorrei capire come lo fareste voi per poi trarre delle conclusioni
0
voti
Anche a me piacerebbe che talvolta il mio lavoro lo facesse qualcun altro, ma...
Scherzi a parte, ti suggerisco di fare un equivalente Norton dell'ultimo ramo a destra, come prima cosa.
Scherzi a parte, ti suggerisco di fare un equivalente Norton dell'ultimo ramo a destra, come prima cosa.
-

PietroBaima
90,7k 7 12 13 - G.Master EY

- Messaggi: 12206
- Iscritto il: 12 ago 2012, 1:20
- Località: Londra
0
voti
Fosv ha scritto:... come lo fareste voi per poi trarre delle conclusioni
Visto che i due rami di destra contengono dei generatori di corrente, puoi sostituirli, includendo anche R4, con un unico generatore di corrente di valore pari alla somma algebrica delle due correnti impresse.
Fatto ciò, potrai risolvere con una semplice KCL, via potenziali nodali; assunto B a potenziale di riferimento nullo
,
... o equivalentemente con Millman,

"Il circuito ha sempre ragione" (Luigi Malesani)
9 messaggi
• Pagina 1 di 1
Torna a Elettrotecnica generale
Chi c’è in linea
Visitano il forum: Nessuno e 29 ospiti

Elettrotecnica e non solo (admin)
Un gatto tra gli elettroni (IsidoroKZ)
Esperienza e simulazioni (g.schgor)
Moleskine di un idraulico (RenzoDF)
Il Blog di ElectroYou (webmaster)
Idee microcontrollate (TardoFreak)
PICcoli grandi PICMicro (Paolino)
Il blog elettrico di carloc (carloc)
DirtEYblooog (dirtydeeds)
Di tutto... un po' (jordan20)
AK47 (lillo)
Esperienze elettroniche (marco438)
Telecomunicazioni musicali (clavicordo)
Automazione ed Elettronica (gustavo)
Direttive per la sicurezza (ErnestoCappelletti)
EYnfo dall'Alaska (mir)
Apriamo il quadro! (attilio)
H7-25 (asdf)
Passione Elettrica (massimob)
Elettroni a spasso (guidob)
Bloguerra (guerra)





pigreco]=π
