Buonasera!
Sto cercando di mettere a punto un esposimetro da usare in camera oscura. Lo scopo di questo esposimetro è quello di fornire una misura in valore luce, LV.
Questa misura si basa su una scala logaritmica in base 2. In questo modo, ogni incremento di 1 LV corrisponde ad un raddoppiamento dell'intensità luminosa. Il valore di 0 LV corrisponde ad una specifica intensità luminosa, pari a circa 2,5 lx.
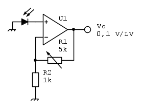
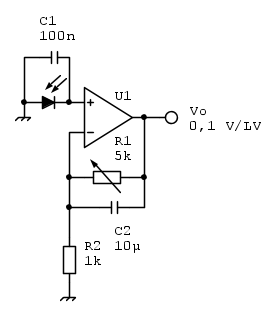
Per ottenere una risposta logaritmica in maniera semplice, ho pensato di impiegare un fotodiodo nel modo fotovoltaico, caricato da un'alta impedenza.
In questo modo, ho ottenuto una risposta sorprendentemente lineare da circa -3 LV (0,3 lx) fino ad oltre +10 LV (2600 lx) con una pendenza di circa 0,1 V/LV.
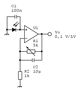
Tuttavia, il circuito presenta due problemi. In primo luogo, sembra essere estremamente sensibile ai disturbi elettromagnetici quando si trova a bassi livelli di intensità luminosa. Suppongo che questo sia dovuto al fatto che al diminure dell'intensità luminosa il fotodiodo aumenti la sua impedenza interna, raccogliendo più rumore.
Durante le prove sono riuscito ad ottenere misure stabili soltanto inserendo il circuito in un contenitore schermato. Per semplificare l'assemblaggio preferirei però impiegare un contenitore in plastica: pertanto ho provato a risolvere in questo modo.
Questo ha fornito risultati appena accettabili, ma ha allungato a dismisura il tempo di risposta al ridursi dell'intensità luminosa. Come si potrebbe risolvere elegantemente questo problema? Il contenitore schermato è l'unica soluzione?
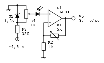
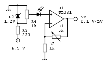
Il secondo problema riguarda il fatto che è necessario traslare la tensione d'uscita, in modo che si abbiano 0 V a 0 LV. Per fare questo pensavo di ricorrere a questa soluzione, che dovrebbe essere di facile taratura.
Pensate che questo metodo possa funzionare? Si può fare di meglio?
(Il circuito dovrebbe essere alimentato da una pila da 9 V, per cui sarà necessario dividere l'alimentazione in ±4,5 V con un partitore o con un opamp.)
Grazie!
Ciao,
Niki
Esposimetro con fotodiodo a risposta logaritmica
Moderatori:
carloc,
g.schgor,
BrunoValente,
IsidoroKZ
5 messaggi
• Pagina 1 di 1
0
voti
Circuito prblematico, fornisco osservazioni forse solo poco utili:
-La caratteristica logaritmica è data dalla risposta del fotodiodo ? L'amplificatore è lineare.
Mettere un diodo al posto di R1 per renderlo logaritmico ( introducendo ancora altri problemi)?
-Potresti aumentare R2 e R1 a 10k e 50k , dovrebbe funzionare lo stesso consumando di meno.
-Provare a mettere una R da 100 k in parallelo al fotodiodo per renderlo meno sensibile ai disturbi?
- 100nF e 100 uF, abbassare i valori per rendere la risposta più veloce (ma minor filtraggio disturbi)?
- Mettere un condensatore da 100 uF e 10nf fra +e - alimentazione per ridurre disturbi?
Attendo di leggere altre osservazioni da chi ne sa più di me.
Auguri e buone prove

-La caratteristica logaritmica è data dalla risposta del fotodiodo ? L'amplificatore è lineare.
Mettere un diodo al posto di R1 per renderlo logaritmico ( introducendo ancora altri problemi)?
-Potresti aumentare R2 e R1 a 10k e 50k , dovrebbe funzionare lo stesso consumando di meno.
-Provare a mettere una R da 100 k in parallelo al fotodiodo per renderlo meno sensibile ai disturbi?
- 100nF e 100 uF, abbassare i valori per rendere la risposta più veloce (ma minor filtraggio disturbi)?
- Mettere un condensatore da 100 uF e 10nf fra +e - alimentazione per ridurre disturbi?
Attendo di leggere altre osservazioni da chi ne sa più di me.
Auguri e buone prove

1
voti
da
https://www.hamamatsu.com/resources/pdf ... odiode.pdf
Voc e' la tensione a circuito aperto generata dal fotodiodo ed e' il parametro che misuri con il tuo circuito.
https://www.hamamatsu.com/resources/pdf ... odiode.pdf
Voc e' la tensione a circuito aperto generata dal fotodiodo ed e' il parametro che misuri con il tuo circuito.
1
voti
nikiT ha scritto: Durante le prove sono riuscito ad ottenere misure stabili soltanto inserendo il circuito in un contenitore schermato. Per semplificare l'assemblaggio preferirei però impiegare un contenitore in plastica: pertanto ho provato a risolvere in questo modo.
Hai un TL08x con un ingresso praticamente aperto, è normale che risenta di ogni piccolo starnuto elettrico.
Il contenitore metallico è praticamente d'obbligo.
Sarebbe una buona idea usare anche un anello di guardia
0
voti
Grazie per i suggerimenti.
Se non ci sono alternative, vorrà dire che manterrò la schermatura.
Per quanto riguarda la soluzione impiegata, credo sia il modo più semplice per ottenere una risposta logaritmica su un ampio intervallo.
Non ho verificato il coefficiente di temperatura del circuito. Per quest'impiego, il massimo coiefficiente di temperatura accettabile è di 0,05 LV/°C, che corrispondono a 10 mV/°C sulla
del fotodiodo. Non ho trovato dati su questo specifico fotodiodo (BS520), dunque vedrò di ricavarli appena possibile.
In caso il coefficiente fosse eccessivo, suppongo che si potrebbe impiegare il fotodiodo nel modo fotoconduttivo, impiegando un amplificatore logaritmico per la conversione. Purtroppo però non ho idea dell'accuratezza che potrebbe offrire questa soluzione. Pensate che sia preferibile?
Grazie!
Se non ci sono alternative, vorrà dire che manterrò la schermatura.
Per quanto riguarda la soluzione impiegata, credo sia il modo più semplice per ottenere una risposta logaritmica su un ampio intervallo.
Non ho verificato il coefficiente di temperatura del circuito. Per quest'impiego, il massimo coiefficiente di temperatura accettabile è di 0,05 LV/°C, che corrispondono a 10 mV/°C sulla
del fotodiodo. Non ho trovato dati su questo specifico fotodiodo (BS520), dunque vedrò di ricavarli appena possibile.In caso il coefficiente fosse eccessivo, suppongo che si potrebbe impiegare il fotodiodo nel modo fotoconduttivo, impiegando un amplificatore logaritmico per la conversione. Purtroppo però non ho idea dell'accuratezza che potrebbe offrire questa soluzione. Pensate che sia preferibile?
Grazie!
5 messaggi
• Pagina 1 di 1
Chi c’è in linea
Visitano il forum: Nessuno e 41 ospiti

Elettrotecnica e non solo (admin)
Un gatto tra gli elettroni (IsidoroKZ)
Esperienza e simulazioni (g.schgor)
Moleskine di un idraulico (RenzoDF)
Il Blog di ElectroYou (webmaster)
Idee microcontrollate (TardoFreak)
PICcoli grandi PICMicro (Paolino)
Il blog elettrico di carloc (carloc)
DirtEYblooog (dirtydeeds)
Di tutto... un po' (jordan20)
AK47 (lillo)
Esperienze elettroniche (marco438)
Telecomunicazioni musicali (clavicordo)
Automazione ed Elettronica (gustavo)
Direttive per la sicurezza (ErnestoCappelletti)
EYnfo dall'Alaska (mir)
Apriamo il quadro! (attilio)
H7-25 (asdf)
Passione Elettrica (massimob)
Elettroni a spasso (guidob)
Bloguerra (guerra)









