Cos'è ElectroYou | Login Iscriviti

ElectroYou - la comunità dei professionisti del mondo elettrico

Potere di Int. di un interruttore e calc. appros. della Icc

Progettazione, esercizio, manutenzione, sicurezza, leggi, normative...

Moderatori: Foto Utentesebago, Foto UtenteMASSIMO-G, Foto Utentelillo, Foto UtenteMike

0
voti

[11] Re: Potere di Int. di un interruttore e calc. appros. della

Messaggioda Foto UtenteGabbo93 » 22 lug 2017, 14:20

Salve professor Sebago, la ringrazio per essersi interessato al mio dilemma.

Comunque, per come viene definito sul libro dice che la Uo=Uo1=Uo2=Uo3, sono le tensioni di fase... a meno che, il libro non intende le tensioni di fase del trasformatore.
Ma mi sembra strano, visto che nel circuito equivalente, fra le tensioni di fase e il trasformatore interpone l'impedenza della linea a monte(cioè Za).

Allo stesso tempo, però, dice che se tra il punto di dispaccio e il trasfo, c'`e una linea di mt tensione dovrò valutare se tener conto anche del loro valore di impedenza e in quel caso riportalo al secondario, moltiplicando per (Uo/U1)^2, che, come ha detto lei, corrisponde a (N2/N1)^2... quindi mi verebbe da dedurre che quella Uo è la tensione di fase del secondario del trasfo. (ho fatto caso a ciò dopo aver letto il suo commento)
Però non capisco perché dica che sono tensioni di fase, all'inizio... #-o #-o #-o
Avatar utente
Foto UtenteGabbo93
15 4
 
Messaggi: 28
Iscritto il: 14 dic 2016, 19:10

2
voti

[12] Re: Potere di Int. di un interruttore e calc. appros. della

Messaggioda Foto Utentesebago » 22 lug 2017, 17:57

Gabbo93 ha scritto:Salve professor Sebago, la ringrazio

segnati innanzitutto queste due cose MOLTO IMPORTANTI:
1) lascia perdere il "professor", qui non c'è nessun "professor" ma siamo tutti "alunni", visto che ognuno di noi ha sempre qualcosa da imparare; per te e per tutti io sono semplicemente "sebago";
2) almeno per quanto mi riguarda, lascia perdere pure il lei, qui siamo un po' tutti abituati a darci del tu (e oltretutto il lei mi fa sentire ancora più vecchio).

Riguardo al tuo dubbio, non avendo il testo del libro non potrei darti una risposta certa ma dal contesto ne ho dedotto che quelle tensioni sono riferite al secondario, visto che oltretutto si tratta del calcolo della Icc ai morsetti (appunto) del secondario.
Sebastiano
________________________________________________________________
"Eo bos issettaìa, avanzade e non timedas / sas ben'ennidas siedas, rundinas, a domo mia" (P. Mossa)
Avatar utente
Foto Utentesebago
16,7k 4 10 13
G.Master EY
G.Master EY
 
Messaggi: 2196
Iscritto il: 1 apr 2005, 19:59
Località: Orune (NU)

0
voti

[13] Re: Potere di Int. di un interruttore e calc. appros. della

Messaggioda Foto UtenteGabbo93 » 22 lug 2017, 20:35

Va bene Sebago, messaggio ricevuto! :)

Comunque, per quanto riguarda il mio dubbio, credo anche io a questo punto... altrimenti, non saprei proprio come spiegarmi il fatto che sia una impedenza già riportata al secondario.(anche se non mi è propriamente chiaro il perché siano tensioni del secondario del trasfo)

Colgo l'occasione di questo mio post, per porti un altro dubbio... l'altro ieri discutevo con un mio collega sul rifasamento.
Io dicevo che nel rifasamento di un impianto, è rischioso rifasare a cosphi=1(tranne nel caso di rifasamento distribuito, li è possibile ottenere il rifasamento completo) perché si può incorrere, facilmente, nella condizione di sovrarifasamento che tende a far verificare l'effetto ferranti su linea, quindi presenza di sovratensioni.

Mentre, lui sosteneva che è perché si verifica una condizione di risonanza... ora io, onestamente, questa condizione di risonanza per il rifasamento non ne avevo mai sentito parlare, quindi ho cercato su internet e anche se non ho trovato nulla di molto chiaro, ciò che ho capito è che in realtà dipendete dalla presenza delle armoniche che i convertitori immettono in rete e non in maniera diretta dal rifasamento.

Quindi volevo chiederti se effettivamente è una condizione che è causata dal rifasamento completo, ed quindi questa la vera causa per la quale si evita il rifasamento completo, oppure c'è qualcosa che ignoro e che non mi permette di capire bene come vanno le cose?

Grazie mille, ancora, per l'aiuto e il tempo che mi stai dedicando.

P.s.
al di sotto di questo commento, ti invio le foto contenenti, la quota parte di trattazione su quella Za che fa il Carrescia.
Se hai voglia e tempo dagli un'occhiata :)
Allegati
1cc.jpg
Ultima modifica di Foto Utenteadmin il 22 lug 2017, 21:23, modificato 1 volta in totale.
Motivazione: eliminata citazione inutile integrale del messaggio che precede. C'è per tali risposte il tasto rispondi
Avatar utente
Foto UtenteGabbo93
15 4
 
Messaggi: 28
Iscritto il: 14 dic 2016, 19:10

0
voti

[14] Re: Potere di Int. di un interruttore e calc. appros. della

Messaggioda Foto UtenteGabbo93 » 22 lug 2017, 20:36

Ecco la seconda
Allegati
2cc.jpg
Ecco la seconda
Avatar utente
Foto UtenteGabbo93
15 4
 
Messaggi: 28
Iscritto il: 14 dic 2016, 19:10

0
voti

[15] Re: Potere di Int. di un interruttore e calc. appros. della

Messaggioda Foto Utentesebago » 22 lug 2017, 21:54

Visto il testo, confermo che le tensioni sono quelle a valle del trafo (come era logico, visto che si sta calcolando la Icc lato bassa tensione). Se noti, infatti, nel caso in cui si debba considerare resistenza e reattanza di un cavo MT a monte del trafo tra il punto di dispacciamento e la cabina, allora i valori vengono riportati in BT.

Sul rifasamento: anche se in merito ci sono varie opinioni (anche su questo sito), in genere non si rifasa a cosfì=1 non perché si vuole evitare l'effetto ferranti (che è più significativo in altri contesti che non in bassa tensione) ma perché - detto molto sinteticamente - i vantaggi economici di tale scelta non andrebbero a compensare i maggiori oneri, rispetto al classico cosfì=0,95.
Sebastiano
________________________________________________________________
"Eo bos issettaìa, avanzade e non timedas / sas ben'ennidas siedas, rundinas, a domo mia" (P. Mossa)
Avatar utente
Foto Utentesebago
16,7k 4 10 13
G.Master EY
G.Master EY
 
Messaggi: 2196
Iscritto il: 1 apr 2005, 19:59
Località: Orune (NU)

0
voti

[16] Re: Potere di Int. di un interruttore e calc. appros. della

Messaggioda Foto UtenteGabbo93 » 22 lug 2017, 23:38

1)Quindi la questione della condizione di risonanza, rispetto al rifasamento a cosphi = 1, non c'entra nulla?

2)Se invece col calcolo approssimativo delle corrente di ctocto, avessi voluto valutare la corrente di ctocto sulla lato media tensione, quindi a monte del trasfo, perché magari tra punto di consegna e trasformatore ho una linea in media tensione e ho bisogno di conosce la Icc3fase sul quel tratto, per poter scegliere il potere di interruzione di un ipotetico magnetotermico a protezione di quella linea.
Avrei dovuto semplicemente calcolare la Za, usando come tensione la U1(tensione al primario del trasfo) e di conseguenza tutte le altre resistenze e reattanze in funzione del primario?

P.s.
Ti sto facendo un sacco di domande, spero di non darti noia. :)
Avatar utente
Foto UtenteGabbo93
15 4
 
Messaggi: 28
Iscritto il: 14 dic 2016, 19:10

1
voti

[17] Re: Potere di Int. di un interruttore e calc. appros. della

Messaggioda Foto Utentesebago » 23 lug 2017, 12:35

1)
Non comprendo perché usi la parola magica "risonanza" ma provo a accrocchiare un esempio.

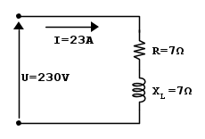
Supponiamo di avere il classico carico ohmico-induttivo: la corrente sarà pertanto sfasata in ritardo rispetto alla tensione, secondo il grafico fasoriale seguente:


Il carico sarà equivalente a una serie RL, e dunque la sua impedenza sarà costituita da una resistenza R e da una reattanza X_L.
Giusto per fissare le idee, ipotizziamo una tensione di alimentazione U=230 V su un carico con una corrente I_{RL} = 23 A, con uno sfasamento \varphi =45 in ritardo, il tutto alla frequenza di rete f=50 Hz.
Di conseguenza la sua resistenza e la sua reattanza varranno:
R=\frac{U}{I}\cdot cos\varphi =\frac{230}{23}cos(45)\simeq 7\Omega
e
X_{RL}=\frac{U}{I}\cdot sin\varphi =\frac{230}{23}sin(45)\simeq 7\Omega


Supponiamo per un istante di voler annullare la componente reattiva induttiva inserendo un condensatore in serie tale da avere una reattanza (negativa) esattamente opposta a quella del carico, usando per esempio un condensatore con C=\frac{1}{2\pi \cdot 50\cdot 7}=454\mu F:

poiché la reattanza capacitiva è X_{C}=-7\Omega, nel circuito rimarrebbe solo la povera resistenza a contrastare la corrente, che aumenterebbe fino a:
I=\frac{230}{7}=32,9A
Sarà a cosfì=1 (il circuito è come se fosse solo resistivo), ma che botta per il cavo (e pure per il condensatore, probabilmente).
Questa la chiamiamo "risonanza serie": la corrente aumenta di un bel po', e con essa aumentano le perdite per effetto Joule e le cadute di tensione sul cavo, costringendoci molto probabilmente a scegliere una sezione più elevata. Godremmo dell'opportunità di non pagare le penali per basso cosfì, ma a che prezzo…Brutta storia.

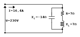
Rifasiamo invece in parallelo al carico, con un condensatore tale da assicurare una reattanza capacitiva di circa X_{C}=-14\Omega (dopo vedremo da dove salta fuori 'sto valore):

Considerando il parallelo tra il condensatore e la serie di resistenza e induttanza si ha:
Z_e=\frac{(7+j7)\cdot (-j14))}{7+j7-j14}=14\Omega
ovvero: il circuito è ancora una volta come se fosse puramente resisitivo (e dunque a cosfì =1) ma la corrente erogata dal generatore diminuisce e vale
I=\frac{230}{14}=16,4A
con gran sollievo per:
- le perdite per effetto Joule (che diminuiscono)
- le cadute di tensione lungo il cavo (che diminuiscono)
- la sezione del cavo (che forse può essere più piccola)
- l'assenza di penali per basso cosfì.

Se si può dire, abbiamo creato una "risonanza parallelo", ma in realtà è più semplice dire che abbiamo fatto in modo che la potenza reattiva induttiva assorbita dal carico RL venisse bilanciata da quella reattiva capacitiva del condensatore. In tal modo la rete vede il carico come se fosse puramente resisitivo, ma con corrente minore.
Da dove salta fuori il valore del condensatore? Beh, considerando che il suggerimento te l'ho dato, faccio il cattivone: trovalo!


2) Se calcoli il valore della Icc sul lato MT, tutto ciò che c'è a valle del punto di corto non ti interessa, consideri solo la rete a monte (cavo aggiuntivo compreso). In parole povere, del trafo non te ne frega più una cippa.
Sebastiano
________________________________________________________________
"Eo bos issettaìa, avanzade e non timedas / sas ben'ennidas siedas, rundinas, a domo mia" (P. Mossa)
Avatar utente
Foto Utentesebago
16,7k 4 10 13
G.Master EY
G.Master EY
 
Messaggi: 2196
Iscritto il: 1 apr 2005, 19:59
Località: Orune (NU)

0
voti

[18] Re: Potere di Int. di un interruttore e calc. appros. della

Messaggioda Foto UtenteGabbo93 » 23 lug 2017, 13:49

1)Quello che io ho compreso dal discorso che faceva il mio collega è che rifasando a cosphi unitario, c'è il rischio che se la frequenza di risonanza della batteria di condensatori-rete, è prossima a quella delle armoniche in rete, la batteria di condensatori entra in risonanza e va ad amplificare tensioni e correnti armoniche, creando problemi ai cavi.
(Motivo per il quale, credo, nel rifasamento distribuito, si può rifasare a cosphi unitario, ma bisogna usare cavi sovradimensionati , assumendo una portata standard I0=1.5 Ib(corrente di impiego del cavo))

Quello che non ho ben capito è perché il condensatore amplifica le grandezze armoniche?

Quello che ho ipotizzato io, è che l'impedenza dei condensatori, essendo inversamente proporzionale alla pulsazione(quindi frequenza) della grandezza che lo alimenta, in corrispondenza della pulsazione di risonanza(prossima a quella delle armoniche), esso abbassa la sua impedenza e amplifica le correnti di armonica.... ma non ne sono certo.

Mentre dall'esempio che mi hai fatto tu, considerando che nel rifasamento centralizzato, si usa una batteria di condensatori in parallelo a monte dell'impianto, l'unica spiegazione, che mi do, per la quale non viene fatto il rifasamento completo è, per il rischio di sovrarifasamento e per questo problema delle armoniche.

Perché tu stesso mi hai fatto vedere, che con un collegamento in parallelo dei condensatori, ne gioverebbero anche i cavi.

P.s.
Il condensatore dovrebbe avere una valore di capacità pari a = 4396F, se non ho sbagliato


2)Ok, chiaro... ma per l'impedenza a monte, se la devo valutare sulla media tensione, conoscendo la Pcc,3f che mi fornisce l'ente la dovrò calcolare rispetto alla tensione lato mt del trasfo(che corrisponde col valore di tensione a monte del trasfo), quindi Za=(3U1/Pcc,3f) giusto?
Mentre se ho anche l'impedenza di un cavo in mt, quella la prendo dal catalogo così com'è, perché è già in mt.
Avatar utente
Foto UtenteGabbo93
15 4
 
Messaggi: 28
Iscritto il: 14 dic 2016, 19:10

0
voti

[19] Re: Potere di Int. di un interruttore e calc. appros. della

Messaggioda Foto Utentesebago » 23 lug 2017, 14:19

Gabbo93 ha scritto:è che l'impedenza dei condensatori, essendo inversamente proporzionale alla pulsazione(quindi frequenza) della grandezza che lo alimenta, ecc. ecc.

:ok:

Gabbo93 ha scritto:considerando che nel rifasamento centralizzato, si usa una batteria di condensatori in parallelo a monte dell'impianto, l'unica spiegazione, che mi do, per la quale non viene fatto il rifasamento completo è, per il rischio di sovrarifasamento e per questo problema delle armoniche..

il problema del "sovrarifasamento" viene risolto con un sistema di regolazione automatica, che inserisce le batterie che servono in base al fattore di potenza.
Gabbo93 ha scritto:Il condensatore dovrebbe avere una valore di capacità pari a = 4396F, se non ho sbagliato

:shock: :shock: :shock: mi sembra un po' troppo... :mrgreen:

Gabbo93 ha scritto: ma per l'impedenza a monte, se la devo valutare sulla media tensione, conoscendo la Pcc,3f che mi fornisce l'ente la dovrò calcolare rispetto alla tensione lato mt del trasfo(che corrisponde col valore di tensione a monte del trasfo)

:ok:

Gabbo93 ha scritto: quindi Za=(3U1/Pcc,3f) giusto?

No.
Sebastiano
________________________________________________________________
"Eo bos issettaìa, avanzade e non timedas / sas ben'ennidas siedas, rundinas, a domo mia" (P. Mossa)
Avatar utente
Foto Utentesebago
16,7k 4 10 13
G.Master EY
G.Master EY
 
Messaggi: 2196
Iscritto il: 1 apr 2005, 19:59
Località: Orune (NU)

0
voti

[20] Re: Potere di Int. di un interruttore e calc. appros. della

Messaggioda Foto UtenteGabbo93 » 23 lug 2017, 14:37

Gabbo93 ha scritto:considerando che nel rifasamento centralizzato, si usa una batteria di condensatori in parallelo a monte dell'impianto, l'unica spiegazione, che mi do, per la quale non viene fatto il rifasamento completo è, per il rischio di sovrarifasamento e per questo problema delle armoniche..

il problema del "sovrarifasamento" viene risolto con un sistema di regolazione automatica, che inserisce le batterie che servono in base al fattore di potenza.

Quindi è per il problema delle armoniche che non si fa il rifasamento a cosphi unitario? Anche se secondo me il mio collega era un po confuso, in quanto questo problema della risonanza con i condensatori, credo si possa verificare sempre e comunque, non c'è bisogno che che sia a cosphi=1... basta un qualsiasi valore di rifasamento.
Anche perché, per definizione la pulsazione di risonanza è quel valore di pulsazione per la quale la reattanza del condensatore e di un induttore risultano uguali.E quindi non dipende in alcun modo dal cosphi... quindi ne deduco che è un fenomeno che c'entra col rifasamento, ma che non dipende per forza da una condizione di rifasamento completo. O forse c'è qualcosa che non considero... :roll: :roll: :roll:

Gabbo93 ha scritto:Il condensatore dovrebbe avere una valore di capacità pari a = 4396F, se non ho sbagliato

:shock: :shock: :shock: mi sembra un po' troppo... :mrgreen:

Decisamente troppo... #-o #-o
Quello che ho scritto è il valore del denominatore, che doveva dividere il valore 1... comunque, C=227microF(se non ho fatto altri errori)

Gabbo93 ha scritto: ma per l'impedenza a monte, se la devo valutare sulla media tensione, conoscendo la Pcc,3f che mi fornisce l'ente la dovrò calcolare rispetto alla tensione lato mt del trasfo(che corrisponde col valore di tensione a monte del trasfo)

:ok:

Gabbo93 ha scritto: quindi Za=(3U1/Pcc,3f) giusto?
No.

perché no? Con U1 mi riferisco al valore lato mt tensione del trasfo, che sarà pari al valore di tensione in mt.
Oppure mi devo riferire direttamente al valore di tensione di fase della mt e buona notte ai sognatori :D
Avatar utente
Foto UtenteGabbo93
15 4
 
Messaggi: 28
Iscritto il: 14 dic 2016, 19:10

PrecedenteProssimo

Torna a Impianti, sicurezza e quadristica

Chi c’è in linea

Visitano il forum: Google Adsense [Bot] e 72 ospiti