Salve a tutti,
L'esercizio seguente mi chiede di calcolare la potenza reattiva e attiva generata dal generatore di tensione,
Avendo i seguenti dati e(t)=10sen(100t) R1=10 ohm R2 = 10 ohm Xc=1000 ohm e Xl=1 ohm
I risultati possibili della potenza reattiva possono essere:
A)100 W
B)0 W
C)-100 W
Idea calcolo potenza reattiva (devo considerare il condensatore e l'induttore e quindi mi basterebe calcolare la corrente su Xc e XL che è la stessa in quanto sono in serie, e la tensione con il partitore di tensione su Xc e Xl ed infiine applicare Qe=1/2vmimsen(phi))
Avete soluzioni in merito di come poter svolgere questo esercizio?
Grazie mille e mi scuso con il disturbo
Esercizio calcolo potenza attiva e reattiva
Moderatori:
g.schgor,
IsidoroKZ
7 messaggi
• Pagina 1 di 1
1
voti
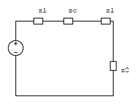
Lo schema elettrico, come da regolamento, va fatto usando FIDOCAD.
Questo sarebbe il circuito di impedenze.
Quindi, per l'induttore l'impedenza diventa

per il condensatore

Io risolverei cosi:
ti ricavi la I del circuito considerando che tutte leimpedenze sono in serie.
Quindi
Occhio che siccome è la corrente che scorre nel generatore di tensione e su tale generatore usi la convenzione dell'utilizzatore, la corrente avrà il segno -
POI calcoli
alla fine calcolando cosi avrai un
dove hai che P è la potenza reattiva e Q è la reattiva.
Occhio ad I, devi considerare il coniugato del numero complesso.

Se invece devi calcolare la potenza reattiva del condensatore, allora ti conveniva fare il partitore di tensione e calcolare la differenza di potenziale ai capi del condensatore. (condensatore e induttore hanno potenza attiva 0)
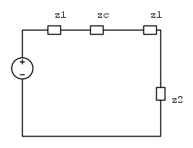
Questo sarebbe il circuito di impedenze.
Quindi, per l'induttore l'impedenza diventa

per il condensatore

Io risolverei cosi:
ti ricavi la I del circuito considerando che tutte le
Quindi
Occhio che siccome è la corrente che scorre nel generatore di tensione e su tale generatore usi la convenzione dell'utilizzatore, la corrente avrà il segno -
POI calcoli
alla fine calcolando cosi avrai un
dove hai che P è la potenza reattiva e Q è la reattiva.Occhio ad I, devi considerare il coniugato del numero complesso.

Se invece devi calcolare la potenza reattiva del condensatore, allora ti conveniva fare il partitore di tensione e calcolare la differenza di potenziale ai capi del condensatore. (condensatore e induttore hanno potenza attiva 0)
0
voti
Ti ringrazio per la risposta, tuttavia non ho ben capito come svolgere il problema., non riesco a trovarmi :
Calcolando I=e/20-1000j mi trovo 20-1000j/1.000.400
Poi
S=1/2VI*
Calcolo S=1/2*10*(20+1000j/1.000.400) il coefficiente della parte immaginaria che mi rappresenta la potenza reattiva non si avvicina nemmeno minimamente al mio risultato.. ho sbagliato i calcoli?
Calcolando I=e/20-1000j mi trovo 20-1000j/1.000.400
Poi
S=1/2VI*
Calcolo S=1/2*10*(20+1000j/1.000.400) il coefficiente della parte immaginaria che mi rappresenta la potenza reattiva non si avvicina nemmeno minimamente al mio risultato.. ho sbagliato i calcoli?
0
voti
Allora ci sono varie cose che non tornano.
hai scritto nei dati Xc=1000 ohm
Intendi la reattanza?
manca il segno meno.
Poi la potenza reattiva è misurata inV.A.Rvar volt Ampere Reattivi..
nei dati ci sono I watt.
Con i watt intendiamo la potenza attiva.
Quindi, a questo punto siccome ci sono incongruenze nei dati e nella traccia dell'esercizio, ti chiedo di postare l'esercizio correttamente. magari alleghi proprio la traccia.
Altrimenti è chiaro che non possiamo mai trovarci
hai scritto nei dati Xc=1000 ohm
Intendi la reattanza?
manca il segno meno.Poi la potenza reattiva è misurata in
nei dati ci sono I watt.
Con i watt intendiamo la potenza attiva.
Quindi, a questo punto siccome ci sono incongruenze nei dati e nella traccia dell'esercizio, ti chiedo di postare l'esercizio correttamente. magari alleghi proprio la traccia.
Altrimenti è chiaro che non possiamo mai trovarci
0
voti
Allora :
E= 10 sin 100t
R1=R2=10 OHM
C=10mF
L=10mH
Trasformo 10 sin 100t in fasore..

Calcoliamo ZL = J questo perché le trasformo in impedenze
come ti dicevo prima.
Faccio la stessa cosa calcolando ZC, impedenza del condensatore
=-J
ora ti calcoli I
ci sta una serie quindi andremo a calcolare l'impedenza equivalente
Calcolata la I e applicando la formula della potenza ti renderai conto che in pratica la potenza reattiva, svolgendo i vari calcoli è proprio 0.
E= 10 sin 100t
R1=R2=10 OHM
C=10mF
L=10mH
Trasformo 10 sin 100t in fasore..

Calcoliamo ZL = J questo perché le trasformo in impedenze
come ti dicevo prima. Faccio la stessa cosa calcolando ZC, impedenza del condensatore
=-J
ora ti calcoli I
ci sta una serie quindi andremo a calcolare l'impedenza equivalente
Calcolata la I e applicando la formula della potenza ti renderai conto che in pratica la potenza reattiva, svolgendo i vari calcoli è proprio 0.
0
voti
Non mi è tanto chiara la trasformazione del generatore di tensione in forma fasoriale
Siccome io trasformo così: 10e^(jalfa) in questo caso=10
Siccome io trasformo così: 10e^(jalfa) in questo caso=10
7 messaggi
• Pagina 1 di 1
Torna a Elettrotecnica generale
Chi c’è in linea
Visitano il forum: Nessuno e 12 ospiti

Elettrotecnica e non solo (admin)
Un gatto tra gli elettroni (IsidoroKZ)
Esperienza e simulazioni (g.schgor)
Moleskine di un idraulico (RenzoDF)
Il Blog di ElectroYou (webmaster)
Idee microcontrollate (TardoFreak)
PICcoli grandi PICMicro (Paolino)
Il blog elettrico di carloc (carloc)
DirtEYblooog (dirtydeeds)
Di tutto... un po' (jordan20)
AK47 (lillo)
Esperienze elettroniche (marco438)
Telecomunicazioni musicali (clavicordo)
Automazione ed Elettronica (gustavo)
Direttive per la sicurezza (ErnestoCappelletti)
EYnfo dall'Alaska (mir)
Apriamo il quadro! (attilio)
H7-25 (asdf)
Passione Elettrica (massimob)
Elettroni a spasso (guidob)
Bloguerra (guerra)



