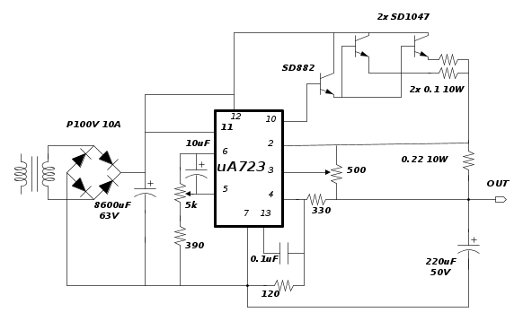
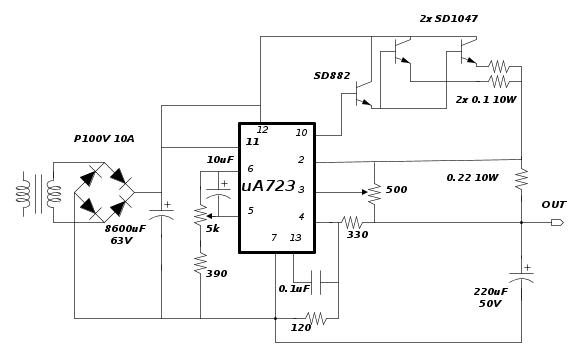
In effetti, dopo averlo provato, ho visto che funziona correttamente per quanto attiene la regolazione della tensione ma non limita per quanto riguarda la corrente.
Ho ricostruito lo schema cosi' come segue e spero di non avere sbagliato:
Ho controllato ogni collegamento ed escludo che ci siano errori di cablaggio;l'unica cosa che ho notato e' che la resistenza da 330 ( collegata al potenziometro da 500 ohm) scalda molto.
Io sinceramente, ormai non ho molta voglia di complicarmi la vita con queste cose, tuttavia se qualche anima pia mi desse una mano..............

Elettrotecnica e non solo (admin)
Un gatto tra gli elettroni (IsidoroKZ)
Esperienza e simulazioni (g.schgor)
Moleskine di un idraulico (RenzoDF)
Il Blog di ElectroYou (webmaster)
Idee microcontrollate (TardoFreak)
PICcoli grandi PICMicro (Paolino)
Il blog elettrico di carloc (carloc)
DirtEYblooog (dirtydeeds)
Di tutto... un po' (jordan20)
AK47 (lillo)
Esperienze elettroniche (marco438)
Telecomunicazioni musicali (clavicordo)
Automazione ed Elettronica (gustavo)
Direttive per la sicurezza (ErnestoCappelletti)
EYnfo dall'Alaska (mir)
Apriamo il quadro! (attilio)
H7-25 (asdf)
Passione Elettrica (massimob)
Elettroni a spasso (guidob)
Bloguerra (guerra)







............ 

