CIao a tutti , sto studiando l'inverter e in particolare la modulazione PWM. Che da quanto ho capito permette di variare la potenza del segnale trasmesso.
Ho letto che esistono altre due tecniche di modulazione : quella dell'onda quadra parzializzata e quella dell'onda quadra frazionata.
Non sono riuscito a trovare nulla sul web, voi le conoscete ?
Magari sono tecniche che non sfruttano un comparatore ( come la PWM) ma dipendono dalla frequenza di attivazione degli interruttori... ma non so,è solo un'intuizione
Modulazione inverter
Moderatori:
SandroCalligaro,
mario_maggi,
fpalone
6 messaggi
• Pagina 1 di 1
1
voti
Ciao.
Ti racconto cosa facevo nel secolo scorso.
I primissimi inverter a transistor in Italia (anni 70) avevano un ponte di diodi raddrizzatori, un solo transistor chopper in serie sul lato positivo, un'induttanza, condensatori, ed un inverter a onda quadra. Pertanto lo stadio inverter funzionava alimentato da una tensione di bus DC variabile all'incirca nel rapporto 1:10, da 30 VDC a 300 VDC. La forma d'onda della tensione di uscita era quadra, con altezza variabile.
Poi ho trovato un inverter diverso, che non aveva più il chopper separato, ma erano gli stessi 6 transistor dell'inverter a chopperare una tensione fissa di circa 310 VDC. L'ho portato in Italia e l'ho venduto alla Sandoz, era l'anno 1973. La forma d'onda era quadra chopperata a frequenza fissa e tensione massima fissa.
Nel 1981 ho costruito inverter che avevano i 6 transistor che effettuavano una modulazione sinusoidale.
Non capisco bene chi ha assegnato le denominazioni "parzializzata" e "frazionata", vediamo se altri lo sanno.
Ciao
Mario
Ti racconto cosa facevo nel secolo scorso.
I primissimi inverter a transistor in Italia (anni 70) avevano un ponte di diodi raddrizzatori, un solo transistor chopper in serie sul lato positivo, un'induttanza, condensatori, ed un inverter a onda quadra. Pertanto lo stadio inverter funzionava alimentato da una tensione di bus DC variabile all'incirca nel rapporto 1:10, da 30 VDC a 300 VDC. La forma d'onda della tensione di uscita era quadra, con altezza variabile.
Poi ho trovato un inverter diverso, che non aveva più il chopper separato, ma erano gli stessi 6 transistor dell'inverter a chopperare una tensione fissa di circa 310 VDC. L'ho portato in Italia e l'ho venduto alla Sandoz, era l'anno 1973. La forma d'onda era quadra chopperata a frequenza fissa e tensione massima fissa.
Nel 1981 ho costruito inverter che avevano i 6 transistor che effettuavano una modulazione sinusoidale.
Non capisco bene chi ha assegnato le denominazioni "parzializzata" e "frazionata", vediamo se altri lo sanno.
Ciao
Mario
Mario Maggi
https://www.evlist.it per la mobilità elettrica e filiera relativa
https://www.axu.it , inverter speciali, convertitori DC/DC, soluzioni originali per la qualità dell'energia
Innovazioni: https://www.axu.it/mm4
https://www.evlist.it per la mobilità elettrica e filiera relativa
https://www.axu.it , inverter speciali, convertitori DC/DC, soluzioni originali per la qualità dell'energia
Innovazioni: https://www.axu.it/mm4
-

mario_maggi
20,0k 3 11 12 - G.Master EY

- Messaggi: 4179
- Iscritto il: 21 dic 2006, 9:59
- Località: Milano
2
voti
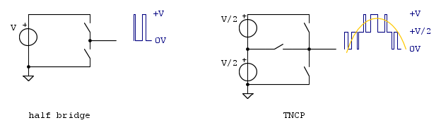
Forse ti riferisci ai così detti inverter multilivello, tipo NCP (neutal clamped point) e TNCP (come sopra ma in topologia a "T").
La storia "molto corta" è che mentre con un PWM normale hai solo due tensioni tra cui far variare la tensione in uscita (e.g. 0V e +V) nei multi livello ci sono livelli intermedi tra cui scegliere (e.g. 0V +V/2 e +V)
Questo, al costo di più interruttori e relativi gate driver, ripaga con un maggior rendimento e minori armoniche in uscita e conseguentemente filtro in uscita più semplice.
La storia "molto corta" è che mentre con un PWM normale hai solo due tensioni tra cui far variare la tensione in uscita (e.g. 0V e +V) nei multi livello ci sono livelli intermedi tra cui scegliere (e.g. 0V +V/2 e +V)
Questo, al costo di più interruttori e relativi gate driver, ripaga con un maggior rendimento e minori armoniche in uscita e conseguentemente filtro in uscita più semplice.
Se ti serve il valore di beta: hai sbagliato il progetto!
0
voti
Ho letto che esistono altre due tecniche di modulazione : quella dell'onda quadra parzializzata e quella dell'onda quadra frazionata.
Ti riferivi ad un inverter mono o tri-fase?
Nel caso dell'inverter monofase ("ponte ad H" o "ponte intero"), si può decidere se usare o meno i tre livelli a disposizione, cioè -Vdc, 0 e +Vdc.
Il caso più semplice è forse quello in cui si usano solo -Vdc e +Vdc, ma è anche il meno logico.
Purtroppo qualcuno ogni tanto si inventa dei nomi e li spaccia in modo che sembrino universalmente riconosciuti...
-

SandroCalligaro
2.970 2 4 5 - G.Master EY

- Messaggi: 1181
- Iscritto il: 6 ago 2015, 19:25
2
voti
Visto che si sta dando via libera alla fantasia, ci provo anch'io. Uno potrebbe essere un'onda quadra a tre livelli alla frequenza che si vuole generare e si regola la durata dell'impulso per avere l'ampiezza efficace desiderata.nell'altro invece si usa una modulazione PWM ad alta frequenza per sintetizzare la forma d'onda voluta.
A dire il vero ci sarebbe anche la tecnica di fare un'onda quadra a tre livelli alla frequenza desiderata, introducendo dei "buchi" in ciascun impulso per togliere la terza, quinta, settima... armonica, ma non credo sia questo il caso.
A dire il vero ci sarebbe anche la tecnica di fare un'onda quadra a tre livelli alla frequenza desiderata, introducendo dei "buchi" in ciascun impulso per togliere la terza, quinta, settima... armonica, ma non credo sia questo il caso.
Per usare proficuamente un simulatore, bisogna sapere molta più elettronica di lui
Plug it in - it works better!
Il 555 sta all'elettronica come Arduino all'informatica! (entrambi loro malgrado)
Se volete risposte rispondete a tutte le mie domande
Plug it in - it works better!
Il 555 sta all'elettronica come Arduino all'informatica! (entrambi loro malgrado)
Se volete risposte rispondete a tutte le mie domande
0
voti
A dire il vero ci sarebbe anche la tecnica di fare un'onda quadra a tre livelli alla frequenza desiderata, introducendo dei "buchi" in ciascun impulso per togliere la terza, quinta, settima... armonica, ma non credo sia questo il caso.
Selective Harmonic Elimination? Forse ti sei spinto troppo in là con la fantasia, ma chissà...
-

SandroCalligaro
2.970 2 4 5 - G.Master EY

- Messaggi: 1181
- Iscritto il: 6 ago 2015, 19:25
6 messaggi
• Pagina 1 di 1
Chi c’è in linea
Visitano il forum: Nessuno e 7 ospiti

Elettrotecnica e non solo (admin)
Un gatto tra gli elettroni (IsidoroKZ)
Esperienza e simulazioni (g.schgor)
Moleskine di un idraulico (RenzoDF)
Il Blog di ElectroYou (webmaster)
Idee microcontrollate (TardoFreak)
PICcoli grandi PICMicro (Paolino)
Il blog elettrico di carloc (carloc)
DirtEYblooog (dirtydeeds)
Di tutto... un po' (jordan20)
AK47 (lillo)
Esperienze elettroniche (marco438)
Telecomunicazioni musicali (clavicordo)
Automazione ed Elettronica (gustavo)
Direttive per la sicurezza (ErnestoCappelletti)
EYnfo dall'Alaska (mir)
Apriamo il quadro! (attilio)
H7-25 (asdf)
Passione Elettrica (massimob)
Elettroni a spasso (guidob)
Bloguerra (guerra)



