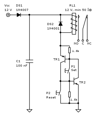
Non dovrebbero bruciare, visto che hanno in serie la bobina del relé che limita la corrente.
Gli unici modi per bruciarli sono:
1) collegare DS2 al contrario. In questo caso all'accensione del relè avviene un cortocircuito;
2) non collegare (bene) DS2. In questo caso allo spegnimento la bobina del relè, che ha una forte componente induttiva, al tentare di ridurne la corrente di colpo a zero genera un picco di extratensione in grado di bruciare i transistor.
Ti consiglierei quindi di controllare anche che DS2 faccia un buon contatto, e sia collegato nel verso giusto.
Comandare relè con 2 pulsanti
Moderatori:
carloc,
g.schgor,
BrunoValente,
IsidoroKZ
44 messaggi
• Pagina 4 di 5 • 1, 2, 3, 4, 5
1
voti
Big fan of ⋮ƎlectroYou! Ausili per disabili e anziani su ⋮ƎlectroYou
Caratteri utili: À È É Ì Ò Ó Ù α β γ δ ε η θ λ μ π ρ σ τ φ ω Ω º ª ² ³ √ ∛ ∜ ₀ ₁ ₂ ₃ ₄ ₅ ₆ ∃ ∄ ∆ ∈ ∉ ± ∓ ∾ ≃ ≈ ≠ ≤ ≥
Caratteri utili: À È É Ì Ò Ó Ù α β γ δ ε η θ λ μ π ρ σ τ φ ω Ω º ª ² ³ √ ∛ ∜ ₀ ₁ ₂ ₃ ₄ ₅ ₆ ∃ ∄ ∆ ∈ ∉ ± ∓ ∾ ≃ ≈ ≠ ≤ ≥
5
voti
Aggiungerei una resistenza da 1.5k in parallelo alla giunzione BE di ciascun transistor.
Senza resistenze il circuito mi pare sia troppo sensibile e si rischia che possa innescarsi all'accensione o semplicemente toccando i fili o a causa di un disturbo o correnti di perdita e soprattutto in auto il rischio c'è.
Senza resistenze il circuito mi pare sia troppo sensibile e si rischia che possa innescarsi all'accensione o semplicemente toccando i fili o a causa di un disturbo o correnti di perdita e soprattutto in auto il rischio c'è.
-

BrunoValente
39,6k 7 11 13 - G.Master EY

- Messaggi: 7796
- Iscritto il: 8 mag 2007, 14:48
0
voti
Ho bruciato il bc327 penso per via del ds2 che non faceva bene il contatto sulla basetta di prova.
Ho quindi fatto il circuito saldato su basetta millefori e comunque quando do tensione (2 su 3) il relè si eccita, ho seguito il consiglio di Bruno inserendo le resistenze ora sembra funzionare a casa.
Stamani l'ho portato in auto in modo "volante" e testerò se fa scherzi specialmente in accensione che è la parte più critica secondo me.
Ho quindi fatto il circuito saldato su basetta millefori e comunque quando do tensione (2 su 3) il relè si eccita, ho seguito il consiglio di Bruno inserendo le resistenze ora sembra funzionare a casa.
Stamani l'ho portato in auto in modo "volante" e testerò se fa scherzi specialmente in accensione che è la parte più critica secondo me.
0
voti
Forse bisognerà stabilizzare il circuito con uno zener.fastidio ha scritto:ora sembra funzionare a casa.
Stamani l'ho portato in auto in modo "volante" e testerò se fa scherzi specialmente in accensione che è la parte più critica secondo me.
-

StefanoSunda
2.880 3 6 10 - Master

- Messaggi: 1962
- Iscritto il: 16 set 2010, 19:29
2
voti
Provato il circuito qualche giorno con ripetute accensioni e spegnimento motore e non ha fatto nessun scherzo!
Grazie ancora per l'aiuto non saprò mai come ringraziarvi
Grazie ancora per l'aiuto non saprò mai come ringraziarvi
0
voti
Forse non l'ho letto, ma a cosa ti serve questo circuito.
Dato che molti argomenti che riguardano modifiche sulle autovetture vengono chiusi quasi subito, questo , anche se interessante per un profano in elettronica come me, è durato ben 4 pagine
Dato che molti argomenti che riguardano modifiche sulle autovetture vengono chiusi quasi subito, questo , anche se interessante per un profano in elettronica come me, è durato ben 4 pagine
-

gabrisav
1.852 2 4 7 - Expert EY

- Messaggi: 1711
- Iscritto il: 13 set 2015, 18:26
- Località: Borgosatollo (Bs)
0
voti
Ora mi bannano!
Vado a rileggermi la parte del regolamento dove è vietato chiedere modifiche in auto visto che m'è sfuggito.
Mi sapresti dire perché viene vietato?
Sinceramente ho omesso a cosa mi serve chiudere quel contatto perché non lo ritenevo importante per la richiesta in quanto avevo bisogno di un contatto pulito.
Vado a rileggermi la parte del regolamento dove è vietato chiedere modifiche in auto visto che m'è sfuggito.
Mi sapresti dire perché viene vietato?
Sinceramente ho omesso a cosa mi serve chiudere quel contatto perché non lo ritenevo importante per la richiesta in quanto avevo bisogno di un contatto pulito.
0
voti
Non é vietato dal regolamento del forum, é vietato dal codice della strada modificare le autovetture e dato che alcuni utenti, in passato hanno chiesto , per esempio,come comandare o accendere luci aggiunte all' autovettura alcuni amministratori hanno chiuso la discussione.
-

gabrisav
1.852 2 4 7 - Expert EY

- Messaggi: 1711
- Iscritto il: 13 set 2015, 18:26
- Località: Borgosatollo (Bs)
0
voti
Intendi con neon sottoscocca o faretti aggiuntivi o altre diavolerie?
Non mi serve a quello, sto mettendo il cruise control originale del mezzo e per i tastini ho dovuto ripiegare su questa soluzione perché se volessi i tastini originali dovrei cambiare tutto il volante (se si trova visto l'età) spendendo una barca di soldi.
Non mi serve a quello, sto mettendo il cruise control originale del mezzo e per i tastini ho dovuto ripiegare su questa soluzione perché se volessi i tastini originali dovrei cambiare tutto il volante (se si trova visto l'età) spendendo una barca di soldi.
44 messaggi
• Pagina 4 di 5 • 1, 2, 3, 4, 5
Chi c’è in linea
Visitano il forum: Nessuno e 213 ospiti

Elettrotecnica e non solo (admin)
Un gatto tra gli elettroni (IsidoroKZ)
Esperienza e simulazioni (g.schgor)
Moleskine di un idraulico (RenzoDF)
Il Blog di ElectroYou (webmaster)
Idee microcontrollate (TardoFreak)
PICcoli grandi PICMicro (Paolino)
Il blog elettrico di carloc (carloc)
DirtEYblooog (dirtydeeds)
Di tutto... un po' (jordan20)
AK47 (lillo)
Esperienze elettroniche (marco438)
Telecomunicazioni musicali (clavicordo)
Automazione ed Elettronica (gustavo)
Direttive per la sicurezza (ErnestoCappelletti)
EYnfo dall'Alaska (mir)
Apriamo il quadro! (attilio)
H7-25 (asdf)
Passione Elettrica (massimob)
Elettroni a spasso (guidob)
Bloguerra (guerra)


