Io non so se riuscirò a dargli un'occhiata ma credo dovresti riportare i codici dei programmi: il primo, che funziona (di quello in cui parti al 100% penso non importi nulla), e poi il terzo, quello che tu hai modificato e che potrebbe, "in concomitanza", essere causa del problema.
Saluti
Ponte H per motore DC 24V-20A
Moderatori:
carloc,
g.schgor,
BrunoValente,
IsidoroKZ
1
voti
Buongiorno ragazzi
i codici che io avevo fatto erano solo a scopo "test" per avviare i motori in base a mie specifiche esigenze (avanti indietro stop), quindi poche righe...
Successivamente ho utilizzato lo sketch vero e proprio.
Ruotando il potenziometro orario/antiorario, il motore cambia ovviamente il senso di marcia.
Il problema è che nelle inversioni di rotazione si sviluppano i ritorni di corrente che fanno danneggiare i BTN7960.
A me occorre un circuito di protezione che serva a dissipare le correnti di ritorno e quindi a "neutralizzarle"...
Da Arduino arrivano 3 fili:
ENABLE1 (pin 2 arduino)
ENABLE2 (pin 3 Arduino)
PWM (pin 10 Arduino)
Il mio circuito elettronico (vedi sotto) in fase di sperimentazione funziona così:
Se ENABLE1=0V e ENABLE2=5V, il PWM sarà splittato soltanto su IN1
Se ENABLE1=5V e ENABLE2=0V, il PWM sarà splittato soltanto su IN2
Il codice è il seguente:
i codici che io avevo fatto erano solo a scopo "test" per avviare i motori in base a mie specifiche esigenze (avanti indietro stop), quindi poche righe...
Successivamente ho utilizzato lo sketch vero e proprio.
Ruotando il potenziometro orario/antiorario, il motore cambia ovviamente il senso di marcia.
Il problema è che nelle inversioni di rotazione si sviluppano i ritorni di corrente che fanno danneggiare i BTN7960.
A me occorre un circuito di protezione che serva a dissipare le correnti di ritorno e quindi a "neutralizzarle"...
Da Arduino arrivano 3 fili:
ENABLE1 (pin 2 arduino)
ENABLE2 (pin 3 Arduino)
PWM (pin 10 Arduino)
Il mio circuito elettronico (vedi sotto) in fase di sperimentazione funziona così:
Se ENABLE1=0V e ENABLE2=5V, il PWM sarà splittato soltanto su IN1
Se ENABLE1=5V e ENABLE2=0V, il PWM sarà splittato soltanto su IN2
Il codice è il seguente:
- Codice: Seleziona tutto
/*
X-Sim PID
This program will control two motor H-Bridge with analogue feedback and serial target input value
Target is a Arduino UNO R3 but should work on all Arduino with Atmel 328, Arduinos with an FTDI serial chip need a change to lower baudrates of 57600
Copyright (c) 2013 Martin Wiedenbauer, particial use is only allowed with a reference link to the x-sim.de project
Command input protocol (always 5 bytes, beginning with 'X' character and ends with a XOR checksum)
'X' 1 H L C Set motor 1 position to High and Low value 0 to 1023
'X' 2 H L C Set motor 2 position to High and Low value 0 to 1023
'X' 3 H L C Set motor 1 P Proportional value to High and Low value
'X' 4 H L C Set motor 2 P Proportional value to High and Low value
'X' 5 H L C Set motor 1 I Integral value to High and Low value
'X' 6 H L C Set motor 2 I Integral value to High and Low value
'X' 7 H L C Set motor 1 D Derivative value to High and Low value
'X' 8 H L C Set motor 2 D Derivative value to High and Low value
'X' 200 0 0 C Send back over serial port both analogue feedback raw values
'X' 201 0 0 C Send back over serial port the current pid count
'X' 202 0 0 C Send back over serial port the firmware version (used for x-sim autodetection)
'X' 203 M V C Write EEPROM on address M (only 0 to 255 of 1024 Bytes of the EEPROM) with new value V
'X' 204 M 0 C Read EEPROM on memory address M (only 0 to 255 of 1024 Bytes of the EEPROM), send back over serial the value
'X' 205 0 0 C Clear EEPROM
'X' 206 0 0 C Reread the whole EEPRom and store settings into fitting variables
'X' 207 0 0 C Disable power on motor 1
'X' 208 0 0 C Disable power on motor 2
'X' 209 0 0 C Enable power on motor 1
'X' 210 0 0 C Enable power on motor 2
'X' 211 0 0 C Send all debug values
EEPROM memory map
00 empty eeprom detection, 111 if set, all other are indicator to set default
01-02 minimum 1
03-04 maximum 1
05 dead zone 1
06-07 minimum 2
08-09 maximum 2
10 dead zone 2
11-12 P component of motor 1
13-14 I component of motor 1
15-16 D component of motor 1
17-18 P component of motor 2
19-20 I component of motor 2
21-22 D component of motor 2
23 pwm1 offset
24 pwm2 offset
25 pwm1 maximum
26 pwm2 maximum
27 PWM frequency divider (1,8,64)
Pin out of arduino for H-Bridge
Pin 10 - PWM1 - Speed for Motor 1.
Pin 9 - PWM2 - Speed for Motor 2.
Pin 2 - INA1 - motor 1 turn
Pin 3 - INA2 - motor 1 turn
Pin 4 - INB1 - motor 2 turn
Pin 5 - INB2 - motor 2 turn
Analog Pins
Pin A0 - input of feedback positioning from motor 1
Pin A1 - input of feedback positioning from motor 2
As well 5v and GND pins tapped in to feed feedback pots too.
*/
#include <EEPROM.h>
//Some speed test switches for testers ;)
#define FASTADC 1 //Hack to speed up the arduino analogue read function, comment out with // to disable this hack
// defines for setting and clearing register bits
#ifndef cbi
#define cbi(sfr, bit) (_SFR_BYTE(sfr) &= ~_BV(bit))
#endif
#ifndef sbi
#define sbi(sfr, bit) (_SFR_BYTE(sfr) |= _BV(bit))
#endif
#define LOWBYTE(v) ((unsigned char) (v)) //Read
#define HIGHBYTE(v) ((unsigned char) (((unsigned int) (v)) >> 8))
#define BYTELOW(v) (*(((unsigned char *) (&v) + 1))) //Write
#define BYTEHIGH(v) (*((unsigned char *) (&v)))
#define GUARD_MOTOR_1_GAIN 100.0
#define GUARD_MOTOR_2_GAIN 100.0
//Firmware version info
int firmaware_version_mayor=1;
int firmware_version_minor =4;
//360� option for flight simulators
bool turn360motor1 = false;
bool turn360motor2 = false;
int virtualtarget1;
int virtualtarget2;
int currentanalogue1 = 0;
int currentanalogue2 = 0;
int target1=512;
int target2=512;
int low=0;
int high=0;
unsigned long hhigh=0;
unsigned long hlow=0;
unsigned long lhigh=0;
unsigned long llow=0;
int buffer=0;
int buffercount=-1;
int commandbuffer[5]={0};
unsigned long pidcount = 0; // unsigned 32bit, 0 to 4,294,967,295
byte errorcount = 0; // serial receive error detected by checksum
// fixed DATA for direct port manipulation, exchange here each value if your h-Bridge is connected to another port pin
// This pinning overview is to avoid the slow pin switching of the arduino libraries
//
// +-\/-+
// PC6 1| |28 PC5 (AI 5)
// (D 0) PD0 2| |27 PC4 (AI 4)
// (D 1) PD1 3| |26 PC3 (AI 3)
// (D 2) PD2 4| |25 PC2 (AI 2)
// PWM+ (D 3) PD3 5| |24 PC1 (AI 1)
// (D 4) PD4 6| |23 PC0 (AI 0)
// VCC 7| |22 GND
// GND 8| |21 AREF
// PB6 9| |20 AVCC
// PB7 10| |19 PB5 (D 13)
// PWM+ (D 5) PD5 11| |18 PB4 (D 12)
// PWM+ (D 6) PD6 12| |17 PB3 (D 11) PWM
// (D 7) PD7 13| |16 PB2 (D 10) PWM
// (D 8) PB0 14| |15 PB1 (D 9) PWM
// +----+
//
int portdstatus =PORTD; // read the current port D bit mask
int ControlPinM1Inp1 =2; // motor 1 INP1 output, this is the arduino pin description
int ControlPinM1Inp2 =3; // motor 1 INP2 output, this is the arduino pin description
int ControlPinM2Inp1 =4; // motor 2 INP1 output, this is the arduino pin description
int ControlPinM2Inp2 =5; // motor 2 INP2 output, this is the arduino pin description
int PWMPinM1 =10; // motor 1 PWM output
int PWMPinM2 =9; // motor 2 PWM output
// Pot feedback inputs
int FeedbackPin1 = A0; // select the input pin for the potentiometer 1, PC0
int FeedbackPin2 = A1; // select the input pin for the potentiometer 2, PC1
int FeedbackMax1 = 1021; // Maximum position of pot 1 to scale, do not use 1023 because it cannot control outside the pot range
int FeedbackMin1 = 2; // Minimum position of pot 1 to scale, do not use 0 because it cannot control outside the pot range
int FeedbackMax2 = 1021; // Maximum position of pot 2 to scale, do not use 1023 because it cannot control outside the pot range
int FeedbackMin2 = 2; // Minimum position of pot 2 to scale, do not use 0 because it cannot control outside the pot range
int FeedbackPotDeadZone1 = 0; // +/- of this value will not move the motor
int FeedbackPotDeadZone2 = 0; // +/- of this value will not move the motor
float quarter1 = 254.75;
float quarter2 = 254.75;
float threequarter1 = 764.25;
float threequarter2 = 764.25;
//PID variables
int motordirection1 = 0; // motor 1 move direction 0=brake, 1=forward, 2=reverse
int motordirection2 = 0; // motor 2 move direction 0=brake, 1=forward, 2=reverse
int oldmotordirection1 = 0;
int oldmotordirection2 = 0;
double K_motor_1 = 1;
double proportional1 = 4.200; //initial value
double integral1 = 0.400;
double derivative1 = 0.400;
double K_motor_2 = 1;
double proportional2 = 4.200;
double integral2 = 0.400;
double derivative2 = 0.400;
int OutputM1 = 0;
int OutputM2 = 0;
double integrated_motor_1_error = 0;
double integrated_motor_2_error = 0;
float last_motor_1_error = 0;
float last_motor_2_error = 0;
int disable = 1; //Motor stop flag
int pwm1offset = 50;
int pwm2offset = 50;
int pwm1maximum = 255;
int pwm2maximum = 255;
float pwm1divider = 0.8039;
float pwm2divider = 0.8039;
float pwmfloat = 0;
int pwmfrequencydivider = 1; //31kHz
byte debugbyte =0; //This values are for debug purpose and can be send via
int debuginteger =0; //the SendDebug serial 211 command to the X-Sim plugin
double debugdouble =0;
void setPwmFrequency(int pin, int divisor)
{
byte mode;
if(pin == 5 || pin == 6 || pin == 9 || pin == 10)
{
switch(divisor)
{
case 1: mode = 0x01; break;
case 8: mode = 0x02; break;
case 64: mode = 0x03; break;
case 256: mode = 0x04; break;
case 1024: mode = 0x05; break;
default: return;
}
if(pin == 5 || pin == 6)
{
TCCR0B = TCCR0B & 0b11111000 | mode;
}
else
{
TCCR1B = TCCR1B & 0b11111000 | mode;
}
}
else
{
if(pin == 3 || pin == 11)
{
switch(divisor)
{
case 1: mode = 0x01; break;
case 8: mode = 0x02; break;
case 32: mode = 0x03; break;
case 64: mode = 0x04; break;
case 128: mode = 0x05; break;
case 256: mode = 0x06; break;
case 1024: mode = 0x7; break;
default: return;
}
TCCR2B = TCCR2B & 0b11111000 | mode;
}
}
}
void setup()
{
//Serial.begin(115200); //Uncomment this for arduino UNO without ftdi serial chip
Serial.begin(9600); //Uncomment this for arduino nano, arduino with ftdi chip or arduino duemilanove
portdstatus=PORTD;
pinMode(ControlPinM1Inp1, OUTPUT);
pinMode(ControlPinM1Inp2, OUTPUT);
pinMode(ControlPinM2Inp1, OUTPUT);
pinMode(ControlPinM2Inp2, OUTPUT);
pinMode(PWMPinM1, OUTPUT);
pinMode(PWMPinM2, OUTPUT);
analogWrite(PWMPinM1, 0);
analogWrite(PWMPinM2, 0);
UnsetMotor1Inp1();
UnsetMotor1Inp2();
UnsetMotor2Inp1();
UnsetMotor2Inp2();
disable=1;
//TCCR1B = TCCR1B & 0b11111100; //This is a hack for changing the PWM frequency to a higher value, if removed it is 490Hz
setPwmFrequency(9, 1);
setPwmFrequency(10, 1);
#if FASTADC
// set analogue prescale to 16
sbi(ADCSRA,ADPS2) ;
cbi(ADCSRA,ADPS1) ;
cbi(ADCSRA,ADPS0) ;
#endif
}
void WriteEEPRomWord(int address, int intvalue)
{
int low,high;
high=intvalue/256;
low=intvalue-(256*high);
EEPROM.write(address,high);
EEPROM.write(address+1,low);
}
int ReadEEPRomWord(int address)
{
int low,high, returnvalue;
high=EEPROM.read(address);
low=EEPROM.read(address+1);
returnvalue=(high*256)+low;
return returnvalue;
}
void WriteEEProm()
{
EEPROM.write(0,111);
WriteEEPRomWord(1,FeedbackMin1);
WriteEEPRomWord(3,FeedbackMax1);
EEPROM.write(5,FeedbackPotDeadZone1);
WriteEEPRomWord(6,FeedbackMin2);
WriteEEPRomWord(8,FeedbackMax2);
EEPROM.write(10,FeedbackPotDeadZone2);
WriteEEPRomWord(11,int(proportional1*10.000));
WriteEEPRomWord(13,int(integral1*10.000));
WriteEEPRomWord(15,int(derivative1*10.000));
WriteEEPRomWord(17,int(proportional2*10.000));
WriteEEPRomWord(19,int(integral2*10.000));
WriteEEPRomWord(21,int(derivative2*10.000));
if(pwm1offset > 180 || pwm2offset > 180 || pwm1maximum < 200 || pwm2maximum < 200)
{
pwm1offset=50;
pwm2offset=50;
pwm1maximum=255;
pwm2maximum=255;
pwm1divider=0.8039;
pwm2divider=0.8039;
}
EEPROM.write(23,pwm1offset);
EEPROM.write(24,pwm2offset);
EEPROM.write(25,pwm1maximum);
EEPROM.write(26,pwm2maximum);
if(pwmfrequencydivider != 1 && pwmfrequencydivider != 8)
{
pwmfrequencydivider=1;
}
EEPROM.write(27,pwmfrequencydivider);
}
void ReadEEProm()
{
int evalue = EEPROM.read(0);
if(evalue != 111) //EEProm was not set before, set default values
{
WriteEEProm();
return;
}
FeedbackMin1=ReadEEPRomWord(1);
FeedbackMax1=ReadEEPRomWord(3);
FeedbackPotDeadZone1=EEPROM.read(5);
FeedbackMin2=ReadEEPRomWord(6);
FeedbackMax2=ReadEEPRomWord(8);
FeedbackPotDeadZone2=EEPROM.read(10);
proportional1=double(ReadEEPRomWord(11))/10.000;
integral1=double(ReadEEPRomWord(13))/10.000;
derivative1=double(ReadEEPRomWord(15))/10.000;
proportional2=double(ReadEEPRomWord(17))/10.000;
integral2=double(ReadEEPRomWord(19))/10.000;
derivative2=double(ReadEEPRomWord(21))/10.000;
pwm1offset=EEPROM.read(23);
pwm2offset=EEPROM.read(24);
pwm1maximum=EEPROM.read(25);
pwm2maximum=EEPROM.read(26);
if(pwm1offset > 180 || pwm2offset > 180 || pwm1maximum < 200 || pwm2maximum < 200)
{
pwm1offset=50;
pwm2offset=50;
pwm1maximum=255;
pwm2maximum=255;
pwm1divider=0.8039;
pwm2divider=0.8039;
EEPROM.write(23,pwm1offset);
EEPROM.write(24,pwm2offset);
EEPROM.write(25,pwm1maximum);
EEPROM.write(26,pwm2maximum);
}
else
{
pwmfloat=float(pwm1maximum-pwm1offset);
pwm1divider=pwmfloat/255.000;
pwmfloat=float(pwm2maximum-pwm2offset);
pwm2divider=pwmfloat/255.000;
}
pwmfrequencydivider=EEPROM.read(27);
if(pwmfrequencydivider != 1 && pwmfrequencydivider != 8)
{
pwmfrequencydivider=1;
EEPROM.write(27,pwmfrequencydivider);
}
quarter1=float(FeedbackMax1-FeedbackMin1)/4.000;
quarter2=float(FeedbackMax2-FeedbackMin2)/4.000;
threequarter1=quarter1*3.000;
threequarter2=quarter1*3.000;
setPwmFrequency(9, pwmfrequencydivider);
setPwmFrequency(10, pwmfrequencydivider);
}
void SendAnalogueFeedback(int analogue1, int analogue2)
{
high=analogue1/256;
low=analogue1-(high*256);
Serial.write('X');
Serial.write(200);
Serial.write(high);
Serial.write(low);
high=analogue2/256;
low=analogue2-(high*256);
Serial.write(high);
Serial.write(low);
}
void SendPidCount()
{
unsigned long value=pidcount;
hhigh=value/16777216;
value=value-(hhigh*16777216);
hlow=value/65536;
value=value-(hlow*65536);
lhigh=value/256;
llow=value-(lhigh*256);
Serial.write('X');
Serial.write(201);
Serial.write(int(hhigh));
Serial.write(int(hlow));
Serial.write(int(lhigh));
Serial.write(int(llow));
Serial.write(errorcount);
}
void SendDebugValues()
{
//The double is transformed into a integer * 10 !!!
int doubletransfere=int(double(debugdouble*10.000));
Serial.write('X');
Serial.write(211);
Serial.write(debugbyte);
Serial.write(HIGHBYTE(debuginteger));
Serial.write(LOWBYTE(debuginteger));
Serial.write(HIGHBYTE(doubletransfere));
Serial.write(LOWBYTE(doubletransfere));
}
void SendFirmwareVersion()
{
Serial.write('X');
Serial.write('-');
Serial.write('P');
Serial.write('I');
Serial.write('D');
Serial.write(' ');
Serial.write(48+firmaware_version_mayor);
Serial.write('.');
Serial.write(48+firmware_version_minor);
}
void EEPromToSerial(int eeprom_address)
{
int retvalue=EEPROM.read(eeprom_address);
Serial.write('X');
Serial.write(204);
Serial.write(retvalue);
}
void ClearEEProm()
{
for(int z=0; z < 1024; z++)
{
EEPROM.write(z,255);
}
}
void ParseCommand()
{
if(commandbuffer[0]==1) //Set motor 1 position to High and Low value 0 to 1023
{
target1=(commandbuffer[1]*256)+commandbuffer[2];
disable=0;
return;
}
if(commandbuffer[0]==2) //Set motor 2 position to High and Low value 0 to 1023
{
target2=(commandbuffer[1]*256)+commandbuffer[2];
disable=0;
return;
}
if(commandbuffer[0]==200) //Send both analogue feedback raw values
{
SendAnalogueFeedback(currentanalogue1, currentanalogue2);
return;
}
if(commandbuffer[0]==201) //Send PID count
{
SendPidCount();
return;
}
if(commandbuffer[0]==202) //Send Firmware Version
{
SendFirmwareVersion();
return;
}
if(commandbuffer[0]==203) //Write EEPROM
{
EEPROM.write(commandbuffer[1],uint8_t(commandbuffer[2]));
return;
}
if(commandbuffer[0]==204) //Read EEPROM
{
EEPromToSerial(commandbuffer[1]);
return;
}
if(commandbuffer[0]==205) //Clear EEPROM
{
ClearEEProm();
return;
}
if(commandbuffer[0]==206) //Reread the whole EEPRom and store settings into fitting variables
{
ReadEEProm();
return;
}
if(commandbuffer[0]==207 || commandbuffer[0]==208) //Disable power on both motor
{
analogWrite(PWMPinM1, 0);
UnsetMotor1Inp1();
UnsetMotor1Inp2();
analogWrite(PWMPinM2, 0);
UnsetMotor2Inp1();
UnsetMotor2Inp2();
disable=1;
return;
}
if(commandbuffer[0]==209 || commandbuffer[0]==210) //Enable power on both motor
{
analogWrite(PWMPinM1, 128);
UnsetMotor1Inp1();
UnsetMotor1Inp2();
analogWrite(PWMPinM2, 128);
UnsetMotor2Inp1();
UnsetMotor2Inp2();
disable=0;
return;
}
if(commandbuffer[0]==211) //Send all debug values
{
SendDebugValues();
return;
}
}
void FeedbackPotWorker()
{
currentanalogue1 = analogRead(FeedbackPin1);
currentanalogue2 = analogRead(FeedbackPin2);
//Notice: Minimum and maximum scaling calculation is done in the PC plugin with faster float support
}
bool CheckChecksum() //Atmel chips have a comport error rate of 2%, so we need here a checksum
{
byte checksum=0;
for(int z=0; z < 3; z++)
{
byte val=commandbuffer[z];
checksum ^= val;
}
if(checksum==commandbuffer[3]){return true;}
return false;
}
void SerialWorker()
{
while(Serial.available())
{
if(buffercount==-1)
{
buffer = Serial.read();
if(buffer != 'X'){buffercount=-1;}else{buffercount=0;}
}
else
{
buffer = Serial.read();
commandbuffer[buffercount]=buffer;
buffercount++;
if(buffercount > 3)
{
if(CheckChecksum()==true){ParseCommand();}else{errorcount++;}
buffercount=-1;
}
}
}
}
void CalculateVirtualTarget()
{
if(turn360motor1==true)
{
virtualtarget1=target1;
if(currentanalogue1 > int(threequarter1) && target1 < int(quarter1)){virtualtarget1+=FeedbackMax1;}
else{if(currentanalogue1 < int(quarter1) && target1 > int(threequarter1)){virtualtarget1=0-FeedbackMax1-target1;}}
}
else
{
virtualtarget1=target1;
}
if(turn360motor2==true)
{
virtualtarget2=target2;
if(currentanalogue2 > int(threequarter2) && target2 < int(quarter2)){virtualtarget2+=FeedbackMax2;}
else{if(currentanalogue2 < int(quarter2) && target2 > int(threequarter2)){virtualtarget2=0-FeedbackMax2-target2;}}
}
else
{
virtualtarget2=target2;
}
}
void CalculateMotorDirection()
{
if(virtualtarget1 > (currentanalogue1 + FeedbackPotDeadZone1) || virtualtarget1 < (currentanalogue1 - FeedbackPotDeadZone1))
{
if (OutputM1 >= 0)
{
motordirection1=1; // drive motor 1 forward
}
else
{
motordirection1=2; // drive motor 1 backward
OutputM1 = abs(OutputM1);
}
}
else
{
motordirection1=0;
}
if(virtualtarget2 > (currentanalogue2 + FeedbackPotDeadZone2) || virtualtarget2 < (currentanalogue2 - FeedbackPotDeadZone2))
{
if (OutputM2 >= 0)
{
motordirection2=1; // drive motor 2 forward
}
else
{
motordirection2=2; // drive motor 2 backward
OutputM2 = abs(OutputM2);
}
}
else
{
motordirection2=0;
}
OutputM1 = constrain(OutputM1, -255, 255);
OutputM2 = constrain(OutputM2, -255, 255);
}
int updateMotor1Pid(int targetPosition, int currentPosition)
{
float error = (float)targetPosition - (float)currentPosition;
float pTerm_motor_R = proportional1 * error;
integrated_motor_1_error += error;
float iTerm_motor_R = integral1 * constrain(integrated_motor_1_error, -GUARD_MOTOR_1_GAIN, GUARD_MOTOR_1_GAIN);
float dTerm_motor_R = derivative1 * (error - last_motor_1_error);
last_motor_1_error = error;
return constrain(K_motor_1*(pTerm_motor_R + iTerm_motor_R + dTerm_motor_R), -255, 255);
}
int updateMotor2Pid(int targetPosition, int currentPosition)
{
float error = (float)targetPosition - (float)currentPosition;
float pTerm_motor_L = proportional2 * error;
integrated_motor_2_error += error;
float iTerm_motor_L = integral2 * constrain(integrated_motor_2_error, -GUARD_MOTOR_2_GAIN, GUARD_MOTOR_2_GAIN);
float dTerm_motor_L = derivative2 * (error - last_motor_2_error);
last_motor_2_error = error;
return constrain(K_motor_2*(pTerm_motor_L + iTerm_motor_L + dTerm_motor_L), -255, 255);
}
void CalculatePID()
{
OutputM1=updateMotor1Pid(virtualtarget1,currentanalogue1);
OutputM2=updateMotor2Pid(virtualtarget2,currentanalogue2);
}
void SetPWM()
{
//Calculate PWM offset and maximum
pwmfloat=OutputM1;
pwmfloat*=pwm1divider;
pwmfloat+=float(pwm1offset);
OutputM1=pwmfloat;
if(OutputM1 > pwm1maximum){OutputM1=pwm1maximum;}
pwmfloat=OutputM2;
pwmfloat*=pwm2divider;
pwmfloat+=float(pwm2offset);
OutputM2=pwmfloat;
if(OutputM2 > pwm2maximum){OutputM2=pwm2maximum;}
//Set hardware PWM
if(motordirection1 != 0)
{
analogWrite(PWMPinM1, int(OutputM1));
}
else
{
analogWrite(PWMPinM1, 0);
}
if(motordirection2 != 0)
{
analogWrite(PWMPinM2, int(OutputM2));
}
else
{
analogWrite(PWMPinM2, 0);
}
}
//Direct port manipulation, change here your port code
void SetMotor1Inp1()
{
portdstatus |= 1 << ControlPinM1Inp1;
PORTD = portdstatus;
}
void UnsetMotor1Inp1()
{
portdstatus &= ~(1 << ControlPinM1Inp1);
PORTD = portdstatus;
}
void SetMotor1Inp2()
{
portdstatus |= 1 << ControlPinM1Inp2;
PORTD = portdstatus;
}
void UnsetMotor1Inp2()
{
portdstatus &= ~(1 << ControlPinM1Inp2);
PORTD = portdstatus;
}
void SetMotor2Inp1()
{
portdstatus |= 1 << ControlPinM2Inp1;
PORTD = portdstatus;
}
void UnsetMotor2Inp1()
{
portdstatus &= ~(1 << ControlPinM2Inp1);
PORTD = portdstatus;
}
void SetMotor2Inp2()
{
portdstatus |= 1 << ControlPinM2Inp2;
PORTD = portdstatus;
}
void UnsetMotor2Inp2()
{
portdstatus &= ~(1 << ControlPinM2Inp2);
PORTD = portdstatus;
}
void SetHBridgeControl() //With direct port manipulation for speedup the arduino framework!
{
//Motor 1
if(motordirection1 != oldmotordirection1)
{
if(motordirection1 != 0)
{
if(motordirection1 == 1)
{
SetMotor1Inp1();
UnsetMotor1Inp2();
}
else
{
UnsetMotor1Inp1();
SetMotor1Inp2();
}
}
else
{
UnsetMotor1Inp1();
UnsetMotor1Inp2();
}
oldmotordirection1=motordirection1;
}
//Motor 2
if(motordirection2 != oldmotordirection2)
{
if(motordirection2 != 0)
{
if(motordirection2 == 1)
{
SetMotor2Inp1();
UnsetMotor2Inp2();
}
else
{
UnsetMotor2Inp1();
SetMotor2Inp2();
}
}
else
{
UnsetMotor2Inp1();
UnsetMotor2Inp2();
}
oldmotordirection2=motordirection2;
}
}
void loop()
{
//Read all stored PID and Feedback settings
ReadEEProm();
//Program loop
while (1==1) //Important hack: Use this own real time loop code without arduino framework delays
{
FeedbackPotWorker();
SerialWorker();
CalculateVirtualTarget();
CalculatePID();
CalculateMotorDirection();
if(disable==0)
{
SetPWM();
SetHBridgeControl();
}
pidcount++;
}
}
- Allegati
Ultima modifica di
marcosystem il 24 ago 2017, 11:54, modificato 3 volte in totale.
-

marcosystem
52 6 - Frequentatore

- Messaggi: 142
- Iscritto il: 15 ago 2017, 14:16
0
voti
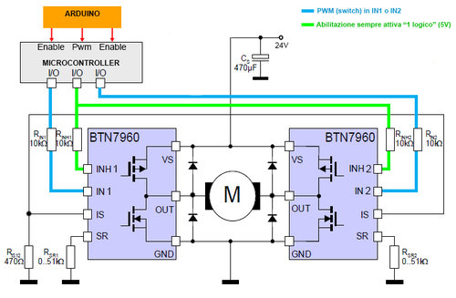
Nello schema c'è un quarto filo di protezione
Quale sarebbe il 4° filo?..
Lo sketch è stato previsto per pilotare fino a 2 motori, quindi da Arduino escono n° 6 fili di comando:
MOTORE 1
ENABLE1, ENABLE2, PWM (pin 2,3,9)
MOTORE 2
ENABLE1, ENABLE2, PWM (pin 4,5,10)
-

marcosystem
52 6 - Frequentatore

- Messaggi: 142
- Iscritto il: 15 ago 2017, 14:16
1
voti
SCusate, mi ero spiegato male.
Lo schema precedente è lo schema presente nel datasheet del BTN7960 e da me poi leggermente modificato per comprendere il principio di funzionamento.
Quindi in quello schema non è incluso Arduino. Il controller dello schema (datasheet) non lo sto utilizzando.
Io utilizzo un normalissimo PIC che mi serve a ricevere i 3 fili da Arduino (enalbe, enable, PWM) e a trasferirli sui BTN rispettando le logiche dei segnali.
Eccovi lo schema piu chiaro
Lo schema precedente è lo schema presente nel datasheet del BTN7960 e da me poi leggermente modificato per comprendere il principio di funzionamento.
Quindi in quello schema non è incluso Arduino. Il controller dello schema (datasheet) non lo sto utilizzando.
Io utilizzo un normalissimo PIC che mi serve a ricevere i 3 fili da Arduino (enalbe, enable, PWM) e a trasferirli sui BTN rispettando le logiche dei segnali.
Eccovi lo schema piu chiaro
-

marcosystem
52 6 - Frequentatore

- Messaggi: 142
- Iscritto il: 15 ago 2017, 14:16
0
voti
Il circuito funziona correttamente.
L'unico problema è dato dai ritorni di corrente causate dalle inversioni dei sensi di rotazione dei motori.
L'unico problema è dato dai ritorni di corrente causate dalle inversioni dei sensi di rotazione dei motori.
-

marcosystem
52 6 - Frequentatore

- Messaggi: 142
- Iscritto il: 15 ago 2017, 14:16
0
voti
Altro dubbio... che accade se con lo sketch che inverte il senso di rotazione (quello definitivo) la resistenza del potenziometro diviene infinita ? (cursore che "salta"... ).

"Non farei mai parte di un club che accettasse la mia iscrizione" (G. Marx)
-

claudiocedrone
21,3k 4 7 9 - Master EY

- Messaggi: 15300
- Iscritto il: 18 gen 2012, 13:36
0
voti
Ciao Claudio,
praticamente i primi due sketch che avevo fatto (poche righe ....) facevano fare al motore:
1°SKETCH
il motore iniziava pian piano a ruotare fino ad arrivare alla massima velocità e poi rallentava piano piano fino a fermarsi. Tra un'inversione e l'altra c'era una pausa di 200ms.
Risultato: i BTN freddi e nessun problema riscontrato.
2°SKETCH
il motore partiva subito dalla massima velocità e si arrestava immediatamente senza nessuna decelerazione. Tra un'inversione e l'altra c'era una pausa di 200ms.
Risultato: i BTN freddi e nessun problema riscontrato.
SKETCH ORIGINALE
Se invece al motore faccio compiere delle inversioni veloci (il motore ruota fino ad un massimo di 3000 giri/m), dopo pochi istanti... almeno un BTN scalda parecchio e va in corto circuito.
Praticamentre succede questo: se il motore ruota in un qualsiasi verso...e gli arriva improvvisamente un comando di inversione...il motore "dovrebbe" nel tempo di pochi millisecondi invertire la marcia.
Invece nell'attimo in cui gli arriva il PWM per farlo ruotare nel verso opposto...lui sta ancora effettuando la decelerazione.
Immaginate di correre a piedi alla massima velocità e qualcuno vi dice di invertire la marcia immediatamente... Impossibile, perché intercorre una decelerazione...
Premessa: i BTN sono raffreddati da apposito dissipatore e ventola.
Come diodi di ricircolo ho inserito 4 Transil.
se porto il cursore al massimo, il PWM è 100% e il motore ruota alla massima velocità.
praticamente i primi due sketch che avevo fatto (poche righe ....) facevano fare al motore:
1°SKETCH
il motore iniziava pian piano a ruotare fino ad arrivare alla massima velocità e poi rallentava piano piano fino a fermarsi. Tra un'inversione e l'altra c'era una pausa di 200ms.
Risultato: i BTN freddi e nessun problema riscontrato.
2°SKETCH
il motore partiva subito dalla massima velocità e si arrestava immediatamente senza nessuna decelerazione. Tra un'inversione e l'altra c'era una pausa di 200ms.
Risultato: i BTN freddi e nessun problema riscontrato.
SKETCH ORIGINALE
Se invece al motore faccio compiere delle inversioni veloci (il motore ruota fino ad un massimo di 3000 giri/m), dopo pochi istanti... almeno un BTN scalda parecchio e va in corto circuito.
Praticamentre succede questo: se il motore ruota in un qualsiasi verso...e gli arriva improvvisamente un comando di inversione...il motore "dovrebbe" nel tempo di pochi millisecondi invertire la marcia.
Invece nell'attimo in cui gli arriva il PWM per farlo ruotare nel verso opposto...lui sta ancora effettuando la decelerazione.
Immaginate di correre a piedi alla massima velocità e qualcuno vi dice di invertire la marcia immediatamente... Impossibile, perché intercorre una decelerazione...
Premessa: i BTN sono raffreddati da apposito dissipatore e ventola.
...Non può essere che per caso i diodi di ricircolo sono troppo "lenti" (TRR troppo elevato per l'applicazione)?
Come diodi di ricircolo ho inserito 4 Transil.
...che accade se con lo sketch che inverte il senso di rotazione (quello definitivo) la resistenza del potenziometro diviene infinita ? (cursore che "salta"... )
se porto il cursore al massimo, il PWM è 100% e il motore ruota alla massima velocità.
-

marcosystem
52 6 - Frequentatore

- Messaggi: 142
- Iscritto il: 15 ago 2017, 14:16
Chi c’è in linea
Visitano il forum: Nessuno e 37 ospiti

Elettrotecnica e non solo (admin)
Un gatto tra gli elettroni (IsidoroKZ)
Esperienza e simulazioni (g.schgor)
Moleskine di un idraulico (RenzoDF)
Il Blog di ElectroYou (webmaster)
Idee microcontrollate (TardoFreak)
PICcoli grandi PICMicro (Paolino)
Il blog elettrico di carloc (carloc)
DirtEYblooog (dirtydeeds)
Di tutto... un po' (jordan20)
AK47 (lillo)
Esperienze elettroniche (marco438)
Telecomunicazioni musicali (clavicordo)
Automazione ed Elettronica (gustavo)
Direttive per la sicurezza (ErnestoCappelletti)
EYnfo dall'Alaska (mir)
Apriamo il quadro! (attilio)
H7-25 (asdf)
Passione Elettrica (massimob)
Elettroni a spasso (guidob)
Bloguerra (guerra)


