Cos'è ElectroYou | Login Iscriviti

ElectroYou - la comunità dei professionisti del mondo elettrico

Ponte H per motore DC 24V-20A

Elettronica lineare e digitale: didattica ed applicazioni

Moderatori: Foto Utentecarloc, Foto Utenteg.schgor, Foto UtenteBrunoValente, Foto UtenteIsidoroKZ

0
voti

[31] Re: Ponte H per motore DC 24V-20A

Messaggioda Foto Utentemarcosystem » 27 ago 2017, 14:40

Grazie ecotan per il tuo sostegno.
Proverò la soluzione della "induttanza".
Claudiocedrone...non ho agito come se qui ci fossero divinità, bensì di gente preparata.
Se questo forum è fatto solo per scambiarsi opinioni senza poter chiedere "aiuto"..allora ho sbagliato ad approfittare delle vostre competenze, ma come tutti i forum...credo che anche questo sia nato anche per "RISOLVERE" i problemi dei meno esperti.
Non ho certo chiesto lo schema elettronico per costruire una "MACCHINA DEL TEMPO".... [-X
Scusate la mia ironia, ho voluto sdrammatizzare un po la cosa.
Avatar utente
Foto Utentemarcosystem
52 6
Frequentatore
Frequentatore
 
Messaggi: 142
Iscritto il: 15 ago 2017, 14:16

1
voti

[32] Re: Ponte H per motore DC 24V-20A

Messaggioda Foto Utentedavidde » 27 ago 2017, 16:23

Ciao a tutti,
effettivamente, come ti è stato già detto mancano parecchi dati e se non li dai tu non ti si riesce ad aiutare.

1- Indicativamente qual è il tempo di inversione minimo che puoi accettare per il motore? Serve sapere un tempo tanto per farsi un'idea di che cosa si stia parlando.

2- Il motore ha un carico applicato o gira "a vuoto"?

3- Come alimenti il ponte? Con una batteria? Se si, ci dai i suoi dati?
Altrimenti se usi un alimentatore ci dai la sigla del modello?

4- Hai la possibilità di mettere la fotografia del circuito?

5- Hai un oscilloscopio?

marcosystem ha scritto:Ne sono sicuro perche ho misurato (durante l'arresto del motore) con un amperometro la corrente sui morsetti di alimentazione del ponte H...e ho misurato extratensioni di 40V e correnti di circa 50A.


Come hai fatto queste misure, se le hai fatte con un tester o con degli strumenti analogici non penso siano misure affidabili ma se sono state fatte a modo e rilevi una sovratensione di 40V i BTN probabilmente si trovano ad essere alimentati con una tensione troppo elevata (il limite è 45V) e potrebbero rompersi per quello. Se non sbaglio anche questo era già stato detto.
Io non sono affatto esperto di queste cose ma mi viene da pensare che nel momento in cui i mosfet del ponte si aprono e il motore per inerzia continua a girare comportandosi da generatore i diodi di protezione entrino in conduzione. A quel punto ai capi del ponte ci dev'essere qualcosa capace di assorbire velocemente l'energia generata dal motore altrimenti la tensione di alimentazione sale fino danneggiare i BTN. Quel condensatore da 1000µF potrebbe non essere sufficiente.

Non ho capito una cosa: se fai "avanti e indietro" velocemente con il potenziometro i BTN si danneggiano alla prima inversione o dopo qualche ciclo di inversione per surriscaldamento?
Avatar utente
Foto Utentedavidde
13,3k 4 9 12
G.Master EY
G.Master EY
 
Messaggi: 4026
Iscritto il: 2 ago 2007, 11:40
Località: Bologna

2
voti

[33] Re: Ponte H per motore DC 24V-20A

Messaggioda Foto UtenteWALTERmwp » 27 ago 2017, 18:46

In questo thread s'è verificato quello che accade spesso: lo OP chiede la soluzione di un problema, non sa come fare ma indica causa e rimedio escludendo così, a priori, informazioni che invece potrebbero essere rilevanti.

@marcosystem, io non sono in condizione d'escludere la conclusione della tua "analisi", magari è proprio e solo come scrivi tu, ma le variabili e le incertezze sono diverse.
Ti sei prodigato nell'insistere sulle conseguenze dell'inversione ma poi scopro al [17], dopo altre correzzioni (non è un problema, si rettifica) che oltre ad Arduino c'è di mezzo un altro microcontrollore.
Magari questo non cambia nulla, non lo so, ma mi sembra un'omissione rilevante.

Le informazioni sono fondamentali, vengono richieste per poter aiutare chi chiede aiuto: chi prova a dare una risposta lo fa dedicandovi del tempo, e questa disponibilità merita attenzione altrimenti accade che "altri" utenti si disinteressano.

E' per questo che si "insiste" mica per essere noiosi.
Se si può si risolve, a partire dalla condivisione, poi, l'ironia, non è un problema, la dispersione è invece controproducente.

Saluti
W - U.H.F.
Avatar utente
Foto UtenteWALTERmwp
30,2k 4 8 13
G.Master EY
G.Master EY
 
Messaggi: 8982
Iscritto il: 17 lug 2010, 18:42
Località: le 4 del mattino

1
voti

[34] Re: Ponte H per motore DC 24V-20A

Messaggioda Foto Utentemarcosystem » 27 ago 2017, 19:04

Ciao walter condivido tutto cio che hai scritto a proposito della mia richiesta di aiuto. Questo è il mio primo thread e ho scelto questo forum perche avevo gia letto i vostri interventi e so che si puo contare sulla vostra professionalità.
E come disse il grande Papa Wojtyla...se sbaglio "correggetemi" :D

Ciao davidde e grazie per il sostegno.
Ho cercato di inserire quanti piu elementi disponibili ma sono nuovo su questo forum e non so neppurr usare fidocad (ho dovuto impararlo in poche ore per allegarvi lo schema di massima dei BTN che sto usando.
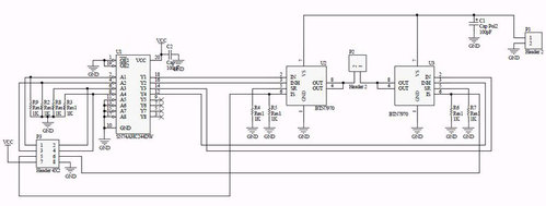
Come gia accennato, lo schema logico a monte è formato solo da un integrato (74AHC244) "buffer driver" su cui in ingresso arrivano i 3 fili da arduino (PWM, enable1, enable2) e in uscita li trasmette direttamente ai BTN come mostrato nello schema del post [17].
In allegato lo schema di base che ho preso come spunto di inizio (h-bridge IBT2) sul quale ho inserito alcuni elementi passivi (resistenze, diodi, condensatori) come nel post [17].

RISPOSTE
1) tempo inversione minimo motore 50-100 millisecondi
2) il motoriduttore attualmente è stato solo provato senza carico sul banco, non so se col carico applicato (80kg) i problemi possano diminuire o no
3) alimento il ponte con un alimentatore stabilizzato preso su ebay "24 V 40A" (vedi foto allegata).
4) il circuito che sto testando è come quello allegato ma con qualche correzione come nel post [17].
5) si ho un oscilloscopio digitale Tektronix

Per quando concerne i limiti dei BTN7960, nel datasheet non si capisce molto bene il valore massimo di tensione applicabile.
In una riga è dichiarato che il valore di tensione è di 8-18v, in altra riga 0,3-45v, in altra riga 5,5-28v.

Bravissimooo hai perfettamente centrato il problema. Nel momento in cui i mosfet si aprono...il motore per inerzia continua a girare comportandosi da generatore.
Occorre quindi qualcosa che assorba velocemente l'energia generata dal motore.
I BTN si danneggiano dopo circa 2-3secondi, quindi alle prime inversioni del motore.
Allegati
Screenshot_2017-08-27-18-22-43.png
gu.jpg
Avatar utente
Foto Utentemarcosystem
52 6
Frequentatore
Frequentatore
 
Messaggi: 142
Iscritto il: 15 ago 2017, 14:16

1
voti

[35] Re: Ponte H per motore DC 24V-20A

Messaggioda Foto Utentedavidde » 27 ago 2017, 19:40

Ok, capito.

Per la tensione massima di alimentazione io farei riferimento agli "absolute maximum ratings" che fissano il limite massimo a 45V.

marcosystem ha scritto:1) tempo inversione minimo motore 50-100 millisecondi
2) il motoriduttore attualmente è stato solo provato senza carico sul banco, non so se col carico applicato (80kg) i problemi possano diminuire o no


E', non credo proprio che i problemi diminuiranno aumentando l'inerzia e così ad occhio per me anche il riduttore avrà dei seri problemi.

marcosystem ha scritto:Occorre quindi qualcosa che assorba velocemente l'energia generata dal motore.


O la dissipi o la immagazzini, io proverei prima ad immagazzinarla ma ancora prima cercherei di capire se il problema è realmente dovuto all'aumento della tensione di alimentazione.
Io, con l'oscilloscopio, proverei a vedere cosa succede alla tensione nel momento dell'inversione, quindi sonda su Vs e pinza sul GND collegate vicino al BTN non ai capi dell'alimentatore.
Avii il motore in un verso e quando è a regime fai l'inversione. Qualcosa sull'alimentazione dovrebbe vedersi e se riesci a memorizzare il segnale per poi postarcelo tanto meglio.

marcosystem ha scritto:I BTN si danneggiano dopo circa 2-3secondi, quindi alle prime inversioni del motore.


Non capisco bene, in 2-3 secondi quante inversioni dovrebbe fare quel povero motore ? :-)
Avatar utente
Foto Utentedavidde
13,3k 4 9 12
G.Master EY
G.Master EY
 
Messaggi: 4026
Iscritto il: 2 ago 2007, 11:40
Località: Bologna

0
voti

[36] Re: Ponte H per motore DC 24V-20A

Messaggioda Foto Utentemarcosystem » 27 ago 2017, 22:40

Quindi i BTN possono funzionare fino ad un massimo di 45V?...

Per il carico da 80Kg... tu pensi che l'inerzia aumeta e sarebbe piu critico tutto?
Io invece stavo pensando che appunto, sicome il motore avrebbe un peso da 80kg da spostare... il motore non avrebbe gli spunti di partenza perché sarebbe appunto "frenato" dal carico posto sopra ad esso...
Invece sul banco è libero di ruotare e quindi diventa un po troppo vivace...
Cosa ne pensi?

O la dissipi o la immagazzini

Si ottimo suggerimento :ok:

Per le sovratensioni ho risolto gia con i soppressori...
Collegando l'oscilloscopio ai capi dei BTN misuravo 24 V, ma nel momento in cui fermavo improvvisamente il motore (tramite PWM...) i picchi arrivavano a circa 40V ma adesso si mantengono a circa 24 V.
Non sono riuscito a memorizzare sull'attimo il picco sull'oscilloscopio.. ma ho visto un bel picco alto oltre i 24 V (divisioni di 5V ogni quadrante, il picco arrivava a circa 8 quadranti).

In 2-3 secondi (ovviamente è sempre un tempo fittizio perché il motore ruota in base alla telemetria che arriva dal computer durante la corsa), il motore potrebbe fare 1, 2, o circa 6 invesioni...
Comunque ho notato che quasi sempre, alla prima inversione di marcia...si brucia un BTN.
Sulle inversioni piu lente...i BTN reggono... ma quando si porta la velocità ai giusti regimi...salta uno dei BTN.
Quindi l'unico parametro che rimane è la corrente...

Dissipare in che modo?
Immagazzinare in che modo?


Grazie mille :-)
Avatar utente
Foto Utentemarcosystem
52 6
Frequentatore
Frequentatore
 
Messaggi: 142
Iscritto il: 15 ago 2017, 14:16

1
voti

[37] Re: Ponte H per motore DC 24V-20A

Messaggioda Foto Utentedavidde » 28 ago 2017, 0:10

marcosystem ha scritto:Quindi i BTN possono funzionare fino ad un massimo di 45V?...


Quello è un valore da non superare altrimenti il componente si guasta di sicuro. Io, in via cautelativa, non andrei oltre i 35V.

marcosystem ha scritto:Per il carico da 80Kg... tu pensi che l'inerzia aumeta e sarebbe piu critico tutto?
Io invece stavo pensando che appunto, sicome il motore avrebbe un peso da 80kg da spostare... il motore non avrebbe gli spunti di partenza perché sarebbe appunto "frenato" dal carico posto sopra ad esso...
Invece sul banco è libero di ruotare e quindi diventa un po troppo vivace...
Cosa ne pensi?


Quello che dici è sicuramente vero ma l'altro lato della medaglia è che le correnti in gioco saranno ben più alte e solitamente i problemi vanno di pari passo con la corrente. Ho paura che i BTN siano sottodimensionati per quello che vorresti farci tu.

marcosystem ha scritto:Per le sovratensioni ho risolto gia con i soppressori...
Collegando l'oscilloscopio ai capi dei BTN misuravo 24 V, ma nel momento in cui fermavo improvvisamente il motore (tramite PWM...) i picchi arrivavano a circa 40V ma adesso si mantengono a circa 24 V.
Non sono riuscito a memorizzare sull'attimo il picco sull'oscilloscopio.. ma ho visto un bel picco alto oltre i 24 V (divisioni di 5 V ogni quadrante, il picco arrivava a circa 8 quadranti).


Sei sicuro di averli eliminati? Bastano picchi anche molto stretti per danneggiare i mosfet, magari così "al volo" non li vedi nemmeno. Dovresti impostare il trigger sull'oscilloscopio ad esempio a 35V e fargli registrare il segnale nel momento in cui quella soglia viene superata (ammesso che venga superata ovviamente).
Ma poi non ho capito una cosa, un bel condensatore collegato direttamente sull'alimentazione del ponte ce l'hai? E' importante. Con questo genere di problemi diventa fondamentale anche il montaggio.

marcosystem ha scritto:In 2-3 secondi (ovviamente è sempre un tempo fittizio perché il motore ruota in base alla telemetria che arriva dal computer durante la corsa), il motore potrebbe fare 1, 2, o circa 6 invesioni...
Comunque ho notato che quasi sempre, alla prima inversione di marcia...si brucia un BTN.
Sulle inversioni piu lente...i BTN reggono... ma quando si porta la velocità ai giusti regimi...salta uno dei BTN.
Quindi l'unico parametro che rimane è la corrente...


Ma tu il motore lo lasci libero di decelerare, giusto?
Se i mosfet dei BTN reggono (ne dubito) potresti provare a cortocircuitare il motore cambiando la gestione del ponte e facendo in modo che quando il potenziometro sia a metà della corsa uno dei mosfet resti chiuso in modo che la corrente possa circolare tra lui e il diodo sul ramo opposto. In questo modo l'energia immagazzinata nel motore dovrebbe dissiparsi sul motore stesso facendolo frenare bruscamente:



Per evitare di danneggiare un BTN ad ogni prova potresti mettere un mosfet molto più robusto in parallelo a quello del ponte che andrai a chiudere con un comando dedicato. Il discorso è speculare, per l'altro senso di rotazione serve un mosfet dall'altra parte...

Questa è soltanto un'idea da valutare e testare, non è detto che funzioni, quindi valuta tu se possa aver senso metterla in pratica.

Sentiamo anche gli altri cosa ne pensano...
Avatar utente
Foto Utentedavidde
13,3k 4 9 12
G.Master EY
G.Master EY
 
Messaggi: 4026
Iscritto il: 2 ago 2007, 11:40
Località: Bologna

2
voti

[38] Re: Ponte H per motore DC 24V-20A

Messaggioda Foto Utentemarcosystem » 28 ago 2017, 12:30

Ok allora vado a STEP per non far confusione:

per comprendere meglio, ti chiedo: se il limite massimo da non superare è di 45V (vedi allegato TAB1), gli altri 2 limiti in tabella del datasheet a cosa si riferiscono? (vedi allegato TAB2)

Dando un'attenta osservazione al datasheet del BTN7960, sembra di capire che il limite massimo di funzionamento è di circa 27,8V. Superato questo valore interverrebbe la protezione "Over Voltage" [da 28V a 30V] (vedi allegato TAB3-TAB4). E' così o sbaglio?

Altro dubbio: non riesco ancora a capire quale sia il limite massimo della corrente nominale ed il massimo valore di corrente di picco che il BTN7960 può sopportare (vedi allegato TAB3-TAB4).
Premessa: supponiamo di lavorare con un PWM di 20Khz e con la massima velocità del motore (Duty Cycle=100%)

Io, in via cautelativa, non andrei oltre i 35V

Io alimento il ponte H a 24 V, quindi penso di stare nei limiti consentiti.

Quello che dici è sicuramente vero ma l'altro lato della medaglia è che le correnti in gioco saranno ben più alte e solitamente i problemi vanno di pari passo con la corrente. Ho paura che i BTN siano sottodimensionati per quello che vorresti farci tu.


Test effettuati e lettura della corrente assorbita:
- Motoriduttore su banco, senza payload: alla massima velocità costante, assorbe 8A
- Motoriduttore su banco, senza payload: da massima velocita a STOP (DutyCycle=0%), assorbe 11A


Sei sicuro di averli eliminati? Bastano picchi anche molto stretti per danneggiare i mosfet, magari così "al volo" non li vedi nemmeno. Dovresti impostare il trigger sull'oscilloscopio ad esempio a 35V

Si ne sono sicuro perché nel momento in cui arrestavo drasticamente il motore (3000giri/m) tramite PWM (Duty Cycle=0%), sull'oscilloscopio vedevo nel tempo di una piccolissima frazione di secondo...un picco che arrivava a circa 40-45V.
Queste credo siano le extratensioni generate dal motore in cui si arresta improvvisamente, che io ho risolto "per adesso......" con i diodi di ricircolo.

Ma poi non ho capito una cosa, un bel condensatore collegato direttamente sull'alimentazione del ponte ce l'hai? E' importante. Con questo genere di problemi diventa fondamentale anche il montaggio.

Si ho inserito in parallelo alla 24 V n°2 condensatori elettrolitici da 2200uF.

Ma tu il motore lo lasci libero di decelerare, giusto?

Se intendi "senza carico", si. Il motoriduttore è libero di ruotare, ovviamente sul suo asse non è montato nulla, quindi sul banco non solleva alcun peso.
Premessa: trattasi di motoriduttore a vite senza fine, quindi quando tolgo alimentazione il motore si arresta quasi istantaneamente.
Le prove però che ho fatto io, le ho fatte iniettando il PWM al motore attraverso il ponte H, quindi per arrestarlo ho dato un PWM con Duty Cycle=0% (arresto forzato).
Allegati
TAB3-TAB4.jpg
TAB3-TAB4
TAB2.jpg
TAB2
TAB1.jpg
TAB1
Avatar utente
Foto Utentemarcosystem
52 6
Frequentatore
Frequentatore
 
Messaggi: 142
Iscritto il: 15 ago 2017, 14:16

0
voti

[39] Re: Ponte H per motore DC 24V-20A

Messaggioda Foto UtenteEcoTan » 28 ago 2017, 13:24

marcosystem ha scritto:Test effettuati e lettura della corrente assorbita:

Per seguire meglio il thread, ti chiedo dove venga misurata la corrente, per esempio fra alimentatore e capacità, o fra capacità ponte, o su un singolo semiponte o altro. Inoltre di specificare il verso della corrente.
Avatar utente
Foto UtenteEcoTan
7.720 4 12 13
Expert EY
Expert EY
 
Messaggi: 5420
Iscritto il: 29 gen 2014, 8:54

1
voti

[40] Re: Ponte H per motore DC 24V-20A

Messaggioda Foto Utentemarcosystem » 28 ago 2017, 13:53

Ciao EcoTan

in allegato lo schema della disposizione dei puntali dell'amperomentro durante le misure
Allegati
AMP.jpg
Avatar utente
Foto Utentemarcosystem
52 6
Frequentatore
Frequentatore
 
Messaggi: 142
Iscritto il: 15 ago 2017, 14:16

PrecedenteProssimo

Torna a Elettronica generale

Chi c’è in linea

Visitano il forum: Nessuno e 39 ospiti