Grazie
Quello che vedrete è il funzionamento che i miei motori devono avere, quindi rapide inversioni di rotazione.
Non fateci caso se nel video notate degli encoder.
Io come trasduttori utilizzo i potenziometri, quindi un feedback analogico.
Ponte H per motore DC 24V-20A
Moderatori:
carloc,
g.schgor,
BrunoValente,
IsidoroKZ
0
voti
EcoTan ha scritto:Posso sbagliare ma penso che la maniera più lineare per fare tutto questo sia il LAP, cioè con una unica variabile fai tutto: da 50% a 0% gira da una parte, da 50% a 100% gira dall'altra parte, e in tutti i casi impone una tensione media al motore determinata e linearmente dipendente che quando siamo al 50% vale zero (motore in corto=frenato).
Sono d'accordo ma al momento io stavo cercando una soluzione per salvaguardare i mosfet dando per scontato che il ponte fosse pilotato in modo corretto indipendentemente dalla tecnica di pilotaggio.
Ho escluso a priori che ci siano degli errori nel codice che gestisce il ponte dando per scontato che i problemi siano dovuti ai picchi generati dall'inversione di marcia.
Giusto
Di qui la soluzione di aggiungere soltanto la frenatura del motore tra un verso di rotazione e l'altro...
marcosystem ha scritto:posso allegare il link di un video che ho trovato in rete per farvi capire cosa io voglio ottenere come prestazioni e come il motoriduttore si deve comportare?
Ok, finalmente ho capito cosa vuoi fare
0
voti
...Sei certo vero che il codice sia corretto? Altrimenti parliamo di niente...
Si, il codice è corretto.
Quello che posso dirvi (così come lo si puo vedere nella intestazione dello sketch che vi ho allegato al post [ ] è che lo sviluppatore lo ha realizzato per funzinare con i ponti H.
Dai segnali PWM che escono da Arduino (così come si evince dallo sketch) ci sono 2 enagle (o anche chiamati DIR) e un PWM.
Sembra che lo sketch sia nato per funzionare non in modalità LAP, bensì in S/M Asynchronous
LAP = 1 segnale PWM
S/M = 1 segnale DIR + 1 segnale PWM
S/M Asynchronous = 2 segnali DIR + 1 segnale PWM
-

marcosystem
52 6 - Frequentatore

- Messaggi: 142
- Iscritto il: 15 ago 2017, 14:16
0
voti
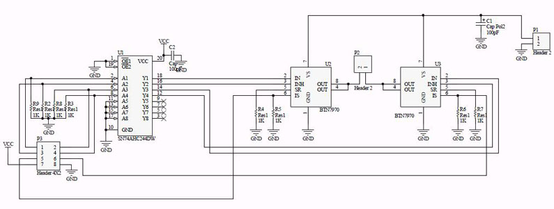
Analizziamo questo circuito dell'IBT2
Ai pin 1-2 arrivano i 2 enable di arduino
Ai pin 3-4 arriva il PWM da arduino (unico PWM, quindi 3 e 4 conticellato).
Questo ponte H per come è strutturalmente formato, dovrebbe essere pilotato in LAP o S/M?
Ai pin 1-2 arrivano i 2 enable di arduino
Ai pin 3-4 arriva il PWM da arduino (unico PWM, quindi 3 e 4 conticellato).
Questo ponte H per come è strutturalmente formato, dovrebbe essere pilotato in LAP o S/M?
-

marcosystem
52 6 - Frequentatore

- Messaggi: 142
- Iscritto il: 15 ago 2017, 14:16
0
voti
marcosystem ha scritto:Ai pin 1-2 arrivano i 2 enable di arduino
Ai pin 3-4 arriva il PWM da arduino (unico PWM, quindi 3 e 4 conticellato).
Se sei collegato come nel messaggio [13] non mi sembra così...
i pin 3 e 4 dell' IBT2 vanno ai pin INH dei BTN che servono per inibire (spegnere) o meno il ponte mentre i pin 1 e 2 portano il segnale PWM ai BTN in opposizione di fase. Per me il controllo è già in locked anti phase perché i pin 3 e 4 servono soltanto per spegnere il ponte e perciò la gestione del verso di rotazione può dipendere soltanto dal duty cycle del PWM.
0
voti
Per me il controllo è già in locked anti phase perché i pin 3 e 4 servono soltanto per spegnere il ponte e perciò la gestione del verso di rotazione può dipendere soltanto dal duty cycle del PWM.
Purtroppo non è così, mi spiego meglio:
Il sistema è formato da
1 Arduino
1 IBT2
1 Potenziometro da 10K (senza blocco meccanico)
Da Arduino escono n°2 Enable (pin 2-3), e n°1 PWM (pin 9)
Quando il potenziometro si trova a metà scala (5K) i due enable che escono da Arduino assumono valore logico basso (0V), questi 2 enable sono collegati con i pin 1-2 dell'IBT2 (...che vanno a INH), così il motore risulta essere fermo.
Quando il potenziomentro ruota da circa 5K (esiste una piccola deadzone nella scala del pot) a 0K, gli enable assumono valore 0V (pin 2 arduino) e 5V (pin 3 arduino).
Quando il potenziomentro ruota da circa 5K (esiste una piccola deadzone nella scala del pot) a 10K, gli enable assumono valore 5V (pin 2 arduino) e 0V (pin3 arduino).
Quindi i due ENABLE (chiamati anche Direzionali) servono ad aprire/chiudere i semiponti (alto sx + basso dx) o (alto dx + basso sx).
NOTA: Questa è la spiegazione di come funzionano i 3 fili provenienti da Arduino e a quali pin sono collegati al ponte H IBT2.
Invece il PWM serve solo a dare la velocità (controllo PID)
-

marcosystem
52 6 - Frequentatore

- Messaggi: 142
- Iscritto il: 15 ago 2017, 14:16
0
voti
Non ho capito tutto ma non è questo il punto, essendo abituato ad altri sistemi più diretti.
Chiedo soltanto: cosa avviene se l'inversione del senso di marcia avviene durante un impulso del PWM? Qualcosa garantisce che vi sia un dead-time?
Chiedo soltanto: cosa avviene se l'inversione del senso di marcia avviene durante un impulso del PWM? Qualcosa garantisce che vi sia un dead-time?
1
voti
marcosystem ha scritto: Purtroppo non è così, mi spiego meglio...
Da Arduino escono n°2 Enable (pin 2-3), e n°1 PWM (pin 9)
Quando il potenziomentro ruota da circa 5K (esiste una piccola deadzone nella scala del pot) a 0K, gli enable assumono valore 0V (pin 2 arduino) e 5 V (pin 3 arduino).
Quando il potenziomentro ruota da circa 5K (esiste una piccola deadzone nella scala del pot) a 10K, gli enable assumono valore 5 V (pin 2 arduino) e 0V (pin3 arduino).
Quindi i due ENABLE (chiamati anche Direzionali) servono ad aprire/chiudere i semiponti (alto sx + basso dx) o (alto dx + basso sx).
Boh, non metto in dubbio quello che dici ma dal datasheet non sembra proprio che il mezzo ponte debba funzionare così. Se dai un occhio alla tavola delle verità dei pin (qui sotto) mi sembra evidente che quando il pin INH va a 0V sia il mosfet alto che quello basso vengono aperti (HSS=LSS=OFF) e il BTN entra addirittura in sleep.
Stando al datasheet (questo) il mezzo ponte si comanda dal pin IN, poi cosa abbia fatto lo sviluppatore del programma di Arduino non lo so però il codice non è semplice da interpretare... ma se dovesse realmente spegnere ad accendere l'integrato al volo i problemi non mancherebbero di certo...
0
voti
Cari amici
stanotte ho fatto nuovi test al mio motore e, da quando ho appreso dalle caratteristiche dei BTN7960 e dalle vostre risposte..penso che il problema del danneggiamento dei mosfet sia dovuto alle extra tensioni.
Praticamente ho fatto la seguente prova che credo sia quella piu determinante per valutare le prestazioni del ponte H e stabilire quali sono i punti deboli...
...ho scritto un piccolo sketch il quale, tramite PWM, inizia a far ruotare il motore da una piccola velocità crescente..fino ad arrivare alla massima velocità e dopo 5 secondi gli impongo lo stop IMMEDIATO.
In quel preciso momento salta il BTN...
Quindi il problema è da ricercare nella fermta improvvisa del motore..
Nel momento in cui il motore si blocca instantaneamente... succede un qualcosa che si ripercuote nel ponte-H.
Io credo siano le extra tensioni.
Voi cosa ne pensate?
Eventualmente dovessero essere proprio le extra tensioni ad essere la causa dei guasti nei BTN... so che si puo usare la protezione "SNUBBER".
In merito agli snubber, vorrei il vostro parere e magari qualche consiglio su come adoperarli.
Cio che sono riuscito a reperire come informazioni, è che e possibile adoperare 2 tipi di snubber:
RC (resistenza + condensatore)
RCD (resistenza + condensatore + diodo)
In attesa di avere il vostro parere, i vostri consigli... sarei curioso di sapere quale tipologia di diodo si debba utilizzare nel caso in cui si voglia utilizzare lo snubber RCD.
stanotte ho fatto nuovi test al mio motore e, da quando ho appreso dalle caratteristiche dei BTN7960 e dalle vostre risposte..penso che il problema del danneggiamento dei mosfet sia dovuto alle extra tensioni.
Praticamente ho fatto la seguente prova che credo sia quella piu determinante per valutare le prestazioni del ponte H e stabilire quali sono i punti deboli...
...ho scritto un piccolo sketch il quale, tramite PWM, inizia a far ruotare il motore da una piccola velocità crescente..fino ad arrivare alla massima velocità e dopo 5 secondi gli impongo lo stop IMMEDIATO.
In quel preciso momento salta il BTN...
Quindi il problema è da ricercare nella fermta improvvisa del motore..
Nel momento in cui il motore si blocca instantaneamente... succede un qualcosa che si ripercuote nel ponte-H.
Io credo siano le extra tensioni.
Voi cosa ne pensate?
Eventualmente dovessero essere proprio le extra tensioni ad essere la causa dei guasti nei BTN... so che si puo usare la protezione "SNUBBER".
In merito agli snubber, vorrei il vostro parere e magari qualche consiglio su come adoperarli.
Cio che sono riuscito a reperire come informazioni, è che e possibile adoperare 2 tipi di snubber:
RC (resistenza + condensatore)
RCD (resistenza + condensatore + diodo)
In attesa di avere il vostro parere, i vostri consigli... sarei curioso di sapere quale tipologia di diodo si debba utilizzare nel caso in cui si voglia utilizzare lo snubber RCD.
-

marcosystem
52 6 - Frequentatore

- Messaggi: 142
- Iscritto il: 15 ago 2017, 14:16
Chi c’è in linea
Visitano il forum: Google Adsense [Bot] e 34 ospiti

Elettrotecnica e non solo (admin)
Un gatto tra gli elettroni (IsidoroKZ)
Esperienza e simulazioni (g.schgor)
Moleskine di un idraulico (RenzoDF)
Il Blog di ElectroYou (webmaster)
Idee microcontrollate (TardoFreak)
PICcoli grandi PICMicro (Paolino)
Il blog elettrico di carloc (carloc)
DirtEYblooog (dirtydeeds)
Di tutto... un po' (jordan20)
AK47 (lillo)
Esperienze elettroniche (marco438)
Telecomunicazioni musicali (clavicordo)
Automazione ed Elettronica (gustavo)
Direttive per la sicurezza (ErnestoCappelletti)
EYnfo dall'Alaska (mir)
Apriamo il quadro! (attilio)
H7-25 (asdf)
Passione Elettrica (massimob)
Elettroni a spasso (guidob)
Bloguerra (guerra)


