Dubbio su una tensione in regime stazionario
Moderatori:
g.schgor,
IsidoroKZ
40 messaggi
• Pagina 1 di 4 • 1, 2, 3, 4
0
voti
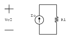
Questo è il circuito, a t=0 l'interruttore si chiude, ma io sono interessata a t<0, quindi in regime stazionario.
Devo calcolare la tensione su C2. C1 e C2 si comportano come circuiti aperti. Dato che l'interruttore è aperto, mi rimane questo circuito..
è giusto dire che la tensione su C2 è uguale a quella di R1?
-

marymarymary
15 4 - New entry

- Messaggi: 65
- Iscritto il: 17 giu 2017, 17:47
4
voti
Assolutamente no. La tensione ai capi di
è quella di
in quanto sono in parallelo. Siccome in questa resistenza non circola alcuna corrente, la tensione ai suoi capi è nulla, quindi lo stesso vale per la capacità in parallelo.
è quella di
in quanto sono in parallelo. Siccome in questa resistenza non circola alcuna corrente, la tensione ai suoi capi è nulla, quindi lo stesso vale per la capacità in parallelo.0
voti
Puoi postare l'esercizio nella sua interezza?
0
voti
ok, ho fatto bene a chiedere, Grazie XD
L'esercizio è questo, semplicemente chiede di calcolare la tensione su C2 per ogni istante di tempo.
l'interruttore è aperto e si chiude all'istante t=0.
Di fatto è un circuito del secondo ordine!
L'esercizio è questo, semplicemente chiede di calcolare la tensione su C2 per ogni istante di tempo.
l'interruttore è aperto e si chiude all'istante t=0.
Di fatto è un circuito del secondo ordine!
-

marymarymary
15 4 - New entry

- Messaggi: 65
- Iscritto il: 17 giu 2017, 17:47
0
voti
Se ho svolto bene i calcoli, la soluzione dovrebbe essere


-

marymarymary
15 4 - New entry

- Messaggi: 65
- Iscritto il: 17 giu 2017, 17:47
1
voti
marymarymary ha scritto: io sono interessata a t<0, quindi in regime stazionario.
Indipendentemente dal risultato, vorrei farti notare che l'analizzare un circuito per t<0, non implica, che esso sia in regime stazionario.
Si può verificare che il condensatore non sia completamente carico per t=0, pertanto in tale istante non possiamo concludere che il transitorio sia finito.
Se l'esercizio non specifica di assumere la rette a regime per t<0, allora questa (o un'altra) è un'assunzione che dobbiamo fare noi, prima di procedere nell'analisi.
0
voti
Si infatti ho assunto io che il circuito fosse in regime stazionario, dato che l'esercizio non specificava nulla. In pratica faccio finta che il generatore sia acceso già da almeno 4-5 costanti di tempo, quindi a regime 
-

marymarymary
15 4 - New entry

- Messaggi: 65
- Iscritto il: 17 giu 2017, 17:47
0
voti
Più che altro, ho scritto la frase in quel modo per on confondere il lettore, che notando la presenza di due condensatori nel circuito avrebbe potuto pensare che il dubbio riguardasse qualcosa di meno banale XD
-

marymarymary
15 4 - New entry

- Messaggi: 65
- Iscritto il: 17 giu 2017, 17:47
1
voti
marymarymary ha scritto:il generatore sia acceso già da almeno 4-5 costanti di tempo, quindi a regime
Se si volesse essere pignoli, quella sarebbe solo un'approssimazione, in quanto il regime stazionario si raggiunge per
. In questo esercizio bisogna supporre che l'interruttore è aperto da tempo infinitamente antecedente a quello considerato iniziale.
40 messaggi
• Pagina 1 di 4 • 1, 2, 3, 4
Torna a Elettrotecnica generale
Chi c’è in linea
Visitano il forum: Nessuno e 103 ospiti

Elettrotecnica e non solo (admin)
Un gatto tra gli elettroni (IsidoroKZ)
Esperienza e simulazioni (g.schgor)
Moleskine di un idraulico (RenzoDF)
Il Blog di ElectroYou (webmaster)
Idee microcontrollate (TardoFreak)
PICcoli grandi PICMicro (Paolino)
Il blog elettrico di carloc (carloc)
DirtEYblooog (dirtydeeds)
Di tutto... un po' (jordan20)
AK47 (lillo)
Esperienze elettroniche (marco438)
Telecomunicazioni musicali (clavicordo)
Automazione ed Elettronica (gustavo)
Direttive per la sicurezza (ErnestoCappelletti)
EYnfo dall'Alaska (mir)
Apriamo il quadro! (attilio)
H7-25 (asdf)
Passione Elettrica (massimob)
Elettroni a spasso (guidob)
Bloguerra (guerra)




