Impianti Elettrici - Roberto Benato - Lorenzo Fellin . ed Wolters Kluver 2014 ha scritto:I sistemi di distribuzione in BT di tipo IT si configurano come sottosistemi locali derivati da sistemi di distribuzione di tipo TT o TN e vengono utilizzati per ambienti o esigenze del tutto particolari.
Si tratta solitamente di sistemi poco estesi, che originano da un trasformatore BT/BT con particolari caratteristiche (spesso con rapporto di trasformazione 1:1), dedicati ad esempio ad ambienti di uso medico, impianti a bordo di veicoli, impianti per i quali la sicurezza e/o la continuità del servizio siano fattori molto critici. Il sistema trae origine dal secondario di un trasformatore con collegamento a triangolo o a stella, ma in ogni caso privo di qualsiasi riferimento delle parti attive a terra(prima lettera:I). Vi è invece la necessità di un collegamento a terra delle masse metalliche(seconda lettera:T)
....
Ottenere una tensione monofase dalla trifase
Moderatori:
sebago,
MASSIMO-G,
lillo,
Mike
4
voti
0
voti
Io non sono un elettrotecnico, sono di estrazione elettronica e mi occupo di impianti, ma è la prima volta che vedo dividere l'elettrotecnica in: terrestre e marittima! A me piace il mare per cui da grande diventerò un elettrotecnico marittimo! 
--
Michele Lysander Guetta
--
"Non pensare mai al dolore, al pericolo o ai nemici un momento più lungo del necessario per combatterli." — Ayn Rand
Michele Lysander Guetta
--
"Non pensare mai al dolore, al pericolo o ai nemici un momento più lungo del necessario per combatterli." — Ayn Rand
-

Mike
55,6k 7 10 12 - G.Master EY

- Messaggi: 17005
- Iscritto il: 1 ott 2004, 18:25
- Località: Conegliano (TV)
0
voti
beh proprio in riferimento alle misure dei Megaohmmetri ho una domanda...perché lo strumento segnala un diverso valore d'isolamento tra quando siamo attaccati alla colonnina del porto e tra quando siamo sul gruppo elettrogeno di bordo? Appena sono a bordo faccio la foto e la carico.
-

schumy91
134 1 6 8 - Sostenitore

- Messaggi: 797
- Iscritto il: 13 gen 2008, 0:30
- Località: Cittadino del Mondo
2
voti
Come richiesto da admin ecco le foto. I due Megaohmetri situati sul Q.E.P. sono presenti anche sul Q.E.E che in condizioni normali è alimentato direttamente dal Q.E.P. tramite apposito interruttore ABB Sace S1. Inoltre l'isolamento a 24VDc sui 3 U.P.S. è controllato tramite apparato che in condizioni normali accende un LED verde mentre se c'è un basso isolamento spegne quello verde e accende il rosso.
-

schumy91
134 1 6 8 - Sostenitore

- Messaggi: 797
- Iscritto il: 13 gen 2008, 0:30
- Località: Cittadino del Mondo
4
voti
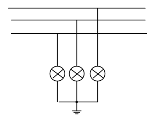
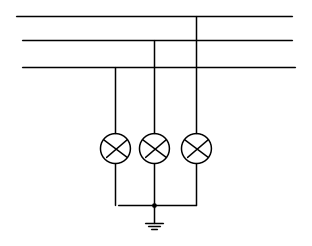
Beh, direi che è una bella conferma che il sistema di distribuzione a bordo nave è un sistema IT.
Oltre alla misura della resistenza di isolamento in continua, c'è il controllo dello stesso con le tre lampade.
Se non ci sono guasti, cioè parti attive che entrano in contatto più o meno franco con le masse, le tre lampade sono tutte accese e di identica luminosità. In presenza di un guasto su una fase, la lampada relativa dimunuisce la sua luminosità, fino a spegnersi se il guasto è franco, mentre le altre due aumentano la luminosità. A quel punto occorre individuare abbastanza rapidamente il guasto per eliminarlo. Sei tu,
schumy91, che dovrebbe occuparsi di tale intervento?
PS:
A quanto pare il sistema funziona; la tua nave è lunga 30 km per caso?
Oltre alla misura della resistenza di isolamento in continua, c'è il controllo dello stesso con le tre lampade.
Se non ci sono guasti, cioè parti attive che entrano in contatto più o meno franco con le masse, le tre lampade sono tutte accese e di identica luminosità. In presenza di un guasto su una fase, la lampada relativa dimunuisce la sua luminosità, fino a spegnersi se il guasto è franco, mentre le altre due aumentano la luminosità. A quel punto occorre individuare abbastanza rapidamente il guasto per eliminarlo. Sei tu,
PS:
A quanto pare il sistema funziona; la tua nave è lunga 30 km per caso?
0
voti
admin ha scritto:Oltre alla misura della resistenza di isolamento in continua, c'è il controllo dello stesso con le tre lampade.
mi sto chiedendo da dove si capisce che è in continua?
forse deve esserlo perché non devono essere misurate quelle varie componenti reattive parassite di cui si parla dal''inizio thread?
saluti.
-

lelerelele
4.899 3 7 9 - Master

- Messaggi: 5505
- Iscritto il: 8 giu 2011, 8:57
- Località: Reggio Emilia
1
voti
lelerelele ha scritto:mi sto chiedendo da dove si capisce che è in continua?
Dal simbolo di strumento magnetoelettrico
Torna a Impianti, sicurezza e quadristica
Chi c’è in linea
Visitano il forum: Nessuno e 41 ospiti

Elettrotecnica e non solo (admin)
Un gatto tra gli elettroni (IsidoroKZ)
Esperienza e simulazioni (g.schgor)
Moleskine di un idraulico (RenzoDF)
Il Blog di ElectroYou (webmaster)
Idee microcontrollate (TardoFreak)
PICcoli grandi PICMicro (Paolino)
Il blog elettrico di carloc (carloc)
DirtEYblooog (dirtydeeds)
Di tutto... un po' (jordan20)
AK47 (lillo)
Esperienze elettroniche (marco438)
Telecomunicazioni musicali (clavicordo)
Automazione ed Elettronica (gustavo)
Direttive per la sicurezza (ErnestoCappelletti)
EYnfo dall'Alaska (mir)
Apriamo il quadro! (attilio)
H7-25 (asdf)
Passione Elettrica (massimob)
Elettroni a spasso (guidob)
Bloguerra (guerra)


