Ciao a tutti, ho uno strano problema: sto controllando tramite arduino una scheda relè contenente 8 relè (classica scheda in vendita on-line, niente di particolare) la qualche vi sono collegati in uscita carichi in 220 V e carichi a 12V. Il collegamento della scheda ad arduino è corretto, utilizzo dei transistor per azionare ciascun relè e l'alimentazione della scheda che serve per l'eccitazione proviene da un circuito esterno sempre in comune con arduino, mentre i carichi in uscita sono collegati tutti ai contatti normalmente aperti dei relè in modo indipendente, senza nessun ponte tra loro.
La scheda funziona alla perfezione, i relè si eccitano correttamente ed in uscita si ha la stessa corrispondenza.
Sorge però un problema se collego alcuni carichi ai relè in uscita: mi sono accorto che alcuni dispositivi (oppure tutti ma non posso verificare ad "occhio" su alcuni dispositivi) rimangono accesi anche se il relè non è eccitato. Ho misurato la corrente in uscita su tali dispositivi ed è molto bassa, appena sufficiente per lasciarli accesi in stand-by. Se però scollego in modo casuale un carico tutti gli altri si spengono.
Se può essere utili vi ho collegato:
. 220 V
- PC
- amplificatore
- giradischi
- lampada
. 12V
- nintendo wii
- preamplificatore giradischi
- modem
- modem voip
Secondo voi quale potrebbe essere il motivo di tale comportamento? Specifico che i relè non si muovono minimamente quando arduino li tiene spenti.
Dispositivo acceso con relè non eccitato
17 messaggi
• Pagina 1 di 2 • 1, 2
0
voti
-

dadothebest
24 2 7 - Frequentatore

- Messaggi: 229
- Iscritto il: 25 nov 2013, 17:13
- Località: Ascoli Piceno
0
voti
E' questo il tuo circuito lato carichi?
0
voti
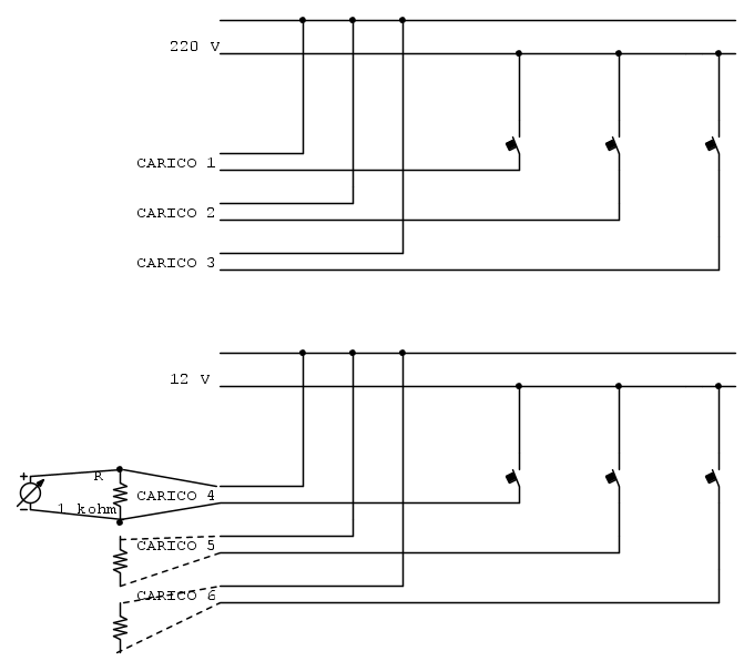
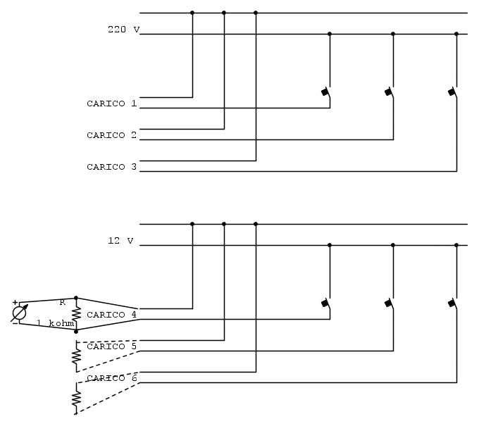
Lato carichi il circuito è questo (chiedo scusa nel caso sia poco chiaro):
Ogni carico ha una fase in comune mentre l'altra viene comandata dall'apertura e chiusura dei relè.
Ogni carico ha una fase in comune mentre l'altra viene comandata dall'apertura e chiusura dei relè.
-

dadothebest
24 2 7 - Frequentatore

- Messaggi: 229
- Iscritto il: 25 nov 2013, 17:13
- Località: Ascoli Piceno
0
voti
Per capire meglio: con TUTTI i relè diseccitati, se tu attacchi dei carichi a 12V e/o a 230V questi carichi rimangono accesi, sia pure con una bassissima corrente?
1) hai provato a cambiare la scheda relè?
2) hai provato ad attaccare, e comandare da Arduino, un carico alla volta? (attacchi carico 1, comandi carico 1; attacchi ANCHE carico 2, comandi carico 1, carico 2, carichi 1 e 2, etc.)
Ciao,
P.
1) hai provato a cambiare la scheda relè?
2) hai provato ad attaccare, e comandare da Arduino, un carico alla volta? (attacchi carico 1, comandi carico 1; attacchi ANCHE carico 2, comandi carico 1, carico 2, carichi 1 e 2, etc.)
Ciao,
P.
0
voti
Esatto, con i relè disinnescati i carichi rimangono accesi con una potenza che gli permette di rimanere solo in stand-by. Ho già provato a comandare e collegare ogni carico indipendentemente ed ho notato che il problema si presenta in modo casuale. Inoltre non posso cambiare scheda relè perché non ne possiedo un'altra.
Ho fatto delle prove con un multimetro e a vuoto, senza carico collegato ho 0V, mentre se collego un carico ho 12V sempre senza cambiare nulla o senza eccitare il relè. I relè rimangono correttamente aperti se non eccitati (testato con multimetro).
Ho fatto delle prove con un multimetro e a vuoto, senza carico collegato ho 0V, mentre se collego un carico ho 12V sempre senza cambiare nulla o senza eccitare il relè. I relè rimangono correttamente aperti se non eccitati (testato con multimetro).
-

dadothebest
24 2 7 - Frequentatore

- Messaggi: 229
- Iscritto il: 25 nov 2013, 17:13
- Località: Ascoli Piceno
0
voti
1) modello della scheda - link su internet
2) lo schema che hai disegnato e' quello dato dal costruttore o lo hai ricavato te?
3) inserisci sulle uscite a 12 V (una uscita per volta) una resistenza di circa 1 kohm
4) misura la tensione ai capi della resistenza con rele diseccitato
5) misura la tensione ai capi della resistenza con rele eccitato
2) lo schema che hai disegnato e' quello dato dal costruttore o lo hai ricavato te?
3) inserisci sulle uscite a 12 V (una uscita per volta) una resistenza di circa 1 kohm
4) misura la tensione ai capi della resistenza con rele diseccitato
5) misura la tensione ai capi della resistenza con rele eccitato
0
voti
Risolot (sembra). Nei carchi a 220 V ho trovato la fase e collegata ai relè mentre ho lasciato la massa in comune, nei carichi a 12V ho collegato i positivi ai relè e messo la massa in comune.
Grazie per l'aiuto!
Grazie per l'aiuto!
-

dadothebest
24 2 7 - Frequentatore

- Messaggi: 229
- Iscritto il: 25 nov 2013, 17:13
- Località: Ascoli Piceno
0
voti
La spiegazione che hai dato sulla soluzione del problema non permette ai partecipanti del forum di capire la causa del problema.
Potresti, per favore, fare uno schema e dettagliare I collegamenti?
Per esempio - ma non solo - cosa intendi per massa (nel caso dei 12 V) ?
Se ho ben capito:
- interrompendo con il rele' il "negativo" dei 12 V hai il "problema"
- interrompendo con il rele' il "positivo" dei 12 V *non* hai il "problema"
L'alimentazione che alimenta i carichi - e che e' interrotta dai rele' - e' "flottante"? (cioe' ha il positivo ed il negativo scollagati da "tutto" - altri alimentatori e terra di sicurezza?)
Puoi rispondere - sempre per favore
- anche alle domande del post #6?
Potresti, per favore, fare uno schema e dettagliare I collegamenti?
Per esempio - ma non solo - cosa intendi per massa (nel caso dei 12 V) ?
Se ho ben capito:
- interrompendo con il rele' il "negativo" dei 12 V hai il "problema"
- interrompendo con il rele' il "positivo" dei 12 V *non* hai il "problema"
L'alimentazione che alimenta i carichi - e che e' interrotta dai rele' - e' "flottante"? (cioe' ha il positivo ed il negativo scollagati da "tutto" - altri alimentatori e terra di sicurezza?)
Puoi rispondere - sempre per favore
0
voti
elfo ha scritto:Potresti, per favore, fare uno schema e dettagliare I collegamenti?
Per esempio - ma non solo - cosa intendi per massa (nel caso dei 12 V) ?
Se ho ben capito:
- interrompendo con il rele' il "negativo" dei 12 V hai il "problema"
- interrompendo con il rele' il "positivo" dei 12 V *non* hai il "problema"
Lo schema di collegamento è lo stesso del mio post precedente dove per massa intendo il neutro nella linea a 220 V ed il polo negativo nella linea a 12V.
Dopo un giorno di funzionamento posso affermare con certezza che facendo pilotare ai relè il polo positivo 12V e la fase 220 V il problema si è risolto. Il motivo ancora non riesco a capirlo ma credo sia dovuto a qualche starno accoppiamento che fa fungere qualche cavo o anche gli stessi relè come condensatori.
elfo ha scritto:L'alimentazione che alimenta i carichi - e che e' interrotta dai rele' - e' "flottante"? (cioe' ha il positivo ed il negativo scollagati da "tutto" - altri alimentatori e terra di sicurezza?)
Non ho ben capito cosa intendi per "flottante", l'alimentazione viene fornita da un alimentatore per PC che alimenta sia arduino che tutti i carichi ad essi collegati.
elfo ha scritto:1) modello della scheda - link su internet
2) lo schema che hai disegnato e' quello dato dal costruttore o lo hai ricavato te?
3) inserisci sulle uscite a 12 V (una uscita per volta) una resistenza di circa 1 kohm
4) misura la tensione ai capi della resistenza con rele diseccitato
5) misura la tensione ai capi della resistenza con rele eccitato
1) Il modello della scheda è questo: https://www.amazon.it/tinxi%C2%AE-canali-Modulo-Arduino-Raspberry/dp/B01C2IN2U2/ref=sr_1_1?ie=UTF8&qid=1505383044&sr=8-1&keywords=rel%C3%A8+arduino
2) Lo schema disegnato è stato ricavato da me
3) Questo lo avevo pensato anche io ma ho voluto prima provare ad invertire i collegamenti
4-5) Ai capi del relè diseccitato avevo una tensione di 0V se non vi era collegato il carico ed una tensione di 12V se vi collegavo il carico con una corrente di circa 0.1A
-

dadothebest
24 2 7 - Frequentatore

- Messaggi: 229
- Iscritto il: 25 nov 2013, 17:13
- Località: Ascoli Piceno
17 messaggi
• Pagina 1 di 2 • 1, 2
Chi c’è in linea
Visitano il forum: Nessuno e 24 ospiti

Elettrotecnica e non solo (admin)
Un gatto tra gli elettroni (IsidoroKZ)
Esperienza e simulazioni (g.schgor)
Moleskine di un idraulico (RenzoDF)
Il Blog di ElectroYou (webmaster)
Idee microcontrollate (TardoFreak)
PICcoli grandi PICMicro (Paolino)
Il blog elettrico di carloc (carloc)
DirtEYblooog (dirtydeeds)
Di tutto... un po' (jordan20)
AK47 (lillo)
Esperienze elettroniche (marco438)
Telecomunicazioni musicali (clavicordo)
Automazione ed Elettronica (gustavo)
Direttive per la sicurezza (ErnestoCappelletti)
EYnfo dall'Alaska (mir)
Apriamo il quadro! (attilio)
H7-25 (asdf)
Passione Elettrica (massimob)
Elettroni a spasso (guidob)
Bloguerra (guerra)







