Secondo me, considerando l'esercizio da svolgere e che odio le trasformazioni stella-triangolo e viceversa (non so le formule a memoria

), potrebbe convenire adoperare il metodo dei nodi, specialmente considerando il fatto che i potenziali di due nodi sono noti, ovvero


In particolare il sistema può essere scritto come

Come detto

e

sono noti quindi puoi portarli a destra in ogni equazione.
Adesso spieghiamo perché riesci ad ottenere due piccioni con una fava:

è la corrente nel generatore

quindi

, mentre

e

sono i potenziali necessari per calcolare

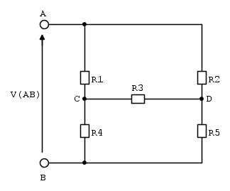
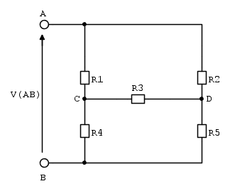
. Vedi lo schema di seguito
Visto che sono pigro

ho scelto di risolvere il sistema con MATLAB, definendo opportunamente la matrice dei coefficienti ed il vettore dei termini noti scrivendo uno script che allego
- Codice: Seleziona tutto
clear all
close all
clc
R1=80;
R2=60;
R3=50;
R4=100;
R5=120;
A=50;
B=0;
coefficienti = [1 1/R1 1/R2
0 -(1/R1 + 1/R3 + 1/R4) 1/R3
-1 1/R4 1/R5];
termini_noti = [(1/R1 + 1/R2)*A; -1/R1*A + 1/R4*B; (1/R4 + 1/R5)*B];
soluzione = coefficienti \ termini_noti
R_eq = (A-B)/soluzione(1)
V_CD = soluzione(2)-soluzione(3)
Si ottiene esattamente la stessa resistenza equivalente che hai ottenuto tu e i valori dei potenziali incogniti



Ho verificato i risultati su Spice e coincidono con quelli ottenuti con MATLAB. Stiamo sempre attenti ai problemi di cancellazione numerica dei calcolatori elettronici (ho verificato la correttezza fino alle prime due cifre decimali!).