Grazie della risposta!
Ora mi sono abbastanza convinto a fare Analogica. Sostituirò, se possibile, i due esami a scelta con i cors che maggiormente mi interessava fare (SEBC e Integrated systems technology) con due dei professori migliori che ho avuto della triennale.
L'esperimento dei libri l'ho già fatto (ho tartassato la biblioteca del DET durante l'anno), ma appena potrò darò un'occhiata al testo che mi hai consigliato. Grazie ancora!
Orientamento indirizzo magistrale
Moderatore:
admin
21 messaggi
• Pagina 2 di 3 • 1, 2, 3
3
voti
Buondì, sono fresco di laurea (aprile) dall'indirizzo di analogica e di potenza. Triennale di elettronica sempre al Poli.
Qualche riga sull'elettronica del corso:
High speed electron devices: il dispositivi elettronici della magistrale, ha lo stesso approccio del corso triennale. Con una parte espressamente dedicata alla potenza al termine del corso e studi di transistor fatti con composti chimici prima ignorati (arseniuro di gallio e compagnia).
Aspetta: hai mai fatto qualche progettino per conto tuo coi micro? Oppure hai visto solo la parte didattica durante il corso? Ho seguito il tuo stesso corso e non mi erano piaciuti per nulla, ora invece mi diverto.
Il corso di digitale della magistrale ha appena cambiato professore (ed è uno bravo, mi faceva da esercitatore alla triennale), posso dirti quel che ho fatto io: programmare una FPGA, la solita DE2, caricandoci sopra il VHDL di un microcontrollore. Interessante, mischiavamo il VHDL col C.
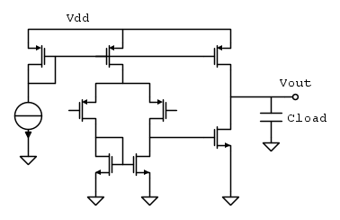
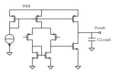
All'indirizzo di analogica qualcosa sulla progettazione di circuiti integrati si fa. La si studia in un corso del secondo anno (Analog integrated circuits), dimensionando e disegnando il layout di un amplificatore come questo:
...di cui non ho disegnato il circuito per compensarlo in frequenza, il generatore di corrente ed altro. Corso molto solido e strapieno di nozioni interessanti, si parla anche del lato puramente tecnologico, lavorando quasi esclusivamente a MOS. All'esame bisogna dimostrare che tutte le simulazioni funzionano e mostrare il layout. È interessante perché si procede pezzo per pezzo, settimana per settimana, con esercitazioni piuttosto massacranti: prima un source comune, poi uno specchio, poi il differenziale, un secondo stadio, un riferimento di corrente ed uno di tensione...infine l'amplificatore finale, con delle specifiche vere e proprie. Il tutto pensando anche al lato tecnologico e lavorando con un CAD professionale molto utilizzato sul mercato (Cadence).
Il professore del corso è appena cambiato, quindi il programma potrebbe variare.
Elettronica analogica e di potenza: scegli l'esame del professor Fiori. Uno dei miei corsi preferiti di tutta la carriera universitaria, durissimo, capace di distruggerti la media con facilità - ma molto, molto formativo. Vita morte e miracoli degli amplificatori e non sono. Sognerai MOS. I tuoi pasti sapranno di silicio. Le tue A maiuscole ti sembreranno degli opamp. Si lavora su un mucchio di circuiti e si arriva a studiare come sono fatti, più approfonditamente che nella triennale. Un corso immenso, letteramente. Esame scritto di mezz'oretta, puramente di progettazione, che viene corretto sul momento all'orale - io avevo un ponte di Wheatstone per convertire in Ohm l'angolo di rotazione di un torsiometro, bisognava scegliere come portare il segnale all'ADC di un micro, condizionandolo e dimensionando tutto. Si impara molto, si lavora molto.
Power electronics: potenza! Con videolezioni comodissime per studiare, si impara come progettare i convertitori. Ho scritto progettare apposta: durante il corso il professore si riferisce continuamente a casi reali, spiegando cosa si fa e cosa no. Queste cose sui libri non si trovano spiegate così bene come a lezione, tant'è che è un po' che gli chiedo se per caso vorrebbe scriverne uno
. Si studia tutto dei convertitori, dagli stress alle funzioni di trasferimento, con solide basi di teoria miste a esercizi di progetti e analisi di forme d'onda.
Il corso mi è piaciuto così tanto da fare la tesi sull'argomento. Mi sarebbe piaciuto che durasse di più ed includesse la progettazione di componenti magnetici, cosa che purtroppo non è possibile.
Anche il resto, ma in particolare questo corso, è molto apprezzato nel mondo del lavoro, sempre affamato di elettronici che facciano potenza.
Advanced electronic drives: si ri-studiano i componenti elettronici di potenza dal lato dei dispositivisti, si studiano le tecniche di PWM e i convertitori DCAC. La progettazione di inverter è molto richiesta sul mondo del lavoro (ho letteralmente ricevuto telefonate che iniziavano con "ma lei sa progettare inverter?"). Purtroppo il corso privilegia il lato puramente teorico di tutte le applicazioni.
Radiating electromagnetic systems: proseguono i campi elettromagnetici. Stavolta si progettano le antenne. È diventata una mia piccola passione, che sto coltivando poco per mancanza di tempo. Ho avuto modo di lavorare esternamente all'esame col professore, è uno molto bravo.
Radio frequency integrated circuits: nel corso non si fanno circuiti integrati. Qualche simulazione su AWR di amplificatori in classe A, B e AB. Si studia tutto dal punto di vista astratto ed estremamente teorico. Grande pregio: si conosce per caso AWR.
Advanced design for signal integrity and compliance, esame a scelta: sceglilo anche solo per l'esame, 6 esercizi secchi di elettrotecnica ed elettronica, con una passata di matematica (sviluppi di Fourier), un vero piacere darlo. Il professore è un'autorità in materia, il corso è molto interessante e veloce da studiare se gli argomenti interessano. Grosso pregio: metà dell'esame è un progetto a piacere, che va discusso col professore.
Ci sono alcune cose che non mi sono piaciute: il corso di finite element modelling è stata una perdita di tempo colossale malgrado l'argomento mi interessi. Il corso di Micro & Nano systems prima era a scelta, ora mi sembra sia obbligatorio e che sia cambiato il programma - quel che ho fatto io...non è stato un qualcosa di utile o formativo, purtroppo - però ho imparato a programmare in VHDL-AMS.
Dimenticavo: fai elettronica, per conto tuo, costruendo e programmando cose, il più possibile compatibilmente col tempo. Fatti un tuo laboratorio a casa! Oltre a divertirti, impari.
Dimenticavo 2: misure. Si studia tutto facendo nel frattempo progettini con Arduino, usando il 328 a basso livello.
Qualche riga sull'elettronica del corso:
High speed electron devices: il dispositivi elettronici della magistrale, ha lo stesso approccio del corso triennale. Con una parte espressamente dedicata alla potenza al termine del corso e studi di transistor fatti con composti chimici prima ignorati (arseniuro di gallio e compagnia).
faberz ha scritto:(la parte sui uC e sul C l'ho odiata dal profondo del cuore)
Aspetta: hai mai fatto qualche progettino per conto tuo coi micro? Oppure hai visto solo la parte didattica durante il corso? Ho seguito il tuo stesso corso e non mi erano piaciuti per nulla, ora invece mi diverto.
Il corso di digitale della magistrale ha appena cambiato professore (ed è uno bravo, mi faceva da esercitatore alla triennale), posso dirti quel che ho fatto io: programmare una FPGA, la solita DE2, caricandoci sopra il VHDL di un microcontrollore. Interessante, mischiavamo il VHDL col C.
All'indirizzo di analogica qualcosa sulla progettazione di circuiti integrati si fa. La si studia in un corso del secondo anno (Analog integrated circuits), dimensionando e disegnando il layout di un amplificatore come questo:
...di cui non ho disegnato il circuito per compensarlo in frequenza, il generatore di corrente ed altro. Corso molto solido e strapieno di nozioni interessanti, si parla anche del lato puramente tecnologico, lavorando quasi esclusivamente a MOS. All'esame bisogna dimostrare che tutte le simulazioni funzionano e mostrare il layout. È interessante perché si procede pezzo per pezzo, settimana per settimana, con esercitazioni piuttosto massacranti: prima un source comune, poi uno specchio, poi il differenziale, un secondo stadio, un riferimento di corrente ed uno di tensione...infine l'amplificatore finale, con delle specifiche vere e proprie. Il tutto pensando anche al lato tecnologico e lavorando con un CAD professionale molto utilizzato sul mercato (Cadence).
Il professore del corso è appena cambiato, quindi il programma potrebbe variare.
Elettronica analogica e di potenza: scegli l'esame del professor Fiori. Uno dei miei corsi preferiti di tutta la carriera universitaria, durissimo, capace di distruggerti la media con facilità - ma molto, molto formativo. Vita morte e miracoli degli amplificatori e non sono. Sognerai MOS. I tuoi pasti sapranno di silicio. Le tue A maiuscole ti sembreranno degli opamp. Si lavora su un mucchio di circuiti e si arriva a studiare come sono fatti, più approfonditamente che nella triennale. Un corso immenso, letteramente. Esame scritto di mezz'oretta, puramente di progettazione, che viene corretto sul momento all'orale - io avevo un ponte di Wheatstone per convertire in Ohm l'angolo di rotazione di un torsiometro, bisognava scegliere come portare il segnale all'ADC di un micro, condizionandolo e dimensionando tutto. Si impara molto, si lavora molto.
Power electronics: potenza! Con videolezioni comodissime per studiare, si impara come progettare i convertitori. Ho scritto progettare apposta: durante il corso il professore si riferisce continuamente a casi reali, spiegando cosa si fa e cosa no. Queste cose sui libri non si trovano spiegate così bene come a lezione, tant'è che è un po' che gli chiedo se per caso vorrebbe scriverne uno
Il corso mi è piaciuto così tanto da fare la tesi sull'argomento. Mi sarebbe piaciuto che durasse di più ed includesse la progettazione di componenti magnetici, cosa che purtroppo non è possibile.
Anche il resto, ma in particolare questo corso, è molto apprezzato nel mondo del lavoro, sempre affamato di elettronici che facciano potenza.
Advanced electronic drives: si ri-studiano i componenti elettronici di potenza dal lato dei dispositivisti, si studiano le tecniche di PWM e i convertitori DCAC. La progettazione di inverter è molto richiesta sul mondo del lavoro (ho letteralmente ricevuto telefonate che iniziavano con "ma lei sa progettare inverter?"). Purtroppo il corso privilegia il lato puramente teorico di tutte le applicazioni.
Radiating electromagnetic systems: proseguono i campi elettromagnetici. Stavolta si progettano le antenne. È diventata una mia piccola passione, che sto coltivando poco per mancanza di tempo. Ho avuto modo di lavorare esternamente all'esame col professore, è uno molto bravo.
Radio frequency integrated circuits: nel corso non si fanno circuiti integrati. Qualche simulazione su AWR di amplificatori in classe A, B e AB. Si studia tutto dal punto di vista astratto ed estremamente teorico. Grande pregio: si conosce per caso AWR.
Advanced design for signal integrity and compliance, esame a scelta: sceglilo anche solo per l'esame, 6 esercizi secchi di elettrotecnica ed elettronica, con una passata di matematica (sviluppi di Fourier), un vero piacere darlo. Il professore è un'autorità in materia, il corso è molto interessante e veloce da studiare se gli argomenti interessano. Grosso pregio: metà dell'esame è un progetto a piacere, che va discusso col professore.
Ci sono alcune cose che non mi sono piaciute: il corso di finite element modelling è stata una perdita di tempo colossale malgrado l'argomento mi interessi. Il corso di Micro & Nano systems prima era a scelta, ora mi sembra sia obbligatorio e che sia cambiato il programma - quel che ho fatto io...non è stato un qualcosa di utile o formativo, purtroppo - però ho imparato a programmare in VHDL-AMS.
Dimenticavo: fai elettronica, per conto tuo, costruendo e programmando cose, il più possibile compatibilmente col tempo. Fatti un tuo laboratorio a casa! Oltre a divertirti, impari.
Dimenticavo 2: misure. Si studia tutto facendo nel frattempo progettini con Arduino, usando il 328 a basso livello.
I don't fight weather - Woodrow W. Smith
0
voti
Grazie della risposta! Ora sono ufficialmente convinto a fare Analogica alla magistrale
Quindi tu lo consigli rispetto a Optoelettronica per l'indirizzo di Analogica?
No, ho visto solo la parte didattica. Non ho fatto altro che settare registri a destra e a manca per accendere due LED o vedere qualche onda quadra. L'unica parte interessante l'ho fatta in laboratorio, quando abbiamo misurato frequenza e DC delle onde quadre.
E' obbligatorio per l'indirizzo, ma lo avrei scelto lo stesso perché mi hanno detto che è davvero bravo. Tanto alla triennale in alcuni esami non mi hanno trattato con i guanti, quindi non ho tantissima paura (ma ne ho un po')
Mercoledì ho anche appuntamento nel suo ufficio, per discutere della scelta della magistrale e degli sbocchi.
Infatti pensavo di sostituirlo, se me lo permettono, con Sistemi elettronici a basso consumo, per fare anche un po' di digitale, che non fa mai male. Poi volevo mettere l'esame di Piccinini al posto del credito libero, in quanto mi interesserebbe studiare anche un po' di tecnologia.
Mi piacerebbe tantissimo farlo, ma essendo fuorisede la mia casa non è proprio adattissima (ragioni di spazio, non avrei una stanza da dedicare a ciò).
Fedhman ha scritto:High speed electron devices:..
Quindi tu lo consigli rispetto a Optoelettronica per l'indirizzo di Analogica?
Fedhman ha scritto:faberz ha scritto:(la parte sui uC e sul C l'ho odiata dal profondo del cuore)
Aspetta: hai mai fatto qualche progettino per conto tuo coi micro? Oppure hai visto solo la parte didattica durante il corso?..
No, ho visto solo la parte didattica. Non ho fatto altro che settare registri a destra e a manca per accendere due LED o vedere qualche onda quadra. L'unica parte interessante l'ho fatta in laboratorio, quando abbiamo misurato frequenza e DC delle onde quadre.
Fedhman ha scritto:Elettronica analogica e di potenza:...
E' obbligatorio per l'indirizzo, ma lo avrei scelto lo stesso perché mi hanno detto che è davvero bravo. Tanto alla triennale in alcuni esami non mi hanno trattato con i guanti, quindi non ho tantissima paura (ma ne ho un po')
Fedhman ha scritto:...Il corso di Micro & Nano systems prima era a scelta, ora mi sembra sia obbligatorio e che sia cambiato il programma - quel che ho fatto io...non è stato un qualcosa di utile o formativo, purtroppo - però ho imparato a programmare in VHDL-AMS.
Infatti pensavo di sostituirlo, se me lo permettono, con Sistemi elettronici a basso consumo, per fare anche un po' di digitale, che non fa mai male. Poi volevo mettere l'esame di Piccinini al posto del credito libero, in quanto mi interesserebbe studiare anche un po' di tecnologia.
Fedhman ha scritto:Dimenticavo: fai elettronica, per conto tuo, costruendo e programmando cose, il più possibile compatibilmente col tempo. Fatti un tuo laboratorio a casa! Oltre a divertirti, impari.
Mi piacerebbe tantissimo farlo, ma essendo fuorisede la mia casa non è proprio adattissima (ragioni di spazio, non avrei una stanza da dedicare a ciò).
"One good operational amplifier is worth 1000 microprocessors!"
L'arrogante pensa di essere superiore agli altri. Chi ha autostima pensa di non essere inferiore a nessuno.
L'arrogante pensa di essere superiore agli altri. Chi ha autostima pensa di non essere inferiore a nessuno.
0
voti
faberz ha scritto:Quindi tu lo consigli rispetto a Optoelettronica per l'indirizzo di Analogica?
Non saprei, ho ricordi vaghi di chi la seguiva
faberz ha scritto:Infatti pensavo di sostituirlo, se me lo permettono, con Sistemi elettronici a basso consumo, per fare anche un po' di digitale, che non fa mai male.
Quello è un bel corso, l'ho seguito con piacere. Prendi appunti direttamente sulle dispense a lezione.
faberz ha scritto:Mi piacerebbe tantissimo farlo, ma essendo fuorisede la mia casa non è proprio adattissima (ragioni di spazio, non avrei una stanza da dedicare a ciò).
Capisco - chiamo in causa l'amico fuorisede che lo fa, tale
I don't fight weather - Woodrow W. Smith
1
voti
Io un piccolo laboratorio a casa ce l'ho... e più fuorisede di me che vengo dalla Sicilia non c'è nessuno
Comunque, per farsi un laboratorio base non occorre una stanza: io me la sono cavata con tre-quattro scaffali dove riporre la strumentazione quando non la uso e qualche box per i componenti. Al momento ho a disposizione:
- Oscilloscopio
- Generatore di segnali
- Una decina di cavi di varia natura (oltre a quelli inclusi con gli strumenti, si intende)
- Alimentatore
- Sonda logica
- Oltre un centinaio di componenti: resistori (anche a trimmer), condensatori, induttori, diodi ("standard", Zener, Schottky...), transistor (MOS, BJT e JFET), integrati di ogni tipo (si va da un filtro programmabile della Maxim fino al favoloso INA-110, passando per microcontrollori, inverter a trigger di Schmitt, convertitori A/D delta-sigma, un paio di 555...), quarzi risonatori, qualche relay, un paio di interruttori meccanici, dei sensori, mi pare uno o due fotoresistori...
- Attrezzi vari: cacciavite per trimmer, tronchesina, crimper, pinzetta per componenti...
- Sei o sette breadboard di varie dimensioni e relativi ponticelli (molti usano i cavetti, ma io odio quelle matasse inintellegibili e quindi ho dei ponticelli rigidi)
Comunque, per farsi un laboratorio base non occorre una stanza: io me la sono cavata con tre-quattro scaffali dove riporre la strumentazione quando non la uso e qualche box per i componenti. Al momento ho a disposizione:
- Oscilloscopio
- Generatore di segnali
- Una decina di cavi di varia natura (oltre a quelli inclusi con gli strumenti, si intende)
- Alimentatore
- Sonda logica
- Oltre un centinaio di componenti: resistori (anche a trimmer), condensatori, induttori, diodi ("standard", Zener, Schottky...), transistor (MOS, BJT e JFET), integrati di ogni tipo (si va da un filtro programmabile della Maxim fino al favoloso INA-110, passando per microcontrollori, inverter a trigger di Schmitt, convertitori A/D delta-sigma, un paio di 555...), quarzi risonatori, qualche relay, un paio di interruttori meccanici, dei sensori, mi pare uno o due fotoresistori...
- Attrezzi vari: cacciavite per trimmer, tronchesina, crimper, pinzetta per componenti...
- Sei o sette breadboard di varie dimensioni e relativi ponticelli (molti usano i cavetti, ma io odio quelle matasse inintellegibili e quindi ho dei ponticelli rigidi)
-

rugweri
5.948 2 7 11 - CRU - Account cancellato su Richiesta utente
- Messaggi: 1366
- Iscritto il: 25 nov 2016, 18:46
1
voti
Tutti ad analogica... mi sento solo
Ah, già che ci siamo: per i neo-iscritti alla magistrale, vorrei condividere le dimensioni non indifferenti degli appunti che il buon
Fedhman ha realizzato per il corso del prof. Fiori... così, giusto per farvi sapere cosa vi aspetta
(Giusto per confronto: il testo accanto è il Dally-Poulton, un discreto mattoncino di circa 700 pagine piuttosto spesse)
Ah, già che ci siamo: per i neo-iscritti alla magistrale, vorrei condividere le dimensioni non indifferenti degli appunti che il buon
(Giusto per confronto: il testo accanto è il Dally-Poulton, un discreto mattoncino di circa 700 pagine piuttosto spesse)
-

rugweri
5.948 2 7 11 - CRU - Account cancellato su Richiesta utente
- Messaggi: 1366
- Iscritto il: 25 nov 2016, 18:46
1
voti
Io ho acquistato l'anno scorso degli appunti del prof. Fiori, ma non credo che siano i tuoi (a questo vado a cercare anche i tuoi
). Non ho sostenuto quell'esame ma ero curioso di sapere cosa si insegnasse lì e devo ammettere che il programma è veramente vasto e completo e alcuni argomenti li ho capiti leggendo quegli appunti. Gli esami più pesanti sono sempre quelli che ti insegnano di più, non c'è nulla da fare.
21 messaggi
• Pagina 2 di 3 • 1, 2, 3
Torna a Informazioni varie più o meno utili
Chi c’è in linea
Visitano il forum: Nessuno e 4 ospiti

Elettrotecnica e non solo (admin)
Un gatto tra gli elettroni (IsidoroKZ)
Esperienza e simulazioni (g.schgor)
Moleskine di un idraulico (RenzoDF)
Il Blog di ElectroYou (webmaster)
Idee microcontrollate (TardoFreak)
PICcoli grandi PICMicro (Paolino)
Il blog elettrico di carloc (carloc)
DirtEYblooog (dirtydeeds)
Di tutto... un po' (jordan20)
AK47 (lillo)
Esperienze elettroniche (marco438)
Telecomunicazioni musicali (clavicordo)
Automazione ed Elettronica (gustavo)
Direttive per la sicurezza (ErnestoCappelletti)
EYnfo dall'Alaska (mir)
Apriamo il quadro! (attilio)
H7-25 (asdf)
Passione Elettrica (massimob)
Elettroni a spasso (guidob)
Bloguerra (guerra)







