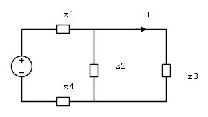
I =2A
Z2=200 OHM
Z4=10+J10 OHM
P3=1000W
Q3=1000VAR
Il verso della I mi induce a pensare che la I è la corrente che scorre in Z3..
Z3 manca, non so se è l'esercizio che è proprio cosi, oppure un errore, visto che sono prove di esame vecchie.. delle volte alcune cose mancanti vengono comunicate a voce.
Comunque ...
Assodato che la I non è la corrente che scorre nel circuito, ma quella che scorre nell'impedenza R3..
Io avrei risolto in questo modo..
1) parallelo tra Z2//Z3 , ammesso che Z3 manca per errore
2) Trovo la corrente totale del circuito e chiamo

3) ora sapendo che
facendo un partitore di corrente e inserendo
trovo
;Infine calcolo
questo è il mio tentativo di risoluzione ..

Elettrotecnica e non solo (admin)
Un gatto tra gli elettroni (IsidoroKZ)
Esperienza e simulazioni (g.schgor)
Moleskine di un idraulico (RenzoDF)
Il Blog di ElectroYou (webmaster)
Idee microcontrollate (TardoFreak)
PICcoli grandi PICMicro (Paolino)
Il blog elettrico di carloc (carloc)
DirtEYblooog (dirtydeeds)
Di tutto... un po' (jordan20)
AK47 (lillo)
Esperienze elettroniche (marco438)
Telecomunicazioni musicali (clavicordo)
Automazione ed Elettronica (gustavo)
Direttive per la sicurezza (ErnestoCappelletti)
EYnfo dall'Alaska (mir)
Apriamo il quadro! (attilio)
H7-25 (asdf)
Passione Elettrica (massimob)
Elettroni a spasso (guidob)
Bloguerra (guerra)







è ignota.


, indicava il valore efficace. Se si voleva indicare il valore massimo si metteva il pedice
. E nella formula della potenza non c'era 1/2 se le grandezze erano senza pedice. Ora invece è di moda l'ambiguità
crei solo confusione.

(cioè:
°)