Salve
Sto cercando di verificare una situazione del genere:
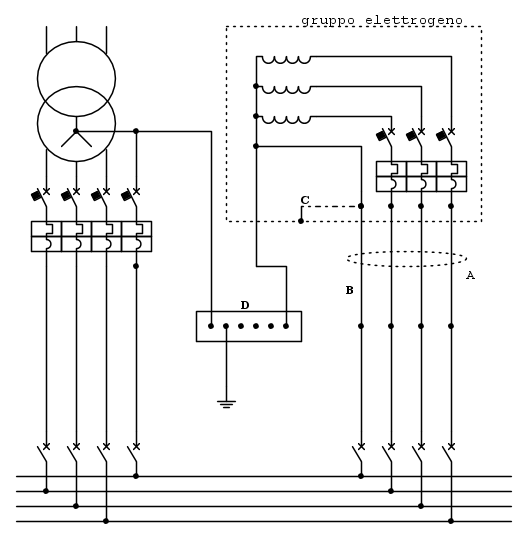
MAgari è venuto male, scusate ma è il mio primo schema fidocad
Il gruppo elettrogeno è un gruppo da 500 kVA circa.
E' distante dal quadro generale e dall'edificio circa una 50ina di metri, la connessione è effettuata con la conduttura "A"
"D" è il collettore di terra
Il sistema è TN-S con Trafi MT/bt
Arrivo al dubbio.
A me lo schema sembrerebbe corretto
"A" è un PEN dimensionato sulle protezioni di GE
C è il PE o EQP e mette a terra le masse locali
é corretto o mi sfugge qualcosa? Oppure è necessario un PE che va diretto dal Centrostella al collettore di terra??
Grazie
Messa a terra alternatore GE
Moderatori:
sebago,
MASSIMO-G,
lillo,
Mike
11 messaggi
• Pagina 1 di 2 • 1, 2
2
voti
NSE ha scritto:é corretto o mi sfugge qualcosa? Oppure è necessario un PE che va diretto dal Centrostella al collettore di terra??
Sulla rete elettrica sei in TN-S, dal gruppo elettrogeno fino al DG sei invece in un TN-C. Dipende cosa intendi per corretto.
--
Michele Lysander Guetta
--
"Non pensare mai al dolore, al pericolo o ai nemici un momento più lungo del necessario per combatterli." — Ayn Rand
Michele Lysander Guetta
--
"Non pensare mai al dolore, al pericolo o ai nemici un momento più lungo del necessario per combatterli." — Ayn Rand
-

Mike
55,6k 7 10 12 - G.Master EY

- Messaggi: 17001
- Iscritto il: 1 ott 2004, 18:25
- Località: Conegliano (TV)
0
voti
Corretto intendo che non mi sfugga una cappella enorme, per disattenzione.
Per quanto riguarda la sicurezza sugli impianti elettrici, non ci vedrei grandi problemi.
La differenza che vedo tra lo schema che ho postato io, e quello che ha postato
gabrisav ( e che di solito utilizzo) è che:
1) Il collegamento tra centro stella del generatore e collettore di terra è perennemente percorso da corrente e probabilmente armoniche, mi può spostare il potenziale delle masse? mi può creare problemi di interferenze elettromagnetiche?
2) nel caso del secondo schema posso adottare una protezione del generatore anche con un relè omopolare, e mi proteggo anche dai guasti interni, mi pare che possa essere ok anche nel primo schema.
Insomma. . mi sto facendo un po' di pippe mentali su una cosa. .che forse è banale.
Per quanto riguarda la sicurezza sugli impianti elettrici, non ci vedrei grandi problemi.
La differenza che vedo tra lo schema che ho postato io, e quello che ha postato
1) Il collegamento tra centro stella del generatore e collettore di terra è perennemente percorso da corrente e probabilmente armoniche, mi può spostare il potenziale delle masse? mi può creare problemi di interferenze elettromagnetiche?
2) nel caso del secondo schema posso adottare una protezione del generatore anche con un relè omopolare, e mi proteggo anche dai guasti interni, mi pare che possa essere ok anche nel primo schema.
Insomma. . mi sto facendo un po' di pippe mentali su una cosa. .che forse è banale.
Altrove. .Volutamente Anonimo
1
voti
NSE ha scritto:1) Il collegamento tra centro stella del generatore e collettore di terra è perennemente percorso da corrente e probabilmente armoniche, mi può spostare il potenziale delle masse? mi può creare problemi di interferenze elettromagnetiche?
Le problematiche che riscontro sono solo quelle del PEN che è vietato negli ambienti a maggior rischio in caso d'incendio e l'impossibilità di utilizzare dispositivi differenziali, nonché la maggiore difficoltà nella ricerca guasti.
NSE ha scritto:2) nel caso del secondo schema posso adottare una protezione del generatore anche con un relè omopolare, e mi proteggo anche dai guasti interni, mi pare che possa essere ok anche nel primo schema.
La soluzione in TN-S è certamente la soluzione migliore, ma se la soluzione in TN-C è esistente e non si trova in un ambiente a maggior in caso d'incendio non vedo necessità di adeguamenti ai fini della sicurezza.
NSE ha scritto:Insomma. . mi sto facendo un po' di pippe mentali su una cosa. .che forse è banale.
No, per esperienza, non c'è mai nulla di banale quando si parla di sicurezza, di solito i problemi nascono proprio dalle banalità.
--
Michele Lysander Guetta
--
"Non pensare mai al dolore, al pericolo o ai nemici un momento più lungo del necessario per combatterli." — Ayn Rand
Michele Lysander Guetta
--
"Non pensare mai al dolore, al pericolo o ai nemici un momento più lungo del necessario per combatterli." — Ayn Rand
-

Mike
55,6k 7 10 12 - G.Master EY

- Messaggi: 17001
- Iscritto il: 1 ott 2004, 18:25
- Località: Conegliano (TV)
2
voti
Mancava un dato.
Il collegamento tra GE e QUGBT è un 80ina di metri interrato.
Quindi, non ci dovrebbero essere problemi di luoghi MARCI, fatto salvo che adesso la normativa non lo vieti pure a monte.
Tuttavia sono arrivato alla fine delle elucubrazioni mentali...
Secondo CEI 64-8 non ci sono problemi.
La protezione omopolare dell'alternatore la potrei attuare comunque.
Tuttavia procederò per un collegamento in sistema tutto TN-S quindi con collegamento di PE tra centrostella alternatore, e Barra di terra nella cabina.
Il motivo l'ho trovato in questo documento:
http://www.chconsulting.it/wp-content/uploads/2012/10/Guida_EMC_Gruppo-Schneider.pdf
In pratica il sistema tutto TN-S è più immune per la propagazione dei disturbi EMC, visto che in quel centro, potrei avere di questi problemi e comunque sia in linea generale, visto la tendenza ad utilizzare apparecchiature sempre più elettroniche e sempre più sensibili, preferisco prevenire.
Grazie dello scambio.
Il collegamento tra GE e QUGBT è un 80ina di metri interrato.
Quindi, non ci dovrebbero essere problemi di luoghi MARCI, fatto salvo che adesso la normativa non lo vieti pure a monte.
Tuttavia sono arrivato alla fine delle elucubrazioni mentali...
Secondo CEI 64-8 non ci sono problemi.
La protezione omopolare dell'alternatore la potrei attuare comunque.
Tuttavia procederò per un collegamento in sistema tutto TN-S quindi con collegamento di PE tra centrostella alternatore, e Barra di terra nella cabina.
Il motivo l'ho trovato in questo documento:
http://www.chconsulting.it/wp-content/uploads/2012/10/Guida_EMC_Gruppo-Schneider.pdf
In pratica il sistema tutto TN-S è più immune per la propagazione dei disturbi EMC, visto che in quel centro, potrei avere di questi problemi e comunque sia in linea generale, visto la tendenza ad utilizzare apparecchiature sempre più elettroniche e sempre più sensibili, preferisco prevenire.
Grazie dello scambio.
Altrove. .Volutamente Anonimo
1
voti
La Power Quality sarà il problema da affrontare nel prossimo futuro, per cui hai fatto bene!
--
Michele Lysander Guetta
--
"Non pensare mai al dolore, al pericolo o ai nemici un momento più lungo del necessario per combatterli." — Ayn Rand
Michele Lysander Guetta
--
"Non pensare mai al dolore, al pericolo o ai nemici un momento più lungo del necessario per combatterli." — Ayn Rand
-

Mike
55,6k 7 10 12 - G.Master EY

- Messaggi: 17001
- Iscritto il: 1 ott 2004, 18:25
- Località: Conegliano (TV)
11 messaggi
• Pagina 1 di 2 • 1, 2
Torna a Impianti, sicurezza e quadristica
Chi c’è in linea
Visitano il forum: Nessuno e 51 ospiti

Elettrotecnica e non solo (admin)
Un gatto tra gli elettroni (IsidoroKZ)
Esperienza e simulazioni (g.schgor)
Moleskine di un idraulico (RenzoDF)
Il Blog di ElectroYou (webmaster)
Idee microcontrollate (TardoFreak)
PICcoli grandi PICMicro (Paolino)
Il blog elettrico di carloc (carloc)
DirtEYblooog (dirtydeeds)
Di tutto... un po' (jordan20)
AK47 (lillo)
Esperienze elettroniche (marco438)
Telecomunicazioni musicali (clavicordo)
Automazione ed Elettronica (gustavo)
Direttive per la sicurezza (ErnestoCappelletti)
EYnfo dall'Alaska (mir)
Apriamo il quadro! (attilio)
H7-25 (asdf)
Passione Elettrica (massimob)
Elettroni a spasso (guidob)
Bloguerra (guerra)





