Ciao ragazzi sto testando una macchina che avrà un assorbimento complessivo di 8.4 kW quindi sono costretto a usare una trifase a stella e dividere le potenze sulle tre fase.
La divisone che ho pensato è la seguente:
1P: Riscaldatore(3.5KW)
2P: Riscaldatore(3.5W)
3P: Tutto il resto dell'elettronica(1.4KW)
Non ho molta esperienza con la trifase quindi qualsiasi link sulle normative in vigore mi sarebbe d'aiuto (anche qualche guida ecc...).
Come potete vedere non è molto equilibrato per di più i riscaldatori ad un certo punto verranno spenti quindi può essere un problema per lo sfasamento? In caso di risposta affermativa come posso risolvere ?
Per quanto riguarda il circuito di protezione avevo pensato di mettere un differenziale a 4P da 16A o 20A e un magnetotermici con la stessa corrente nominale giusto ? serve o è consigliato qualcos'altro ?
Pensavo di inserire dei relay a stato solido per gestire i due riscaldatori e quindi staccare del tutto l'alimentazione quando non servono? che ne pesate ci sono componenti più idonee?
Inoltre pensavo di mettere fusibili auto ripristinanti per le sotto componenti dell'elettronica ma non ne ho trovati con attacco DIN mi potreste segnalare qualche rivenditore ?
Vi ringrazio in anticipo per le risposte :)
Impianto trifase
Moderatori:
g.schgor,
IsidoroKZ
7 messaggi
• Pagina 1 di 1
0
voti
comincio dalla fine
posto che non parliamo di fusibile termico, se il fusibile fonde (e quindi attua la protezione) come fa ad auto ripristinarsi?
i teleruttori non ti piacevano?
ma poi non hai detto una cosa fondamentale...
questa "macchina" chiede alimentazione trifase? a che tensione?
i riscaldatori, sicuro siano monofase? io ho dei grossi dubbi...
Laix ha scritto:fusibili auto ripristinanti
posto che non parliamo di fusibile termico, se il fusibile fonde (e quindi attua la protezione) come fa ad auto ripristinarsi?
Laix ha scritto:Pensavo di inserire dei relay a stato solido per gestire i due riscaldatori e quindi staccare del tutto l'alimentazione quando non servono? che ne pesate ci sono componenti più idonee?
i teleruttori non ti piacevano?
ma poi non hai detto una cosa fondamentale...
questa "macchina" chiede alimentazione trifase? a che tensione?
i riscaldatori, sicuro siano monofase? io ho dei grossi dubbi...
Ognuno sta solo sul cuor della terra
trafitto da un raggio di sole:
ed è subito sera
Salvatore Quasimodo
trafitto da un raggio di sole:
ed è subito sera
Salvatore Quasimodo
0
voti
I fusibili auto ripristinanti sono in realtà dei PTC (Positive Temperature coefficient) dei resistori che variano la loro resistenza in modo da farla aumentare con la temperatura.
Nel funzionamento come fusibile l'effetto termico di una corrente oltre la nominale porta la resistenza dell'elemento ad aumentare fino ad interrompere il circuito.
Lasciando raffreddare il tutto ad un certo punto tornano allo stato di partenza.
Questi gingilli si utilizzano generalmente nelle applicazioni elettroniche con correnti non troppo sostenute, spesso li si trova negli alimentatori switching e compagnia.
Non mi sono note applicazioni nell'impiantistica elettrica, dubito ne troverai con montaggio DIN.
Nell'automazione industriale si utilizzano fusibili di tipo tradizionale a cartuccia.
Pensavo di inserire dei relay a stato solido per gestire i due riscaldatori
Magari vuole attuare qualche controllo di potenza, per esempio a treno di impulsi o a parzializzazione di fase che una soluzione elettromeccanica non potrebbe gestire
0
voti
Allora vi ringrazio per le risposte e mi scuso se dico qualche cavolata ma sono alle prima armi:
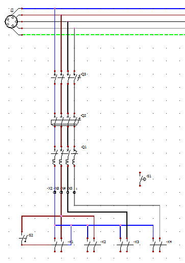
Ecco un bozza preliminare del progetto fatto con DesignSpark (l'ho scelto perché è fondamentalmente gratuito ma se avete consigli sparate pure, più in la ho intenzione di usare Solidworks Electrical cosi da importare tutto con più facilita nel progetto 3D della macchina):
Allora come vedete non c'è ancora un gran ché ma ho inserito:
Q3) Un sezionatore da inserire dietro la macchina come interruttore generale.
Q2) Un differenziale
Q1) Un magneto-termico [2-5]
K[1-4]) Teleruttore per controllare le varie parti della macchina
K1) Per elettronica (ovvero un alimentatore da 12V)
K2) Per attuatori (ovvero un alimentatore da 24 V)
K3) Riscaldatore 1
K4) Riscaldatore 2
S2) Pulsante d'accensione per la macchina serve solo ad alimentare il K1
Ovviamente c'è da inserire il pulsante d'emergenza che scollega il teleruttoti K[2-4] e l'elettronica deve poter controllare i teleruttori K[2-4] per accenderli quando servono.
hai ragione non mi erano venuti in mente :)
Allora in teoria no è tutto monofase ma l'assorbimento super i 8KW quindi non posso utilizzare solo una fase non è vietato per legge fino a 6 kW?
Ecco un bozza preliminare del progetto fatto con DesignSpark (l'ho scelto perché è fondamentalmente gratuito ma se avete consigli sparate pure, più in la ho intenzione di usare Solidworks Electrical cosi da importare tutto con più facilita nel progetto 3D della macchina):
Allora come vedete non c'è ancora un gran ché ma ho inserito:
Q3) Un sezionatore da inserire dietro la macchina come interruttore generale.
Q2) Un differenziale
Q1) Un magneto-termico [2-5]
K[1-4]) Teleruttore per controllare le varie parti della macchina
K1) Per elettronica (ovvero un alimentatore da 12V)
K2) Per attuatori (ovvero un alimentatore da 24 V)
K3) Riscaldatore 1
K4) Riscaldatore 2
S2) Pulsante d'accensione per la macchina serve solo ad alimentare il K1
Ovviamente c'è da inserire il pulsante d'emergenza che scollega il teleruttoti K[2-4] e l'elettronica deve poter controllare i teleruttori K[2-4] per accenderli quando servono.
attilio ha scritto:i teleruttori non ti piacevano?
hai ragione non mi erano venuti in mente :)
attilio ha scritto:questa "macchina" chiede alimentazione trifase? a che tensione?
i riscaldatori, sicuro siano monofase? io ho dei grossi dubbi...
Allora in teoria no è tutto monofase ma l'assorbimento super i 8KW quindi non posso utilizzare solo una fase non è vietato per legge fino a 6 kW?
1
voti
Laix ha scritto:
Allora come vedete non c'è ancora un gran ché ma ho inserito:
Q3) Un sezionatore da inserire dietro la macchina come interruttore generale.
Q2) Un differenziale
Q1) Un magneto-termico [2-5]
Se metti un interruttore magnetotermico differenziale fai tutto con un dispositivo solo in 4 moduli DIN
solo una fase non è vietato per legge fino a 6 kW?
Non è vietato, bisogna vedere se hai a disposizione la potenza che ti serve su una fase sola
0
voti
Goofy ha scritto:Se metti un interruttore magnetotermico differenziale fai tutto con un dispositivo solo in 4 moduli DIN
Cercando su RS ho trovato magnetotermici differenziale a 4 poli che costano piu di 2 mila euro ....possibile ? quindi per il momento ho optato per separare le cose, cosi risparmio più di 600€
0
voti
Laix ha scritto: cosi risparmio più di 600€
Se mi mandi 50 euro ti passo un link che ti fa risparmiare 1800 euro ...
http://www.ebay.it/itm/DIFFERENZIALE-MA ... SwBLlVYD7t
7 messaggi
• Pagina 1 di 1
Torna a Elettrotecnica generale
Chi c’è in linea
Visitano il forum: Nessuno e 18 ospiti

Elettrotecnica e non solo (admin)
Un gatto tra gli elettroni (IsidoroKZ)
Esperienza e simulazioni (g.schgor)
Moleskine di un idraulico (RenzoDF)
Il Blog di ElectroYou (webmaster)
Idee microcontrollate (TardoFreak)
PICcoli grandi PICMicro (Paolino)
Il blog elettrico di carloc (carloc)
DirtEYblooog (dirtydeeds)
Di tutto... un po' (jordan20)
AK47 (lillo)
Esperienze elettroniche (marco438)
Telecomunicazioni musicali (clavicordo)
Automazione ed Elettronica (gustavo)
Direttive per la sicurezza (ErnestoCappelletti)
EYnfo dall'Alaska (mir)
Apriamo il quadro! (attilio)
H7-25 (asdf)
Passione Elettrica (massimob)
Elettroni a spasso (guidob)
Bloguerra (guerra)





