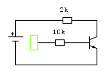
Rifai le prove e riferisci cosa salta fuori con la base connessa alla resistenza da 10 kohm o a massa. Le misure falle TRA COLLETTORE ED EMETTITORE.
@ il risultato non cambia perché ormai il BC è defunto!
Moderatori:
carloc,
g.schgor,
BrunoValente,
IsidoroKZ
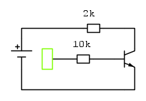
Piercarlo ha scritto:Dammi retta: usa una sola alimentazione (quella da 12 volt) poi a questa colleghi 1) una resistenza da 1 kohm che va a collettore e 2) una resistenza da 10 kohm che va alla base.
Rifai le prove e riferisci cosa salta fuori con la base connessa alla resistenza da 10 kohm o a massa. Le misure falle TRA COLLETTORE ED EMETTITORE.
@ il risultato non cambia perché ormai il BC è defunto!
Questa volta le ho reinserite io ma la prossima, piuttosto che inserire immagine che poi andranno perse, trascrive la lettura del tester che si fa pure prima!



non fai il piacere a nessuno, lo fai solo a te stesso, ma evidentemente non lo hai capito.Aster ha scritto:sinceramente mi sfugge la necessità di usare fidocad per una cosa così banale, comunque faccio felice AjeieBrazov (...)


Visitano il forum: Google [Bot] e 213 ospiti