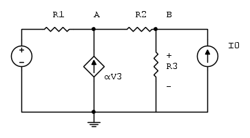
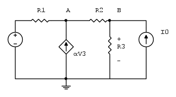
Ho risolto l'esercizio con i potenziali nodali , e ho scritto qui le equazioni ai 2 nodi
Nel calcolare la potenza mi è sorto qualche dubbio e quindi volevo sapere se sbagliavo qualcosa
Grazie a tutti per l'aiuto;
NODO A

NODO B

Una volta scritta le equazioni ai nodi, devo trovare la potenza erogata dal generatore controllato
la potenza

quindi la tensione del generatore di tensione controllato in corrente sarebbe il potenziale al nodo A e la corrente sarebbe il potenziale al nodo B fratto R3


Elettrotecnica e non solo (admin)
Un gatto tra gli elettroni (IsidoroKZ)
Esperienza e simulazioni (g.schgor)
Moleskine di un idraulico (RenzoDF)
Il Blog di ElectroYou (webmaster)
Idee microcontrollate (TardoFreak)
PICcoli grandi PICMicro (Paolino)
Il blog elettrico di carloc (carloc)
DirtEYblooog (dirtydeeds)
Di tutto... un po' (jordan20)
AK47 (lillo)
Esperienze elettroniche (marco438)
Telecomunicazioni musicali (clavicordo)
Automazione ed Elettronica (gustavo)
Direttive per la sicurezza (ErnestoCappelletti)
EYnfo dall'Alaska (mir)
Apriamo il quadro! (attilio)
H7-25 (asdf)
Passione Elettrica (massimob)
Elettroni a spasso (guidob)
Bloguerra (guerra)


non la corrente erogata dal generatore che è 


al numeratore, sì.


