Ponte ad H BJT + fotoaccoppiatore.
Moderatori:
carloc,
g.schgor,
BrunoValente,
IsidoroKZ
27 messaggi
• Pagina 2 di 3 • 1, 2, 3
1
voti
lucaking ha scritto:perrcio R1 dovrebbe valere almeno 14 volte meno di Rbase
Ha senso ciò che ho detto?
Mi pare di sì, quindi R1 dovrebbe valere circa 150 ohm.. che significa circa 60mA nel fotoaccoppiatore per averne 40 nel motore
-

BrunoValente
39,6k 7 11 13 - G.Master EY

- Messaggi: 7796
- Iscritto il: 8 mag 2007, 14:48
0
voti
BrunoValente ha scritto: che significa circa 60mA nel fotoaccoppiatore per averne 40 nel motore
Si si, ho capito che non ha molto senso, era piu che altro per fare un po di pratica e capire come "vedere" il circuito.
Comunque grazie.
0
voti
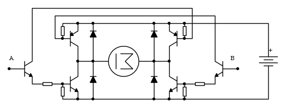
EcoTan ha scritto:Per fare un ponte H quel circuito ha tanti problemi, da dove lo hai preso?
A dire il vero non ricordo, avevo il disegno del ponte a BJT sul mio quaderno, lo avevo provato con l'arduino qualche tempo fa e senza optoisolatori sembrava funzionare.
I fotoaccoppiatori li ho recuperati e ho provato a metterceli io a "sentimento", infatti è da li che sono cominciati i problemi...
A sto punto la domanda sorge spontanea.
Driver gia fatti a parte, qual è un buon circuito su cui poter fare un po di pratica?
Ne esistono a bipolari o bisogna usare i mosfet?
1
voti
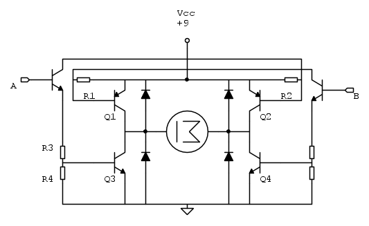
Con quel circuito se metti dei darlington al posto degli NPN puoi aumentare di molto il valore della resistenza in serie alla base, così riesci a farlo lavorare anche con valori di R1 decenti.
Ovviamente con i darlington non puoi salire con la frequenza di commutazione ma mi pare tu stia utilizzando il circuito solo per accendere il motore, non per comandarlo in PWM o sbaglio?
Ovviamente con i darlington non puoi salire con la frequenza di commutazione ma mi pare tu stia utilizzando il circuito solo per accendere il motore, non per comandarlo in PWM o sbaglio?
-

BrunoValente
39,6k 7 11 13 - G.Master EY

- Messaggi: 7796
- Iscritto il: 8 mag 2007, 14:48
1
voti
lucaking ha scritto:circuito su cui poter fare un po di pratica?
Questo l'avrò usato cento volte però achtung, non bisogna mai dare alto su A e B contemporaneamente anzi bisogna garantire un dead time. Però è buono perché non spreca tensione e commuta facile.
0
voti
Ai darlington c'ho pensato, ma ho solo degli NPN e tanto per fare qualcosa l'ho messo su cosi.
Si, per ora l' intenzione era solo quella di far girare il motore a vuoto con quello che avevo in casa tanto per capire il funzionamento e i limiti del sistema.
Comunque giusto pour parle, per il controllo in PWM quindi la soluzione sono i mosfet?
Ora mi ridisegno il tuo circuito e cerco di metterlo su e capirci qualcosa, poi ti dico.
Conta che erano tre sere che macinavo sul vecchio per capirci qualcosa quindi non aspettarti miracoli.
0
voti
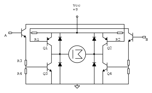
Bene, tornando a noi, ho ridisegnato il circuito che mi ha proposto
EcoTan solo per cercare di renderlo piu comprensibile al mio scarso "occhio da elettronico", mi pare si giusto, comunque vi prego di darci un occhio.
Il problema è che tanto per cambiare il funzionamento non mi è chiarissimo, e prima di fare ragionamenti "originali", preferirei che qualcuno di voi, ovviamente se ha voglia, mi desse qualche dritta per analizzare il circuito.
Mettiamo il caso di voler far condurre Q2 e Q3, su R2 e R4 dovrebbero cadere almeno 0.6/0.7V giuso?
Mi fermo qui prima di dire boiate piu grosse.
Il problema è che tanto per cambiare il funzionamento non mi è chiarissimo, e prima di fare ragionamenti "originali", preferirei che qualcuno di voi, ovviamente se ha voglia, mi desse qualche dritta per analizzare il circuito.
Mettiamo il caso di voler far condurre Q2 e Q3, su R2 e R4 dovrebbero cadere almeno 0.6/0.7V giuso?
Mi fermo qui prima di dire boiate piu grosse.
2
voti
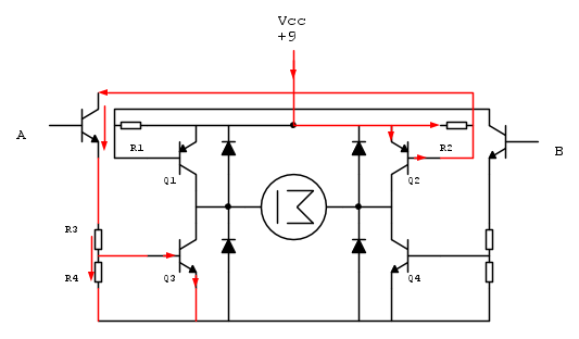
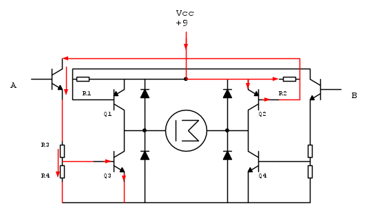
Un tanto per chiarezza, evidenziamo in rosso dove passa la corrente nel caso di accensione di Q2 e Q3:
La corrente scorre sia su R2 e R4 che nelle basi dei transistor. Il ragionamento che devi fare non è tanto su R2 e su R4 devono cadere 0,6/0,7V, quanto R2 ed R4 devono essere grandi a sufficienza da consentire ai diodi B-E dei due transistor di polarizzarsi a sufficienza. Se R2 ed R4 sono troppo piccole, la corrente che fluisce nella maglia R2+R3+R4 non riuscirà a creare su R2 e R4 una caduta sufficiente alla corretta polarizzazione delle giunzioni base emettitore.
EDIT: magari così viene più chiaro. Se i due transistor non riescono ad accendersi, puoi considerare che la corrente che scorre su quella maglia sia semplicemente quella data dalla serie delle tre resistenze:

Quindi, per esempio, su R2 avrai la tensione:

che sarà in questo caso minore di 0,6. Il caso limite sarà quando è esattamente uguale a 0,6, quindi puoi calcolare come valore minimo-dal-quale-tenerti-alla-larga di R2:

da cui, mettendo R2 = R4 = Rb (non ha senso che siano diverse)

Personalmente, mi terrei almeno 5 volte superiore al limite.
Che succede invece se sono di valore troppo elevato? dal punto di vista dell'accensione niente, il problema lo avresti in spegnimento visto che le due capacità di base di Q2 e Q3 non avrebbero un carico su cui scaricarsi, portando quindi ad un sensibile rallentamento nello spegnimento dei transistor.
Ricapitolando: scegli R2 e R4 abbastanza grosse da assicurarti la polarizzazione delle B-E, abbastanza piccole da scaricare le basi dei transistor velocemente in spegnimento. Tieni presente che non sarà mai istantaneo, da qui il "dead time" di cui parlava
EcoTan nel suo post.
La corrente scorre sia su R2 e R4 che nelle basi dei transistor. Il ragionamento che devi fare non è tanto su R2 e su R4 devono cadere 0,6/0,7V, quanto R2 ed R4 devono essere grandi a sufficienza da consentire ai diodi B-E dei due transistor di polarizzarsi a sufficienza. Se R2 ed R4 sono troppo piccole, la corrente che fluisce nella maglia R2+R3+R4 non riuscirà a creare su R2 e R4 una caduta sufficiente alla corretta polarizzazione delle giunzioni base emettitore.
EDIT: magari così viene più chiaro. Se i due transistor non riescono ad accendersi, puoi considerare che la corrente che scorre su quella maglia sia semplicemente quella data dalla serie delle tre resistenze:

Quindi, per esempio, su R2 avrai la tensione:

che sarà in questo caso minore di 0,6. Il caso limite sarà quando è esattamente uguale a 0,6, quindi puoi calcolare come valore minimo-dal-quale-tenerti-alla-larga di R2:

da cui, mettendo R2 = R4 = Rb (non ha senso che siano diverse)

Personalmente, mi terrei almeno 5 volte superiore al limite.
Che succede invece se sono di valore troppo elevato? dal punto di vista dell'accensione niente, il problema lo avresti in spegnimento visto che le due capacità di base di Q2 e Q3 non avrebbero un carico su cui scaricarsi, portando quindi ad un sensibile rallentamento nello spegnimento dei transistor.
Ricapitolando: scegli R2 e R4 abbastanza grosse da assicurarti la polarizzazione delle B-E, abbastanza piccole da scaricare le basi dei transistor velocemente in spegnimento. Tieni presente che non sarà mai istantaneo, da qui il "dead time" di cui parlava
_______________________________________________________
Gli oscillatori non oscillano mai, gli amplificatori invece sempre
Io HO i poteri della supermucca, e ne vado fiero!
Gli oscillatori non oscillano mai, gli amplificatori invece sempre
Io HO i poteri della supermucca, e ne vado fiero!
0
voti
obiuan ha scritto:Un tanto per chiarezza, evidenziamo in rosso dove passa la corrente nel caso di accensione di Q2 e Q3
Grande,è proprio la spiegazione che speravo.
Lo so che è facile da dire adesso
certo che ora è un' altra cosa.Grazie
27 messaggi
• Pagina 2 di 3 • 1, 2, 3
Chi c’è in linea
Visitano il forum: Nessuno e 229 ospiti

Elettrotecnica e non solo (admin)
Un gatto tra gli elettroni (IsidoroKZ)
Esperienza e simulazioni (g.schgor)
Moleskine di un idraulico (RenzoDF)
Il Blog di ElectroYou (webmaster)
Idee microcontrollate (TardoFreak)
PICcoli grandi PICMicro (Paolino)
Il blog elettrico di carloc (carloc)
DirtEYblooog (dirtydeeds)
Di tutto... un po' (jordan20)
AK47 (lillo)
Esperienze elettroniche (marco438)
Telecomunicazioni musicali (clavicordo)
Automazione ed Elettronica (gustavo)
Direttive per la sicurezza (ErnestoCappelletti)
EYnfo dall'Alaska (mir)
Apriamo il quadro! (attilio)
H7-25 (asdf)
Passione Elettrica (massimob)
Elettroni a spasso (guidob)
Bloguerra (guerra)







