Cos'è ElectroYou | Login Iscriviti

ElectroYou - la comunità dei professionisti del mondo elettrico

Aggiungere chiamata citofono

Progettazione, esercizio, manutenzione, sicurezza, leggi, normative...

Moderatori: Foto Utentesebago, Foto UtenteMASSIMO-G, Foto Utentelillo, Foto UtenteMike

0
voti

[1] Aggiungere chiamata citofono

Messaggioda Foto Utentesalvuto » 1 dic 2017, 1:34

Ciao

ho un impianto citofonico semplice degli anni 80 costituito da:

    alimentatore vimar elvox art. 831
    posto esterno vimar elvox anni 80 singolo pulsante
    citofono interno parla/ascolta e apricancello di quelli marrone chiaro

con la variante di una suoneria 12V aggiuntiva che sostituisce il buzzer integrato nel citofono interno (i fili bianco e grigio invece di andare ai morsetti in basso della suoneria interna sono morsettati a 2 cordine che collegano la suoneria 12V)

il collegamento fra i 3 è fatto col cavo a 10 poli di cui il verde inutilizzato

Dovrei aggiungere un secondo campanello di chiamata (pulsante) mantenendo anche quello del posto esterno e con un sistema cosi' datato non ho trovato nessun manuale o schema su cui allinearmi

il pulsante nuovo è appena fuori dalla porta a 30 cm dalla cornetta marrone

ho provato a fare un parallelo con i morsetti su cui è giuntata la suoneria aggiuntiva ma premendo nulla succede

spero di ricevere qualche dritta utile, nella timida speranza di non dover tirare altri fili partendo dall'alimentatore perché è nascosto dietro un mare di roba e ci vorrebbe mezza giornata solo per liberare l'accesso...

grazie a tutti coloro che vorranno intervenire
Avatar utente
Foto Utentesalvuto
46 1 4
Frequentatore
Frequentatore
 
Messaggi: 150
Iscritto il: 30 nov 2017, 18:48

0
voti

[2] Re: Aggiungere chiamata citofono

Messaggioda Foto Utentesalvuto » 2 dic 2017, 19:36

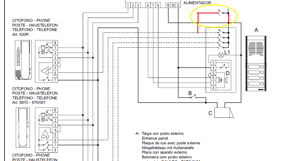
seguendo lo schema in allegato ho fatto alcune prove con il risultato che nel provare a cortocircuitare vari morsetti devo aver fatto saltare il fusibile secondario da 1.6A

tuttavia sembrerebbe che il parallelo da staccare per il secondo pulsante siano sui morsetti 6 e 15 quindi ho paura di dover tirare un secondo filo dall'alimentatore al pulsante.... ?%
Allegati
TA_50.pdf
(42.29 KiB) Scaricato 247 volte
Avatar utente
Foto Utentesalvuto
46 1 4
Frequentatore
Frequentatore
 
Messaggi: 150
Iscritto il: 30 nov 2017, 18:48

0
voti

[3] Re: Aggiungere chiamata citofono

Messaggioda Foto Utentesetteali » 2 dic 2017, 19:56

E' facile che non abbia capito la domanda, ma non puoi collegarti in parallelo al pulsante normale di chiamata?
tipo:
Allegati
Immagine.png
Alex
https://www.facebook.com/Elettronicaeelettrotecnica

<< vedi di pigliare arditamente in mano, il dizionario che ti suona in bocca,
se non altro è schietto e paesano.
(Giuseppe Giusti) <<
Avatar utente
Foto Utentesetteali
11,9k 5 5 9
Master
Master
 
Messaggi: 5921
Iscritto il: 15 dic 2013, 21:09

0
voti

[4] Re: Aggiungere chiamata citofono

Messaggioda Foto Utentesalvuto » 2 dic 2017, 23:12

si', ci avevo pensato
praticamente quel filo ce l'ho già: è il verde flottante inutilizzato
basta che lo colleghi al morsetto di entrata del pulsante esterno (quello che collega il 15) e l'altro capo al morsetto di entrata del secondo pulsante
e il morsetto di uscita al 6 cioè a uno dei morsetti che collegano l'altoparlante esterno

cosi' forse dovrebbe funzionare
Avatar utente
Foto Utentesalvuto
46 1 4
Frequentatore
Frequentatore
 
Messaggi: 150
Iscritto il: 30 nov 2017, 18:48

0
voti

[5] Re: Aggiungere chiamata citofono

Messaggioda Foto UtenteStefanoSunda » 3 dic 2017, 13:20

il secondo pulsante siano sui morsetti 6 e 15 quindi ho paura di dover tirare un secondo filo dall'alimentatore al pulsante

Quoto in pieno, devi portare il comune 15 - il filo 6 lo hai già sul citofono.
Avatar utente
Foto UtenteStefanoSunda
2.880 3 6 10
Master
Master
 
Messaggi: 1962
Iscritto il: 16 set 2010, 19:29

0
voti

[6] Re: Aggiungere chiamata citofono

Messaggioda Foto Utentesalvuto » 3 dic 2017, 15:29

ok
ma se il 15 è il comune che ho scoperto essere il nero, d'altronde era intuibile, che fa entra esci su lampada apriporta e chiamata, se dalla chiamata esterna faccio entra esci ancora e vado a portarmi nel secondo pulsante dovrebbe essere la stessa cosa che agire partendo dall'alimentatore e arrivare li
giusto ?

alla fine sempre sul 15 sono

questo perché il cavo a 10 poli ha sempre un polo libero che è il verde che sarebbe già pronto

adesso ho aperto fuori e ho visto che la chiamata è appunto nero che arriva da un ponte con la lampada a conferma dei miei sospetti e riparte bianco che dentro va appunto a giuntare uno dei poli della suoneria

quindi alla fine dovro' collegare il pulsante al verde e al bianco e poi dovrebbe essere tutto a posto


poi c'e' la faccenda del fusibile... è normale che il parla ascolta funzioni ancora anche con il fusibile secondario aperto ?

i cavi 123 sono alimentati diversamente e protetti da un altro fusibile ?
Avatar utente
Foto Utentesalvuto
46 1 4
Frequentatore
Frequentatore
 
Messaggi: 150
Iscritto il: 30 nov 2017, 18:48

0
voti

[7] Re: Aggiungere chiamata citofono

Messaggioda Foto Utentesalvuto » 5 dic 2017, 21:14

allora alla fine ho risolto

come avevo supposto, ci sono 2 fusibili sul secondario: uno per il parla ascolta (intatto) e uno per chiamata suoneria e apriporta (aperto)

ma il circuito è un po' diverso da quello dello schema allegato:
123 vanno solo al citofono interno mentre 678 solo all'esterno
i 2 fili neri partono dal 15 (immagino stia per 15V)
i 2 fili bianchi partono dallo 0 (immagino siano a massa)
e poi ci sono 3 fili giuntati verde, che poi era flottante sui 2 posti, marrone apri porta e grigio suoneria

quello che faceva saltare il fusibile era il fatto che chiudendo la chiamata cortocircuitavo 15 con 0 causando appunto il corto

il posto esterno collegava bianco e nero e questo mi ha tradito
quindi ho fatto entra esci dal primo pulsante posto esterno usando il verde che poi ha collegato il primo polo dell'altro pulsante

e poi ho collegato il secondo polo al grigio anzichè il bianco, e ora tutto funziona, anche il secondo pulsante

quello che non mi è ancora chiaro è:
se avessi preso il nero dal citofono dentro anzichè dal posto esterno di chiamata sarebbe cambiato qualcosa ?
se avessi collegato un altro bianco dallo 0 al pulsante avrei ottenuto lo stesso risultato ?
Avatar utente
Foto Utentesalvuto
46 1 4
Frequentatore
Frequentatore
 
Messaggi: 150
Iscritto il: 30 nov 2017, 18:48


Torna a Impianti, sicurezza e quadristica

Chi c’è in linea

Visitano il forum: Nessuno e 126 ospiti