Cos'è ElectroYou | Login Iscriviti

ElectroYou - la comunità dei professionisti del mondo elettrico

Circuiti Mediante Calcolo Simbolico

Circuiti, campi elettromagnetici e teoria delle linee di trasmissione e distribuzione dell’energia elettrica

Moderatori: Foto Utenteg.schgor, Foto UtenteIsidoroKZ

1
voti

[1] Circuiti Mediante Calcolo Simbolico

Messaggioda Foto Utentedavicos » 1 dic 2017, 1:47

Salve a tutti,
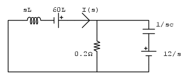
non mi tornano i conti circa questo esercizio. Bisogna Calcolare i(t) e vc(t).
Per t = 0 l'interruttore muta. Per intenderci, per t < 0 vale il circuito in allegato.
Il circuito in questione è questo:



Per le condizioni iniziali il circuito diventa:



vc(0-) = 12 V , i(0-) = 60 A giusto?

Cambio dominio da t ad s (per trasformata di Laplace), quindi per t > 0 il circuito diventa:



Calcolo vc(s) mediante Millman:

numeratore: \frac{60}{s} + 12C
denominatore: \frac{1}{sL} + \frac{1}{0.2} + sc

Alla fine mi ritrovo che v_c(s) = \frac{60+36s}{3s^2+5s+2}.
I poli (che sono -1 e -2/3) sono corretti in quanto nella soluzione finale nelle antitrasformate agli esponenti compaiono. I coefficienti che moltiplicano tali esponenziali sono errati.
Non riesco proprio a capire dove ho sbagliato.
Riuscite a darmi una mano? O anche solo un indizio per farmi capire il problema.

Grazie.
Avatar utente
Foto Utentedavicos
25 1 7
Frequentatore
Frequentatore
 
Messaggi: 156
Iscritto il: 9 ott 2017, 17:33

1
voti

[2] Re: Circuiti Mediante Calcolo Simbolico

Messaggioda Foto Utentexyz » 1 dic 2017, 10:48

Io ho rifatto i calcoli e mi viene lo stesso denominatore, ma il numeratore è diverso:

{{4\,s+60}\over{3\,s^2+5\,s+2}}
Avatar utente
Foto Utentexyz
6.864 2 4 6
G.Master EY
G.Master EY
 
Messaggi: 1778
Iscritto il: 5 dic 2009, 18:37
Località: Italy Turin

1
voti

[3] Re: Circuiti Mediante Calcolo Simbolico

Messaggioda Foto UtenteExodus » 1 dic 2017, 13:17

Semplifico la soluzione che hai trovato tu

\frac{36s+60}{3s^{2}+5s+2}=\frac{12s+20}{s^{2}+\frac{5}{3}s+\frac{2}{3}}=\frac{A}{s+\frac{2}{3}}+\frac{B}{s+1}

Calcolo A e B

A=\frac{12s+20}{s+1}=\frac{12\left ( -\frac{2}{3} \right )+20}{-\frac{2}{3}+1}=36
B=\frac{12s+20}{s+\frac{2}{3}}=\frac{12\left ( -1 \right )+20}{-1+\frac{2}{3}}=-24

Antitrasformo

v_{c}\left ( t \right )=36e^{-\frac{2}{3}t}-24e^{-t}
Avatar utente
Foto UtenteExodus
174 2
Frequentatore
Frequentatore
 
Messaggi: 138
Iscritto il: 25 ago 2017, 17:30

0
voti

[4] Re: Circuiti Mediante Calcolo Simbolico

Messaggioda Foto Utentedavicos » 1 dic 2017, 14:40

Sono impazzito per niente. Ho scomposto il trinomio di secondo come fosse stata una equazione e non ho messo il 3 che moltiplica le due parentesi degli zeri.

Grazie!
Avatar utente
Foto Utentedavicos
25 1 7
Frequentatore
Frequentatore
 
Messaggi: 156
Iscritto il: 9 ott 2017, 17:33

3
voti

[5] Re: Circuiti Mediante Calcolo Simbolico

Messaggioda Foto Utenteg.schgor » 3 dic 2017, 19:13

In alternativa a Laplace. si può applicare la soluzione diretta
illustrata qui (pag.19)
Ecco l'applicazione nel caso in esame
Forum171202a.gif
Forum171202a.gif (59.25 KiB) Osservato 5118 volte


e il grafico risultante
Forum171202b.gif
Forum171202b.gif (48.89 KiB) Osservato 5118 volte


(si noti la pendenza 0 per t=0)
Avatar utente
Foto Utenteg.schgor
57,8k 9 12 13
G.Master EY
G.Master EY
 
Messaggi: 16971
Iscritto il: 25 ott 2005, 9:58
Località: MILANO

0
voti

[6] Re: Circuiti Mediante Calcolo Simbolico

Messaggioda Foto Utentedavicos » 3 dic 2017, 21:16

Si è vero ma siccome adesso stavamo svolgendo gli esercizi con il metodo simbolico allora adottavo questo.
Grazie!
Avatar utente
Foto Utentedavicos
25 1 7
Frequentatore
Frequentatore
 
Messaggi: 156
Iscritto il: 9 ott 2017, 17:33


Torna a Elettrotecnica generale

Chi c’è in linea

Visitano il forum: Nessuno e 130 ospiti