Cos'è ElectroYou | Login Iscriviti

ElectroYou - la comunità dei professionisti del mondo elettrico

Interruttore touch e transistor

Elettronica lineare e digitale: didattica ed applicazioni

Moderatori: Foto Utentecarloc, Foto Utenteg.schgor, Foto UtenteBrunoValente, Foto UtenteIsidoroKZ

1
voti

[21] Re: Interruttore touch e transistor

Messaggioda Foto Utentebalduzz » 8 dic 2017, 22:11

BrunoValente ha scritto:Amplificano semplicemente la corrente: nel circuito del collettore hai una corrente maggiore di quella che scorre nella base.

Ok sto un po' farneticando lo so, però in questo caso funziona come un semplice interruttore no?

BrunoValente ha scritto:Lo schema al messaggio [14] è sbagliato


Ooops, meglio così?



BrunoValente ha scritto:, quello al messaggio [16] non capisco cosa sia.

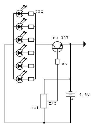
Perdonami, ho dato per scontato. E' lo schema del modulo interruttore touch di cui ho postato il link in precedenza.
Avatar utente
Foto Utentebalduzz
1.541 1 4 7
Expert
Expert
 
Messaggi: 642
Iscritto il: 6 ott 2015, 9:59
Località: Brescia

0
voti

[22] Re: Interruttore touch e transistor

Messaggioda Foto UtenteZeitung » 8 dic 2017, 22:32

BrunoValente ha scritto:Si potrebbe fare se la tensione di alimentazione dei led fosse più alta di quella dell'integrato, almeno alta come quella dell'integrato più la somma delle cadute sui led collegati in serie


è vero, non sono stato attento ai valori della tensione di alimentazione. Per fare quello che avevo in mente servirebbe uno step-up ma poi il circuito diventa un´altra cosa.
Avatar utente
Foto UtenteZeitung
55 1 2 7
Frequentatore
Frequentatore
 
Messaggi: 225
Iscritto il: 17 nov 2009, 14:13

1
voti

[23] Re: Interruttore touch e transistor

Messaggioda Foto UtenteBrunoValente » 8 dic 2017, 22:37

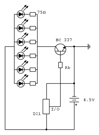
balduzz ha scritto:...Ooops, meglio così?

Sì, se anche il meno della batteria è collegato al riferimento insieme all'emettitore.

balduzz ha scritto:
BrunoValente ha scritto:, quello al messaggio [16] non capisco cosa sia.

Perdonami, ho dato per scontato. E' lo schema del modulo interruttore touch di cui ho postato il link in precedenza.

L'avevo capito ma manca il transistor e c'è solo un led rosso che hai detto di voler togliere, poi non capisco cosa sia P1, idem per D1, che sembra montato al contrario...
Avatar utente
Foto UtenteBrunoValente
39,6k 7 11 13
G.Master EY
G.Master EY
 
Messaggi: 7796
Iscritto il: 8 mag 2007, 14:48

1
voti

[24] Re: Interruttore touch e transistor

Messaggioda Foto Utentebalduzz » 9 dic 2017, 1:13

BrunoValente ha scritto:Sì, se anche il meno della batteria è collegato al riferimento insieme all'emettitore.


Così intendi?



BrunoValente ha scritto:L'avevo capito ma manca il transistor e c'è solo un led rosso che hai detto di voler togliere, poi non capisco cosa sia P1, idem per D1, che sembra montato al contrario...


P1 sono i pin Vcc, GND e I/O. Ho preso lo schema da internet e non l'ho completato con quello che aggiungo io cioè batterie, transistor e led + resistenze. E' il solo schema del modulo touch. Sul mio tra l'altro non mi risulta che ci sia il diodo D1.
Avatar utente
Foto Utentebalduzz
1.541 1 4 7
Expert
Expert
 
Messaggi: 642
Iscritto il: 6 ott 2015, 9:59
Località: Brescia

2
voti

[25] Re: Interruttore touch e transistor

Messaggioda Foto Utenteelfo » 9 dic 2017, 4:37

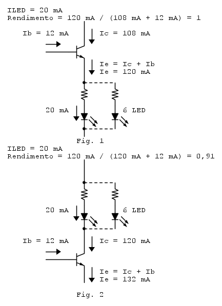
Quelli che seguono sono due schemi con I LEd collegati sull'emettitore del transistor o sul collettore del transistor.

In FIg. 1 TUTTA la corrente assorbita dalla batteria (Ic + Ib = 120 mA) fluisce nei LED (in ciascun LED scorrono 20 mA).
Il rendimento vale 1.

In Fig. 2 In ciasun LED scorrono I soliti 20 mA (per un tolale di 120 mA) ma la corrente assorbita dalla batteria vale (Ic + Ib = 120 + 12 = 132 mA).
Il rendimento vale 0,91.

Ovviamente, nei due casi - LED collegati sul collettore o emettitore, il valore della resistenza in serie al LED - per ottenere la solita corrente di 20 mA - e' diverso.

Il ragionamento di cui sopra vale per "qualunque" valore di Ib.

Se si vuole collegare I LED sul "collettore" e mantenere un rendimento unitario occorre utilizzare un mosfet (logic level)

Avatar utente
Foto Utenteelfo
6.819 4 5 7
G.Master EY
G.Master EY
 
Messaggi: 2828
Iscritto il: 15 lug 2016, 13:27

0
voti

[26] Re: Interruttore touch e transistor

Messaggioda Foto Utentelucaking » 9 dic 2017, 8:42

Scusate, ma quindi si puo affermare che se si dispone di sufficiente tensione per pilotare la base (la stesa disponibile al carico) per mandare in saturazione il transistor la configurazione a collettore comune (inseguitore di emettitore) è da preferirsi?
Avatar utente
Foto Utentelucaking
1.651 4 5 8
Expert
Expert
 
Messaggi: 1445
Iscritto il: 29 mag 2015, 14:28

1
voti

[27] Re: Interruttore touch e transistor

Messaggioda Foto Utentebalduzz » 9 dic 2017, 19:02

Allora Foto Utenteelfo stai dicendo che lo schema al post [1] è preferibile di quello al post [24]?
Avatar utente
Foto Utentebalduzz
1.541 1 4 7
Expert
Expert
 
Messaggi: 642
Iscritto il: 6 ott 2015, 9:59
Località: Brescia

0
voti

[28] Re: Interruttore touch e transistor

Messaggioda Foto UtenteBrunoValente » 9 dic 2017, 19:18

Nella configurazione a collettore comune, se il circuito di comando è alimentato con la stessa tensione con cui è alimentato il collettore, il transistor non è saturo, è quasi saturo, questo perché per saturare occorrerebbe che la tensione di base superasse leggermente quella di collettore, ecco perché la caduta C-E nel circuito a collettore comune è leggermente più alta: 0.6-0.7V contro 0.2-0.3V dell'altro.

Da cosa state deducendo che la configurazione a collettore comune sia meglio? E meglio rispetto a cosa?

Nella configurazione a collettore comune si perdono quei decimi di volt che vengono a mancare al carico, in quella ad emettitore comune, essendo il transistor pienamente saturo, si guadagnano quei decimi di volt ma si ha un guadagno di corrente del transistor inferiore, quindi la base richiede maggiore corrente all'integrato per accendere i led, ne richiede circa 1/10 di quella che scorre nei led, nella configurazione a collettore comune invece ne richiede meno, forse 1/30 o anche 1/50 di quella che scorre nei led... non saprei.

Quale dei due è meglio e quale è peggio? #-o
Avatar utente
Foto UtenteBrunoValente
39,6k 7 11 13
G.Master EY
G.Master EY
 
Messaggi: 7796
Iscritto il: 8 mag 2007, 14:48

1
voti

[29] Re: Interruttore touch e transistor

Messaggioda Foto Utentebalduzz » 9 dic 2017, 20:02

Non è tutto oro quello che luccica... :mrgreen:
Avatar utente
Foto Utentebalduzz
1.541 1 4 7
Expert
Expert
 
Messaggi: 642
Iscritto il: 6 ott 2015, 9:59
Località: Brescia

0
voti

[30] Re: Interruttore touch e transistor

Messaggioda Foto Utentelucaking » 9 dic 2017, 22:00

Dal momento che a Foto UtenteBrunoValente piace farci sudare :D provo....

Visto che la tensione che cade sui led mi pare di capire sia di 3 volt, la caduta sul transistor non credo sia un problema, se non di riscaldamento dello stesso, con la configurazione a collettore comune a parità di corrente nei led e quindi di luminosità , dovrebbe durare un poco di più la batteria.

Ha senso?
Ho vinto qualcheccosa?
Avatar utente
Foto Utentelucaking
1.651 4 5 8
Expert
Expert
 
Messaggi: 1445
Iscritto il: 29 mag 2015, 14:28

PrecedenteProssimo

Torna a Elettronica generale

Chi c’è in linea

Visitano il forum: Nessuno e 60 ospiti