Ciao a tutti,
ho realizzato con un micro ATMega 328 una piccola automazione per il lavaggio di un utensile.
In pratica quando un sensore di prossimità vede l'utensile attiva una prima elettrovalvola che spruzza acqua per il lavaggio e poi una seconda che lo asciuga con un getto di aria.
Succede però che quando si attiva la valvola per l'asciugatura l'acqua rimasta all'interno dell'ugello viene sparata fuori con ovvie conseguenze.
Vorrei quindi utilizzare una valvola proporzionale per attivare l'aria in maniera graduale.
Ho trovato questa valvola che farebbe al caso mio
http://content2.smcetech.com/pdf/PVQ_IT.pdf
Prima di acquistarla però, visto il costo non proprio ridotto, volevo assicurarmi che sia possibile pilotarla con l'uscita PWM dell'ATmega 328 e come eventualmente collegarla.
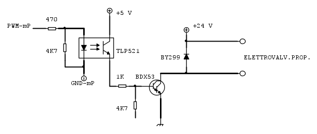
Ho cercato un po' nel forum ma non ho trovato molto. In un altro thread è stato postato il seguente schema
Può fare al caso mio?
Valvola proporzionale
Moderatori:
carloc,
g.schgor,
BrunoValente,
IsidoroKZ
9 messaggi
• Pagina 1 di 1
0
voti
Non credo che lo schema vada bene. Nal datasheet che hai allegato è indicato che il flusso di aria varia in funzione della corrente. Con che tipo di segnale controlli la valvola? che tensioni hai disponibili?
Non mi è chiaro come vuoi far funzionare il tutto.
Non mi è chiaro come vuoi far funzionare il tutto.
0
voti
Sinceramente opterei per una valvola 0-5V o 0-10V se poi vuoi 4-20mA
MCSA Windows Server 2012 R2
Cisco CCNA R&S - Cisco CCNA Security - Cisco CCNA Cyber Ops
CompTia A+ - CompTia Linux+ - CompTIA Systems Support Specialist CSSS
CompTia Pentest+ LPIC-1 - VCP VMware - Cisco CCNP Enterprise
Cisco CCNA R&S - Cisco CCNA Security - Cisco CCNA Cyber Ops
CompTia A+ - CompTia Linux+ - CompTIA Systems Support Specialist CSSS
CompTia Pentest+ LPIC-1 - VCP VMware - Cisco CCNP Enterprise
0
voti
StefDrums ha scritto:Non credo che lo schema vada bene. Nal datasheet che hai allegato è indicato che il flusso di aria varia in funzione della corrente. Con che tipo di segnale controlli la valvola? che tensioni hai disponibili?
Non mi è chiaro come vuoi far funzionare il tutto.
Pensavo di controllare l'apertura della valvola variando il duty cicle di un segnale PWM generato dal microP.
L'attuale circuito delle valvole è alimentato a 12 V.
Il microP a 5V
0
voti
MassimoB ha scritto:Sinceramente opterei per una valvola 0-5V o 0-10V se poi vuoi 4-20mA
DI che tipo di valvola si tratta ? Dove potrei trovarne le caratteristiche ?
Ad ogni modo per controllarne l'apertura avrei sempre bisogno di interfacciarmi con il microP e utilizzare un segnale PWM, giusto ?
0
voti
Il problema che riscontri e` elettrico o fluidodinamico? Quando attivi la valvola dell'aria, quella dell'acqua viene brevemente aperta da un disturbo elettrico, o e` il flusso di aria che aspira l'acqua residua?
Se il problema e` fluidodinamico, probabilmente e` meglio intervenire sull'impianto, non sul suo comando.
Se il problema e` fluidodinamico, probabilmente e` meglio intervenire sull'impianto, non sul suo comando.
Per usare proficuamente un simulatore, bisogna sapere molta più elettronica di lui
Plug it in - it works better!
Il 555 sta all'elettronica come Arduino all'informatica! (entrambi loro malgrado)
Se volete risposte rispondete a tutte le mie domande
Plug it in - it works better!
Il 555 sta all'elettronica come Arduino all'informatica! (entrambi loro malgrado)
Se volete risposte rispondete a tutte le mie domande
0
voti
Puoi risolvere più facilmente con tre valvole on-off.
La prima alimenta il flusso d'acqua per il lavaggio, la seconda un flusso d'aria a bassa pressione per vuotare l'ugello, la terza il flusso d'aria ad alta pressione per l'asciugatura. L'aria a bassa pressione la ottieni da quella ad alta pressione con un regolatore di pressione, o addirittura con un semplice regolatore di flusso.
Costa meno ed è più affidabile.
La prima alimenta il flusso d'acqua per il lavaggio, la seconda un flusso d'aria a bassa pressione per vuotare l'ugello, la terza il flusso d'aria ad alta pressione per l'asciugatura. L'aria a bassa pressione la ottieni da quella ad alta pressione con un regolatore di pressione, o addirittura con un semplice regolatore di flusso.
Costa meno ed è più affidabile.
0
voti
IsidoroKZ ha scritto:Il problema che riscontri e` elettrico o fluidodinamico? Quando attivi la valvola dell'aria, quella dell'acqua viene brevemente aperta da un disturbo elettrico, o e` il flusso di aria che aspira l'acqua residua?
Se il problema e` fluidodinamico, probabilmente e` meglio intervenire sull'impianto, non sul suo comando.
Al momento utilizzo due valvole. Una apre l'acqua e una l'aria. Il funzionamento è perfetto, nessuna interferenza o altro.
L'inconveniente è dovuto a quella poca acqua residua che resta all'interno dell'ugello di uscita (che è lo stesso sia per l'acqua che per l'aria) e che nel momento in cui si attiva l'aria viene letteralmente sparata fuori bagnando l'area circostante.
Da qui la mia idea di usare una valvola proporzionale che dovrebbe aprirsi alla minima portata per alcuni decimi per poi aprirsi del tutto.
0
voti
venexian ha scritto:Puoi risolvere più facilmente con tre valvole on-off.
La prima alimenta il flusso d'acqua per il lavaggio, la seconda un flusso d'aria a bassa pressione per vuotare l'ugello, la terza il flusso d'aria ad alta pressione per l'asciugatura. L'aria a bassa pressione la ottieni da quella ad alta pressione con un regolatore di pressione, o addirittura con un semplice regolatore di flusso.
Costa meno ed è più affidabile.
Questa è la prima cosa che avevo pensato. Però il costo di una buona valvola e un buon riduttore di pressione è superiore a quello della singola valvola proporzionale e in più ho una maggior complicazione a livello di circuito fluidodinamico.
9 messaggi
• Pagina 1 di 1
Chi c’è in linea
Visitano il forum: Nessuno e 231 ospiti

Elettrotecnica e non solo (admin)
Un gatto tra gli elettroni (IsidoroKZ)
Esperienza e simulazioni (g.schgor)
Moleskine di un idraulico (RenzoDF)
Il Blog di ElectroYou (webmaster)
Idee microcontrollate (TardoFreak)
PICcoli grandi PICMicro (Paolino)
Il blog elettrico di carloc (carloc)
DirtEYblooog (dirtydeeds)
Di tutto... un po' (jordan20)
AK47 (lillo)
Esperienze elettroniche (marco438)
Telecomunicazioni musicali (clavicordo)
Automazione ed Elettronica (gustavo)
Direttive per la sicurezza (ErnestoCappelletti)
EYnfo dall'Alaska (mir)
Apriamo il quadro! (attilio)
H7-25 (asdf)
Passione Elettrica (massimob)
Elettroni a spasso (guidob)
Bloguerra (guerra)







