Protezione firmware Amega328P-PU (Arduino)
0
voti
FedericoDIP se hai dei dubbi anche dopo gli ultimi due messaggi preparati a mettere mano al portafoglio
Tardofreak o xyz verranno direttamente a casa tua
Ciao ragazzi,
I pin per ISP, come credo scritto in precedenza in altri post, sono 6: VCC, GND, RESET, SCK, MISO, e MOSI.
Grazie xyz, si conosco gia il connettore ISP (6 poli) presente sia su AVR Dragon, sia su Arduino.
Avevo gia provato a utilizzare n°2 Arduino, uno lo utilizzavo come "programmatore" senza Atmega328P inserito, l'altro lo utilzzato come "target" con l'Atmega inserito da programmare, dal menu avevo scelto la modalità ISP. Quindi avevo utilizzato le due board Arduino per "programmare", non per la protezione.
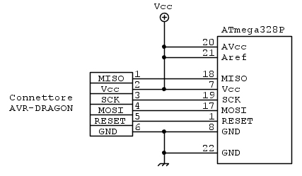
GrazieTardoFreak, si possiedo gia quel connettore a 6 poli e il collegamento che avevo precedentemente fatto era il seguente:
Ma come gia accennato, qualcosa non mi quadrava e cioè:
- dopo la programmazione e protezione, se tentatavo di scriverci sopra un altro firmware, il precedente veniva cancellato e i fuse rirpistinati
- se provavo a disabilitare/abilitare qualche fuse particolare (Reset, Spien..), mi usciva fuori un errore, mancanza di tensione (0,0V...)
Quindi credo che io abbia sbagliato qualcosa nel collegamento, ad esempio, dallo schema che ho allegato, entrambe le board le avevo collegate tramite USB al computer, quando invece forse avrei dolvuto collegare soltanto l'AVR Dragon.
Ma prima di tutto vorrei capire quale collegamento devo seguire per utilizzare la programmazione/protezione in HV
-

FedericoDIP
7 4 - New entry

- Messaggi: 56
- Iscritto il: 18 set 2017, 15:03
0
voti
FedericoDIP ha scritto:Avevo gia provato a utilizzare n°2 Arduino, uno lo utilizzavo come "programmatore" senza Atmega328P inserito, l'altro lo utilzzato come "target" con l'Atmega inserito da programmare, dal menu avevo scelto la modalità ISP. Quindi avevo utilizzato le due board Arduino per "programmare", non per la protezione.
Ti stai grattando l'orecchio destro con il dito mignolo del piede sinistro senza aiutarti con le mani mentre sei sospeso con l'altro piede su una scala a pioli appoggiata malamente su un tavolo.
FedericoDIP ha scritto:GrazieTardoFreak, si possiedo gia quel connettore a 6 poli e il collegamento che avevo precedentemente fatto era il seguente:
Non devi fare altro che realizzare lo schema che ti ha postato
FedericoDIP ha scritto:Ma come gia accennato, qualcosa non mi quadrava e cioè:
- dopo la programmazione e protezione, se tentatavo di scriverci sopra un altro firmware, il precedente veniva cancellato e i fuse rirpistinati
E' normalissimo che succeda, il LOCK serve per impedire la lettura, non la riscrittura. La protezione ti protegge da qualcuno che cerca di leggerti il firmware dal micro, non da qualcuno che ci scrive sopra altra roba.
FedericoDIP ha scritto:- se provavo a disabilitare/abilitare qualche fuse particolare (Reset, Spien..), mi usciva fuori un errore, mancanza di tensione (0,0V...)
Dipende da cosa hai combinato. Programmando i fuse bit puoi rendere il micro inutilizzabile. Se disabiliti la ISP tramite la ISP, per esempio, e hai solo la ISP, hai finito di usare quel micro finché non usi un'altra modalità di accesso al micro, per esempio la debugwire o la HVP.
FedericoDIP ha scritto:Quindi credo che io abbia sbagliato qualcosa nel collegamento, ad esempio, dallo schema che ho allegato, entrambe le board le avevo collegate tramite USB al computer, quando invece forse avrei dolvuto collegare soltanto l'AVR Dragon.
Ma prima di tutto vorrei capire quale collegamento devo seguire per utilizzare la programmazione/protezione in HV
Poi dici che mi incaz...
NON DEVI INVENTARTI NIENTE. REALIZZA LO SCHEMA DI TARDOFREAK E BASTA!
-

PietroBaima
90,7k 7 12 13 - G.Master EY

- Messaggi: 12206
- Iscritto il: 12 ago 2012, 1:20
- Località: Londra
1
voti
FedericoDIP ha scritto:Ma prima di tutto vorrei capire quale collegamento devo seguire per utilizzare laprogrammazione/protezione in HV
LA PROTEZIONE HV NON ESISTE !!!!
1
voti
FedericoDIP ha scritto:...dopo la programmazione e protezione, se tentatavo di scriverci sopra un altro firmware, il precedente veniva cancellato e i fuse rirpistinati
La protezione e' in LETTURA.
Se cerchi di fare il furbo, magari programmando solo parte della FLASH per poi ricavarti l'immagine, il micro ti incxla: si cancella tutto e tu ti ritrovi con un micro vergine.
Ed ora la programmazione.
Ragiona: voglio programmare, quindi per forza la memoria verra' cancellata.
Ma il programmatore deve anche verificare che abbia scritto giusto, e come farebbe a farlo se non puo' leggere la FLASH? E per leggere la FLASH il fuse di protezione viene ripristinato.
"La follia sta nel fare sempre la stessa cosa aspettandosi risultati diversi".
"Parla soltanto quando sei sicuro che quello che dirai è più bello del silenzio".
Rispondere è cortesia, ma lasciare l'ultima parola ai cretini è arte.
"Parla soltanto quando sei sicuro che quello che dirai è più bello del silenzio".
Rispondere è cortesia, ma lasciare l'ultima parola ai cretini è arte.
-

TardoFreak
73,9k 8 12 13 - -EY Legend-

- Messaggi: 15754
- Iscritto il: 16 dic 2009, 11:10
- Località: Torino - 3° pianeta del Sistema Solare
0
voti
edgar ha scritto: LA PROTEZIONE HV NON ESISTE !!!!
Glielo abbiamo ripetuto un numero di Graham di volte.
Non capisco perché non se lo metta in flash, la sua.
-

PietroBaima
90,7k 7 12 13 - G.Master EY

- Messaggi: 12206
- Iscritto il: 12 ago 2012, 1:20
- Località: Londra
0
voti
Ok, la protezione HV non esisteeee
Certamente voglio seguire lo schema di TardoFreak, oggi stesso lo farò.
Solo due cose chiedo a TardoFreak o a chi puo darmi una risposta:
1) l'Atmega328P posso inserirlo nello ZIF dell'AVR Dragon e fare i collegamenti dello "schema A"?
2) Oppure l'Atmega devo collegarlo esternamente, in una board Arduino collegata ad AVR Dragon tramite cavetto a 6 poli ISP.
Eventualmente se mi dite di usare il punto "2", la board Arduino deve essere anch'essa alimentata da USB?
Certamente voglio seguire lo schema di TardoFreak, oggi stesso lo farò.
Solo due cose chiedo a TardoFreak o a chi puo darmi una risposta:
1) l'Atmega328P posso inserirlo nello ZIF dell'AVR Dragon e fare i collegamenti dello "schema A"?
2) Oppure l'Atmega devo collegarlo esternamente, in una board Arduino collegata ad AVR Dragon tramite cavetto a 6 poli ISP.
Eventualmente se mi dite di usare il punto "2", la board Arduino deve essere anch'essa alimentata da USB?
-

FedericoDIP
7 4 - New entry

- Messaggi: 56
- Iscritto il: 18 set 2017, 15:03
0
voti
Prima fai come ti ho detto, le altre risposte dopo.
"La follia sta nel fare sempre la stessa cosa aspettandosi risultati diversi".
"Parla soltanto quando sei sicuro che quello che dirai è più bello del silenzio".
Rispondere è cortesia, ma lasciare l'ultima parola ai cretini è arte.
"Parla soltanto quando sei sicuro che quello che dirai è più bello del silenzio".
Rispondere è cortesia, ma lasciare l'ultima parola ai cretini è arte.
-

TardoFreak
73,9k 8 12 13 - -EY Legend-

- Messaggi: 15754
- Iscritto il: 16 dic 2009, 11:10
- Località: Torino - 3° pianeta del Sistema Solare
0
voti
TardFreak, sto apprezzando moltissimo la tua volontà e quella degli altri nel volermi aiutare.
Come gia scritto, dopo pranzo effettuerò la prova con cavetto ISP 6 poli.
Ma vi chiedo solo una cosa: dallo schema postato da TardoFreak (vedi sotto)...
...l'Atmega328P devo inserirlo nello ZIF dell'AVR Dragon e seguire quindi i collegamenti (ponti..) come nella figura sotto per la programmazione in SPI?
Datemi solo questa conferma e oggi farò le prime prove seguendo i vostri consigli dati fino ad adesso.
Grazie ragazzi
Come gia scritto, dopo pranzo effettuerò la prova con cavetto ISP 6 poli.
Ma vi chiedo solo una cosa: dallo schema postato da TardoFreak (vedi sotto)...
...l'Atmega328P devo inserirlo nello ZIF dell'AVR Dragon e seguire quindi i collegamenti (ponti..) come nella figura sotto per la programmazione in SPI?
Datemi solo questa conferma e oggi farò le prime prove seguendo i vostri consigli dati fino ad adesso.
Grazie ragazzi
-

FedericoDIP
7 4 - New entry

- Messaggi: 56
- Iscritto il: 18 set 2017, 15:03
0
voti
Quale parte di "prima fai come ti ho detto, le altre risposte dopo" non hai capito?
"La follia sta nel fare sempre la stessa cosa aspettandosi risultati diversi".
"Parla soltanto quando sei sicuro che quello che dirai è più bello del silenzio".
Rispondere è cortesia, ma lasciare l'ultima parola ai cretini è arte.
"Parla soltanto quando sei sicuro che quello che dirai è più bello del silenzio".
Rispondere è cortesia, ma lasciare l'ultima parola ai cretini è arte.
-

TardoFreak
73,9k 8 12 13 - -EY Legend-

- Messaggi: 15754
- Iscritto il: 16 dic 2009, 11:10
- Località: Torino - 3° pianeta del Sistema Solare
Chi c’è in linea
Visitano il forum: Nessuno e 23 ospiti

Elettrotecnica e non solo (admin)
Un gatto tra gli elettroni (IsidoroKZ)
Esperienza e simulazioni (g.schgor)
Moleskine di un idraulico (RenzoDF)
Il Blog di ElectroYou (webmaster)
Idee microcontrollate (TardoFreak)
PICcoli grandi PICMicro (Paolino)
Il blog elettrico di carloc (carloc)
DirtEYblooog (dirtydeeds)
Di tutto... un po' (jordan20)
AK47 (lillo)
Esperienze elettroniche (marco438)
Telecomunicazioni musicali (clavicordo)
Automazione ed Elettronica (gustavo)
Direttive per la sicurezza (ErnestoCappelletti)
EYnfo dall'Alaska (mir)
Apriamo il quadro! (attilio)
H7-25 (asdf)
Passione Elettrica (massimob)
Elettroni a spasso (guidob)
Bloguerra (guerra)

pigreco]=π
