, ho un problema che mi sarebbe piaciuto riuscire a risolvere da solo senza chiamare un elettricista.Vi spiego la situazione:
Ho comprato casa, il vecchio proprietario nella sala aveva un lampadario con 4 lampadine.
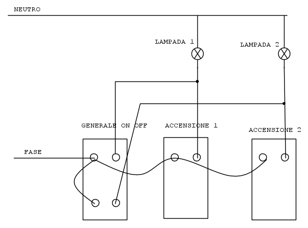
In sala ci sono 3 interruttori: uno accendeva/spegneva 2 lampadine, un altro accendeva/spegneva le altre 2 e il terzo accendeva/spegneva tutte e 4 le lampadine.
Adesso il lampadario non c'e' piu', e io mi trovo con 4 cavi che escono dal soffitto: 2 fasi nere(penso), 1 neutro e la terra.
La mia domanda e': se voglio montare un lampadario 'normale' con una sola lampadina, come faccio a farlo funzionare correttamente?
Perche' ho provato con una luce da cantiere a collegare solamente un filo nero e il neutro e un interruttore non funziona.
Se alla luce del cantiere collego entrambi i fili neri, funziona in modo anomalo, nel senso che la posizione di un interruttore influisce sull'azione degli altri.
Vorrei risolvere questo problema e far si che ogni interruttore accendesse o spegnesse autonomamente la luce, indipendentemente da come siano posizionati gli altri.
E' una cosa molto difficile da realizzare?
Grazie mille in anticipo!

Elettrotecnica e non solo (admin)
Un gatto tra gli elettroni (IsidoroKZ)
Esperienza e simulazioni (g.schgor)
Moleskine di un idraulico (RenzoDF)
Il Blog di ElectroYou (webmaster)
Idee microcontrollate (TardoFreak)
PICcoli grandi PICMicro (Paolino)
Il blog elettrico di carloc (carloc)
DirtEYblooog (dirtydeeds)
Di tutto... un po' (jordan20)
AK47 (lillo)
Esperienze elettroniche (marco438)
Telecomunicazioni musicali (clavicordo)
Automazione ed Elettronica (gustavo)
Direttive per la sicurezza (ErnestoCappelletti)
EYnfo dall'Alaska (mir)
Apriamo il quadro! (attilio)
H7-25 (asdf)
Passione Elettrica (massimob)
Elettroni a spasso (guidob)
Bloguerra (guerra)












