Salve a tutti,
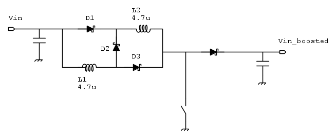
ho trovato uno schema per un convertitore boost con una topologia che non mi è chiara. Al posto del solito induttore ne trovo due in parallelo con alcuni diodi Schottky, provo a riproporre lo schema in Fidocad di seguito.
A cosa serve quella configurazione L1-L2-D1-D2-D3 ? Ho inserito i soli valori di L1 ed L2 per indicare che i due induttori sono uguali, l´interruttore è un MOSFET pilotato da un IC.
Spero che le poche informazioni possano comunque aiutare a rispondere al quesito.
Convertitore boost con induttori in parallelo
Moderatori:
carloc,
g.schgor,
BrunoValente,
IsidoroKZ
31 messaggi
• Pagina 1 di 4 • 1, 2, 3, 4
5
voti
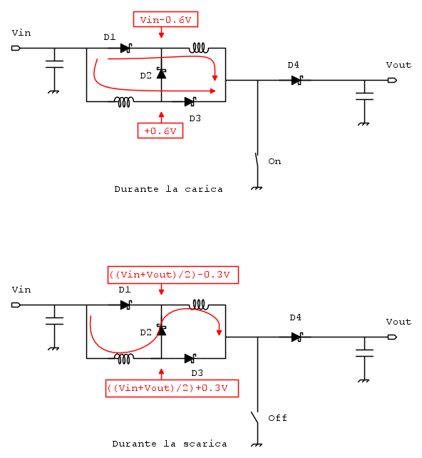
Quando l'interruttore e` chiuso i due induttori si caricano in parallelo, quando l'interruttore si apre i due induttori si scaricano in serie. Dovrebbe servire per avere un rapporto di salita maggiore, a pari duty cycle, di un boost normale. Probabilmente si possono accoppiare magneticamente i due induttori, con riduzione di costo.
Dove hai trovato quello schema?
Dove hai trovato quello schema?
Per usare proficuamente un simulatore, bisogna sapere molta più elettronica di lui
Plug it in - it works better!
Il 555 sta all'elettronica come Arduino all'informatica! (entrambi loro malgrado)
Se volete risposte rispondete a tutte le mie domande
Plug it in - it works better!
Il 555 sta all'elettronica come Arduino all'informatica! (entrambi loro malgrado)
Se volete risposte rispondete a tutte le mie domande
1
voti
Contrordine, nell'analisi a occhio che ho fatto c'e` un errore, avendo preso un pezzo di carta e matita mi sembra che le cose siano diverse da quanto detto. Dove hai trovato quello schema?
Per usare proficuamente un simulatore, bisogna sapere molta più elettronica di lui
Plug it in - it works better!
Il 555 sta all'elettronica come Arduino all'informatica! (entrambi loro malgrado)
Se volete risposte rispondete a tutte le mie domande
Plug it in - it works better!
Il 555 sta all'elettronica come Arduino all'informatica! (entrambi loro malgrado)
Se volete risposte rispondete a tutte le mie domande
1
voti
42 minuti perche' mica ho visto il messaggio appena comparso. Stavo facendo colazione e comunque il caffe' lungo decaffeinato non mi aveva ancora svegliato 
Per usare proficuamente un simulatore, bisogna sapere molta più elettronica di lui
Plug it in - it works better!
Il 555 sta all'elettronica come Arduino all'informatica! (entrambi loro malgrado)
Se volete risposte rispondete a tutte le mie domande
Plug it in - it works better!
Il 555 sta all'elettronica come Arduino all'informatica! (entrambi loro malgrado)
Se volete risposte rispondete a tutte le mie domande
3
voti
A me pare buona la prima di
IsidoroKZ, cioè quando l'interruttore è chiuso D1 e D3 sono accesi, D2 è spento, quindi gli induttori si caricano in parallelo, poi quando l'interruttore si apre si ritrovano in serie perché D1 e D3 si spengono e D2 si accende.
Ovviamente la tensione di uscita deve essere più grande di quella di ingresso ma non può essere diversamente.
Ho trascurato la caduta diretta su D4
Ovviamente la tensione di uscita deve essere più grande di quella di ingresso ma non può essere diversamente.
Ho trascurato la caduta diretta su D4
-

BrunoValente
39,6k 7 11 13 - G.Master EY

- Messaggi: 7796
- Iscritto il: 8 mag 2007, 14:48
1
voti
In pratica però gli induttori carichi che finiscono in serie non sono una bella cosa, se le correnti non sono proprio identiche si generano sovratensioni, per evitare questo credo sia necessario che gli induttori siano accoppiati magneticamente.
-

BrunoValente
39,6k 7 11 13 - G.Master EY

- Messaggi: 7796
- Iscritto il: 8 mag 2007, 14:48
3
voti
Il boost con doppio induttore è trattato nel pdf scaricabile dal seguente link:
http://www.researchgate.net/profile/Jaime_Arau2/publication/273517256_Double_tapped-inductor_boost_converter/links/5512da230cf268a4aaeb34a9/Double-tapped-inductor-boost-converter.pdf
http://www.researchgate.net/profile/Jaime_Arau2/publication/273517256_Double_tapped-inductor_boost_converter/links/5512da230cf268a4aaeb34a9/Double-tapped-inductor-boost-converter.pdf
0
voti
Quello disegnato è una parte dello schema di un misuratore di distanza con laser. Il misuratore viene alimentato da una batteria, la soluzione del boost con doppio induttore permetterebbe un alto guadagno (la tensione deve essere elevata da circa 3 V a 50 V), sinceramente non avevo mai visto qualcosa del genere ma grazie al documento postato da
MariX ed alcuni commenti mi sono fatto un´idea più chiara del concetto base.
Immagino che però ci siano picchi di corrente molto elevati e che la presenza di così tanti induttori e diodi aumenti di parecchio il campo magnetico generato dalle transizioni di corrente.
Immagino che però ci siano picchi di corrente molto elevati e che la presenza di così tanti induttori e diodi aumenti di parecchio il campo magnetico generato dalle transizioni di corrente.
31 messaggi
• Pagina 1 di 4 • 1, 2, 3, 4
Chi c’è in linea
Visitano il forum: Nessuno e 225 ospiti

Elettrotecnica e non solo (admin)
Un gatto tra gli elettroni (IsidoroKZ)
Esperienza e simulazioni (g.schgor)
Moleskine di un idraulico (RenzoDF)
Il Blog di ElectroYou (webmaster)
Idee microcontrollate (TardoFreak)
PICcoli grandi PICMicro (Paolino)
Il blog elettrico di carloc (carloc)
DirtEYblooog (dirtydeeds)
Di tutto... un po' (jordan20)
AK47 (lillo)
Esperienze elettroniche (marco438)
Telecomunicazioni musicali (clavicordo)
Automazione ed Elettronica (gustavo)
Direttive per la sicurezza (ErnestoCappelletti)
EYnfo dall'Alaska (mir)
Apriamo il quadro! (attilio)
H7-25 (asdf)
Passione Elettrica (massimob)
Elettroni a spasso (guidob)
Bloguerra (guerra)






