Isolamento Galvanico
Moderatori:
carloc,
g.schgor,
BrunoValente,
IsidoroKZ
37 messaggi
• Pagina 4 di 4 • 1, 2, 3, 4
1
voti
se hai sotto mano i circuiti a cui alludi allora mostraceli e ne discutiamo
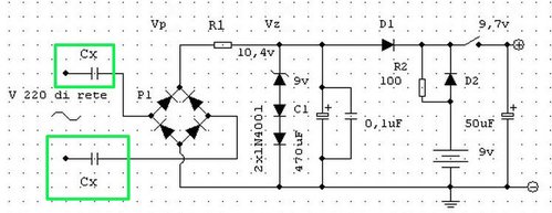
Effettivamente con Nuova Elettronica mi sono sbagliato, nei progetti usano tutti dei traformatori. Ma ci sono comunque molti altri circuito che non fanno uso di trasformatori (non parlo di alimentatori ma di qualsiasi circuito). Ecco un esempio:
https://isoondaomradio.weebly.com/alimentatore-senza-trasformatore-con-pila-tampone.html
Per inciso, che tu lo capisca o no, non è sufficiente abbassare la tensione di rete a 5 V per eliminare il rischio di folgorazione
Veramente sono post e post che dico di aver compreso.
Se tu insisti con l'idea che invece si possa fare anche senza trasformatore allora io insisto nel sostenere che tu non sappia cosa sia una tensione: se lo sapessi allora sapresti anche che se tra i poli di un alimentatore privo di trasformatore vi sono 5 V, non è escluso che tra ciascuno dei poli e TERRA non vi siano allo stesso tempo 230V e sapresti anche che toccando con la mano uno dei poli e con l'altra il pavimento o la struttura metallica del tavolo o che so io, l'effetto che si produrrebbe sarebbe lo stesso che si produce ogni volta che si tocca con la mano il polo di fase della tensione di rete 230V...ci hai mai provato?
Veramente non ho mai insistito sull'idea che si possa fare anche senza trasformatore. Ho solo chiesto cosa succedesse in caso non usassi un trasformatore. perché l'ho chiesto? Per salvaguardare la mia incolumità e perché voglio imparare. Quindi io ritengo il post terminato. Ho saputo quello che dovevo sapere. Non ho mai detto che intendo non utilizzare un trasformatore. Era semplice curiosità, ma vedo dai vostri toni che la curiosità non è una cosa che amate.
Scherzi a parte, dai retta a ciò che ti dicono, prendi un libro di elettrotecnica di base e studia bene soprattutto i primi capitoli.
Per ora studio l'elettromagnetismo poi passo a quello.
Credo che il messaggio gli sia arrivato forte e chiaro, e mi sembra che nonostante alcune affermazioni lo abbia anche recepito.
Esatto!
-

elettrodomus
10,1k 6 11 13 - G.Master EY

- Messaggi: 2607
- Iscritto il: 28 gen 2011, 22:38
- Località: Bassa Bresciana
2
voti
Per esperienza posso solo aggiungere che lavorando in bassa frequenza si avrebbero notevoli problemi legati a rumori e ronzii dovuti ad assenza di isolamento galvanico.
Se quello che funziona basta non lo tocca' sennò te lassa!
0
voti
A scanso equivoci copincollo:
N.B. Il circuito, pur avendo due condensatori, uno per polarità, pur avendo un raddrizzatore a ponte,
ma essendo privo di trasformatore, non si può considerare propriamente isolato dalla rete luce,
quindi all’occhio! ... estrema prudenza!!
73 de IZ1TQI Aldo
pubblicazione del 09/03/2010
(in parole povere, se i due condensatori hanno un valore appena ragionevole, agli effetti della sicurezza è come se non ci fossero)
1
voti
skizzo66 ha scritto:Effettivamente con Nuova Elettronica mi sono sbagliato, nei progetti usano tutti dei traformatori.
Non avevo dubbi....
skizzo66 ha scritto:
Ma ci sono comunque molti altri circuito che non fanno uso di trasformatori (non parlo di alimentatori ma di qualsiasi circuito). Ecco un esempio:
Tieni conto che la tensione di ingresso viene ridotta a causa della reattanza dei due condensatori Cx,(valore incognito da calcolare)
Visto che ti interessa l'argomento ti racconto una curiosità'
questo circuito viene utilizzato in diverse applicazioni:
Una tra le tante le ho trovate nei ventilatori a torre della beghelli,dove la scheda elettronica della logica viene alimentata con questa configurazione.
Credo che alla base della scelta ci siano due fattori importanti:
-Basso costo di progettazione
-la scheda guasta non e' riparabile e viene sostituita(scelta preferita dalle aziende)
ce ne sono tante altre ma,l'aspetto importante in questo caso la scelta non ricade sul fattore sicurezza,ma soltanto sul piano economico....sostituire le schede conviene a loro...
Saluti..
⋮ƎlectroYou
-

stefanob70
14,1k 5 11 13 - Master EY

- Messaggi: 3190
- Iscritto il: 14 lug 2012, 13:14
- Località: Roma
37 messaggi
• Pagina 4 di 4 • 1, 2, 3, 4
Chi c’è in linea
Visitano il forum: Google [Bot] e 133 ospiti

Elettrotecnica e non solo (admin)
Un gatto tra gli elettroni (IsidoroKZ)
Esperienza e simulazioni (g.schgor)
Moleskine di un idraulico (RenzoDF)
Il Blog di ElectroYou (webmaster)
Idee microcontrollate (TardoFreak)
PICcoli grandi PICMicro (Paolino)
Il blog elettrico di carloc (carloc)
DirtEYblooog (dirtydeeds)
Di tutto... un po' (jordan20)
AK47 (lillo)
Esperienze elettroniche (marco438)
Telecomunicazioni musicali (clavicordo)
Automazione ed Elettronica (gustavo)
Direttive per la sicurezza (ErnestoCappelletti)
EYnfo dall'Alaska (mir)
Apriamo il quadro! (attilio)
H7-25 (asdf)
Passione Elettrica (massimob)
Elettroni a spasso (guidob)
Bloguerra (guerra)






