Cos'è ElectroYou | Login Iscriviti

ElectroYou - la comunità dei professionisti del mondo elettrico

Alimentatore che non funziona

Elettronica lineare e digitale: didattica ed applicazioni

Moderatori: Foto Utentecarloc, Foto Utenteg.schgor, Foto UtenteBrunoValente, Foto UtenteIsidoroKZ

0
voti

[21] Re: Alimentatore che non funziona

Messaggioda Foto Utentelucaking » 9 gen 2018, 23:57

claudiocedrone ha scritto:quello è un semplice trasformatore con uscita in alternata poiché la scheda da alimentare richiede una tensione di alimentazione duale (raddrizzatore, livellamento e regolatori a bordo della scheda). O_/

Quindi alla scheda potrebbe arrivare anche una presa centrale del trafo?
Ma allora dal trasformatore non dovrebbero uscire 3 fili?
Avatar utente
Foto Utentelucaking
1.651 4 5 8
Expert
Expert
 
Messaggi: 1445
Iscritto il: 29 mag 2015, 14:28

0
voti

[22] Re: Alimentatore che non funziona

Messaggioda Foto Utenteclaudiocedrone » 10 gen 2018, 2:06

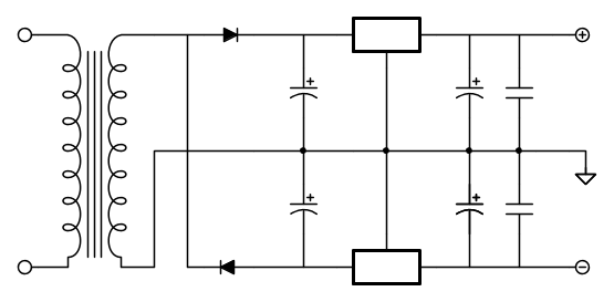
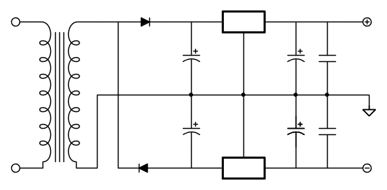
:-) Non serve ! Lo schema di principio è questo:
il duplicatore di tensione; molto usato con dispositivi di assorbimento relativamente limitato tipo registratori di cassa, piccoli mixer audio etc. O_/
"Non farei mai parte di un club che accettasse la mia iscrizione" (G. Marx)
Avatar utente
Foto Utenteclaudiocedrone
21,3k 4 7 9
Master EY
Master EY
 
Messaggi: 15302
Iscritto il: 18 gen 2012, 13:36

0
voti

[23] Re: Alimentatore che non funziona

Messaggioda Foto Utenteclaudiocedrone » 10 gen 2018, 2:28

:-) Foto Utenteunecc, disponi il multimetro su prova diodi/continuità (precisamente come lo hai fotografato) e connetti i puntali sugli spinotti della spina del trasformatore, non occorre aprirlo (ed assolutamente non mentre è infilato nella presa !), se non dà continuità significa che il primario è interrotto, magari per intervento del fusibile termico prima citato nascosto sotto l'isolamento degli avvolgimenti; se invece dà continuità ripeti la medesima prova sul secondario (sempre a trasformatore non infilato nella presa) connettendo i puntali sui terminali dello spinotto di uscita; se hai rimosso lo spinotto ed hai i "fili spelati" assicurati che non siano anche smaltati grattandoli col taglierino o "bruciacchiandone" le estremità con l'accendino. O_/
"Non farei mai parte di un club che accettasse la mia iscrizione" (G. Marx)
Avatar utente
Foto Utenteclaudiocedrone
21,3k 4 7 9
Master EY
Master EY
 
Messaggi: 15302
Iscritto il: 18 gen 2012, 13:36

1
voti

[24] Re: Alimentatore che non funziona

Messaggioda Foto Utenteunecc » 10 gen 2018, 14:47

Ottimo. Allora ho messo il multimetro su quella modalità beep e toccando i puntali fa beep.


Toccando i due cosini del trasformatore che entrano nella presa 220 non fa alcun beep.
Quindi c'è continuità?
Questa funzione mi permette di capire se passa corrente? o se c'è un corto? non ho capito :oops:
Avatar utente
Foto Utenteunecc
40 1 2
 
Messaggi: 44
Iscritto il: 31 gen 2017, 9:55

1
voti

[25] Re: Alimentatore che non funziona

Messaggioda Foto Utenteabusivo » 10 gen 2018, 15:31

unecc ha scritto:...Toccando i due cosini del trasformatore che entrano nella presa 220 non fa alcun beep...

Non c'è continuità.
Forse con una resistenza intorno ai 300/600 Ohm del primario potrebbe anche non suonare il tester.
Prova con la misura ohmica a vedere se ti legge qualcosa il tuo strumento.
unecc ha scritto:Questa funzione mi permette di capire se passa corrente? o se c'è un corto? non ho capito :oops:

Questa funzione ti permette solo e unicamente di capire se c'è un corto.
Al di sopra di una certa resistenza il tester non suona più.
Il tuo trasformatore ha una resistenza sul secondario molto bassa.
Sul primario ci potrebbe essere una resistenza leggermente più alta ma che non consente al tester di suonare.
Ecco perché ti ho consigliato di cambiare funzione.
Se quello che funziona basta non lo tocca' sennò te lassa!
Avatar utente
Foto Utenteabusivo
13,3k 4 7 10
Master
Master
 
Messaggi: 7008
Iscritto il: 16 ott 2012, 18:43
Località: L'Aquila

2
voti

[26] Re: Alimentatore che non funziona

Messaggioda Foto Utenteabusivo » 10 gen 2018, 15:35

Dimenticavo: sul tester devi selezionare 2K o 20K!
Se quello che funziona basta non lo tocca' sennò te lassa!
Avatar utente
Foto Utenteabusivo
13,3k 4 7 10
Master
Master
 
Messaggi: 7008
Iscritto il: 16 ott 2012, 18:43
Località: L'Aquila

1
voti

[27] Re: Alimentatore che non funziona

Messaggioda Foto Utenteunecc » 11 gen 2018, 14:05

rieccomi tornata! Con l'alimentatore staccato

Allora all'uscita (dove c'era lo spinotto) con i fili spellati alla fine fa BEEP.

Sempre all'uscita se metto su ohm 200K esce 2.8

Invece se lo collego ai cosini che vanno nella presa 220 V non suona e se metto su ohm esce 1 (che ho capito essere un fuori misura) e non fa beep.

Siccome sono veramente inesperta e so che voi date per scontate molte cose e parlate con termini tecnici, potreste spiegarmi ogni volta un termine o cosa stiamo facendo? :mrgreen:
Scusate perché sennò nn capisco ed sono una molto teorica e con poca memoria quindi se non capisco il concetto lo dimentico dopo 2 istanti :oops: :oops:
Avatar utente
Foto Utenteunecc
40 1 2
 
Messaggi: 44
Iscritto il: 31 gen 2017, 9:55

0
voti

[28] Re: Alimentatore che non funziona

Messaggioda Foto Utentefrancesco2011 » 11 gen 2018, 14:20

stanno cercando di farti capire con il tester se gli avvolgimenti del tuo trasformatore sono bruciati oppure buoni.
gli avvolgimenti di un trasformatore diciamo in salute presenta al primario , dove entra la 220 V e al secondario dove praticamente esce una certa tensione ....un valore ohmnico misurabile col tester.
i valori ohm degli avvolgimenti sono generalmente bassi e invece di misurare si fa prima col cicalino del tester.
se fa bip....il trafo e' buono altrimenti qualcolsa non va...
Avatar utente
Foto Utentefrancesco2011
157 4
 
Messaggi: 42
Iscritto il: 4 gen 2018, 12:32
Località: macerata

0
voti

[29] Re: Alimentatore che non funziona

Messaggioda Foto Utenteabusivo » 11 gen 2018, 14:22

unecc ha scritto:rieccomi...

Anch'io!
unecc ha scritto:Allora all'uscita (dove c'era lo spinotto) con i fili spellati alla fine fa BEEP...

Questo significa che c'è continuità ovvero la bassa resistenza Ohmica dell'avvolgimento secondario(bassa tensione) del trasformatore sembra essere efficiente.
unecc ha scritto:...Sempre all'uscita se metto su ohm 200K esce 2.8...

Questo significa che leggi una resistenza di 2800 Ohm ed il che può essere se intendi che questa misura l'hai ottenuta sui cavi che vanno al primario (lato 220 V) del trasformatore.
Una resistenza di 2800 Ohm è il motivo per cui il tester non fa BEEP!
In definitiva il trasformatore "potrebbe" considerarsi efficiente ma aspettiamo una voce più autorevole della mia.
unecc ha scritto:Invece se lo collego ai cosini che vanno nella presa 220 V non suona e se metto su ohm esce 1 (che ho capito essere un fuori misura) e non fa beep.

Esatto e significa che il circuito è aperto.
Un consiglio:
Non usare mai le funzioni Ohomiche/Beep con circuiti sotto tensione.
unecc ha scritto:...potreste spiegarmi ogni volta un termine o cosa stiamo facendo?...

Spero di essermi capito!
Se quello che funziona basta non lo tocca' sennò te lassa!
Avatar utente
Foto Utenteabusivo
13,3k 4 7 10
Master
Master
 
Messaggi: 7008
Iscritto il: 16 ott 2012, 18:43
Località: L'Aquila

0
voti

[30] Re: Alimentatore che non funziona

Messaggioda Foto Utentebiget » 11 gen 2018, 14:35

unecc ha scritto: 9 volt AC. Non sarà facile trovarlo eventualmetualmennte...

dipende dalla definizione di facile

se facile = basso numero di click

a 1 click di distanza:
https://www.ebay.it/itm/ALIMENTATORE-CE ... Sw9N1Vu1pf

e

https://www.ebay.it/itm/Alimentatore-AC ... Sw1NFaNGZo

e

http://www.ebay.it/itm/9V-Mains-AC-AC-A ... Sw8i9aVnqU

e

https://www.ebay.it/itm/ALIMENTATORE-CE ... SwAvJW--fQ

e

https://www.ebay.it/itm/9V-Mains-AC-AC- ... SwblZZNpWY

a due click cominciano ad essere tanti

se è l'altra definizione di facile servono ricambi di questo tipo

https://www.ebay.it/itm/1-pcs-TSZZ15-9V ... 0005.m1851
Avatar utente
Foto Utentebiget
1.155 3 7
CRU - Account cancellato su Richiesta utente
 
Messaggi: 464
Iscritto il: 16 dic 2016, 19:47

PrecedenteProssimo

Torna a Elettronica generale

Chi c’è in linea

Visitano il forum: Nessuno e 151 ospiti