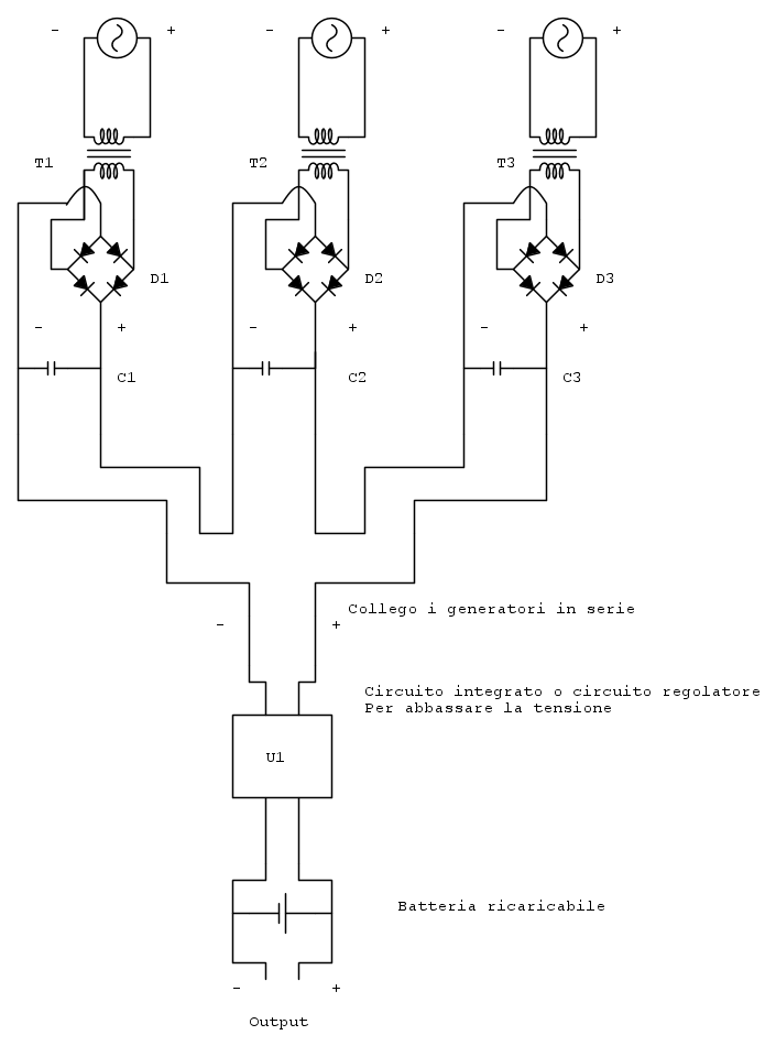
Secondo voi una cosa del genere può funzionare? Alla fine ho messo in parallelo una batteria ricaricabile perché le tensioni in entrata non sono costanti mentre vorrei che all'uscita la tensione sia comunque costante. Tuttavia ho molti dubbi. In caso dovessi abbassare la tensione, e quindi mettere un circuito integrato regolatore, e poi la tensione ai suoi piedi scenda a valori bassissimi? Con la batteria risolvo?
Questo è lo schema:
Massima corrente erogabile alimentatore
Moderatori:
carloc,
g.schgor,
BrunoValente,
IsidoroKZ
39 messaggi
• Pagina 2 di 4 • 1, 2, 3, 4
0
voti
perché effettivamente non so quanti generatori andrò a mettere e la tensione alternata potrebbe arrivare a dei valori di picco che sono pericolosi. Comunque nello schema originale gli ho messi come facoltativi. 
1
voti
skizzo...repetita iuvant....
Lascia perdere e inizia da cose più semplici e concrete.
Una tensione raddrizzata è solo un po' meno pericolosa di una alternata, comunque sopra i 50V non si scherza!
Ripeto che secondo me lo schema non funziona per motivi già spiegati in [8]
Lascia perdere e inizia da cose più semplici e concrete.
Una tensione raddrizzata è solo un po' meno pericolosa di una alternata, comunque sopra i 50V non si scherza!
Ripeto che secondo me lo schema non funziona per motivi già spiegati in [8]
0
voti
Se i generatori non sono isolati, puoi usare dei convertitori switching step-up, oppure semplicemente per ottenere uscite isolate da sommare mettendole in serie.
In questo caso i generatori sono isolati giusto?
perché effettivamente non so quanti generatori andrò a mettere e la tensione alternata potrebbe arrivare a dei valori di picco che sono pericolosi
In realtà questa è una cavolata perché la tensione di picco di un generatore è sempre quella, non cambia aumentando il numero di generatori. Però un buon motivo per mettere trasformatori potrebbe essere quello della citazione precedente.
Lascia perdere e inizia da cose più semplici e concrete.
Mi spiace ma questo progetto lo porto a termine, e comunque riguardo alla tensione non credo arrivi sopra i 12-15 V.
Ripeto che secondo me lo schema non funziona per motivi già spiegati in [8]
Quindi qual è il metodo più adottato in questi casi? Tranne che il "ladro di joule" visto che non riesco a comprenderlo minimamente.
0
voti
skizzo66 ha scritto:Quindi qual è il metodo più adottato in questi casi? Tranne che il "ladro di joule" visto che non riesco a comprenderlo minimamente.
Non so quale metodo sia meglio, il ladro di Joule l'avevo proposto perché è di bocca buona, basta che in ingresso ci sia una tensione sufficiente a mandare in conduzione il BJT e lui funziona.
Andiamo un po' OT, ma cosa non ti è chiaro del funzionamento?

http://millefori.altervista.org
Tool gratuito per chi sviluppa su millefori.
Tutti sanno che una cosa è impossibile da realizzare, finché arriva uno sprovveduto che non lo sa e la inventa. (A. Einstein)
Se non c'e` un 555 non e` un buon progetto (IsidoroKZ)
Strumento per formule
Tool gratuito per chi sviluppa su millefori.
Tutti sanno che una cosa è impossibile da realizzare, finché arriva uno sprovveduto che non lo sa e la inventa. (A. Einstein)
Se non c'e` un 555 non e` un buon progetto (IsidoroKZ)
Strumento per formule
-

posta10100
5.550 4 10 13 - Master EY

- Messaggi: 4832
- Iscritto il: 5 nov 2006, 0:09
1
voti
@skizzo66, se non sai come fare quel che hai un pochino di difficoltà a spiegare, quali sarebbero le tue (le vostre) conoscenze sulle quali basi un'affermazione del genere ?skizzo66 ha scritto:(...)richiurci ha scritto:Lascia perdere e inizia da cose più semplici e concrete.
Una tensione raddrizzata è solo un po' meno pericolosa di una alternata, comunque sopra i 50V non si scherza!
Mi spiace ma questo progetto lo porto a termine, e comunque riguardo alla tensione non credo arrivi sopra i 12-15 V. (...)
Comunque, senza voler smorzare il tuo entusiasmo, considera coloro che t'han risposto, tutt'altro che degli sprovveduti, prendi quindi seriamente in considerazione le raccomandazioni di cautela, a prescindere dalla volontà di "trasformare" un'idea in un progetto.
Saluti
W - U.H.F.
-

WALTERmwp
30,2k 4 8 13 - G.Master EY

- Messaggi: 8990
- Iscritto il: 17 lug 2010, 18:42
- Località: le 4 del mattino
1
voti
in altro 3d avevo in parte difeso schizzo e il suo entusiasmo, invitandolo comunque alla prudenza perché anche li parlava di tensioni elevate:
viewtopic.php?f=1&t=72193&start=30#p748581
in questo...ammesso che non vengano raggiunte tensioni pericolose resta il consiglio, viste le conoscenze ancora solo embrionali, a iniziare con qualcosa di più facile. E meno pericoloso perché gli elettrolitici possono esplodere per quanto avevo detto in [8] (magari mi sbaglio ma nessuno ha notato il mio dubbio)
Un principiante non può iniziare con n generatori da raddrizzare e connettere in serie, per giunta dando pochissime info a chi vorrebbe aiutarlo.
viewtopic.php?f=1&t=72193&start=30#p748581
in questo...ammesso che non vengano raggiunte tensioni pericolose resta il consiglio, viste le conoscenze ancora solo embrionali, a iniziare con qualcosa di più facile. E meno pericoloso perché gli elettrolitici possono esplodere per quanto avevo detto in [8] (magari mi sbaglio ma nessuno ha notato il mio dubbio)
Un principiante non può iniziare con n generatori da raddrizzare e connettere in serie, per giunta dando pochissime info a chi vorrebbe aiutarlo.
0
voti
per giunta dando pochissime info a chi vorrebbe aiutarlo.
Se mi dite di quello di cui avete bisogno io posso darvi le informazioni che volete sul progetto.
Continuo dicendo che il progetto lo terminerò, anche perché è una cosa che abbiamo proposto per la scuola e di certo non mi posso tirare indietro né mai lo farei da me. E inoltre credo di avere le conoscenze (abbastanza) necessarie per creare qualcosa del genere. Inoltre il progetto non è detto che diventi "Materiale" in quanto l'unica cosa che dobbiamo fare ora è progettarlo e verificare la fattibilità. Solo in seguito, una volta presentato all'università, potremmo provare a costruire un prototipo ma per ora no. (Anche se probabilmente lo costruiremo per conto nostro prima a casa).
Inoltre, nessuno ha risposto alla mia seconda domanda iniziale. Ripropongo:
Come faccio a calcolare la massima corrente erogabile da un alimentatore?
39 messaggi
• Pagina 2 di 4 • 1, 2, 3, 4
Chi c’è in linea
Visitano il forum: Nessuno e 138 ospiti

Elettrotecnica e non solo (admin)
Un gatto tra gli elettroni (IsidoroKZ)
Esperienza e simulazioni (g.schgor)
Moleskine di un idraulico (RenzoDF)
Il Blog di ElectroYou (webmaster)
Idee microcontrollate (TardoFreak)
PICcoli grandi PICMicro (Paolino)
Il blog elettrico di carloc (carloc)
DirtEYblooog (dirtydeeds)
Di tutto... un po' (jordan20)
AK47 (lillo)
Esperienze elettroniche (marco438)
Telecomunicazioni musicali (clavicordo)
Automazione ed Elettronica (gustavo)
Direttive per la sicurezza (ErnestoCappelletti)
EYnfo dall'Alaska (mir)
Apriamo il quadro! (attilio)
H7-25 (asdf)
Passione Elettrica (massimob)
Elettroni a spasso (guidob)
Bloguerra (guerra)




