Salve a tutti,
potreste aiutarmi a comprendere meglio come scrivere le varie eq. del seguente circuito?
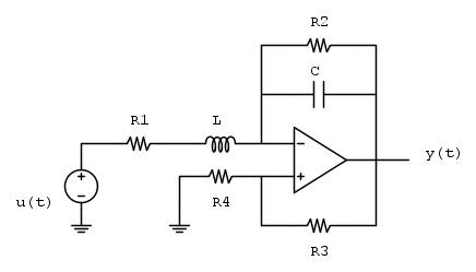
Io ho individuato un nodo (N1) che congiunge i rami che arrivano al condensatore e al resistore R2.
Tre maglie: la prima evidente tra R1, il generatore, L ed R4; la seconda tra l'amp operazionale e R3; la terza tra C e l'amp operazionale.
So che idealmente dovrei considerare l'uscita dell'amp come un generatore ideale di tensione e i due morsetti in entrata come un cortocircuito virtuale, allora in uscita all'amplificatore che corrente ho? Non ho quella che passa in R1 ed L giusto?
Circuito con amplificatore operazionale
Moderatori:
carloc,
g.schgor,
BrunoValente,
IsidoroKZ
27 messaggi
• Pagina 1 di 3 • 1, 2, 3
0
voti
Ultima modifica di
rugweri il 12 gen 2018, 0:13, modificato 1 volta in totale.
Motivazione: Aggiunto lo schema Fidocad del circuito.
Motivazione: Aggiunto lo schema Fidocad del circuito.
-

djanthony93
10 2 - Messaggi: 24
- Iscritto il: 26 gen 2017, 0:15
0
voti
djanthony93 ha scritto:allora in uscita all'amplificatore che corrente ho? Non ho quella che passa in R1 ed L giusto?
Ragiona in questo modo:
Il morsetto (-) ha (idealmente) impedenza infinita, quindi tutta la corrente erogata dal generatore u passa attraverso R1, L e il parallelo tra C ed R2.
La tensione in y è quindi data da quella del generatore u meno la caduta su R1, R2, L, C dovuta alla corrente erogata da u.
Ma, il potenziale del nodo (+) è lo stesso del nodo (-) per via del cortocircuito virtuale, e per effetto dell'impedenza (idealmente) infinita del morsetto (+), tutta la corrente in R3 passa poi in R4.
A questo punto conosci la tensione ai capi di R3 e quindi hai tutti i dati per trovare la tensione y.
Non ho volutamente impostato le equazioni, prova a ragionarci e se qualcosa ancora non ti torna chiedi pure.

http://millefori.altervista.org
Tool gratuito per chi sviluppa su millefori.
Tutti sanno che una cosa è impossibile da realizzare, finché arriva uno sprovveduto che non lo sa e la inventa. (A. Einstein)
Se non c'e` un 555 non e` un buon progetto (IsidoroKZ)
Strumento per formule
Tool gratuito per chi sviluppa su millefori.
Tutti sanno che una cosa è impossibile da realizzare, finché arriva uno sprovveduto che non lo sa e la inventa. (A. Einstein)
Se non c'e` un 555 non e` un buon progetto (IsidoroKZ)
Strumento per formule
-

posta10100
5.550 4 10 13 - Master EY

- Messaggi: 4832
- Iscritto il: 5 nov 2006, 0:09
1
voti
Se vuoi sapere qual e` la tensione di uscita y(t) del circuito, farei in questo modo.
Calcolo la tensione sul morsetto invertente come partitore fra U(s) e Y(s): nota che sono passato alle trasformate di Laplace. I conti con le equazioni differenziali ed LC sono gia` complicati cosi`, se ci si mette ancora con un operazionale che potrebbe anche essere instabile non se ne esce piu`.
Poi calcolo la tensione sul morsetto non invertente come partitore fra R3 ed R4. Infine uguaglio la tensione sui due morsetti di ingresso (e lascia perdere l'espressione cortocircuito virtuale, confonde le idee), e trovo il legame fra Y(s) e U(s). Se il vostro prof. vuole che lo facciate nel dominio del tempo, mi pare un pochino sadico
.
Calcolo la tensione sul morsetto invertente come partitore fra U(s) e Y(s): nota che sono passato alle trasformate di Laplace. I conti con le equazioni differenziali ed LC sono gia` complicati cosi`, se ci si mette ancora con un operazionale che potrebbe anche essere instabile non se ne esce piu`.
Poi calcolo la tensione sul morsetto non invertente come partitore fra R3 ed R4. Infine uguaglio la tensione sui due morsetti di ingresso (e lascia perdere l'espressione cortocircuito virtuale, confonde le idee), e trovo il legame fra Y(s) e U(s). Se il vostro prof. vuole che lo facciate nel dominio del tempo, mi pare un pochino sadico
Per usare proficuamente un simulatore, bisogna sapere molta più elettronica di lui
Plug it in - it works better!
Il 555 sta all'elettronica come Arduino all'informatica! (entrambi loro malgrado)
Se volete risposte rispondete a tutte le mie domande
Plug it in - it works better!
Il 555 sta all'elettronica come Arduino all'informatica! (entrambi loro malgrado)
Se volete risposte rispondete a tutte le mie domande
0
voti
Ci sono due cose che non mi sono 100% chiare:
1) Il punto in rosso non è un altro nodo? La tensione in quel punto non è data da quella generata dall'amplificatore operazione e dalla caduta di tensione in R1, L, C ed R2?
Quindi potrei considerare quella sopra evidenziata in rosso come una maglia? E quindi considerare (siccome graficamente è "aperto" come circuito) tutti i percorsi da massa a massa contenenti almeno due nodi come una maglia?
2) Se il discorso al punto 1 è corretto non avrei una terza maglia in basso tra R4, R3 e y(t)?
A me interessa solo trovare le eq. alle maglie e ai nodi, il problema devo risolverlo attraverso la teoria dei sistemi.
PS: grazie per aver riprodotto il circuito in Fidocadj
1) Il punto in rosso non è un altro nodo? La tensione in quel punto non è data da quella generata dall'amplificatore operazione e dalla caduta di tensione in R1, L, C ed R2?
Quindi potrei considerare quella sopra evidenziata in rosso come una maglia? E quindi considerare (siccome graficamente è "aperto" come circuito) tutti i percorsi da massa a massa contenenti almeno due nodi come una maglia?
2) Se il discorso al punto 1 è corretto non avrei una terza maglia in basso tra R4, R3 e y(t)?
A me interessa solo trovare le eq. alle maglie e ai nodi, il problema devo risolverlo attraverso la teoria dei sistemi.
PS: grazie per aver riprodotto il circuito in Fidocadj
- Allegati
-
- Immagine.png (8.61 KiB) Osservato 10606 volte
-

djanthony93
10 2 - Messaggi: 24
- Iscritto il: 26 gen 2017, 0:15
0
voti
IsidoroKZ ha scritto:(e lascia perdere l'espressione cortocircuito virtuale, confonde le idee)
A me lo avevano insegnato così, ma sono passati parecchi anni ormai
djanthony93 ha scritto:1) Il punto ...
2) Se il discorso ...
In pratica è quello che suggeriva

http://millefori.altervista.org
Tool gratuito per chi sviluppa su millefori.
Tutti sanno che una cosa è impossibile da realizzare, finché arriva uno sprovveduto che non lo sa e la inventa. (A. Einstein)
Se non c'e` un 555 non e` un buon progetto (IsidoroKZ)
Strumento per formule
Tool gratuito per chi sviluppa su millefori.
Tutti sanno che una cosa è impossibile da realizzare, finché arriva uno sprovveduto che non lo sa e la inventa. (A. Einstein)
Se non c'e` un 555 non e` un buon progetto (IsidoroKZ)
Strumento per formule
-

posta10100
5.550 4 10 13 - Master EY

- Messaggi: 4832
- Iscritto il: 5 nov 2006, 0:09
0
voti
Ultimo dubbio: se chiamo Va la tensione misurata al punto in rosso, per quale motivo non posso considerare il ramo su cui "poggia" y(t) equipotenziale e dire che la tensione misurata in y(t) è uguale a Va?
-

djanthony93
10 2 - Messaggi: 24
- Iscritto il: 26 gen 2017, 0:15
0
voti
Non ho capito cosa intendi
http://millefori.altervista.org
Tool gratuito per chi sviluppa su millefori.
Tutti sanno che una cosa è impossibile da realizzare, finché arriva uno sprovveduto che non lo sa e la inventa. (A. Einstein)
Se non c'e` un 555 non e` un buon progetto (IsidoroKZ)
Strumento per formule
Tool gratuito per chi sviluppa su millefori.
Tutti sanno che una cosa è impossibile da realizzare, finché arriva uno sprovveduto che non lo sa e la inventa. (A. Einstein)
Se non c'e` un 555 non e` un buon progetto (IsidoroKZ)
Strumento per formule
-

posta10100
5.550 4 10 13 - Master EY

- Messaggi: 4832
- Iscritto il: 5 nov 2006, 0:09
0
voti
Chiamo la tensione misurata nel punto rosso Va, perché Va è diversa dalla tensione misurata in y(t)?
-

djanthony93
10 2 - Messaggi: 24
- Iscritto il: 26 gen 2017, 0:15
0
voti
perché si chiama Va e non y(t)?
Scherzi a parte, se sono entrambe sul punto rosso perché dovrebbero essere diverse?
Scherzi a parte, se sono entrambe sul punto rosso perché dovrebbero essere diverse?
http://millefori.altervista.org
Tool gratuito per chi sviluppa su millefori.
Tutti sanno che una cosa è impossibile da realizzare, finché arriva uno sprovveduto che non lo sa e la inventa. (A. Einstein)
Se non c'e` un 555 non e` un buon progetto (IsidoroKZ)
Strumento per formule
Tool gratuito per chi sviluppa su millefori.
Tutti sanno che una cosa è impossibile da realizzare, finché arriva uno sprovveduto che non lo sa e la inventa. (A. Einstein)
Se non c'e` un 555 non e` un buon progetto (IsidoroKZ)
Strumento per formule
-

posta10100
5.550 4 10 13 - Master EY

- Messaggi: 4832
- Iscritto il: 5 nov 2006, 0:09
0
voti

Il tratto in rosso è equipotenziale? Se così fosse allora y(t) non è semplicemente uguale alla tensione in R3?
-

djanthony93
10 2 - Messaggi: 24
- Iscritto il: 26 gen 2017, 0:15
27 messaggi
• Pagina 1 di 3 • 1, 2, 3
Chi c’è in linea
Visitano il forum: Nessuno e 36 ospiti

Elettrotecnica e non solo (admin)
Un gatto tra gli elettroni (IsidoroKZ)
Esperienza e simulazioni (g.schgor)
Moleskine di un idraulico (RenzoDF)
Il Blog di ElectroYou (webmaster)
Idee microcontrollate (TardoFreak)
PICcoli grandi PICMicro (Paolino)
Il blog elettrico di carloc (carloc)
DirtEYblooog (dirtydeeds)
Di tutto... un po' (jordan20)
AK47 (lillo)
Esperienze elettroniche (marco438)
Telecomunicazioni musicali (clavicordo)
Automazione ed Elettronica (gustavo)
Direttive per la sicurezza (ErnestoCappelletti)
EYnfo dall'Alaska (mir)
Apriamo il quadro! (attilio)
H7-25 (asdf)
Passione Elettrica (massimob)
Elettroni a spasso (guidob)
Bloguerra (guerra)

