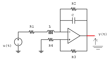
y(t) sarebbe uguale alla tensione ai capi di R3 se il morsetto (+) fosse a massa, ma come puoi vedere dallo schema non è così.
Fai una cosa, sostituisci L con R5 e C con R6 così ti togli di torno le trasformate.
Sai come trattare il circuito ora?

Moderatori:
carloc,
g.schgor,
BrunoValente,
IsidoroKZ










PietroBaima ha scritto:che idiozia







Visitano il forum: Nessuno e 49 ospiti