Buonasera a tuttii.
Sto cercando di progettare un millivoltmetro che possa trasmettere le misurazioni via bluetooth ma ho qualche problema con lo stadio di ingresso. In particolare mi piacerebbe poter avere un impedenza in ingresso>=10MOhm (o ancora meglio >=10GOhm come il mio vecchio HP3478A) che sia anche protetta da sovratensioni (parliamo comunque di una protezione per tensioni fino a 50V). Come si fa per avere un impedenza di ingresso elevata? se metto dei diodi di protezione, bene che vada (eventualmente usando una giunzione CB) posso arrivare ad una corrente di 5pA o poco meno ... qualche idea? ... qualche schema a cui ispirarsi?
Grazie.
Stadio ingresso ad alta impedenza per voltmetro/multimetro
Moderatori:
carloc,
g.schgor,
BrunoValente,
IsidoroKZ
15 messaggi
• Pagina 1 di 2 • 1, 2
0
voti
Forse con un amplificatore (ad ingresso mosfet) a guadagno 1 si potrebbe fare in modo che la tensione ai capi dei diodi sia normalmente prossima a zero e di conseguenza anche la corrente.
1
voti
Mi pare possa funzionare.
Che tipo di segnali devi misurare? ac, dc,...?
Che tipo di segnali devi misurare? ac, dc,...?
-

BrunoValente
39,6k 7 11 13 - G.Master EY

- Messaggi: 7796
- Iscritto il: 8 mag 2007, 14:48
3
voti
frado ha scritto:un impedenza in ingresso>=10MOhm (o ancora meglio >=10GOhm come il mio vecchio HP3478A) [cut] metto dei diodi di protezione, bene che vada (eventualmente usando una giunzione CB) posso arrivare ad una corrente di 5pA
1 V / 5 pA = 200 Gohm
Puoi usare anche la giunzione gate-source di un fet o picoampere diodes con correnti anche inferiori
http://www.linearsystems.com/lsdata/dat ... Diodes.pdf
frado ha scritto:qualche schema a cui ispirarsi?
In rete trovi:
- service manual con schema dell' HP3478A
http://www.arimi.it/wp-content/Strument ... ervice.pdf
- schema dell'UT61E
http://2.bp.blogspot.com/-vqSsIf0wRvk/V ... t61e-s.jpg
- manuale dell'UT61E
Range 40 mV / 400 mV Input Impedance around > 3000 Mohm
pag 44 di
https://toolboom.com/nfs/product/834631 ... Manual.pdf
0
voti
BrunoValente ha scritto:Mi pare possa funzionare.
Che tipo di segnali devi misurare? ac, dc,...?
Ciao,
misure in continua o lentamente variabili, infatti penso di campionare il segnale per un tempo mutiplo dei 20mS in modo da rirurre il rumore a 50Hz.
I primi test non hanno dato risultati incoraggianti ma devo ammettere che ho usato un operazionale con una tensione di offset di 3 mV che quindi potrebbe aver messo i forse le prove.
Penso che inizierò con qualche simulazione tanto per capire se la soluzione può essere valida.
0
voti
elfo ha scritto:frado ha scritto:un impedenza in ingresso>=10MOhm (o ancora meglio >=10GOhm come il mio vecchio HP3478A) [cut] metto dei diodi di protezione, bene che vada (eventualmente usando una giunzione CB) posso arrivare ad una corrente di 5pA
1 V / 5 pA = 200 Gohm
Puoi usare anche la giunzione gate-source di un fet o picoampere diodes con correnti anche inferiori
http://www.linearsystems.com/lsdata/dat ... Diodes.pdffrado ha scritto:qualche schema a cui ispirarsi?
In rete trovi:
- service manual con schema dell' HP3478A
http://www.arimi.it/wp-content/Strument ... ervice.pdf
- schema dell'UT61E
http://2.bp.blogspot.com/-vqSsIf0wRvk/V ... t61e-s.jpg
- manuale dell'UT61E
Range 40 mV / 400 mV Input Impedance around > 3000 Mohm
pag 44 di
https://toolboom.com/nfs/product/834631 ... Manual.pdf
Scarico e studio :)
Grazie.
0
voti
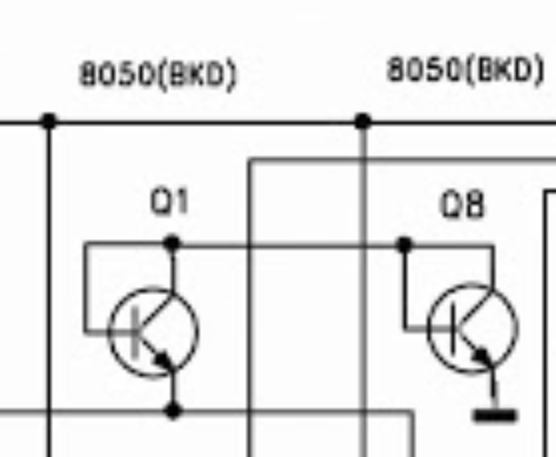
Se capisco bene la protezione è data da queste coppie di BJT (Q5 e Q6 sono 2N3904 immagino ma Q1 e Q8 non so cosa siano).
0
voti
frado ha scritto:Se capisco bene la protezione è data da queste coppie di BJT (Q5 e Q6 sono 2N3904 immagino ma Q1 e Q8 non so cosa siano).
Concordo che la protezione sia la coppia di transistor.
Q1 e Q8 sono collegati esattamente come Q5 e Q6 e "sospetto" che siano anche loro dei 2N3904 (in realta' esiste un transistor con sigla SS8050 (equivalente al 2SC8050) ma credo che nella tua applicazione I 2N3904 vadano bene)
http://html.alldatasheet.com/html-pdf/5 ... S8050.html
0
voti
A parte la nostalgia per il 3478 c'e' una ragione tecnica per volere una resistenza di ingresso così alta ?
Di solito i multimetri presentano una resistenza elavata sulla prima scala in tensione continua, già il secondo range tipicamente scende ad una decina di megaohm dovendo introdurre un divisore per 10.
Per il problema offset, visto che devi misurare segnali lenti puoi valutare se un opamp stabilizzato a chopper possa fare al caso tuo
Di solito i multimetri presentano una resistenza elavata sulla prima scala in tensione continua, già il secondo range tipicamente scende ad una decina di megaohm dovendo introdurre un divisore per 10.
Per il problema offset, visto che devi misurare segnali lenti puoi valutare se un opamp stabilizzato a chopper possa fare al caso tuo
0
voti
edgar ha scritto:... c'e' una ragione tecnica per volere una resistenza di ingresso così alta ?...
Premesso che per me (come per molti) è un hobby, l'idea è quella di avere tre strumenti tra loro isolati e isolati dal PC (e qui la scelta di usare il bluetooth che li rende pratici e "isolati") per acquisire segnali in media - alta risoluzione di carattere generale (tensioni e correnti); In pratica dei multimetri (ad uso elettronico == bassa tensione) con i quali acquisire/storicizzare direttamente i dati su PC. Mi capita spesso di acquisire dati copiando manualmente da multimetro per poi inserirli in un foglio di calcolo per graficarli o fare qualche tipo di calcolo.
Ovviamente so che esistono già multimetri che fanno questo tipo di lavoro (ne posseggo anche uno otticamente isolato) ma il DIY è una malattia :)
Poi, una volta realizzato un prototipo funzionante, vorrei renderlo un oggetto piccolo (poco ingombrante) e leggero (significativamente più piccolo di un normale multimetro).
Tornando alla domanda, la resistenza in ingresso alta ha lo scopo di influenzare al minimo il circuito misurato (dato che ad abbassare la resisteza di ingresso dello strumento si fa in fretta ma alzarla è più complicato :) ).
15 messaggi
• Pagina 1 di 2 • 1, 2
Chi c’è in linea
Visitano il forum: Nessuno e 33 ospiti

Elettrotecnica e non solo (admin)
Un gatto tra gli elettroni (IsidoroKZ)
Esperienza e simulazioni (g.schgor)
Moleskine di un idraulico (RenzoDF)
Il Blog di ElectroYou (webmaster)
Idee microcontrollate (TardoFreak)
PICcoli grandi PICMicro (Paolino)
Il blog elettrico di carloc (carloc)
DirtEYblooog (dirtydeeds)
Di tutto... un po' (jordan20)
AK47 (lillo)
Esperienze elettroniche (marco438)
Telecomunicazioni musicali (clavicordo)
Automazione ed Elettronica (gustavo)
Direttive per la sicurezza (ErnestoCappelletti)
EYnfo dall'Alaska (mir)
Apriamo il quadro! (attilio)
H7-25 (asdf)
Passione Elettrica (massimob)
Elettroni a spasso (guidob)
Bloguerra (guerra)


