nell'attesa che tu posti le foto, qui sotto dove sto scrivendo c'è un tasto " Invia allegato " , fai clic e poi ci carichi la foto che hai sul PC.
Ti metto un disegno dove ti indico la differenza che esiste tra i due tipi di trasformatore che mi pare tu abbia indicato, se mi sono sbagliato, scusami
Mi è parso che tu voglia poter usare un trasformatore che recuperi da un alimentatore ATX e questo non è possibile, prova a cercare in rete come sono usati, sono trasformatori switching.
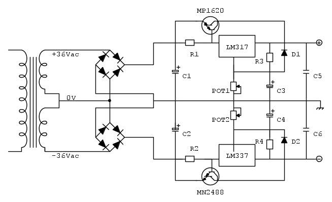
A te servono dei trasformatori tradizionali, costruiti con pacco lamellare in ferro e se hanno un primario a 230 V AC li puoi inserire direttamente sulla linea di casa.


Elettrotecnica e non solo (admin)
Un gatto tra gli elettroni (IsidoroKZ)
Esperienza e simulazioni (g.schgor)
Moleskine di un idraulico (RenzoDF)
Il Blog di ElectroYou (webmaster)
Idee microcontrollate (TardoFreak)
PICcoli grandi PICMicro (Paolino)
Il blog elettrico di carloc (carloc)
DirtEYblooog (dirtydeeds)
Di tutto... un po' (jordan20)
AK47 (lillo)
Esperienze elettroniche (marco438)
Telecomunicazioni musicali (clavicordo)
Automazione ed Elettronica (gustavo)
Direttive per la sicurezza (ErnestoCappelletti)
EYnfo dall'Alaska (mir)
Apriamo il quadro! (attilio)
H7-25 (asdf)
Passione Elettrica (massimob)
Elettroni a spasso (guidob)
Bloguerra (guerra)












