circuito polarizzatore MOSFET n channel
Moderatori:
carloc,
g.schgor,
BrunoValente,
IsidoroKZ
18 messaggi
• Pagina 2 di 2 • 1, 2
0
voti
non è pilotato il frequenza. deve lavorare al 100% del futuro cycle quando è acceso. intendevo le fasi in cui viene acceso e quando viene spento. l intervallo di tempo tra le due, in normale funzionamento e non meno di qualche decina di secondi
0
voti
i mosfet possono lavorare in 2 situazioni di funzionamento: acceso o spento. quando è acceso il mosfet è pilotato con Duty Cycle del 100%. l'intervallo di tempo che può decorrere tra la situazione di acceso e la situazione di spegnimento è di alcune decine di secondi.
1
voti
Mi sfugge il ragionamento per il quale hai deciso di usare due transistori mosfet.
Se non ho capito male hai una batteria e un carico che vuoi collegare alla batteria con una tua tempistica e vuoi usare il mosfet come interruttore, corretto? Se è cosi basta un solo transistore.
Stefano
Se non ho capito male hai una batteria e un carico che vuoi collegare alla batteria con una tua tempistica e vuoi usare il mosfet come interruttore, corretto? Se è cosi basta un solo transistore.
Stefano
-

stefanodelfiore
1.673 3 8 - Master

- Messaggi: 569
- Iscritto il: 28 mar 2009, 20:15
- Località: Bologna
0
voti
corretto! l'applicazione è quella che hai descritto tu. uso due mosfet con Source in comune per evitare che, in caso di tensione del carico maggiore della tensione di batteria, Il diodo intrinseco entri in conduzione
0
voti
Questo significa che il carico potrebbe essere anche un generatore di tensione o similare?
Stefano
Stefano
-

stefanodelfiore
1.673 3 8 - Master

- Messaggi: 569
- Iscritto il: 28 mar 2009, 20:15
- Località: Bologna
2
voti
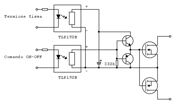
Per commutarlo velocemente in entrambi i versi si potrebbe fare così
Il fotoaccoppiatore in alto è sempre acceso e tenendo carico il condensatore fornisce la tensione di alimentazione per il buffer costituito dai due transistor.
Ovviamente funziona solo se la frequenza delle commutazioni è bassa, altrimenti il condensatore si scarica.
Il fotoaccoppiatore in alto è sempre acceso e tenendo carico il condensatore fornisce la tensione di alimentazione per il buffer costituito dai due transistor.
Ovviamente funziona solo se la frequenza delle commutazioni è bassa, altrimenti il condensatore si scarica.
-

BrunoValente
39,6k 7 11 13 - G.Master EY

- Messaggi: 7796
- Iscritto il: 8 mag 2007, 14:48
18 messaggi
• Pagina 2 di 2 • 1, 2
Chi c’è in linea
Visitano il forum: Nessuno e 150 ospiti

Elettrotecnica e non solo (admin)
Un gatto tra gli elettroni (IsidoroKZ)
Esperienza e simulazioni (g.schgor)
Moleskine di un idraulico (RenzoDF)
Il Blog di ElectroYou (webmaster)
Idee microcontrollate (TardoFreak)
PICcoli grandi PICMicro (Paolino)
Il blog elettrico di carloc (carloc)
DirtEYblooog (dirtydeeds)
Di tutto... un po' (jordan20)
AK47 (lillo)
Esperienze elettroniche (marco438)
Telecomunicazioni musicali (clavicordo)
Automazione ed Elettronica (gustavo)
Direttive per la sicurezza (ErnestoCappelletti)
EYnfo dall'Alaska (mir)
Apriamo il quadro! (attilio)
H7-25 (asdf)
Passione Elettrica (massimob)
Elettroni a spasso (guidob)
Bloguerra (guerra)

