Cos'è ElectroYou | Login Iscriviti

ElectroYou - la comunità dei professionisti del mondo elettrico

Implementazione circuitale tramite NAND e NOR

Elettronica lineare e digitale: didattica ed applicazioni

Moderatori: Foto Utentecarloc, Foto Utenteg.schgor, Foto UtenteBrunoValente, Foto UtenteIsidoroKZ

0
voti

[1] Implementazione circuitale tramite NAND e NOR

Messaggioda Foto Utentedadothebest » 30 gen 2018, 16:56

Ciao a tutti, mi sto preparando per l'esame di elettronica e avrei una domanda semplice da proporre.
Il testo dell'esercizio mi chiede di implementare a logica NOR a 2 ingressi (NOR2) la seguente funzione:

F=C\cdot\overline{E}\cdot\overline{F}+C\cdot\overline{F}\cdot G+\overline{C}\cdot D\cdot\overline{F}

E' corretto in questo modo?
Avatar utente
Foto Utentedadothebest
24 2 7
Frequentatore
Frequentatore
 
Messaggi: 229
Iscritto il: 25 nov 2013, 17:13
Località: Ascoli Piceno

2
voti

[2] Re: Implementazione circuitale tramite NAND e NOR

Messaggioda Foto Utenteg.schgor » 30 gen 2018, 18:53

Ma con soli NOR2 o anche con NAND2?
Avatar utente
Foto Utenteg.schgor
57,8k 9 12 13
G.Master EY
G.Master EY
 
Messaggi: 16971
Iscritto il: 25 ott 2005, 9:58
Località: MILANO

0
voti

[3] Re: Implementazione circuitale tramite NAND e NOR

Messaggioda Foto Utentedadothebest » 30 gen 2018, 18:57

Penso solo con NOR2, il testo dell'esercizio è esattamente quello che ho riportato sopra. C'è anche un'altra tipologia di esercizio che chiede di implementarlo colo con NAND2
Avatar utente
Foto Utentedadothebest
24 2 7
Frequentatore
Frequentatore
 
Messaggi: 229
Iscritto il: 25 nov 2013, 17:13
Località: Ascoli Piceno

1
voti

[4] Re: Implementazione circuitale tramite NAND e NOR

Messaggioda Foto Utenteg.schgor » 30 gen 2018, 19:06

Allora perché hai usato NAND?
Per trasformare uno schema in NOR occorre
usare le equivalenze di DeMorgan.
Le conosci?
Avatar utente
Foto Utenteg.schgor
57,8k 9 12 13
G.Master EY
G.Master EY
 
Messaggi: 16971
Iscritto il: 25 ott 2005, 9:58
Località: MILANO

-1
voti

[5] Re: Implementazione circuitale tramite NAND e NOR

Messaggioda Foto Utentedadothebest » 30 gen 2018, 19:16

Hai ragione non me ne sono accorto e con la fretta ho selezionato l'operatore errato.
Così funziona? (il passino pieno ai capi della NAND è la negazione)
Avatar utente
Foto Utentedadothebest
24 2 7
Frequentatore
Frequentatore
 
Messaggi: 229
Iscritto il: 25 nov 2013, 17:13
Località: Ascoli Piceno

1
voti

[6] Re: Implementazione circuitale tramite NAND e NOR

Messaggioda Foto Utenteg.schgor » 30 gen 2018, 20:09

perché un NOR2 funzioni da AND devi invertire
entrambi gli ingressi!
Avatar utente
Foto Utenteg.schgor
57,8k 9 12 13
G.Master EY
G.Master EY
 
Messaggi: 16971
Iscritto il: 25 ott 2005, 9:58
Località: MILANO

0
voti

[7] Re: Implementazione circuitale tramite NAND e NOR

Messaggioda Foto Utentedadothebest » 30 gen 2018, 20:32

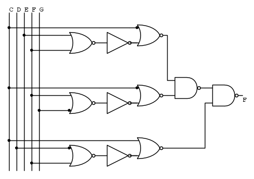
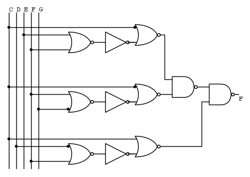
Ho usato DeMorgan per passare da:
F=C\cdot\overline{E}\cdot\overline{F}+C\cdot\overline{F}\cdot G+\overline{C}\cdot D\cdot\overline{F}

a:
F=(\overline{C}+E+F)\cdot (C+\overline{F}+G)\cdot( C+\overline{D}+F)

per poi implementare il seguente circuito:

Avatar utente
Foto Utentedadothebest
24 2 7
Frequentatore
Frequentatore
 
Messaggi: 229
Iscritto il: 25 nov 2013, 17:13
Località: Ascoli Piceno

2
voti

[8] Re: Implementazione circuitale tramite NAND e NOR

Messaggioda Foto Utenteg.schgor » 30 gen 2018, 20:52

Ma per usarlo come OR, devi invertire l'uscita del p rimo NOR
(che è lo stesso invertire l'ingresso del secondo, come già detto)
Avatar utente
Foto Utenteg.schgor
57,8k 9 12 13
G.Master EY
G.Master EY
 
Messaggi: 16971
Iscritto il: 25 ott 2005, 9:58
Località: MILANO

0
voti

[9] Re: Implementazione circuitale tramite NAND e NOR

Messaggioda Foto Utentedadothebest » 30 gen 2018, 22:34

Avatar utente
Foto Utentedadothebest
24 2 7
Frequentatore
Frequentatore
 
Messaggi: 229
Iscritto il: 25 nov 2013, 17:13
Località: Ascoli Piceno

3
voti

[10] Re: Implementazione circuitale tramite NAND e NOR

Messaggioda Foto Utenteg.schgor » 30 gen 2018, 22:46

Sì. E i NAND rimanenti non vanno sostituiti?
(così è sbagliato)
Avatar utente
Foto Utenteg.schgor
57,8k 9 12 13
G.Master EY
G.Master EY
 
Messaggi: 16971
Iscritto il: 25 ott 2005, 9:58
Località: MILANO

Prossimo

Torna a Elettronica generale

Chi c’è in linea

Visitano il forum: Nessuno e 162 ospiti