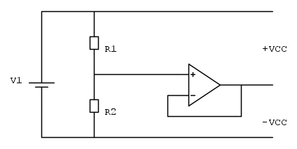
Ciao, lo schema che ho raffigurato è del quarto esercizio di un esame di stato di elettronica. Il quesito chiede, partendo da una tensione V1 singola, di fare una tensione duale. questo non è molto difficile basta mettere le due resistenze uguali.
Il problema è che lui vuole in uscita una potenza da ogni linea di 10W,l'operazionale può dare al massimo 20mA,una potenza di 10W sono 700mA di corrente.
io avrei pensato di mettere un operazione di potenza e risolvere così il problema, ma se volessi lasciare questo operazionale (LM741) come potrei fare? forse con un transistor?
grazie.
http://www.istruzione.it/esame_di_stato/201516/Istituti%20tecnici/Suppletiva/M584_SUP16.pdf
quesito esame di stato
Moderatori:
carloc,
g.schgor,
BrunoValente,
IsidoroKZ
3 messaggi
• Pagina 1 di 1
0
voti
Premesso che ti viene chiesto di rispondere a 2 quesiti (su 4) ... quindi ... evita quelli dove hai dubbi.
Ma la domanda ti sembra proprio così difficile ? Come si fa ad aumentare la potenza di un segnale ?
Un (solo) transistor forse è poco ... magari qualcosina in più ...
Se vuoi un "aiutino", cerca in rete: "amplificatore audio classe B" ... e forse ti viene l'idea.
Auguri per gli studi !
Bye
Ser.Tom
Ma la domanda ti sembra proprio così difficile ? Come si fa ad aumentare la potenza di un segnale ?
Un (solo) transistor forse è poco ... magari qualcosina in più ...
Se vuoi un "aiutino", cerca in rete: "amplificatore audio classe B" ... e forse ti viene l'idea.
Auguri per gli studi !
Bye
Ser.Tom
3 messaggi
• Pagina 1 di 1
Chi c’è in linea
Visitano il forum: Nessuno e 170 ospiti

Elettrotecnica e non solo (admin)
Un gatto tra gli elettroni (IsidoroKZ)
Esperienza e simulazioni (g.schgor)
Moleskine di un idraulico (RenzoDF)
Il Blog di ElectroYou (webmaster)
Idee microcontrollate (TardoFreak)
PICcoli grandi PICMicro (Paolino)
Il blog elettrico di carloc (carloc)
DirtEYblooog (dirtydeeds)
Di tutto... un po' (jordan20)
AK47 (lillo)
Esperienze elettroniche (marco438)
Telecomunicazioni musicali (clavicordo)
Automazione ed Elettronica (gustavo)
Direttive per la sicurezza (ErnestoCappelletti)
EYnfo dall'Alaska (mir)
Apriamo il quadro! (attilio)
H7-25 (asdf)
Passione Elettrica (massimob)
Elettroni a spasso (guidob)
Bloguerra (guerra)



