Salve a tutti. Mi rivolgo a voi vista la mia necessità di costruire una lampada frontale a led ad uso speleologico. Tralasciando la parte relativa alla costruzione del contenitore impermeabile e della montatura per il caschetto che non è pertinente, volevo qualche informazione riguardo la parte elettronica.
In sintesi la lampada dovrà avere minimo due livelli di illuminazione, rappresentati da uno o più led per un totale di circa 300 lumen e da altri per un totale di 100 lumen. Il massimo sarebbe riuscire a realizzare un circuito in grado ci accendere prima solo il primo gruppo di led (100 lumen), poi di spegnere questo e accendere il secondo (da 300 lumen) e successivamente riaccendere il primo gruppo senza spegnere il secondo (totale 400 lumen). So di dover montare anche un driver per questi led in modo di ottimizzare il consumo delle batterie che solitamente sono 4 AA ma che pensavo di sostituire con 8 AAA in modo tale di aumentare la durata della luce. Partendo dal presupposto che io sono abbastanza inesperto, ma che comunque posso farmi aiutare da mio padre che è un bravissimo elettronico industriale in pensione, potreste aiutarmi a trovare la via da percorrere? In che modo andrebbe assemblato il tutto? Cosa dovrei usare per gestire i livelli di illuminazione con la pressione ripetuta di un singolo interruttore? Eventualmente ci sono altri accorgimenti a livello di elettronica che possano aiutarmi a risparmiare le batterie?
Grazie mille in anticipo ragazzi
Costruire lampada frontale led
Moderatori:
carloc,
g.schgor,
BrunoValente,
IsidoroKZ
5 messaggi
• Pagina 1 di 1
1
voti
entropikid ha scritto:Il massimo sarebbe riuscire a realizzare un circuito in grado ci accendere prima solo il primo gruppo di led (100 lumen), poi di spegnere questo e accendere il secondo (da 300 lumen) e successivamente riaccendere il primo gruppo senza spegnere il secondo (totale 400 lumen). [...] In che modo andrebbe assemblato il tutto? Cosa dovrei usare per gestire i livelli di illuminazione con la pressione ripetuta di un singolo interruttore?
La sequenza che hai descritto, in ordine dato è 0001, 0010, 0011, quindi direi che la soluzione è quella di usare un 74HC74 che piloti il clock di un contatore binario fino a 3 (0011), che una volta arrivato appunto alla sequenza 0011, al successivo fronte di clock venga resettato o ricominci da 0001, problema risolvibile con un "4 bit binary presettable counter".
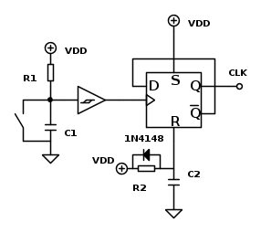
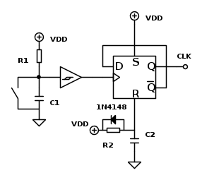
Questo potrebbe essere il circuito per la parte del flip flop D con il 74HC74.
Nello schema (copia incolla da qui) è presente un buffer Schitt Trigger (si potrebbe usare un 74HC14) ma se si osserva il datasheet del 74HC74 a pagina 6 si vede che l'entrata di CLK ha già un uno Schmitt Trigger interno, quindi direi che si può farne a meno lasciando solo la rete RC con lo switch..
Ricorda che la serie 74HC va alimentata al massimo a 5V, non di più. Per il momento non ho pensato a quale contatore, se sincrono o asincrono etc.
Dovresti farti il calcolo dei LED per ogni raggruppamento, se in serie o parallelo ed accertarti che le pile AAA possano bastare. Riassumando, consumo totale di ciascun raggruppamento e tensione di alimentazione.
A partire da qui o qui penso tu possa fare i calcoli per la luminosità richiesta, sempre se non li hai già fatti o hai già provveduto.
Infine, ad ogni output del contatore devi collegare un transistore (BJT o MOSFET) esterno da usare come interruttore. Serve sapere il consumo di ciascun raggruppamento per dire quale si o quale no, comunque i MOSFET lavorano meglio come interruttori rispetto ai bipolari.
Eventualmente ci sono altri accorgimenti a livello di elettronica che possano aiutarmi a risparmiare le batterie?
Mmm.. La batteria consumerà quello che richiede il circuito. A maggior numero di LED o stringhe di LED in parallelo maggior consumo.
Infine, se il tutto è comandato manualmente, per il momento non vedo soluzioni particolari per quest'ultima richiesta.
Se invece non vuoi usare le pile puoi valutare l'uso di una batteria più "robusta" o di un alimentatore a parte. Potresti anche farlo lineare o comprarne uno da parete con le specifiche adatte in base al consumo e tensione di alimentazione richiesta.

0
voti
Al momento di scrivere il post precedente era molto tardi, non so perché ho pensato al flip flop D, non serve e mi sono confuso con qualcos'altro
. Svarione delle 3 del mattino...
0
voti
buon giorno, io ho una lampada frontale pulsar, da quando l'ho comperata ho avuto problemi, l'ho rispedita indietro, me l'hanno messa a posto e rispedita, poi la luce di profondita' e' morta definitivamente. L'ho aperta, ho trovato un groviglio di fili saldati e giuntati, li ho cambiati e si e' acceso il led ma fa una luce davvero molto tenue e non regola le 6 diverse intensita'.
Sapreste indicarmi a chi posso rivolgermi qui in italia per farla vedere? Cercavo qualcuno di competente in materia e che non mi faccia aspettare mesi per riaverla.
Grazie
Andrea
Sapreste indicarmi a chi posso rivolgermi qui in italia per farla vedere? Cercavo qualcuno di competente in materia e che non mi faccia aspettare mesi per riaverla.
Grazie
Andrea
-

andreapallino
0 1 - Messaggi: 1
- Iscritto il: 3 feb 2018, 17:11
0
voti
oltre al circuito sequenziale ti serve un buon driver, come questo: https://www.ne555.it/driver-led-alta-efficienza/
più che altro io accendere sempre tutti i gruppi LED e poi varierei il PWM per variare l'intensità luminosa
più che altro io accendere sempre tutti i gruppi LED e poi varierei il PWM per variare l'intensità luminosa
5 messaggi
• Pagina 1 di 1
Chi c’è in linea
Visitano il forum: Nessuno e 150 ospiti

Elettrotecnica e non solo (admin)
Un gatto tra gli elettroni (IsidoroKZ)
Esperienza e simulazioni (g.schgor)
Moleskine di un idraulico (RenzoDF)
Il Blog di ElectroYou (webmaster)
Idee microcontrollate (TardoFreak)
PICcoli grandi PICMicro (Paolino)
Il blog elettrico di carloc (carloc)
DirtEYblooog (dirtydeeds)
Di tutto... un po' (jordan20)
AK47 (lillo)
Esperienze elettroniche (marco438)
Telecomunicazioni musicali (clavicordo)
Automazione ed Elettronica (gustavo)
Direttive per la sicurezza (ErnestoCappelletti)
EYnfo dall'Alaska (mir)
Apriamo il quadro! (attilio)
H7-25 (asdf)
Passione Elettrica (massimob)
Elettroni a spasso (guidob)
Bloguerra (guerra)



