Salve a tutti potreste gentilmente darmi una mano con questo esercizio?
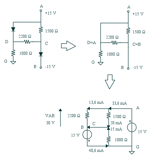
-Determinare la corrente I e la tensione V nel circuito di figura, assumendo i diodi ideali.
Esercizio diodi
Moderatori:
carloc,
g.schgor,
BrunoValente,
IsidoroKZ
7 messaggi
• Pagina 1 di 1
0
voti
[1] Esercizio diodi
Ultima modifica di
wall87 il 15 feb 2018, 17:51, modificato 1 volta in totale.
Motivazione: Inserite immagini come allegato
Motivazione: Inserite immagini come allegato
-

cristina270
0 2 - Messaggi: 1
- Iscritto il: 14 feb 2018, 18:09
-2
voti
Il diodo ideale conduce quando ai suoi capi si ha una c.d.t. maggiore di 0. Nell'esercizio proposto hai due generatori di tensione, quindi per semplificarti i calcoli puoi applicare il principio di sovrapposizione degli effetti dato che abbiamo a che fare con un circuito lineare. Comincia col cortocircuitare a massa il primo dei generatori, calcolando così il contributo dei - 15V; in seguito, cortocircuitando il secondo generatore ti trovi il contributo dovuto al primo generatore da +15V.
1
voti
Quando un Diodo ideale è in conduzione agisce come un corto circuito.
Nel tuo caso entrambi i Diodi sono in conduzione.
Ridisegnati lo schema e sostituisci i due Diodi con 2 fili e calcolati
e

Nel tuo caso entrambi i Diodi sono in conduzione.
Ridisegnati lo schema e sostituisci i due Diodi con 2 fili e calcolati
e

2
voti
Dire che un circuito con diodi sia lineare, mi pare come minimo un po' azzardato 
C'e` una regoletta semplice, che non sempre si riesce ad applicare, ma se ci si riesce semplifica il circuito. Cominciamo con i diodi ideali.
Se un diodo ha l'anodo collegato al potenziale piu` alto dell'alimentazione del circuito, allora il diodo e` in conduzione. Se un diodo ha il catodo collegato all'alimentazione piu` negativa di tutto il circuito, allora il diodo e` in conduzione.
Se il diodo e` reale, allora la cosa diventa un po' piu` complicata. Si puo` dire che se SOLO il diodo e` collegato con l'anodo all'alimentazione piu` positiva, allora e` in conduzione (sempre che le alimentazioni siano in grado di accendere i diodi). Stessa cosa per catodo e alimentazione negativa.
Nel tuo caso...
C'e` una regoletta semplice, che non sempre si riesce ad applicare, ma se ci si riesce semplifica il circuito. Cominciamo con i diodi ideali.
Se un diodo ha l'anodo collegato al potenziale piu` alto dell'alimentazione del circuito, allora il diodo e` in conduzione. Se un diodo ha il catodo collegato all'alimentazione piu` negativa di tutto il circuito, allora il diodo e` in conduzione.
Se il diodo e` reale, allora la cosa diventa un po' piu` complicata. Si puo` dire che se SOLO il diodo e` collegato con l'anodo all'alimentazione piu` positiva, allora e` in conduzione (sempre che le alimentazioni siano in grado di accendere i diodi). Stessa cosa per catodo e alimentazione negativa.
Nel tuo caso...
Per usare proficuamente un simulatore, bisogna sapere molta più elettronica di lui
Plug it in - it works better!
Il 555 sta all'elettronica come Arduino all'informatica! (entrambi loro malgrado)
Se volete risposte rispondete a tutte le mie domande
Plug it in - it works better!
Il 555 sta all'elettronica come Arduino all'informatica! (entrambi loro malgrado)
Se volete risposte rispondete a tutte le mie domande
0
voti
IsidoroKZ ha scritto:Dire che un circuito con diodi sia lineare, mi pare come minimo un po' azzardato
Un circuito con soli diodi e resistenze non è lineare, ma una volta semplificato col modello ideale lo è. Il professore, da noi, faceva procedere per ipotesi: il diodo ideale o conduce o non conduce, dunque può essere considerato rispettivamente come un cortocircuito o come un circuito aperto. Applicando Kirchhoff si doveva calcolare la tensione ai capi del diodo e scartare di conseguenza l'ipotesi errata. Così lo hanno insegnato da me.
0
voti
Cosi` funziona, ma non avevi detto che dovevi verificare se la soluzione e` compatibile con i diodi.
Per usare proficuamente un simulatore, bisogna sapere molta più elettronica di lui
Plug it in - it works better!
Il 555 sta all'elettronica come Arduino all'informatica! (entrambi loro malgrado)
Se volete risposte rispondete a tutte le mie domande
Plug it in - it works better!
Il 555 sta all'elettronica come Arduino all'informatica! (entrambi loro malgrado)
Se volete risposte rispondete a tutte le mie domande
7 messaggi
• Pagina 1 di 1
Chi c’è in linea
Visitano il forum: Nessuno e 250 ospiti

Elettrotecnica e non solo (admin)
Un gatto tra gli elettroni (IsidoroKZ)
Esperienza e simulazioni (g.schgor)
Moleskine di un idraulico (RenzoDF)
Il Blog di ElectroYou (webmaster)
Idee microcontrollate (TardoFreak)
PICcoli grandi PICMicro (Paolino)
Il blog elettrico di carloc (carloc)
DirtEYblooog (dirtydeeds)
Di tutto... un po' (jordan20)
AK47 (lillo)
Esperienze elettroniche (marco438)
Telecomunicazioni musicali (clavicordo)
Automazione ed Elettronica (gustavo)
Direttive per la sicurezza (ErnestoCappelletti)
EYnfo dall'Alaska (mir)
Apriamo il quadro! (attilio)
H7-25 (asdf)
Passione Elettrica (massimob)
Elettroni a spasso (guidob)
Bloguerra (guerra)





