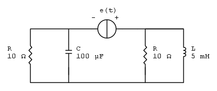
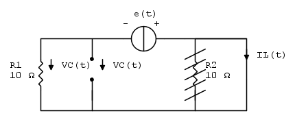
Dato il seguente circuito :

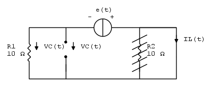
Per il circuito in figura , determinare l'intensità di corrente dell'induttore ,
, per 
Svolgimento
Per
il circuito è in regime stazionario (poiché
)Quindi
il condensatore , C , si comporta come un circuito aperto
l'induttore , L , si comporta come un corto circuito
Ottenendo
Notiamo che il ramo dove è presente la resistenza
è stato cortocircuitato !Possiamo adesso facilmente calcolare:


Per la continuità abbiamo che :


Per
abbiamo :Poiché abbiamo due bipoli dinamici , abbiamo un transitorio del secondo ordine , quindi data l'impossibilità di applicare Thevenin o Norton , si applica direttamente :
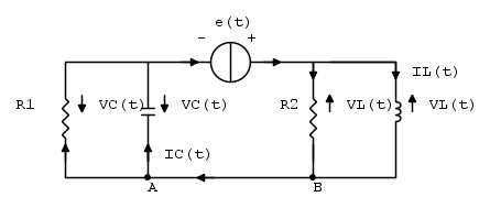
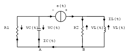
LKC :
ai nodi A e BPer LKT , consideriamo la seguente maglia :
LKT :

Osserviamo che


Grazie a questa considerazione possiamo ottenere una nuova LKC (Ricordando che
)
Adesso considero le equ. caratteristiche di C ed L e le sostituisco , quando posso , in LKC e LKT :
C

L

Quindi diventano :
LKC

LKT
Ho considerato LKT in funzione di 
Adesso sostituisco LKT in LKC !
(Salto i passaggi e giungo direttamente alla forma finale della nostra equ. differenziale del secondo ordine nell'incognita
) :
Passo all'equazione dell'omogenea associata :

CALCOLI :




Notiamo inoltre che

La Soluzione generale sarà :
![I_{L}(t)=e^{\alpha t}[K_{1}cos(\beta t)+K_{2}sin(\beta t)]+I_{LP}(t) I_{L}(t)=e^{\alpha t}[K_{1}cos(\beta t)+K_{2}sin(\beta t)]+I_{LP}(t)](/forum/latexrender/pictures/8a1eafc58d1ed78e10113ab24ab6d7bf.png)
Con
Termine a RegimeCalcoliamo proprio quest'ultimo , considerando che a regime il nostro circuito funziona a regime stazionario
(
) 
Calcolo costanti
e
: Per calcolarle basta considerare l'equ. di continuità della variabile di stato a t=0
K1:

![-0,1=e^{\alpha \cdot 0}[K_{1}cos(\beta \cdot 0)+K_{2}sin(\beta \cdot 0)]+0,1 -0,1=e^{\alpha \cdot 0}[K_{1}cos(\beta \cdot 0)+K_{2}sin(\beta \cdot 0)]+0,1](/forum/latexrender/pictures/62af429f7c9c4dc26f4c9fa1538154a0.png)
ERRORE ! Qui ho posto
Invece

K2:

Qui c'è l'errore che mi Annulla l'esercizio !
Non ho capito perché ?!?! A fine post continuo con la considerazione...
continuo brevemente ..
Ricavo
dall'ultima LKT ottenuta nei calcoli precedenti 
Mentre per
![\frac{\mathrm{d} I_{L}(0^+)}{\mathrm{d} t}=\frac{\mathrm{d} (e^{\alpha t}[K_{1}cos(\beta t)+K_{2}sin(\beta t)]+0.1)}{\mathrm{d} t} \frac{\mathrm{d} I_{L}(0^+)}{\mathrm{d} t}=\frac{\mathrm{d} (e^{\alpha t}[K_{1}cos(\beta t)+K_{2}sin(\beta t)]+0.1)}{\mathrm{d} t}](/forum/latexrender/pictures/05d0de20340217f5614c56afc93a72b9.png)
Evito i calcoli .. ed ottengo

Infine :

Alla fine per ottenere la soluzione finale basta sostituire tutti i valori ottenuti nella soluzione generale descritta prima !
(Ultimi risultati :
e
)volevo condividere con voi questo mio esercizio , perché non riesco a capire perché mi è stato annullato l'esercizio e rimediare a questa mia lacuna .
Volevo solamente sottolineare che questa tipologia di esercizio e svolgimenti simili sono stati studiati dai PDF online del prof. A. Maffucci "Esercitazioni di Elettrotecnica: Circuiti in evoluzione dinamica"
Spero non ci siano , errori di calcolo o imprecisioni dovuti alla trascrizione in LaTex e rappresentazioni di circuito tramite FidoCadJ .
Vi ringrazio per l'attenzione


Elettrotecnica e non solo (admin)
Un gatto tra gli elettroni (IsidoroKZ)
Esperienza e simulazioni (g.schgor)
Moleskine di un idraulico (RenzoDF)
Il Blog di ElectroYou (webmaster)
Idee microcontrollate (TardoFreak)
PICcoli grandi PICMicro (Paolino)
Il blog elettrico di carloc (carloc)
DirtEYblooog (dirtydeeds)
Di tutto... un po' (jordan20)
AK47 (lillo)
Esperienze elettroniche (marco438)
Telecomunicazioni musicali (clavicordo)
Automazione ed Elettronica (gustavo)
Direttive per la sicurezza (ErnestoCappelletti)
EYnfo dall'Alaska (mir)
Apriamo il quadro! (attilio)
H7-25 (asdf)
Passione Elettrica (massimob)
Elettroni a spasso (guidob)
Bloguerra (guerra)






, e quindi, mentre la tensione
, la tensione
.

e quindi, mentre la tensione
, la tensione 