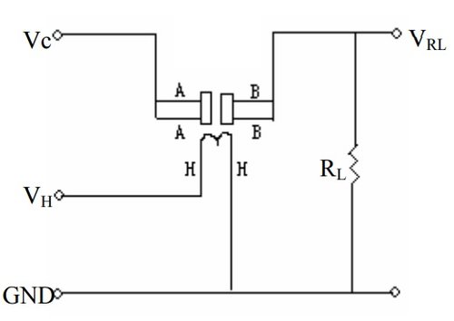
Da qui leggendo vari datasheet ho concluso che
tipicamente e che il sensore si inserisce a monte di una resistenza di carico 
Quello che mi chiedo è:
1) nel circuito base preso dal datasheet dov'è
? è quella tra Vc e RL ?2) in ogni caso guardando il grafico sopra, gli effetti di ogni gas nell'aria si sovrappongono nelle misurazioni? Voglio dire come faccio a capire la concentrazione di un gas preciso (esempio metano) misurando la
dato che anche se conoscessi
, comunque a parità di rapporto Rs/Ro potrei avere tanto LPG oppure poco CH4 oppure una media tra entrambe...?
Elettrotecnica e non solo (admin)
Un gatto tra gli elettroni (IsidoroKZ)
Esperienza e simulazioni (g.schgor)
Moleskine di un idraulico (RenzoDF)
Il Blog di ElectroYou (webmaster)
Idee microcontrollate (TardoFreak)
PICcoli grandi PICMicro (Paolino)
Il blog elettrico di carloc (carloc)
DirtEYblooog (dirtydeeds)
Di tutto... un po' (jordan20)
AK47 (lillo)
Esperienze elettroniche (marco438)
Telecomunicazioni musicali (clavicordo)
Automazione ed Elettronica (gustavo)
Direttive per la sicurezza (ErnestoCappelletti)
EYnfo dall'Alaska (mir)
Apriamo il quadro! (attilio)
H7-25 (asdf)
Passione Elettrica (massimob)
Elettroni a spasso (guidob)
Bloguerra (guerra)






